Fórum témák
» Több friss téma |
Fórum » Sörkollektor és elektronika
Témaindító: INOX 4 EVER, idő: Szept 19, 2010
Témakörök:
Sziasztok! Ha már sörkollektor..Érdekelne hogy oldottátok meg a hőszabályzást. 24-25 ℃ foktól kéne bekapcsolnia. Valami egyszerű megoldás (olcsóbb) érdekelne, amit (nem vagyok forrasztó és fizikazseni) össze tudnék rakni. Köszi.
A bekapcsolást inkább 35°C környékére tenném ez a sok éves tapasztalat a Sörkollektor.hu-n.
A ventilátort rábízhatod egy bojler hőfok szabályzóra is.
Ha 2 bojler hőfok kapcsolót használsz, tudsz fokozatba is kapcsolni.
Nagyon köszönöm. Van egy fali Hajdu átfolyós vízmelegítőm. 10 éve nem használtuk. Az jó lehet? Ha szétszedem, hogy oldjam meg hogy fordítva kapcsoljon? (melegben leold minden hőszabályzó)
Jó lehet egy relével kiegészítve, ha nincs bontó érintkezője.
Ez most nekem kínai lett. Milyen relé? Honnan tudom, hogy nincs bontó érintkezője?
Megméred van e olyan érintkezőpár rajta, ami akkor bont amikor a kívánt hőfok alá ment a hőmérséklet. Mert ugye a bojlerben fordítva használjuk. Ha nincs, akkor egy relét kell hogy kapcsolgass vele, ami bekapcsolásra bontja a ventilátor áramát. Remélem így érthető.
Köszönöm. Értem. Délután remélem szét tudom szedni, (lesz időm), megírom hova jutottam...
Sok dologhoz értek, építettem egy házat egyedül...de a villany... Szép napot és még egyszer köszi!
Hello! Egy Computherm TR 010 termosztáthoz pár ezerért hozzájutsz és váltóérintkező van benne. Így akár, hűtés vagy fűtéskapcsolónak is használhatod. üdv!
A hozzászólás módosítva: Szept 4, 2013
Hát nem volt időm sem értelme szétszerelni, mert hogy teljesen jó az átfolyós, vagyis kár lenne érte, ha ez a tr csak ennyibe kerül...Köszönöm. Van rajz benne, hogy kell kötni, hogy bizonyos hőfoknál kapcsoljon be és alatt meg ki? Szép hajnalt!
Ha nem 220-as ventilátort akarsz róla működtetni, lehet érdemes le-relézni.
Egy gk fűtőventi szeret 10 ampert elfogyasztani, a sok ki-be kapcsolás kinyírhatja a bojlerkapcsolót.
Sziasztok. Ahova jutottam. 220 as ventillátor, Gamma gyártmány 20w, 2,8m3/perc (KV 119-38) régen ezzel ment a pince szellőztetés (bekapcs, kikapcs időkapcsolóval, hogy ne penészedhessen) Nagyon csendben működik. Ma vettem egy hőkapcsolót, amit hűtésre is lehet állítani 1,5m hosszú a hőérzékelője ( IMIT 18/11 C , 0-90 ℃, TR2 9335 , C1 6/6A-250V~, C2 6(4)A/250V~, DIN tr1211. Bekalibráltam, mert ez egy csupasz, tök egyszerű kapcsoló. A 2-es re kötve 35 ℃ környékén kapcsol be és 28-32 között (valahol) ki. Vízben, hőmérővel kalibráltam, remélem levegőn, a kollektorba építve is működik...
Szombaton kiderül, majd írok. Köszönöm mindenkinek! Ha a fentivel valami gond van, vagy megjegyzés, ne kíméljetek! Inkább most, mint amikor összeraktam. Szép délutánt! A hozzászólás módosítva: Szept 5, 2013
Ez a venti szerintem több szempontból is rossz választás.
Egyrészt kicsi a teljesítménye, 20 watt, egy 2-3 m2 kollektorhoz dukál egy 100 watt körüli venti még viszonylag kevés könyökidom esetén is. Másrészt az axiális venti nagy légtömeg, de kis nyomás kifejtésére alkalmas, esetünkbe nagy nyomás is kell, ide radiál (mókuskerekes) venti kell, gk fűtésnél nem véletlenül használnak ilyet, mert nyomás kell, átpasszírozni a levegőt a járatokon. Üdv
Sziasztok! Egy kérdőív kitöltésére szeretnélek megkérni benneteket. Szakdolgozatom témája a sörkollektor és ennek kutatásához szeretném kérni segítségeteket. A kérdőív ezen a linken érhető el: http://appi.bme.hu/survey/index.php/899399/lang-hu
Köszönöm szépen!
Üdv mindenkinek,készülő sörkollektoromhoz keresek hőkülönség kapcsolót,esetleg,ha valaki ismeri "zsoltee" elérhetőségét szívesen venném ha leírná,mert lenne kérdésem vezérléssel kapcsolatban.
Melyik Zsoltee??
Sziasztok! Nagy telünk (eddig) nem volt, de gondoltam azért most leírom a tapasztalataim. A ventillátort kicseréltem egy TT 125 félradiális csőventilátorra. Két fordulatra köthető, 220/280m3/h, 23/37 W, 29/36dB . Én a 37W-on használom.
(Kollektor: Tájolás D; Napot kap 9:20-17:00; méretek: 3,1 mX 2,55 m 0,18 m vastag; 42 oszlopX15 db, hátul 6cm sárga tervolin szig., elöl 5mm üveg, levegő pincéből 1 kanyar, kollektorig 80cm, fönt 1 kanyar a házba, 50cm; a kollektor körbe lett szigetelve austrotermmel, mintha a falba lenne beépítve. - kép-, fentről harmonika Al cső 2,5 m vezeti le a levegőt a padlószintre. Bejövő csőtől kb 70cm-re is érezhető a meleg áramlása.) Legérdekesebb tapasztalat: 10h, -3- -2 ℃, féltakart ég: Kollektor 48-50 ℃, bejövő levegő 45 ℃.., szerintem nem rossz. Pár napja 10-14 ℃, tiszta derült idő, napsütés szinte egész nap, kollektorban 85 fok, bejövő a szobában 80 fok, szinte egész nap így ment.
Segítséget szeretnék kérni:
REX C-100 hőmérséklet vezérlőn lehet hiszterézis értéket állítani? Aki használ ilyet kérem segítsen! Én egy sörkollektor vezérlésére szeretném használni úgy, hogy két fokozatban hajtsa a ventillátort. Az 1. fokozat a kimeneti reléről a második a riasztási kimenetről vezérlődne. Csak azt nem tudtam kibogozni a leírásából, hogy a hiszterézis értéket hol lehet állítani, vagy egyáltalán lehet-e? köszönöm.
Sziasztok!
Érdeklődnék hogy közületek használ-e valaki a sörkollektort aszalási célokra. Ahogy interneten beleástam magam csak dicsérik, de pontos tapasztalatokat nem nagyon láttam eddig. És hátha közöttetek van valaki aki tudna véleményekkel ellátni. Előre is köszönöm a válaszokat!
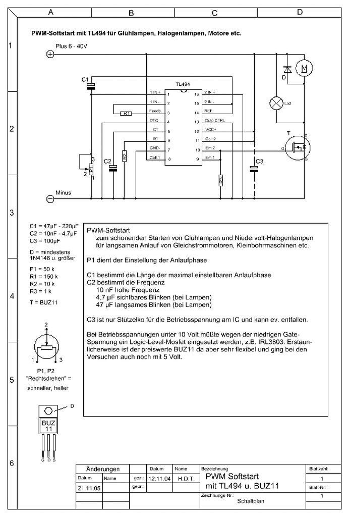
A képen mellékelt softstart pwm 6-40V-ig használható.Megépítettem , működik, annyi különbséggel, hogy nekem 12V 10A villanymotorhoz készült, ezért én 2db IRFZ44N-es FET-tel és 22 Ohm -os gate előtéttel készítettem.Neked szerintem 30V 2A-hez az eredeti felállítás is megfelel.A potival a maximális fordulatig tartó felfutási időt lehet szabályozni.Itt egy videó pontosan azért készült, mert PC tápról hajtom a ventit, és induláskor vészleállást produkált a táp.Amint látod pont egy belezett számítógéptől próbáltam
![]() Üdv! INOX
Használnak.
A képen látható módon kell elkészíteni.
A sörösdoboz gyári festését le lehet valahogy oldani? Kromofággal esetleg?
Szia
A probléma ott kezdődik, hogy kromofágot már vagy két éve nem lehet kapni, csak valami híg semmire nem jó mosogatólevet, szuper kromofág néven, mert ez is belekerült az eu-s butítások halmazába. Egyébként nem értem miért kell leszedni, ha zsírtalanítod (pl acetonnal (ezt még nem vonták ki, ill. nem butították szét)) akkor szépen megmarad rajta a solkote (nyilván azzal akarod lefesteni? Üdv
Sziasztok,
Tervbe van egy kollektor építése, és az lenne a kérdséem, hogy 250cmx250cm alappal, és 160mm-es ki és bemenő csövekkel elég lesz-e ha átlóban kötöm be a ki és be csöveket, és a közösítőkbe teszek srégen terelőket, hogy jobban elossza a levegőt a csövek közt? Persze a 250x250 a teljes bruttó alap mérete, amiből lejönnek ugye az oldalak, a közösítők, és még a szigetelésnek is lejön kb 5 centi oldalalnként. Vagyis a nettó felület az olyan 190x220cm lenne. Mit gondoltok róla? Fedésnek melyik a jobb, az üveg vagy a polikarbonát? Már úgy 4 éve nekiálltam ennek a projektnek, de sajnos pénz hiányában elmaradt, és most hogy van rá keret ideje lenne megvalósítani. ![]() Előre is köszönöm a segítséget! üdv, PIXI
Szia!
Olyanokat kérdezel, amiken rengeteget lehet rágódni, ezért a válasz sem teljesen egyértelmű... Elég lehet egy ekkora kollektorhoz a 160mm be és kimenet, de ha nagyobb, vagy több lenne, az még jobb lenne. Mondjuk szétbonthatnád 2db 125x250-re, ugyanúgy átlós be-/ki- csatlakozással. A csöveken az egyenletes áramlás elosztás elérése nem egyszerű, de ha átlóban van a be és kimenet, szerintem jobb, ha nem teszel bele srégen terelőt, az is csak szűkíti a keresztmetszetet. A polikarbonát könnyebb, nem törik, de hamarabb mattul, nagy a hőtágulása és általában drágább. Az üveg nehezebb (főleg ekkora méretnél), törékeny, de hosszú évek alatt sem mattul, kisebb a hőtágulása és a bontott üveglap vagy thermo üveg szinte ingyen meglehet. Általában mindenki azt szokta választani, amihez könnyebben hozzájut, vagy a mi az igényeinek megfelelő. Ha polikarbonát lapot választasz, a kollektor méretét érdemes ahhoz igazítani. Ugyanígy, ha bontott üveghez hozzáférsz, megszabhatja a méretet.
Szerintem is bontsd ketté, ha PC borítást választol azt vedd méret alapjául, mert tök jó nagy kollektor terveket lehet találni, csak azt felejtik odaírni, hogy ilyen mértzeű PC lapot gyakorlatilag nem lehet kapni.
Egyébként a pc valóban mattul, de az UV áteresztő képessége még így is jobb mint az üvegé, még ha csak áttetsző is. Üdv
A helyzet az, hogy nekem a házban van egy cső rendszer amivel a szobák össze vannak kötve, ennek pedig az az oka, hogy ez egy hosszú parasztház 5 helységgel (szobával), és a 3-4. közös falában van egy téglakályha és mind a két oldalon van felette egy egy bekötése a csőnek, és az első szobák fele fújja benne egy venti onnan a levegőt, így jobban elosztva a meleget télen a házban, és nem csak a két szoba a meleg.
Ebbe a cső rendszerbe tudom belekötni a kollektort, és mivel ez is 160-as végig, így adott a méret. A kollektorból meg az a max méret volt amit tudok csinálni. Sajna a két külön nem kivitelezhető, mert így is úgy is csak egy ki és egy be oldal van. A csövezéskor kialakítottam azt a csövet is ahol a levegőt ki tudja szívni a lakásból. Akkor majd körbenézek milyen méretekben van PC és akkor okosabb leszek majd!
A kollektor tervezés jórészt légtechnikai tervezés, azaz szeretnénk minél kisebb légellenállásúra készíteni. Attól, hogy végeredményben egy 160-as be- és kivezetésed lesz, kedvezőbb, ha a kollektoron kettő be- és kettő kivezetésed van. Ez a kettőre szétbontás nem kell hogy fizikai megjelenésében is látszódjon, elég ha az elosztókat középen lezárod, és készítesz még egy-egy be és kivezetést. Persze ha megoldható. Ha egy lakás falán lesz, megértem, hogy nem akarsz négy csőnek lyukat vágni.
Mivel tetőn lesz, így érdekes lesz az átvezetés, mert 40x40es pala van ami elég sérülékeny. Ezért nem szeretnék több ki és bemenő csövet. Max ha meg van az egész és a csövek a helyükön vannak akkor ha lezárom a be oldalt és befújok azon a felén, már talán érzékelhető lesz az eloszlás. Vagy mivel minden cső vége nyitott így nem így lesz?
A levegőt belefújni vagy kiszívni jobb?
Egy ilyen átlós be-/ki elrendezést sem egyszerű megmérni. Ha bármit megbontasz, borul a légáramlási eloszlás. Nem tudom mivel akarsz mérni. Én még a földön méricskélnék, mielőtt felkerülne. Akár a be vagy a ki oldalon az elosztóban a sörös-doboz-cső elé helyezed a szenzort, visszateszed az elosztó fedelét, bekapcsolod a ventilátort, és mérsz. Ha szenzoron van a kijelző, vagy csak valami egyszerű mechanikus eszközzel méred, és ezért látni kell ,akkor ideiglenesen valami átlátszó anyaggal zárd le az elosztót. Végig méred az összes csövet, ha nagy a különbség, szerintem csak akkor érdemes vele foglalkozni, hogy kiegyenlítsd.
A szívás/fújás kérdésen is lehet rengeteget töprengeni. Általában a fújást szokás választani. Ha a jelenlegi rendszeredben van ventilátor, és elegendő lehet a teljesítménye, akkor fölösleges még egyet bele tenni. Ha csak most vásárolsz, mindenképpen radiálisat vegyél. A sörkollektoroknál előszeretettel használják az autók légszállító ventilátorát, különösen az egyik ford ventilátort. Bontva néhány ezer forinttért elérhető, de egy tápegység is kell még mellé. Páralezárókról ne feledkezzél meg. |
Bejelentkezés
Hirdetés |




Szép napot és még egyszer köszi! 







