Fórum témák
» Több friss téma |
Fórum » Csöves erősítő készítése
Ne feledd betartani a fórum viselkedési szabályait, és a topik megmaradásának feltételeit. [link]
A téma átmenetileg fagyasztva lett, hozzászólni nem tudsz!
300mA az összes P-s televíziócsőre igaz. Ez eléggé tág feszültségértékek közt áll be. PL500 eseten 27V, PCF80 esetén 9V, és ugye a PCL82 ahol ez az érték kb: 16V, de itt mindenhol a 300mA megléte a mérvadó!
A hozzászólás módosítva: Szept 14, 2015
Én kipróbálnék egy hálózati zavarszűrőt, fojtót áttenném DC körbe (AC-nál szerintem kevésbé logikus).
Ha már AC-részen használt, lehet túl magas a tápfeszed és a tekercsed mint áramkorlátozó lépett be, esetleg ha van másik táptrafód azt is kipróbálhatod (lehet megégett). És amire még érdemes figyelni hogy a trafók hogy vannak egymáshoz képest elhelyezve és hogy hol futnak a kábelek. Vedd ki a csövet a panelből, adj rá tápot és a kimenőre köss egy fejhallgatót, ha búgást hallasz a táptrafód megszórja, ebben az esetben mozgasd, forgasd aa trafókat, míg meg nem szűnik a búgás. Fojtó tekercs huzalkeresztmetszete fontos, mert átfolyik rajta a komplett Anódáram, én legalább olyan huzalból tekerném, mint a táptrafó szekundere-ebbel baj nem lehet. Ha hülyeséget írtam javítsatok ki.
Én az alaphelyzetre vonatkoztattam, mert akkor még nem tett bele állítása szerint fojtót. Nyilván azt légréssel célszerű berakni. Úgy értem, hogy fojtó nélkül is el kellene érni egy jó brumm mentességet. Vagy kevés volt a kapacitás vagy kicsi a szűrőellenállás. A fojtó csak egy plusz ebben az esetben, ami már pont elegendőnek bizonyult.
Egyenáramra mindenképpen. Gondolj bele, hogy hogy ha záródnak az erővonalak benne egy irányban, akkor annyira telítésbe viszik a vasat (egy irányba felmágneseződik), hogy a váltó komponensre már érzéketlen lesz, ami a DC szint tetején ül, nem tud váltakozó mágneses tér kialakulni, ami fékezné az áramot.
Azt nem tudom, hogy kéttekercses fojtó esetén például, ha bekötöd a + ágat és rajta vezeted vissza (azonos tekercseléssel) a hideg ágat, akkor nem lenne-e jó légrés nélkül is. Én is belinkelek egy egyszerű kalkulátort: LC ripple filter calculator A DC voltage drop azért nem érdekes talán mert pár volt lesz és ahhoz ismerned kell, hogy az adott fojtót milyen paraméterekre tekered meg (vasmag, áramhoz huzalátmérő, menetszám, közepes menethossz, teljes huzalhosszúság és ebből ennek a DC ellenállása). A hozzászólás módosítva: Szept 15, 2015
Váltó ágra ne tedd ebben az esetben a fojtót, mert a DC-re nézve hatástalan lesz. Csökkenti a bemeneti áramlökést és a feszültséget is, de a szűrést nem javítja. Ahogy Józsi írta, az egyenirányító után tedd. Azért oda, a fojtó elé betehetsz pár mikrót is, de ehhez több dolgot kellene ismerni. A fojtó méretezése összetett dolog és szerintem túl sokat nem kell vele tökölni. Megnézed, milyen légrésesre lemezelhető trafómagod van (pl. SM55) és felraksz kellő vastagságú huzalból annyit a csévére, ami ráfér. és utána ne spórolj a kondival. Én így állnék neki, mert egyébként nem fér el egy hozzászólásba a tervezés, utána kellene nézzél fojtóméretezésnek is.
Sziasztok!
Köszönöm szépen mindenkinek a segítséget! Azért használtam két táp trafót, mert a PCL82-es csöveknek 14,4V kell a futófeszültségnek, és a trafókról csak 7V váltóáram jön le, és sorosan össze kötöttem a kivezetéseket hogy legyen nagyobb futófeszültségem. A nagy feszültségekkel is ugyan így csináltam mert ha a fojtót be teszem akkor azon rengetek feszültség esik, ha jól emlékszem valami 230v környéken, és így már kellet a nagyobb váltó feszültség a tápegységnek, hogy legyen meg a tápegység kimenetén a 220-230V-om!. A fojtó tekercs után 330V-om van, a két darab 820-ohmos ellenálláson pedig 110V-esik, mondjuk azok fűtenek is rendesen. Fel teszem az eredeti rajzot, és az általam készített tápegységről, és a kész panelról. Ha valami nem jó azt kérem jelezzétek.
Most látom hogy a fojtó tekercset rossz helyre rajzoltam, az egyenirányító elibé kellet volna rajzolnom, mert úgy lett volna helyes!
Elnézést hogy rosszul rajzoltam! Tehát ahol most a fojtó van ott áthúzás van és a fojtót az egyenirányító és a trafó közzé kell képzelni! fel teszem újra a rajzot, de már kijavítva. És az erdeti rajz pedig ITT található. A hozzászólás módosítva: Szept 15, 2015
A fojtót inkább a 2 db 820 ohm helyére tenném. Ha van fojtó, akkor azoknak nem sok hasznuk van. A végcsöveknek amúgy sem kell valami fene nagy szűrés, a meghajtónak, meg ha még van előtte fokozat, azoknak lehet további RC szűrést alkalmazni, azokna már amúgy sincs nagy áramfelvétele.
A hozzászólás módosítva: Szept 15, 2015
Szia!
Csak akkor az a helyzet hogy nem csinál semmit, mintha ott se lenne!
Ezek szerint jól megértetted, amiket írtak ezzel kapcsolatban.
Meg szerintem a "grécet" sem jól kötötted be..
A greatz után pufferkondi kell. Azután jöhet az LC szűrő, és további RC szűrők, ha szükségesek. A híd diódáira meg lehet pakolni 4,7 nF kerámia kondikat (szükség szerint) a keresztmoduláció megakadályozására.
pff azt észre sem vettem A hozzászólás módosítva: Szept 15, 2015
Igazad van is el van kötve!
De a valóságban nem így van!, csak el rajzoltam, mert siettem! A hozzászólás módosítva: Szept 15, 2015
Nem tudom, hogy mekkora feszültséget szeretnél levenni a cuccról, de ez így ebben a formában kb. 660V nyers DC-t jelent ám!!!!!!!!.
Eredetileg ezt a trafót nem graetzhez tervezték, hanem sima kétutasra. Ha nem gondolsz erre, akkorát fog ott robbanni minden, mint állat. A BYV95 sem bírja ki! A hozzászólás módosítva: Szept 15, 2015
Szia!
Ne aggódj nem robban itt fel semmi! , hisz mint írtam, és le is van rajzolva, hogy a fojtó tekercs a transzformátor Szekunder tekercse és az egyenirányító híd közzé van kötve, és a fojtó tekercsem 240V-esik!Nincs ott nekem semmilyen 660V-om, hanem csak 220-230V-om végeredményül!
Én végül is nem aggódom, csak javasolok.
Szerintem valami ilyesmi kellene. Mekkora feszültséget szeretnél?
Kezdjük elölről: a ~240V-os szekundereket párhuzamosan (amennyiben azonosak a feszültségek 1-2V-on belül, diódánként 4.7nF kerámia), a 2 ~7V-ost sorosan kötni, vagy sorosan a 2 ~240V-os, és 2 diódával, vagy csővel egyenirányítani (összekötés a közép, test). Továbbá, ahogy "Pucuka" írta. És ne siess, mert abból van/lehet baj. Javaslom Gábor rajzát követni.
A hozzászólás módosítva: Szept 15, 2015
Pontosan 220V-230V jöhet szóba.
Hát ne haragudj, de ez itt egy akkora műaszakiatlan valami, hogy arra szavakat nehezen találok...
![]() 220-230V-ot szeretnél 2x239V-os váltó mellett. És ezt úgy éred el, hogy csinálsz 1x 480V váltót, amit úgy csökkentessz, hogy a váltó oldalon fékezed be és utána egyenirányítod és ellenállással tovább szűröd. Erre szavakat elég nehezen találok, meg nem fórumra való... ![]() Vagy csak nem értem, hogy mit akarsz csinálni.
Értem, és köszönöm!
Meg próbálkozom ezzel a variánssal is amit rajzoltál.
Ha rögtön be akarod fékezni, akkor a rajzomon hagyd el a 47µF-ot és akkor a váltó effektív értékénél kevesebbet kapsz, ahogy Józsi írta. Lecseréled 47nF-ra és fojtót teszel, akkor elképzelhető, hogy a kívánt feszültség áll be, de nem lesz szükség az ellenállásokra, amennyiben azok a végcső áramát is szűrik. Az LC szűrőnek viszont van egy rákfenéje, hogy bizonyos minimális áramnak folynia kell rajta a jó szűréshez.
Már le írtam hogy 240V-esik a fojtó tekercsen, ezért kellet ekkora nagy feszültséget alkalmazzak!, és ezért van sorosan kötve a két szekunder a trafóknak!
Amúgy miért esik ekkora nagy feszültség a fojtó tekercsen?.
Mert a váltó ágba tetted és ott nagyobb hatása van. Vagy egyszerűen nem alkalmas a feladatra, mert túl nagy a DC ellenállása, tehát vagy nem bírja az áramot vagy túl sok menet van rajta. Jó szűréshez CLC fojtón nem szabadna 20-40V-nál többnek esnie. De csináltam már sok tápot és nekem nem volt gondom a brummal fojtó nélkül sem soha.
Amúgy meg már én is leírtam, hogy a váltó ágban hatástalan. Váltóból csinál kisebb váltót. Nagy poén. Aztán ezt egyenirányítod. A lényege, hogy a DC-ről szedje le a szőrt. Szerinted ott le tudja szedni róla a szőrt, ahol csak szőr van, de egyenes vonal nincs? A hozzászólás módosítva: Szept 15, 2015
Értem, akkor csak 20-40V-nak kellene essen a fojtón, akkor itt tényleg nem stimmel valami, mégpedig az szerintem hogy ahogy mondod túl sok menet van a fojtón, amúgy ezt is le írtam már régebben ITT hogy egy régi SE erősítőnek a kimenő trafójának a primer részét használtam fel fojtónak, valószínűleg akkor ez lehet a probléma?, amúgy a trafó ellenállása 110ohm, ha műszerrel le mérem.
A induktivitását nem tudom, mert nem méri le az LCM3-asom valamiért. A hozzászólás módosítva: Szept 15, 2015
Ez még mindig a 2x PCL82 SE, ugye?
Hát én nem tudom, hogy mi a gond. az amúgy is tényleg 220-230V körül érezheti jól magát. talán 2*44mA lehet a nyugalmi áramod. 239V-ból lesz olyan 310-320V nyers egyenáramod kondival. Ezután kell elejteni 80V-ot valahogyan 90mA-el a pentódának, majd még 30-at 3,5mA-el a triódáknak külön-külön vagy 7mA-el együtt. R tagból az első helyen 880ohm kellene (7,2W esik, hihetetlen pazarlás SE esetében) és utána még további szűrésre 4,3kOhm (7mA esetén) 200V-ra. Ennyi. 80V esés olyan brutális, hogy azon már brummot nem hallhatsz, főleg nem 220µF-os kondival...
Hát igen ez még a kis PCL82-es SE erősítő, remélem már a 2X50W-ossal nem lesznek ilyen problémáim mert agybajt kapok!
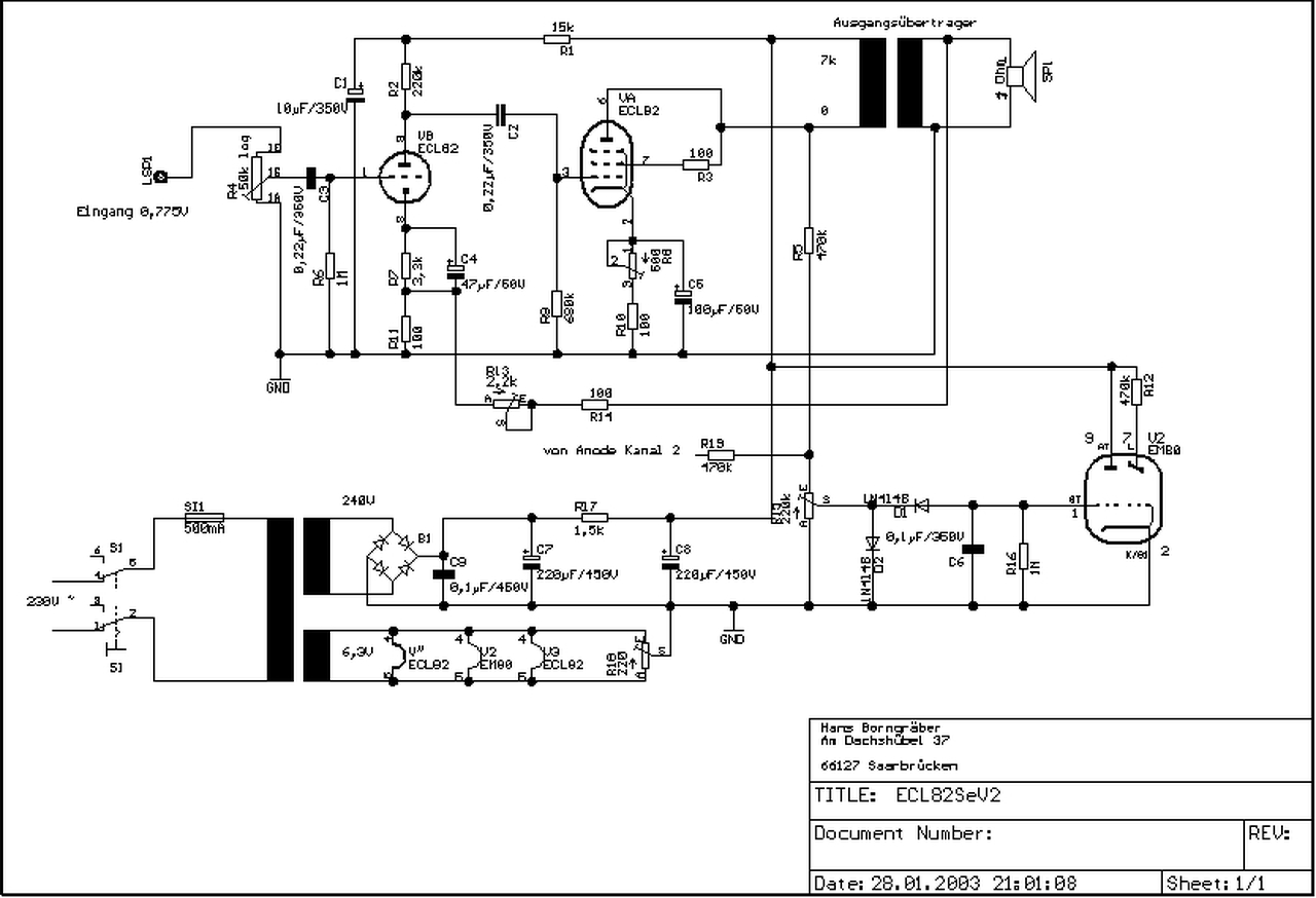
![]() Annak a tápja IGY néz ki. A megtervezésében CIROKL segített, tehát annak jónak kell majd legyen!
Meg van az utódom
Valami más gond lesz. Zúghat akkor is az erősítő, ha túl nagy áramot vesz fel. Itt több dolgot mérned kellene, teljesen rajzot feltenni. Így csak találgat az ember. Számold ki (csak ugye váltó oldalon nem tudod, mert impedanciát kellene számolni a fojtónak), de tegyük fel, hogy DC oldalon beteszed, akkor a 110ohm-nak megfelelő feszültségnek kellene rajta esni, ami 90mA-el 10V.
Amúgy meg mondok egy jó poént. Ugye azt írod, hogy régi SE kimenő primere. Na jé, és te most mit táplálsz vele? SE-t. Eddig oké. Na de kettőt!!! Nyílván kevés legalább 2x akkora áramra, már ha felteszem, hogy PCL82 vagy 86-osé, esetleg EL84-esé volt a kimenő (ezek mind kevesebb, mint 50mA-el mennek).
Idézet: „remélem már a 2X50W-ossal nem lesznek ilyen problémáim mert agybajt kapok!” Azzal nem, mert ott élből fel fog gyulladni... A hozzászólás módosítva: Szept 15, 2015
Ez remek akkor most meg vigasztaltál!, előre be szerzek egy tűzoltókészüléket akkor!
Na de félre a tréfát fel teszem a rajzot. Amúgy az erősítő 100mA-ert vesz fel a két oldal. |
Bejelentkezés
Hirdetés |







, hisz mint írtam, és le is van rajzolva, hogy a fojtó tekercs a transzformátor Szekunder tekercse és az egyenirányító híd közzé van kötve, és a fojtó tekercsem 240V-esik!







