Fórum témák
» Több friss téma |
- Ez a felület kizárólag, az elektronikában kezdők kérdéseinek van fenntartva és nem elfelejtve, hogy hobbielektronika a fórumunk!
- Ami tehát azt jelenti, hogy a nagymama bevásárlását nem itt beszéljük meg, ill. ez nem üzenőfal! - Kerülendő az olyan kérdés, amit egy másik meglévő (több mint 17000 van), témában kellene kitárgyalni! - És végül büntetés terhe mellett kerülendő az MSN és egyéb szleng, a magyar helyesírás mellőzése, beleértve a mondateleji nagybetűket is!
Sziasztok!
Kezdőként szeretnék egy RCA elosztót megépíteni erősítéssel. (Kép csatolva) Valaki tudna segíteni kijavítani a hibákat és esetleg nyákot nyomtatni? Előre is köszönöm! Remélem jó lesz első próbálkozásnak.
Üdv!
A be és kimenetekről hiányzik a csatolókondi. A 100 Ohm-os ellenállások kicsik, válasz inkább a kOhm-os nagyságrendből. Ha nem invertáló üzemben használod az OPA-t akkor megúszod két darabbal a négy helyett.
Egy kérdést csak egy helyen teszünk fel.
Ez nem erősít (feszültségben) semmit , de a problémád szempontjából két huzaldarab is megteszi (mivel a kimenet jó eseteben terhelhető, a bemenet pedig nem terhel).Azaz szerintem kösd össze a kimenetet a két bemenettel, ízlés szerinti dobozba építve.
Ja igen, ha elosztót szeretnél, akkor mindegyik kimenet kapjon külön erősítőfokozatot. Ne közösítéssel legyen a kimenet megoldva.
Nem tudnám valahogy kisebb kivitelezésbe megoldani? A kivezetési kondikat, hogy oldjam meg? (Kimenet és a gnd közé?) És mekkora legyen? Először is Gafly válasza szerint megpróbálom összekötögélni, ha nem megy akkor rendelek az erősítőhöz tartozékokat.
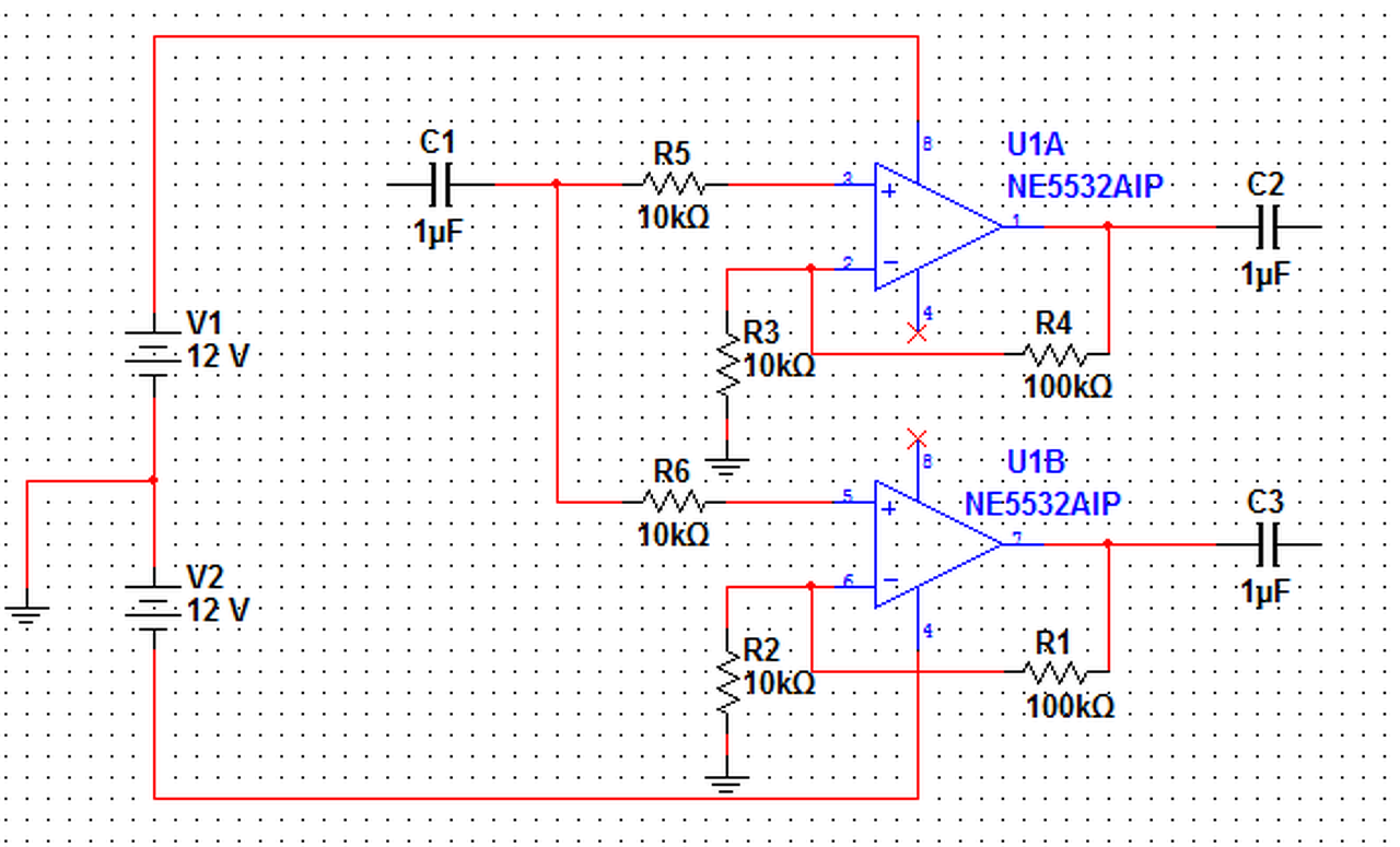
Szia! Itt egy példa.
Például így tudnád megoldani, lásd kép. Ez most, csak az egyik (mondjuk a bal) csatorna kettéosztását végzi. Ebből kell minimum még egy, hogy két darab sztereó kimeneted legyen, illetve még annyi, amennyit szeretnél. A C1 bemenet, a C2-C3 kimenet. Az erősítés 11x-es.
Ne trollkodj már
![]() Miért vezeted meg ennyire szegényt ![]() Elolvastad hogy egy kimenő jelből osztaná két bemenetre a jelet?
Trollkodok? Érdekes.
Idézet: „szeretnék egy RCA elosztót megépíteni erősítéssel” Nem tudom, hogy te ebből honnan tudod megállapítani, hogy mit, mivel akar összekötni (én nem látok bele a fejébe). Az én megoldásom korrektebb, mert így minden szépen külön van választva és még véletlenül sem szólnak bele egymás dolgába. Ráadásul még jelerősítés is van, ahogy szeretné. Nem úgy, mint az általad javasolt, "kösd össze oszt jóvan" megoldásban.
Sziasztok!
Ezt a trafót szeretném kipróbálni, hogy működik-e, de nem vagyok biztos a bekötésben. Ebben szeretnék segítséget kérni. Előre is köszönöm.
Mit mértél meg eddig? Melyik tekercsvégek közt mekkora ellenállás mérhető? Rajzold le a kivezetéseket és a közöttük mért értékeket. Ha tudod miből származik a trafó akkor azt is írd meg.
Nem tudom miből lett kiszerelve és nem mértem semmit. A problémám az, hogy a 3 vastag vezeték közül, melyikre kell kötni a 220-at.
Valószínűsíthető, hogy nem a vastag vezetékekre kell a hálózati feszültséget kötni.
Ellenállás előzetes mérése nélkül nem ajánlatos egy ismeretlen trafóval kikezdeni.
Az a 3 vastag kivezetés nagy valószinűséggel "kétutas" egyenirányitáshoz van kialakitva (azaz két dioda).
A másik oldalon lesz valószinűleg a primer tekercs, a legnagyobb ellenállású tekercset próbálnám elsőként...
Mérés nélkül nem szabad rákötni a 230v-ot ha egyáltalán 230v-os cuccban volt, ezt azért jó lenne tudni. Az hogy a vastag lenne a szekunder az valószínű, de lehet, hogy csak a szigetelés miatt vastag. Meg kell mérni ellenállásmérővel melyik vezetékek közt, mit mérsz, mérni a keresztmetszeteket is és akkor lehet valamit mondani.
Most már tudom, hogy ez egy szünetmentes tápegység transzformátora volt. Ennek megfelelően a 3 vastag vezeték az akkumulátorról kap feszültséget. Arra 230 V-ot kapcsolni tilos. Tudni kellene milyen UPS-ből bontották.
Időközben találtam egy rajzot is, valószínűleg ezzel egyező a bekötése.
Sikerült méricskélnem. Ha a 23. láb és a GND-t néztem, akkor közel 5V jelent meg, de ha a Vout és GND-t néztem a szenzoron, akkor 30mV körül voltam, és amikor rákapcsolódott a méter, akkor leesett a mért hőmérséklet 10 fokra. (gondolom ez a műszer belső ellenállása miatt van...)
Ez kontakthiba vagy elkötés. A multi 10Mohm bemeneti ellenállása nem sokat zavar be.
Hiába, mindent amit tudtam, kipróbáltam. Se zárlat, se kontakthiba nem volt felfedezhető, hiába néztem át többször, tüzetesen. Az én nyák-változatomat is leellenőriztem, minden vezeték megfelelően csatlakozik az eredetihez képest. Kivéve a szenzort ugyan azt produkálja, mintha benn lenne. Ahogy elmondtam már, egyedül akkor van változás, ha a milliOHM mérővel rámérek, ekkora leesik 4-5mV-ra és a fok is 4-5 lesz. Ha viszont a multi mérőcsúcsait nem a kimenet és GND, hanem a kimenet és 5V közé rakom, akkor hirtelen 250-et mutat. Ja, és biztosan bezavar a belső ellenállás, anno amikor a digitális hőmérőt építettem, akkor is ugyan ezt produkálta a multiméter+LM35 kombó...
Szia! Sok esetben megoldás, ha rákötöd egy 24V-os trafóra. Azzal tönkre nem teszed, de az arányokat át tudod számolni, csak 10-el kell durván szorozni. Én a pákatrafómat szoktam ilyen célokra használni.
Idézet: Azt meg hogy lehet? Egy 'élő' áramkörre? Ilyet nem szoktunk tenni. Ugyanez az eset, ha a digimulti árammérő állapotában maradt, és jól belemérünk egy kapcsolásba úgy mintha feszültséget mérnénk... Persze hogy letérdel a kapcsolás, és van eset mikor úgy is marad tőle. „ha a milliOHM mérővel rámérek”
Tegyél az LM35 helyére egy ellenállás + trimmert (a trimmer kimenet az LM35 kimenete), hogy a trimmerrel be tudd állítani a 0 .. 1.5V tartományt. Mérd le, hogy különböző állásnál milyen feszültég van a trimmer csúszkáján. Van-e valamilyen más pontról származó jel a kimeneten?
Milyen kondenzátort használsz a Vref hidegítésére? A maradék hajamat kitéptem a tranzisztor teszter bemérésénél. 1nF X7R SMD1206 vaolt beépítve, ami mérve 980 pF körül volt. Ráforrasztottam 22pF NPO -t és megjavult az AtMega328 felszültség mérése...
Sziasztok!
Nem számítok kezdőnek, a kérdésem sem lesz az de hátha találkozott már valaki hasonlóval. 3 fázisú, 4kW-os motor egyik fázisát triakos lágyindítóval látták el, ami fázishasításos elven működik. A motor hasított fázisvezetéke egy 1000 menetes áramváltón megy keresztül, kimenetére egy 100Ohm ellenállás köthető. Az áramváltó kimenete egy mérőegyenirányítóra megy, utána passzív RC aluláteresztő szűrő (10kOhm + 1uF). A szűrő kimenetén elméletben a motorvezetéken átfolyó áram abszolút középértékét lehet mérni(pontosabban: itt 1/10-ed részét, Voltban). Ha tisztán szinuszos az áram akkor az RMS értéket 1.1-el való szorzással kapom meg. Hasított fázisjel esetén mennyivel tér el a dolog? Továbbra is áramtrafóval megy a mérés. Feladat: A lágyindító kimenete 15A-re van korlátozva, ezt a kimenetet +/- 1A pontossággal kellene tesztelni. A hozzászólás módosítva: Júl 21, 2016
100nF-os kondenzátorok vannak odatéve - már ha egyre gondolunk - a Ref láb meg föld közé a mikrovezérlőn. (kettő is) Most próbálgattam mindenfelé rakosgatni 100nF-os kerámiákat, az LM35 kimenetére és földjére (ekkor 0 fokot mutatott), stb...
Én ilyen esetben, ha az ADC nem megy azonnal, akkor berakok pár mS delay-t ha lehetséges. Sőt, van, amikor 50-100uS is elegendő. Bemenet olvasásnál is ugyanez van. Ha először beállítod a felhúzó ellenállást, majd azonnal be is olvasod a portot, akkor nem magas állapotot fogsz kapni, hanem alacsonyat. Ilyenkor is kell egy pici delay, hogy be tudjon állni a porton a feszültség.
Szerintetek ennek a zöld színű tüskesornak mi a becsületes neve, hogy az eladónak telefonon keresztül is minden kétséget kizáróan el tudjam magyarázni mit akarok?
Bővebben: Link
Ilyesmi?
Bontható sorkapocs, tüske. Tudni kell azt is, hogy nyitott, vagy zárt, és mekkora áramra kell.
SORKAPOCS 3 P RM5.08 CSAPSORLÉC CPM5.08/3A (STE) NYITOTT 12A [43-06-92] (Lomex)
|
Bejelentkezés
Hirdetés |





, de a problémád szempontjából két huzaldarab is megteszi (mivel a kimenet jó eseteben terhelhető, a bemenet pedig nem terhel).










