Fórum témák
» Több friss téma |
- Ez a felület kizárólag, az elektronikában kezdők kérdéseinek van fenntartva és nem elfelejtve, hogy hobbielektronika a fórumunk!
- Ami tehát azt jelenti, hogy a nagymama bevásárlását nem itt beszéljük meg, ill. ez nem üzenőfal! - Kerülendő az olyan kérdés, amit egy másik meglévő (több mint 17000 van), témában kellene kitárgyalni! - És végül büntetés terhe mellett kerülendő az MSN és egyéb szleng, a magyar helyesírás mellőzése, beleértve a mondateleji nagybetűket is!
Elmondanám a talált két-három webáruházban megadott típusszámot (másként jelölhetik itt-ott), és majd az eladó megnézi a neten, és az alapján küldi a saját típusszáma szerintit. Ha nem tudja (nem akarja) megnézni a neten, akkor onnan nem nagyon érdemes rendelni szerintem...
(Ezért jobb olyan helyről rendelni, ahol te választod ki a terméket és korrekt, méretekkel rendelkező adatlapja is van.)
Srácok! Köszi a segítséget
Tehát cpm5 sprkapocsléc, az most mindegy, hogy mekkora, olyat vágok belőle amilyen kelleni fog. Üdv szép napot
Nem jó. Sebi leírásában a CPM a lábak távolságát jelenti, ami 5.08 mm, a HESore-ban pl. RM-mel jelölik ugyanezen adatot. Sorkapocslécre a google képkereső nem kevés típust ad, Sebi csapsorlécet írt.
Ilyet telefonon rendelni a tévedés melegágya...
Köszi, nem rendelni akartam, hanem csak rákérdezni, hogy egyáltalán van-e, elinduljak-e a város másik végébe.
Sajnos csak 3-asakat kaptam, így egy kis + meló volt összerakosgatni. Üdv
Üdvözlet
Nem tudtam hová tegyem fel a kérdésem . Máshol nem válaszolnak (és kezdő vagyok) . Van egy e cigi-ből kivett elektronika amit át szeretnék alakítani . Feszültség állítás gombokkal . Problémám az hogyha megnyomom a nagygombot akkor jön ki a feszültség kb 8 sec-ig utánna csak akkor ha elengedem és újból megnyomom (gyárilag így kell működnie) . Meg lehetne oldani hogy akkor és addig működjön amíg én szeretném . Ic-ken nincs felirat. Segítséget előre is köszönöm
Üdv kedves fórumozók!
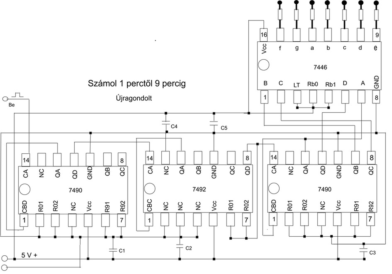
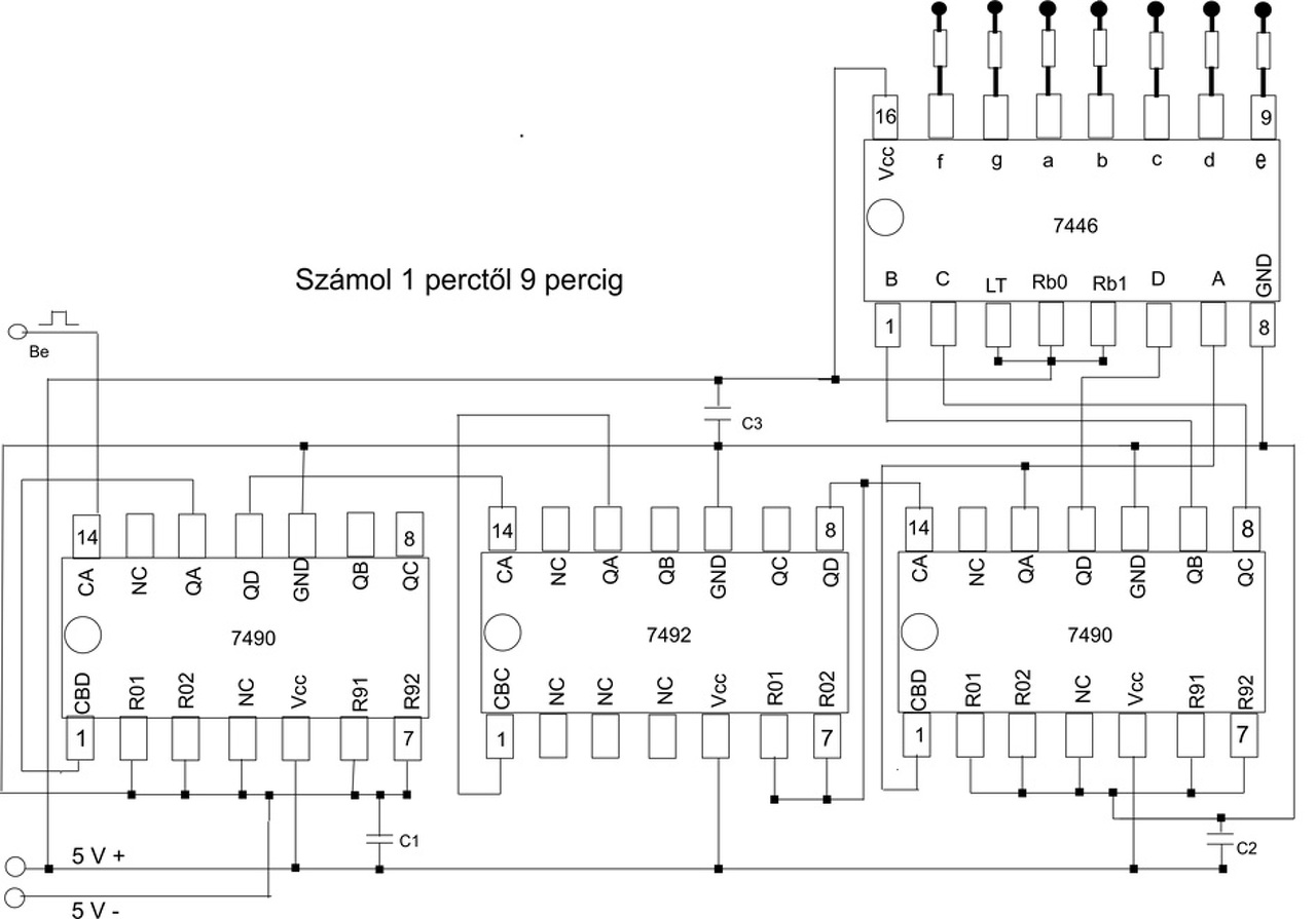
Készítettem egy számlálóláncot, mely az eltelt perceket számolja 1- 9-ig. A percek kijelzésére egy SA56-11PBWA-A jelű 7 szegmenses kijelzőt használok. Hibajelenség: Pl.:az 1-es szám kiírásánál a b és c szegmens mellet rövid idő elteltével megjelenik az - a és g szegmens is, igaz ezek halványabban világítanak. A kettes szám kiírásánál nincs hiba, de a 3-as számnál hasonlóan - rövid idő elteltével felesleges szegmensek is megjelennek...A nullánál néha a g szegmens is megjelenik, szintén halványabban. Mi lehet a hiba oka?
Valószínűleg azért nincs válasz mert a konkrét áramkör megismerhetetlen. Így nincs mit agyalni róla.
Hacsak annyit nem, hogy nem véletlenül 8 másodperc az üzemideje a "cuccnak" mert az egy pici fűtőszál, ha folyamatosan menne, vagy tovább mint ami be van állítva, akkor túlhevülne - szétégne.
Szerintem nem a kijelződ hibás, hanem a meghajtása
, de azt nem tudjuk hogyan történik.
Teljes kapcsolási rajz nélkül nehéz megmondani, de ez így nem normális, biztos ki lehet javítani.
Jó lett volna mondjuk néhány kép is, ne nekünk kelljen már kitalálni, te mit látsz...
Sziasztok!
A led világítás topikban tettem fel ezt a kérdést,de inkább ide tartozik. A segítségeteket szeretnén kérni a következő dologban.A led-es helyzetjelző világítás beázott és ennek az elektronoka nem igazán örült.A ledeket tartalmazó panel teljesen korrodált,így az kuka.Ezt a panelt szeretném kiváltani egy házi készítésű 4 ledből álló alkalmatossággal.A ledeket a a fényszóró megfelelő helyére ragasztva sorba kötve szeretném telepíteni,mert a gyári is így volt.Azonban több elektronikai elem is volt a lapon,amit nem tudtam beazonosítani a korrózió miatt.Hogyan kellene összekötni a 4 led-et és mi kell még hozzá.Egy kapcsolási rajzzal vagy egy érthető leírással segíthetnétek.Gondolom a feszültséget is stabilizálni kellene,illetve azt sem szeretném ha vibrálna vagy leolvadna valami.A lényeg,hogy 4-5 mm-es piros led kell,ami viszonylag erős fényerővel bír. Előre is köszönöm a segítséget. A hozzászólás módosítva: Júl 23, 2016
A másik hejzetjelzőből kiszedni és lemásolni esetleg?
Egyébként jó lenne tudni, hány mA -t bírnak a ledek, ezt pedig csak úgy tudod megállapítani, ha a másik egységen megméred pl. Mert gondolom a négy eredeti led az működik... Így eléred azt is, hogy azonos fényerővel világítson mind a két lámpatest. Ha más áramkört használsz, akkor szemre kell belőnöd az azonos fényerőt... Egyébként meg sima előtét ellenállással oldható meg legegyszerűbben a dolog: LED előtét ellenállás számoló... Vagy áramgenerátorral, de az egy hajszálnyit bonyolultabb. LED áramgenerátor... A hozzászólás módosítva: Júl 24, 2016
Köszönöm a segítséget.Így már sokkal könnyebb lesz.
Szia pont!
Íme a kapcs.rajz...
Igen, erre lettünk volna kíváncsiak, hogy a szegmenseket mi hajtja. A 7447 ha jó, nem tud olyan jelenséget, mint amit írtál. Kipróbálhatod, hogy a 7447 bemeneteit leválasztod a 7490-ről és a 7447bemeneti lábaira adsz +5v.ot és gnd-ket, (a bemenetek nem lebeghetnek), akkor működik e helyesen, (az a -5v-os felirat az nem jó) Én ettől az ic től nézném át a vezetősávokat, forrasztásokat, gyanta maradványokat stb..
Köszönöm a javaslatot! Kipróbálom és majd referálok......
Megfogadtam a javaslatokat!
Egy alapos "nagytakarítás" segített! KÖSZÖNÖM SZÉPEN A SEGÍTSÉGETEKET!!! Készült egy új elvi kapcs.rajz is...
Sziasztok. Hogyan tudom egy adott ismeretlen transzformátornál kimérni mi a maximális A-szám amit képes leadni. Általam ismert tényezők: 230v->14v (egyenirányítás pufferelés után) Szekunder tekercs: 1-Ohm a Primer: 230-Ohm. A trafó felirata: BSL483-A1034A Segítségeteket előre is köszönöm szépen.
Üdv!
Ha ennek a diódának anódját ugyan oda kötöm, akkor fele akkora feszültségesés lesz mintha csak az egyik felét kötném be?
Milyen diódáról van szó? "anódját ugyan oda": Hova oda? Mihez képest fele?
A kérdésednek se füle, se farka.
Fényképezd le a trafót, ha lehet több irányból, és megmondjuk, mit mérj le rajta. A vastest méretéből és a szekunder tekercs huzalátmérőjéből kb. be lehet lőni.
Méretarány normál méretű gyufásdoboz. 230v-os oldalon található a Ferrit gyűrű.
Egy lengyel oldalon 9-11V a trafó névleges feszültsége, a mért 14V a terheletlen feszültség lehet.
A hozzászólás módosítva: Júl 24, 2016
Annyit megtaláltam, de más infót sajnos nem. Arra lenne a fő szükségem hogy mekkora a maximális Amper amit lead. Nagyon hálás vagyok érte hogy segítesz. Annyi nekem is egyértelmű hogy terhelés esetén eshet a leadott volt száma.
A hozzászólás módosítva: Júl 24, 2016
Ha ez bír 1 ampert összeteheted a kezed... Nem nagy eresztés, kissebb órákban rádiókban ilyen olyan vacakokban szokott lenni ilyen kis trafó...
Én 0,5 - 0.7 A terhelhetőségűre tippelem.
Az baj. Azért köszike sajnos nekem 1.5 A körülre lett volna szükségem, illetve a hely szűke végett lett volna tökéletes számomra.
Bocsi, lemaradt a link.
Bővebben: Link
Ha nincs hely nagyobb trafónak, használj dugasztápot. Párszáz forintér már lehet találni lomisoknál 12 V 1,5 - 2 A-es példányokat. Ha mindenáron be akarod építeni, szétberheled a burkolatot, a kapcsolóüzemű elektronika el fog férni a trafó helyén.
Amihez kell majd egy apró 2.1 ami hordozható lesz, de kisebbet akarok mint az előző. Már csak a hálózati tápellátás kérdéses de megoldom majd egy dugasztáppal így helyet és sújt is spórolhatok.
|
Bejelentkezés
Hirdetés |





, de azt nem tudjuk hogyan történik. 














