Fórum témák
» Több friss téma |
Ne haragudj, de telefonról írtam reggel és csak gyors futtában írtam.
A hozzászólás módosítva: Nov 4, 2012
Sziasztok!
Támad egy elképzelésem amiben segítségre lenne szükségem. Egy indesid mosógép motorját fel akarom használni egy almadarálóhoz. Az elképzelésem az, hogy az eredi tárcsát átszerel és rákötöm a motort. Addig már eljutottam, hogy hogyan kell a motort bekötni, de sajnos a fordulatszáma nagyon nagy. Néhány adat van a motorról. 220W 1000 rpm 3.5A 360W 11500 rpm 2A A kérdésem az lenne, hogy hogyan tudnék csinálni hozzá egy fordulatszám szabályzót. Valamint egyáltalán lehet olyan fordulatszám szabályzót készíteni amivel a motor fordulatszámát le tudnám venni olyan 500 300 rpm -re, persze úgy hogy a nyomatéka megmaradjon.
Olvass vissza és biztosan találsz több triakos szabályzót, ami jó lesz a kefés motorod szabályzására.
Szerintem nem fogod megúszni, hogy valamilyen áttételt ne használj. Gondolkozhatsz, hogy az ékszíjhajtás, vagy a fogaskerék szimpatikusabb? Nekem mosógépmotoros húsdarálóhoz CO hegesztő csigakerekes huzaltovábbítóját ajánlották, bár elég nehéz volt összehozni a motor tengellyel. Direct drive motor előállításához nagyon kellene érteni a motor tekercseléshez. Az külön speciális tudomány. Csak a triak szabályzóval egyedül, nem marad ereje darálni.
A hozzászólás módosítva: Júl 3, 2013
Esetleg, ha egy botmixerhez hasonló elvű késes darálót hajtasz meg vele, ekkor nem kell nagyon lecsökkenteni a fordulatot, akkor nem kell áttétel, esetleg a lágyabb indítás miatt lehet valami elektronika.
Természetesen az áttétel megmarad az eredi, tehát a motor és a mosógép tárcsálya. Csak kellene egy olyan ami 1000 ról leviszi 500 ra a fordulatot hogy lehessen szabályozni.
A fordulatszám már így nagyából jól mert az áttétellel 1000es fordulaton a gép 50 fordul percenkétn ami elég jó, de azért kellene a szabályzó
Szereztem egy sev1429 porszívó szabályozót.
Igazán az a baj, hogy nem tudom melyik sarura eredetileg mi volt csatlakoztatva. Remélem tudtok segíteni!
Esetleg ha raknál róla képet, akkor lehet hogy könnyebben menne.
Lehetséges hogy ő bővebb információval tudna esetleg szolgálni ez ügyben.
Ma javítottam egy Elekronic Astro 1600w porszívót, ebbe ilyen panel van hátha ez segít.
K1: Motorhoz ki (F) (szabályzott oldal) K2: 230V betáp (F) kapcsolón keresztül, K3üres K5: Motorhoz (N) (nem szabályzott oldal), K4 üres K6: 230V betáp (N) K5-K6 panelon közösítve van. K2 és K6 ,nulla vagy fázis felcserélhető működés szempontjából mindegy melyik-melyik.
Sziasztok!
Segítségre lenne szükségem. Van egy Kress 1200 NTX EA porszívó, melynek leégett az eredeti motorja. Sikerült méretileg egyező de kicsit kisebb , 1000W-os motort szerezni bele. A problémám az lenne, hogy a porszívó eredeti elektronikáján van egy teljesítmény kapcsoló, mellyel 650W és 1200W között lehetett átkapcsolni. Ez az átkapcsolás az új motorral nem működik. Konnektoros fogyasztás mérővel nézve bekapcsoláskor szépen felpörög a motor, tehát a lágy indítás része az működik. A felvett teljesítmény eléri az 1kW-ot, de aztán visszaesik kb 600W-ra. A kapcsoló átkapcsolására nem reagál. Az elektronika szinkron indítás funkciója működik. Maga a kapcsoló rendben van, kimértem multiméterrel. A panelon a vezérlő U2008B IC kivételével minden félvezetőt, és az elektrolit kondikat cseréltem, a forrasztásokat átforrasztottam, de nem oldotta meg a problémát. Az ellenállásokat kimértem, egyeznek a színkódos értékekkel, egyedül a fólia kondenzátorokhoz és az IC-hez nem nyúltam. A panelról visszarajzoltam a kapcsolási rajzot. Sajnos nem lettem okosabb tőle. Amit sikerült kideríteni, hogy a nagyobb fokozatra kapcsolva az R12-es ellenállást zárja rövidre. Az IC adatlapjából kénezve ez az ellenállás a szabályzó lábra van kötve. Bízok benne, hogy nem a motor 200W-nyi teljesítmény különbsége okozza a problémát. Ha még is, milyen változtatások szükségesek, hogy az 1kW-os motorral is működjön a funkció? Már az is jó lenne ha csak az 1000W-os fokozat működne az elektronika szinkron indítás funkciójával együtt. Sajnos ennyire nem értek az elektronikához. Ha nem a teljesítmény különbség okozza a gondot, hol keressem a hibát? A porszívó sajnos már leégett motorral került hozzám, így az eredeti működésről nincs tapasztalatom. Az is lehet hogy maga a panel hibás, de jó lenne használhatóvá tenni. Kikötött elektronikával a porszívó felveszi az 1kW-ot de így elveszik a szinkron indítás és a késleltetett kikapcsolás lehetősége is. Az elektronikát bekötve ezek működnek de akkor meg csak 600W-ot vesz fel és gyengébben is szív. A panelon található U2008B típusú IC-t sajnos idehaza már nem forgalmazzák, mindenhol kifutott termék, ráadásul a panelon smd kivitelben van. Ha az mehetett tönkre szerencsére ebay-ről beszerezhető, de elég borsos ára van és hosszú a szállítási idő. Előre is köszönöm a segítséget! Bari A hozzászólás módosítva: Okt 17, 2015
Szia!
Van a triakkal sorba kötve egy árammérő ellenállás. Annak az értékét csökkentsd a motor teljesítményével arányosan. Ezt az IC-t pedig sok helyen árulják, még a HE-Store-ban is.
Idézet: mivel kisebb a motor amit rátett, így növelni kell kissé. ( R1 manganinszalagot ) „Annak az értékét csökkentsd a motor teljesítményével arányosan” A hozzászólás módosítva: Okt 17, 2015
Szia!
Köszönöm a tippet, én az R11 ellenállásra tippelek az nagyobb teljesítményű. Az IC-t közben a hestorban megtaláltam de DIP8-as tokban, a panelon meg smd-ben szerepel, de nem is cserélném, ha nem azzal van a gond. Bari
Szia
Az R1 manganinszalag a szinkron indításhoz tartozik, ha a kapcsolási rajzon a terhelés kapcsoló zárva van, az az áramköri réz ki is van iktatva, és az R11-re tippelek, az 15,2k ohm és 2W-os. Az IC adatlapjából megpróbálom majd kihámozni hogy csökkenteni vagy növelni kellene. Bari
Nézegettem a rajzod, szerintem a C8 ott nem lehet. Valahogyan a nulla ágra is szükség van, de ez sem látszik jónak. A 15kohm a tápfeszt állítja elő.
Ha kisebb lett, akkor tén,leg növelni kel, erre nem figyeltem. Köszönöm a javítást!
Szia!
Jobban megnézve a rajzot valóban nem jó helyen van a C8, illetve az jó helyen van, mert teljesen megegyezik a panellal, hanem a 7-es csatlakozóra menő vezeték rosszul lett berajzolva. A kapcsoló másik csatlakozójára csatlakozik. Nem kellett volna éjjel fáradtan szerelni. A motor beszereléskor sikerült a motortól jövő két vezeték helyét felcserélni a kapcsolón és így a rajzot is hibásan visszarajzolni, ez okozta a hibát is, hogy nem működött rendesen a szabályozás. A vezetékeket helyesen csatlakoztatva helyreállt a rend. Köszönöm, hogy felhívtad a figyelmemet erre a hibára. A kapcsolási rajzot kijavítottam, és beírtam még a hiányzó értékeket. Az R12 ellenállás értékének változtatásával lehet a teljesítmény kapcsoló kikapcsolt állásában változtatni a motor teljesítményét. A növeléssel a motor teljesítmény csökken. Egy potméterrel helyettesítve menet közben is szabályozni lehet. A beüzemelt 1000W-os motor ténylegesen 1100W-ot vesz fel a hálózatból konnektoros fogyasztásmérővel mérve a a teljesítmény kapcsoló zárt állásában. Az eredeti 22k-s ellenállással 850W volt a felvett teljesítmény. Kicseréltem az ellenállást 33k-ra így 680W lett a felvett teljesítmény. Köszönöm a segítséget. Bari
Igen, így már rendben van. Amíg igyekeztem megérteni - rossz szokásom szerint - módosítgatok a rajz vonalvezetésén a saját ízlésem szerint.
Furat szerelt kivitelben három hazai forgalmazónál megtalálható.
A hozzászólás módosítva: Okt 19, 2015
Szia!
Köszönöm az átrajzolást, így valóban jobban érthető a rajz, majd a sajátomat is átalakítom erre a formára. Köszönöm még egyszer a segítséget. A porszívó azóta is megfelelően üzemel. Bari
Szerencsére nem volt szükség a cseréjére, mert hazai forgalmazónál smd-ben sehol nem találtam, csak ebay.
Egy futógép motorját akarom egy trafóval és vmi potméterrel(?) szabályozni ha lehet.
A motorra 180V 7,6A van írva de 12v-os motorkerékpár akku szépen forgatja tehát talán az 18V?(uganilyen mint ezen a képen csak 7,6A https://twitter.com/TreadmillTechn1/status/1352209112872828929/photo/3 ) Ehez elég vennem egy 220V 18V 7,6A trafót és még mit? Láttam egy oldalt ahol van egy képlet a potméter kiválasztásához,de inkább nem kínlódnék kísérletezéssel,ha vki tudja mit hol vegyek és hogy kössem össze azt nagyon köszönöm A hozzászólás módosítva: Ápr 13, 2022
Szia!
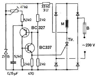
A 18 volt szépen forgatja, de ha leterheled, már nem is forog... Egy tirisztoros szabályzót kellene összeraknod, ahol graetz hídban van a tirisztor, felette a motor.. Potméterrel tudnád szabályozni két érték között, hogy nyomatéka is legyen indításkor és behatárolva a max feszültségre ( 160...170 voltra ).
Potmétert és méretezést pedig 7-8 amperre azért ne keress...
- ez teljesen más téma.
Köszönöm a gyors választ ,igen azt elfelejtettem megemlíteni hogy 30-40%-os amatőr vagyok,tehát nagyon szájbarágós vázlatrajzos dolgokból értek csak,számolni meg semmit nem tudok persze nagyon jó vagyok az utánanézéseknek és biztos hamar megtudnám a részleteket de ha van egy tollad és papírod rajzold le lécci,köszönöm
Konkrét boltba akarok menni konkrét alkatrész listával
Oké..
A rajzban a két tranzisztor inkább legyen BC303 és 301. A tirisztor és a diódák 25 amperes, jól hűthető típusok. A többi talán nem téma.
Bocsánat a késői reagálásért új processzor új alaplap hozzá új windows update a régire uefi bios mint meglepetéssel ,szóval végre újra az interneten,köszönöm,ez alapján meg tudom csinálni,de hogy ez megint mennyi tökölődés lesz......
Nem igaz hogy ennél nincs komfortosabb megoldás,"bemegyek a boltba megveszem a trafót,vmi fűtőpárnaszerű potmétert ,összekötöm azt kakukk" kb erre számítottam :C A hozzászólás módosítva: Ápr 16, 2022
Azt meglehetne csinálni hogy közvetlenül egy indítókondenzátorral a 220-ra kötni? és a feszültséget fixen leszabályozni egy biz értékre/fordulatszámra,egy átmeneti gyors megoldás kellene hogy tudjam használni amíg a vezérlőpanelen kicserélek pár alkatrészt(találomra,webes sugallatokra)
Átmeneti gyors megoldásként szerzel egy 230/24-42 voltos 250...400 VA-es trafót, rá egy 25-35 amperes graetz kockát hűtve, többezer µF 100 voltos elkókat és megy, ahogy...
Lágy indításként kézi kapcsolással ( vagy megfelelő késleltetős időkapcsolóval ) 24 voltról indítod és 1-2 sec múlva mehet 42-vel. |
Bejelentkezés
Hirdetés |

















