Fórum témák
» Több friss téma |
Sziasztok, Kedves Fórumtársak!
Jópár hónapja - hathatós segítségetekkel- sikerült kissé elmélyülnöm a TDA20x0-ekkel épült végfokok világában. Ezt lassan már a harmadik-negyedik megépült erősítő bizonyítja - habár a kielégítő működésért és a megépítés közbeni csapdák kiküszöböléséért szinte mindig meg kellett küzdenem, de nem gond, sokat tanultam ezekből. Kezembe akadt ez a jó öreg szombathelyi Mikroshop-os 2050 kit-csomag (lásd mellékelve, 2030-ast már építettem, abban is sok tanácsot kaptam). Ez ugye egy mono erősítőhöz van, csináltam is egy sztereo felállást kettőből. Namost van másik két ilyen cucc (panel, alkatrészek...), és a kérdésem az lenne, hogy hogyan tudnám én ezeket hídba kötni, milyen változtatásokkal, ill. mit és hova?.. Nézegettem én a hidalást korábbi írásokban, az világos, hogy a második végfok bemenetére fázist kell fordítani és a hangszórót a két kimeneti pont közé kell majd bekötni (nem földelendő...). Mik is ilyenkor a fő szabályok? Min. 8 ohmos hangszórót lehet csak használni, és elvben megkétszereződik a kimenő teljesítmény? Gondoltam kis szubnak ez már elegendő lehet a sztereo mellé 2.1-nek. Előre is köszönöm mindenféle tanácsot, üdv!
Szia! Ez a Szub_4 kapcsolás megoldja a szűrést és a fázisfordítást is. Alkotó kolléga kreált hozzá konyhakész NYÁK-ot.
Én első verziós koppanásgátlónak beépítettem egy sima relés késleltetést. Tudom lehetett volna komolyabbat is építeni,de jelenleg ez volt kéznél. Hozott anyagból dolgoztam.
Viszont a Te és Alkotó kolléga munkái nagyon tetszenek és maximális elismerésem, hogy ennyire segítőkészek vagytok a témában. A jövőben az én erősítőm is tovább lesz fejlesztve,szorgos munkáitoknak köszönhetően.
Köszönöm reloop! Ez a megoldás valóban igényes és korrekt, viszont....
Ami most nekem nincs, az: 1.) idő 2.) indíttatás nyák-ot csinálni, meg ennyire más dolgokat kipróbálni (építkezés van ehelyett:o( Szóval a kérdésem továbbra is rövid távon az: lehet-e, ill. érdemes-e a két mono panelból hídkapcsolást csinálni? Indokaim: Idő....a 2 panel már szerelve készen van, hajlandó vagyok rajtuk változtatni, átkötni, stb. Hétvégén a gyereknek házibuli....nincs az az isten, hogy még egyszer az én cuccomon! :o) Szóval összedobnám, ha lenne megoldás....ja, még 1 dolog: mély le-crossolás már megoldva a szubnak, csak a mezitlábas végfok kellene a meglevő dolgokból lehetőleg olyan 50-60W kakaóra számítanék hídban.... Köszönöm ismét, ígérem kipróbálom a 7294-et is, csak nem most...
Az egyik végfokot átrajzoltam invertálónak, ettől nem tudok egyszerűbbet ajánlani.
Aha köszönöm a gyors választ! Holnap szerintem szakítok időt kipróbálni. Üdv!
A hozzászólás módosítva: Okt 8, 2015
Sziasztok!
Azzal a kérdéssel fordulnék hozzátok, hogy miért van az, hogy szinte bármelyik kapcsolásnál recseg, és torz? (Van egy olyan rossz szokásom, hogy mielőtt nyákot készítek, dugdosós próbapanelon megépítem.) Lehet hogy annak a kontaktossága miatt recseg? (még a gyári pdf-ben szereplő kapcsolással is.) Ez egy TDA2030a 12V DC tápról.
Szia! Nem zárom ki az érintkezési hibát, de lehet akár helytelen polaritású elkó, vagy rossz maga az IC esetleg mindannyiszor rosszul raktad össze. Ha megírod az 1, 2, 4 lábak testhez képest mérhető feszültségét szűkülne a kör.
A 12V DC táp mit takar ? Milyen a felépítése, teljesítménye ?
A 12V dc lehet kicsit kevés, nagyon határon van. Nézd meg az adatlapját. Az ELECTRICAL CHARACTERISTICS táblázat Supply voltage sorát. Nagyon a minimumon vagy, ez okozhat ilyet. Probáldd meg 18V-24V táppal.
Inkább 24V - 36V táppal . ( 44V a max. )
Nahh összeraktam a kínai csomagos tda2030-as motyót már egy pár hete de csak most jutottam el odáig hogy megfüleljem a hangját.
Mitnemondjak szép hangja van. Levettem az erősítését a végfoknak mert én nagyobb jellel hajtom, így is betorzít 3/4-ed hangerőn ez így jó is. Viszont van egy hangyányi nyűgöm vele. Borzalmasan melegszik az ic vezérlésre. Építettem nemegy ilyen végfokot már de ez borzalmasan melegszik. Az igaz hogy nincs bedobozolva és az asztalon összekötözve szól de 3-4 perc és kénytelen vagyok kikapcsolni mert borzalmasan forrósodik. Szkóppal nézve enyhe zaj van a kimeneten amit én a dobozolatlanságnak tanúsítok hogy az miatt szed össze zavart. Gondolom hogy a beépített passzív hangszín sem terheli meg az ic bemenetét és ilyen lóg a bemenet a levegőben effektust idéz elő. Elképzelhető hogy ez vezérlésre csinál a végfok bemenetén ilyen kilengéseket amit az ic fölerősít és fölöslegesen dolgozik vele ergo fölöslegesen melegszik is? Még megpróbállom hogy dobozba téve és árnyékolva mit produkál de ilyen hirtelen melegedést nem tapasztaltam még ettől az ic-től. A hozzászólás módosítva: Nov 19, 2015
Mekkora a tápfeszültséged és mekkora a hűtőbordád?
A borda elég karcsú de normál hangerőnél nem lehetne elviselhetetlenül meleg. Mennyi a nyugalmi áramfelvétel?
A borda jó földhurkos, néztük már valahol, meg kell metszeni, csillagpontozni a puffertől akkor csendben lesz.
Földhurkos meg hogyan lehet? Sima forszemekre kell beforrasztani nincs bekötve sehová sem a hűtőborda. 1 ic egy hűtőborda és csak simán forrpontilag beforrasztva a panelbe de nincs kötve sehová sem.
A nyugalmiáramot meg macera lenne lemérni hacsak valahogy nem a trafóról mérek.
Hopp elírtam, a NYÁK földhurkos
![]() Az egyenirányításról a kondira kell vezetni és közvetlen a kondi lábról jöhet bármely testvezető.
Muti már hol van ebben földhurok mert kíváncsi vagyok
Ez már tényleg műveltebb panel, volt amelyiken a trafó csapolásnak nem volt külön vezetősáv és kondi előtt ráment a jelföldre.
A potik fém palástjára vittél testet? Ha vezérlés nélkül is meleg az IC csak érdemes az AC ágba is belemérni, kijönnek-e 100-100mA-ből.
Nézegettem megint. Vezérlés nélkül semmi sem történik ahogy bekapcsolom úgy is marad.
Amint vezérlést kap úgy kezd el melegedni majd egy ponttól drasztikusan melegszik és ha leveszem a hangerőt róla akkor is meleg marad. Fura ilyent még nem láttam. Megpróbállom még a fémdobozba árnyékolva letesztelni remélem ott nem csinálja.
Sziasztok,
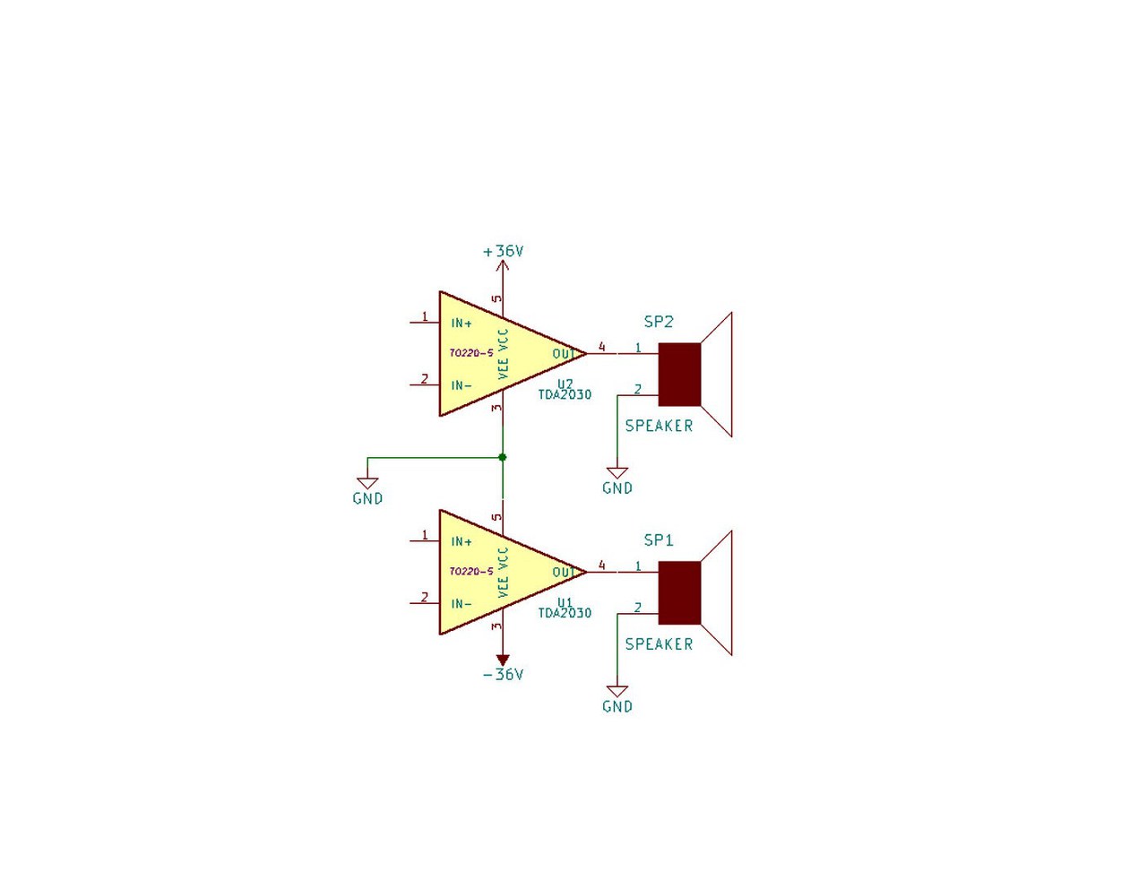
adva van 2 x TDA2030-as erősítőmodul és a mellékelt kép szerinti táp (egy régi 2x 35 W-os erősítőből). Ezeket felhasználva szeretnék egy sztereó végfokot építeni, azonban a tudományom elfogyott: miként lehetne..? Ugyanis a 2030-as csak 2x18 V vagy 36 V betáplálást bír meg...itt pedig 2x32 V van. Ragaszkodnék a szimetrikus táphoz, ha lehet. Gondoltam arra , hogy az IC-ket, emeletesen betáplálni: -IC1:+32V=VCC, GND=VEE -IC2: GND=VCC, -32V=VEE formában, persze közös testeléssel-földeléssel. Ebben nem vagyok biztos, hogy fog-e müködni? S azt sem tudom még, hogy lenne jó így a hangszorókat kötni? Bármilyen ötletet, tanácsot szívesen veszek. Köszönöm előre is!
A trafó 4-es és 5-ös pontjára az egyik erősítő, a 6-os és 7-es pontjára a másik, vagy másik tápegységet készítesz. A legjobb módszer az, ha eleve olyan feszültséget állítasz elő trafóval, amilyen kell. Minden más feszültségcsökkentő módszer veszteség.
így gondoltam, de
![]() a hangszoró bekötése kérdéses: kondival és egyik a földre, a másik pedig a - 32/36 V ra? vagy amint a mellékelt képen?
Így is jó, de ha már ilyen trafód van, szerencsésebb a két külön tápegység. A műveleti erősítő munkapontját a tápfeszültség felér ekll beállítani, majd a végén egy kondenzátorral kicsatolni a hangszóróhoz. TDA2030 -as adatlapjában van példakapcsolás.
Üdv!
Egy stereo TDA2030 as erősítőnél a hűtőbordáknak össze kell kötniük a két IC 6. "lábát"? Előre is köszönöm!
Ennek csak 5 lába van. Ha arra gondolsz, hogy a hűtőfüleknek összeköttetésben kell-e lenni, akkor az a válaszom, hogy nem szükséges.
Szia! A hűtőzászló a 3-as lábbal van kontaktusban, annak megfelelően kezeld. Akkor jársz a legjobban, ha szigeteled a hűtőbordától, mégoly csábítás ellenére is, hogy a kapcsolási rajzon esetleg össze vannak kötve. Kellemetlen földhurkot okoz két IC ilyetén kapcsolata.
Köszönöm mindkettőtöknek!
Akkor lehetséges hogy egy másik ilyen erősítőm attól melegedett hogy össze voltak kötve?
Egy gerjedés is benne van a pakliban, persze más is okozhatta.
Üdv!
Megépítettem, az egyik felével valami gond van, de így nem tudom leírni, majd ha lesz időm levideózom. Viszont nézegettem az adatlapját a végfoknak és látom hogy bírja a 24v ot is. Mit kéne változtatni az áramkörön, hogy jó legyen 24v os tápról? Előre is köszönöm! |
Bejelentkezés
Hirdetés |
















