Fórum témák
» Több friss téma |
Mielőtt kérdezel, a következő két dolgot ellenőrizd!
I. A helyes tápfeszültségek megléte.
II. A kimeneten van-e egyenfeszültség.
Élesztés.
Csak nekem ez egy JVC ház amibe beépítem.
De akkor lehet nézek toló potmétert hozzá. Ha jól emlékszem az skálázva van az előlapon. Köszönöm azért.
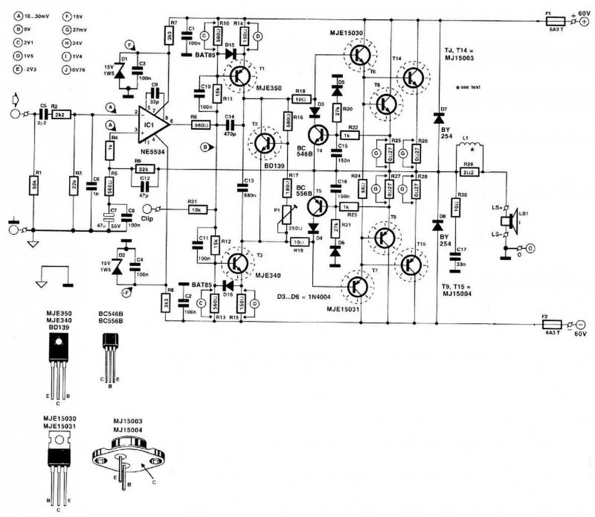
Köszönöm a segítséget.Találtam egy rajzot név nélkül ami pont illik a panelhoz.
Hu keresek.
2közül az 1-iknek jónak kell lennie
Köszi.Ez csak hasonlít a Castone-hez.Valami más.Amit betettél rajzok mind ic feszültségerősítésű.
Az én panelomon nincs ic.
A Castone nem bonyolította meg. Ugyanaz a panel több végfokjában is megtalálható. Az emitter ellenállás nem látszik a képen.
Fejlemény: Normál sztereó üzemmódban, 8 ohmos hangfalal is ugyanúgy el-el engedi a relét, közben a protect pislákol... Érdemes volna csináljak egy külön +/-12V-os tápot, és megpróbálni úgy?
Sziasztok. kicsit átrajzoltam a baji elektronikás Fet -es végfokot (400 W )-ost elviekben 600w ra. Kérlek nézétek át ti is , a kapcsolást. sok mindent nem változtattam csak 2-2fet helyett 3-3-vég Fet lett . Elvileg a meghajtás elbirja a 3 Fet-et is. esetleg erősebb diodák kellenen 1/4w helyett 0,5w. T10-IRF240 ,.T11-IRFP9240., R19-20-0,22ohm 5w. melékelem az eredeti fotot is meg beültetést.
Sziasztok
segítséget szeretnék kérni, egy 2.1-es erősítőt szeretnék építeni STK4192ll és STK086, Végfokokkal ha jól tudom, 2x50 és 70 wattosak, külön tápról fogom járatni őket, kényszerhűtéssel, csak az a baj, hogy nem tudom, milyen elő fokozatot használjak, valami hasonlóra gondoltam, remélem megjelenik a kép, NE5532 OPA-t szeretnék használni, remélem valaki tud segíteni, köszönöm előre is.
Szia! Fabrikáltam egy kapcsolást erre a célra, bátran ajánlom.
2.1_hangerő_szűrő Elrendezés. A szub fázisfordított kimenettel is rendelkezik, hogy hídban tudjon végfokot hajtani. Kell is a négyszeres teljesítmény a szatellitekhez képest. A hozzászólás módosítva: Nov 8, 2015
Szia! Amire ügyelni kéne, az a párhuzamosan kötött MOSFET-ek együttfutása, tudom a válogatásra nem mindig van lehetőség. A source ellenállásokkal léphetsz eggyel feljebb 0,33 ohm-ra, hogy jobb legyen a terheléselosztás.
A hozzászólás módosítva: Nov 8, 2015
A 2 ic adatlapját átekintve lényeges kűlőmbséget. Nem találtam. Néhány apró adatban van eltérés.
Szia. Ez az erősítő csak azokkal a bizonyos Renesas, vagy Hitachi fetekkel működik rendesen, amiknek 100 mA a hőfokfüggetlen munkaponti áramuk. Szükség lesz még egy hőfok kompenzált nyugalmi áram stabilizálásra.
A hozzászólás módosítva: Nov 8, 2015
ÜÜdv, Nincs meg valakinek véletlenül pdf vagy egyébb nyomtatható formátumban a Baji fetes végfok nyák rajza. Esetleg pozició rajza. Lehet 3_4 pár végfetes verzió is. Köszönöm szépen.
Akkor nem szóltam. A rajzon nem láttam. Én 6 párat hajtottam mje 340/350-el. A meghajtófokozat 10 mA-en ment. A source ellenállások 2 db párhuzamos 1 ohm/2w, tehát fél ohmok voltak. Nálam is bc139 volt a munkapont stabilizátor, ami fel lett fűzve az egyik irfp csavarjával a hűtőre. Nekem még kapott túláramvédelmet, meg 8V-al nagyobb meghajtótápfeszt, hogy ki lehessen rendesen vezérelni. Ezenkívül ki lett egészítve olyan diódás áramköri részletekkel ami nem engedi, hogy telítésbe menjenek a meghajtótranyók. A nevére nem emlékszem, de ha kel, rákeresek. Muszáj volt alkalmazni, mert hangszererősítő volt és ott nem lehet kontrolálni a korrekt jelszinteket.
Minap osztottam mag van róllla mondenem
ha kell keres bátran elküldőm akár e-mailba is.
Hali!
Köszönöm szépen a segítséget, nagyon hasznos volt! Üdv, Peti
itt van minden
Hali!
Megépítettem ezt a kapcsolást, és nagyon jól működik, tökéletesen tudja az 50W-ot. Viszont üres járatban nagyon gerjed(zenével nem de ha kikapcsolom a zenét van 1s amikor tökéletesen néma majd gerjed) a kérdésem az lenne, hogy mit tegyek ez ellne. Azt szeretném ha tökéletesen néma legyen üresjáratban is(vagy legalább is nagyon nagyon minimális zaj).
Felteszem telefonról járatod, vagy valami hasonlóról. Ha így van, kösd a bemenetet 100 ohm ellenállással fölre.
A hozzászólás módosítva: Nov 9, 2015
Talált, telóról próbáltam, de gépről azt mondod, hogy nem lenne?
Azt. A telefon lekapcsolja a kimenetét és ilyenkor lóg a bemenet a levegőben, tele van a topik az ilyen telefonos zajjal.
Sziasztok!
Megbizás miatt a kezembe került egy HAUNT GZ-749-es hordozható erősitő. A megbizó szeretné, ha megszüntetném az elemes működést, és helyette fixen egy tápegységről kapná az áramellátást. Továbbá Ő nem mikrofonról akarja használni, hanem egy kis rádió hangszóró kimenetéről szeretné levenni a jelet, ami meghajtja a ketyerét. Gyárilag egy 5 pólusú Touchel aljzat van beépitve, továbbá +18V-ról üzemel. Az átalakitásban kérnék egy kis segitséget, ugyanis az IC tetején nincs semmilyen felirat amiről be tudnám azonositani, hogy mégis mivel van dolgom. Aki tud valamit erről a ketyeréről annak szivesen fogadnám a segitségét! Előre is köszi!
Sziasztok!
Olyan előerősítőt keresek, aminek a kimenetén folyamatosan ugyan akkora jelet tudok kivenni a bemenő jel mértékétől függetlenül. Tehát az erősítés lenne a változó, nem pedig a kimeneti jel szintje. Tud valaki bevált kapcsolást a témában?
Nem AGC-re gondolsz véletlenül? csak ezt a három betűt kell beütnöd a keresőbe és az sch (schema) betűket. A képkereső azonnal több száz találatot ad.
|
Bejelentkezés
Hirdetés |


























