Fórum témák
» Több friss téma |
1. Az érintésvédelem kialakítását sőt az egész villamos hálózat kialakítását, Nem törvényekben szabályozzák, hanem szabványokban, A szabványok kötelező alkalmazását írják elő miniszteri rendeletek "törvények" ettől lesznek a nem kötelezően alkalmazandó szabványok kötelezőek.
2. Az erősáramú villanyszerelés szakmához kötött tevékenység. A szakma gyakorlásának vannak törvényi feltételei, valamilyen erősáramú képzettség, vállalkozói igazolvány, felelős műszaki vezetői képesítés. Az építési törvény előírja az "E napló" vezetését, amiben mindent dokumentálni kell. Ettől kezdve a hibás munka sok év múlva is számon kérhető. Persze, ha valaki nem megfelelő "szakemberrel" dolgoztat az később pórul is járhat.
Sziasztok.
Ebay-en vettem egy vészleállító kapcsolót. Ennek van egy nyitó és egy záró kontaktusa. Ha benyomom reteszelődik és amelyik kontaktus zárt volt, az kinyitott, a masik pedig forditva. Annyi lenne a kérdésem hogy ezt hogyan szokták bekötni a hálózatba? Mire hasznaljak az kontaktust ami összezár ha benyomom a kapcsolót? Köszi a válaszokat.
Pl pneumatikus gépeknél a záró érintkező nyit egy mágnes szelepet és leereszti a működtető nyomást.
A Bontó érintkező pedig tiltja a vezérlést és a betáp nyomás szelepet.
Szia,
köthető rá, vészlámpa, vészcsengő, vagy a felügyeleti rendszernek jeladás, ha a bontó érintkező kapcsolási terhelhetősége kevés, akkor a záróval müködtethetsz egy megszakítást eszközlő nagyobb relét, mágneskapcsolót. (Bár ezt fordított logikával elvégzi a bontó érintkező, biztonságosabban.)
Az alapban záró kontaktus mindig a vészkör. Így azonnali lekapcsolást tesz lehetővé, mivel már az áramkör minimális megszakadása is az üzemi kör bontását idézi elő, azaz amint megnyit a kontaktus - bontja a főáramkört. Az alapban nyitott érintkezővel nagyobb mágneskapcsoló segédreléjét lehet vezérelni például, aminek szintén az alapban zárt kontaktusa szerepel a főáramkörben. De lehet elektronikus tiltás bemenetére is csatlakozni, ami NO bemenettel rendelkezik. ASI busz, vagy egyéb biztonsági buszrendszer is kezeli.
Én egy mágneskapcsoló öntartó áramkörébe építettem be a saját gyártású ilyesmi vészleállítómat a műhelyben,ha hozzá érek már bont is és a mágneskapcsoló bontja a fázist és a nullát is..Bővebben: Link
Köszönöm szépen srácok a válaszokat, így már világos. Patexati megoldása tetszik, hogy egy mágnes kapcsolót használ. Van olyan típus aminek 230v-os a behúztótekercse?
Persze. Bemész egy akármilyen villamossági boltba, mondod nekik, hogy milyet kérsz, és adják is.
Pl ez. De, hogy mekkora áramra kell, azt te tudod. A hozzászólás módosítva: Nov 10, 2015
Idézet: „Én egy mágneskapcsoló öntartó áramkörébe építettem b” Nem tudom tudatosan írtad-e illetve tényleg így iscsináltad. Csak az öntartó körbe kötve a vészgomb (kigomb) biztosági szempontból nem kielégítő mert bontott állapotában a be gombbal meghúzatható öntartás nélkülire a mágnestekercs. Lehet, hogy mégis jól csinálod a kivitelezést csupán nem megfelelően fogalmaztad meg. A pontosság érdekében inkább készítettem egy rajzot (jó volna ha minél többen tennék ezt). A vészgombra helyezett záró (zöld) érintkezőt általában állapot jelzésre szokás használni.
Sziasztok!Új mosógépet vásároltam,de rövid a kábelje,nem ér el a konnektorig,amit nem is tudok áthelyezni.Milyen megoldást javasolnátok ami a legbiztonságosabb?
Mivel a gépet nem bonthatod meg a gari vesztése nélkül,marad a kapcsolós hosszabbító,a jobbik fajtából,ami bírja az ampert!
Nekem amíg nem volt kész a mosókonyha - egy gumírozott és kellően stabil hosszabbítóm volt. Éppen akkora, amekkora elért a dugaljig. De falon kívüli szerelés is megengedett. A legbiztonságosabb, ha FI relén van az áramköre..
Idézet: „... kapcsolós hosszabbító” Minek? A kapcsoló fog beégni először, egy hibalehetőséggel több. A gyerek is kapcsolgathatja, annak meg örül a mosógép, meg az asszony is. Még az is lehet, hogy tiltja valamilyen szabály. A jó minőség a lényeg (nem a 300 Ft-os izé). Érdemes néha ránézni, ha a legkevésbé is melegszik, nem szabad tovább használni.
Az enyém igazából nem rendes vészleállító hanem egy sima nyomógomb melyet ha benyomok megszakítja a mágneskapcsoló öntartó körét. Be lehet húzatni igaz de a beragadós leállítóval nem lehetne ha kicserélném. Ebben teljesen igazad van,hogy bénítani kell a meghúzatás ellen a mágneskapcsolót.
Természetesen a rajzod szerint van kötve ha nyomom a leállító gombot (amúgy annak is használom meg egy kulcsal is bénítható az egész) nem lehet bekapcsolni.Annyi,hogy az én mágneskapcsolóm 24V behúzótekercses (ilyen volt a szekrényben) mely egy kis 24V trafóról megy mi csak akkor üzemel ha bekapcsol a mágneskapcsoló a reteszelés,bénítás 24V feszültségen történik. A Zöld be gombban van egy 24V izzó azt is a trafó eteti.
A hozzászólás módosítva: Nov 12, 2015
Idézet: „megszakítja a mágneskapcsoló öntartó körét” Idézet: „Természetesen a rajzod szerint van kötve ha nyomom a leállító gombot” Nos, nem Téged akarlak kritizálni, csupán a csak szöveges leírásokkal van kifogásom. Ezek nem elég pontosak, sokszor félre értelmezhetőek, pláne hozzá nem értők esetén fokozottan. Ezért szorgalmazom időnként, hogy egy jó rajz helyettesítene sok-sok oda-vissza válaszolgatást és mindenki (aki tud rajzot is olvasni) pontosan értelmezhetné a dolgot. Megfogalmazásodban félre értelmezhető a "mágneskapcsoló öntartó körét". Ez helyett ha "öntartós mágneskapcsoló áramkört" írsz, nem is lett volna mire reagálnom. Sejtettem, hogy jól csinálod csak rosszul van leírva. Adatlapod szerint szakember vagy a témában Te is, csak a fogalmazásod félreérthető. Ha lerajzolnád a 24Vos vezérlésed, megköszönném. A szöveget itt is zavarosnak vélem. Mint ha a trafó primer oldala akkor kapna 230Vot amikor meghúz a mágneskapcsoló, ez róka fogta csuka, csuka fogta róka szituációnak tűnik. Szép napot!
Bővebben: Link
Nem a legjobb megoldás, de ha nem szeretnéd pl. hosszabbra kicserélni a még garanciális mosógép gyári kábelét, akkor... A hozzászólás módosítva: Nov 12, 2015
Ha látnál belülről mosógépet - nem akarnád ennyire túlbonyolítani. Mindjárt az első helyen például az én vízstoppos gépemben egy solenoid van. A 230V-os tekercs mellett 2mm-re a víz.
A rajz.. A nullát is szakítja csak nem volt a tervezőben olyan mágneskapcsoló mi három fázisú de a lényeg azt hiszem rajta van.
Nem egészen világos melyik kapcsolo mit is jelent, általában biztonsági szempontból nem felel meg az elöirásoknak, ha a vészkapcsolo közvetettten avatkozik be ( pl. egy relén keresztül). Azaz ha valaki megnyomja a vészkapcsolot, annak közvetlenül áramtalanitania kellene a berendezést (amennyiben ar áramtalan üzemmod nem okoz nagyobb bajt - valahogy igy van a szabványban).
A vészleállító, notstop, totalstop mindegy minek nevezzük szabványosan bontóérintkező. Mint vezérlő kapcsoló szolgál és egyetlen szálat kapcsol. Mint az összes többi vezérlő kapcsoló, nyomógomb tudtommal 2A áram kapcsolása van elvárva tőle, az egyes kivitelek valamennyit eltérhetnek.
A vészleállító megnyomása szakítja a jelvezetéket, leáll a szabvány üzem és átáll vészprogramra. (Legtöbbször sima áramtalanítás, de nem mindig) Nem az energetikai kábelra építik a vészleállítót, 3 fázis esetén minimum 3 bontóérintkező kellene megfelelő árambírással. (Létezik a drágább moduláris kapcsolóknál különböző árambírású kapcsolómodul és lehetne többet ráépíteni, tudtommal 10A a max, de csak 24VAC esetén) Valamint egy gépre több vészleállítót is szerelhetnek, sőt van, hogy messzebbre is tesznek. Általában a vezérlő (24V) jelet szakítsa, ritkábban 230VAC-t. Milyen kábelkígyó lenne ha mindenhová kellene vinni az energetikát, ami nem mindig csak áram. Legyen 3*50A 3fázis meg 16mmes cső pneumatikának, képzelj mellé 4 vészleállítót egy 10*10 méteres gépen, meg egyet még a 5m messzebbre. Ha ezen mind végighúzod az energetikai betápot, akkor nem az a drótkeresztmetszet és cső kellene, hanem kettővel nagyobb. A rajz jó. Nem egyszerű átlátni, de jól van megcsinálva. Mellé kell képzelni még egy érintkezőt ami a nullát kapcsolja a kimenetre.
Hát azt nem tudom,de már láttam olyan kapcsolót,hogy menten lebénultam! 73 nő dolgozott,és napi szinten használták!
Köszönöm a válaszokat,ez lesz a megoldás.Anni,hogy nem a földön lesz,hanem felszerelem a falra és megpróbálom elrejteni a vezetéket.Miről ismerem fel a "jobbik fajta" hosszabbítót?
Idézet: „Miről ismerem fel a "jobbik fajta" hosszabbítót” Nem 300Ft az ára, nem a kínai piacon veszed, hanem szakboltban. A földelése szépen rugózik, a kábele nem cérna vékony, a műanyag tokon látszik hogy komoly szerszámmal készült, és nem dzsunkán. A dugóján is látszik ha bóvli. Ha beledugsz egy dugaszt fogja jól. Kapcsolósat ne vegyél, ide nem kell. Használat közben meg ellenőrizd a melegedést. Ha elkezd melegedni, lazulhatnak a kötések, nő az átmeneti ellenállás, még jobban melegszik, és kész a baj. Jó ha nem csinál tüzet. A mosógép dugóját a lengőkábelhez legközelebbi aljzatba dugd bele, így kisebb az esélye az átmenet hibáknak. Vigyázz, nehogy víz jusson bele.
Petexati!
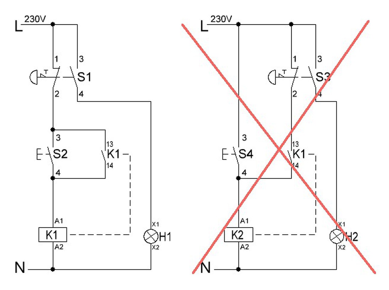
Köszönöm a rajzos válaszod. Valami ilyesmire gondoltam, ahogy megcsináltad. Ez csupán egy szempontból "jó". A vezérlésben résztvevő trafo csak a relé bekapcsolt idejéig fogyaszt áramot. Egyébként meg veszélyes kivitelezésnek tartom annak ellenére, hogy működőképes. Azért mert az egyébként is egymás mellett lévő nyomógombok különböző feszültségek vannak, ezek közül ráadásul az egyik, a 230V életveszélyes. Gondolom ezt csupán magadnak készítetted el, nem pedig "idegen" helyen. Azért alkalmaznák a különböző feszültség alatti vezetékek a szokásos színnel való megkülönböztetést is. A 24V-hoz kék színt, 230V-hoz feketét mivel ez utóbbi a hálózati feszültségen van közvetlenül. Szó mi szó, ötletes a megvalósítás. Azért, hogy maradjunk is a műhely témánál a vezérlés technika kapcsán, mutatom a rajzomon, hogy én hogyan műkődtetem a készülékek próbájához a 230V-os dugaljat vezérlő mágneskapcsolót. Az S1 a reteszelt vészgomb, ki gomb. Tiltó kapcsoló is. Az S2 megnyomása esetén a mágneskapcsoló csak addig tud meghúzni míg az nyomva van, tehát nincs öntartás, pillanat működésű. Az S3 viszont öntartóra működteti a mágneskapcsolót amelyet a vészgomb is meg az S2 is kiejtetheti.
Idézet: „A vészleállító, notstop, totalstop mindegy minek nevezzük szabványosan bontóérintkező. Mint vezérlő kapcsoló szolgál és egyetlen szálat kapcsol. Mint az összes többi vezérlő kapcsoló, nyomógomb tudtommal 2A áram kapcsolása van elvárva tőle, az egyes kivitelek valamennyit eltérhetnek.” KTobi! Ha biztosra akarnak menni a gépgyártók, akkor a vészgombokon kettő bontó érintkezőt használnak, tehát kettős stop kör van, ráadásul mind ez biztonsági relére kötve. Tehát nem csupán egy szálat kapcsolhatunk. No meg általában azért biztonsági valami mert az duplázva van. Szerintem nem helytálló, hogy a vezérlő gombok 2A kapcsolására alkalmasak, hanem 6A-re. Mellesleg ajánlatos a vezérlő feszültséget külön trafóval előállítani, még ha az a hálózati 230V-nak megfelelő is. Ennek oka, hogy a helyi "kis" trafó szekunder oldalán sokkal kisebb zárlati áram képes kialakulni mint a pl. néhány 100kVA teljesítményű hálózati trafók esetén. Tehát esetleges zárlatra kapcsolás esetén, még ha a zárlatvédelem természetesen ki is old, azt túl éli. Idézet: „Miről ismerem fel a "jobbik fajta" hosszabbítót?” Arról, hogy 20 évnél régebben gyártották a villásdugóját és az aljzatát is, nincs rajtuk sérülés, elegendően vastag a vezetéke, és szakember szerelte... Nehéz ügy...
Már linkeltem a képét.
Azon látható, hogy a vezetékek a csatlakozókba öntési eljárással vannak illesztve, ami ezeken a pontokon magas IP védelmet szavatolja. A csatlakozók külső borítása gumírozott ami a mechanikai védelem, (pl. törés ellen) biztosítéka. Az érintkezők anyaga rézötvözet, kopásálló, oxidációra kevésbé hajlamos bevonattal. A vezetékerek keresztmetszete 1,5mm2, vagy e-feletti, ami a megfelelő áramterhelhetőség miatt szükséges. A kábel szigetelése megfelelően vastag, és rugalmas, a környezeti hatásoknak ellenálló. (a gagyesz narancssárga a negatív példa) |
Bejelentkezés
Hirdetés |









