Fórum témák
» Több friss téma |
sziasztok. 455khz tekercs csak fehér jelzesu jó? vagy esetleg a sárga is ok.
Sziasztok! Lett pár VEF 206 om. Hangolta már át valaki sáv vevőnek?. Közben felmerült az kérdésként hogy a KF-et fölhasználva csak egy új Front-Enddel nem lehetne e DDS kompatibilis vevőt csinálni belőle. Arra gondoltam kapna egy sávszűrőt, egy DBM keverőt, na és itt jött a hova kössem kérdés. Olcsók lettek zsibin ezek a rádiók és még mindig sok van belőlük.
Nem kéne sok sáv, elég lenne egy, ha az jól működik.
Rajz van, de a Hetényi féle cikket az áthangolásról nem találom. Bővebben: Link
Szia.
Én már akartam áthangolni, csak amit kaptam VEF rádiót az hibás és nem bírok rájönni mi a baja. Itt a cikk az áthangolásról:Bővebben: Link, kicsit lejjebb meg a cik vége van beszúrva képként. Sok szerencsét.
Van 2 3 cikk is róla
75 évi RT-k ben.
Köszönöm a kiegészítést!A teljes áramkört nem szerettem volna újra méretezni csak a lehetőségekhez képest javítani a helyzetén!
Megtúrtam a padlást. Összesen 4 rádió nyom került elő. Némelyik sérült. Mivel komplett kf panel van kettő, nagyon felcsigázna egy első keverő. Megpróbálok egy front-endet összeütni hozzá.
Szerintem DBM-el 612vel és melléjük rakott 3 5 db kvarccal , 1 2 fokozatú KF erősítővel , 1 nagyságrenddel érzékenyebb szelektívebb rádiót is építhetsz mint a VEF 2-8 uV érzékenysége
. A hozzászólás módosítva: Nov 23, 2015
Nem szeretnék bele offolni a témába. Én magam nem vagyok Rádióamatőr. Még rádióm sincs. Csak valahogy rátaláltam az Orosz Dugára. Azt olvastam, hogy sok amatőr életét keserítette meg az, hogy a rádióamatőr sávba is bezavart... Youtubon feltűnnek még videók ahol újra fognak hasonló jeleket. Használna még valaki ilyen radart? Vagy ez már csak a mai kapcsolóüzemű tápok, tűzlejzők zaját veszik?
Jó nagy marhaságot mondtam. Ha WebSDR-en fogják a jelet akkor nem lehet környezeti zaj.
Mindenesetre érdekes lenne, hogy a mai modern műholdakkal teleszórt égbolt mellett ilyen radart alkalmaznának.
Szia Vili! A fenti hozzászólásoddal nyilvánvalóvá tetted előttem, hogy az adott műszaki tartalmat mélységében átlátod
így téged kérlek szépen tanácsért. Gyerek kori álom az áthangolás, így azt meg is teszem az egyik készüléknél. Ellenben maradt két kf panelom. DDS-em van. Hova kötnéd be a KF-be az első keverő jelét? Egyelőre ez lenne: sávszűrő + NE612 DDS VFO-val. Néztem a rajzot, a négy tagú sávszűrő környéke tűnik célszerűnek, de nem látom egyelőre át az AGC mibe zavar még bele. Igazából az első fokozat pontos működését nem értem, rengeteg tekercs van.
Van annak a rádiónak akkora érzékenysége egyáltalán ?? ))
Valamikor gyerekkoromban nekem is volt valami hasonló..., viszont a kb 70 valahányban készült, szinte muzeális asztali csöves rádió sokkal jobban vette a jeleket rövidhullámon...
Van az a része, hogy mi ellen van a "lopakodó technológia". Az nem "láthatatlant" jelent. Lőttek is le a "szomszédban".
Nem Mondtál marhaságot.
Jó néhány WEB SDR olyan gyenge vételt nyújt, hogy alig jön rajta valami és egyik -másik rettentő zajos pont az ő antennája környezetében lévő zajforrások miatt. A magyar WEB SDR is elég zajos de tűrhető a vétele.
Bocs akkor csak 3-9 uV
legalábbis a RT 75/1 13. oldal alapján .De régebbi RTben meg 71/5 100-200 uV ír teleszkópról 1-2mV/m ferritről. A hozzászólás módosítva: Nov 23, 2015
Hát ez érdekes, mert az oroszok szerint a saját teleszkóp antennájával rövidhullámon is csak 70uV érzékenységet adnak meg )))
Szendi! Lehet az RT 71/5 talán segíteni fog ebben.
Azért az oroszok csak tudják ))) Jobban mint az RT szerzői
![]() Ráadásul a 70uV sokkal hihetőbb, mint a néhány uV-os csúcs érzékenység ) Azt hiszem a legérzékenyebb műsorszóró vevő amit láttam az kb 15uV érzékenységű volt..., de az messze nem a VEF kategóriája volt, hanem egy sokkal jobb és drágább asztali tuneré )
A GalileoWebcast archívumában elérhetőek a Műegyetemi Rádió Klub Műszaki Napján elhangzott 2015 évi előadások :
MRC MN 2015 előadások A hozzászólás módosítva: Nov 23, 2015
A VEF-206 egy szép retro konyharádió az 1970'-es évekből. Az ilyen múzeumi tárgyakba szerintem illetlenség belenyúlni hangolgatni-átalakítani..
Egy mai olcsó RH vevő (PL-660) 1uV érzékenységű ssb-n és 20uV AM-en. A hozzászólás módosítva: Nov 24, 2015
Azért a 150dolláros listaárával nem éppen egy olcsó kategória ez már ))
Ennyiért el is várom min ezt az érzékenységet! Dehát...hol van ehhez képest a VEF ??!!
TE írtad hogy amit valaha láttál legjobbat (de nem neveztél meg) az 15uV az egy sokkal jobb és drágább asztali tuneré.
Erre válaszoltam hogy egy 30eFt-os valami az ssb-n 1uV.. egy 40+ éves rádióba pedig nem turkálnék bele. Tudom ez a beleturkálás divatos volt mindig minden rádiónál. De az értéke egy beleturkált rádiónak töredéke a turkálás-mentesnek. lehet külső bfo-t is építeni fillérekért.
Szia Doky! Az adott rádióból van 2 egyben lévő és 4 db-rom a birtokomban. Mindet kukából mentettem meg, tisztán és kizárólag az áthangolás céljából. Most a zsibin van kint 1000 Ft ért. VEF 206. A lényeg pont az újrahasznosításon van. A meglévő KF panelek sávvevőben szolgálná az életet. Amikor a ez elsővel próbálkoztam voltam 15. Most 35 körül felműszerezve még sikerülhet is és olyan rádió válik belőle amit a következő évtizedekben valóban hallgatok.
Igen, én írtam...és műsorszórás vételéről volt szó, nem ssb-ről!
Nem neveztem meg, azon egyszerű oknál fogva, hogy már nem emlékszem hozzávetőlegesen sem a típusára! De nem azért hoztam fel, mert az lett volna a csúcs, csak összehasonlításképpen egy "bóvli" táskarádió és egy profi, drága rádió közötti érzékenységkülönbség érzékeltetésére ![]() De ha már szóba került az a modern min középkategóriás táskarádió...én elgondolkodnék az adatok hitelességén, mivel érdekesnek tartom, hogy ssb-n hússzor akkora érzékenységgel bír, mint am-ben! Honnan is jött ez ki nekik ?? Mert egészen biztosan nem a sávsszélességből származtatott jel/zaj arány javulásából! Annak meg nem látom értelmét, hogy am-ben visszabutítanák direkt, mondván kici-kínainak ennyi is elég )))
Hát, az úgy jöhet ki, hogy műsorszórónál az érzékenység 26 dB S/N, komunikációsnál 20 dB Sinad, (súlyozott), ami kb. 12 dB S/N -nek felel meg. Gondolom, mert konkrét adat, az természetesen nincs.
Igazad van, arra nem gondoltam, hogy más jel/zaj viszont adtak meg, ott a pont! )
Igen, műsorszórásnál jellemzően 26dB jel/zaj viszony az érzékenység alapja, míg ssb-nél 10, 6, vagy akár 3 dB-re is megadhatják ezt. Ez utóbbival, + a sávszélességből eredő javulással kb akár ki is jöhet az 1uV
Készítettem még november végén egy 2 méteres amatőr sávvevőt ezen az oldal alapján: Bővebben: Link.
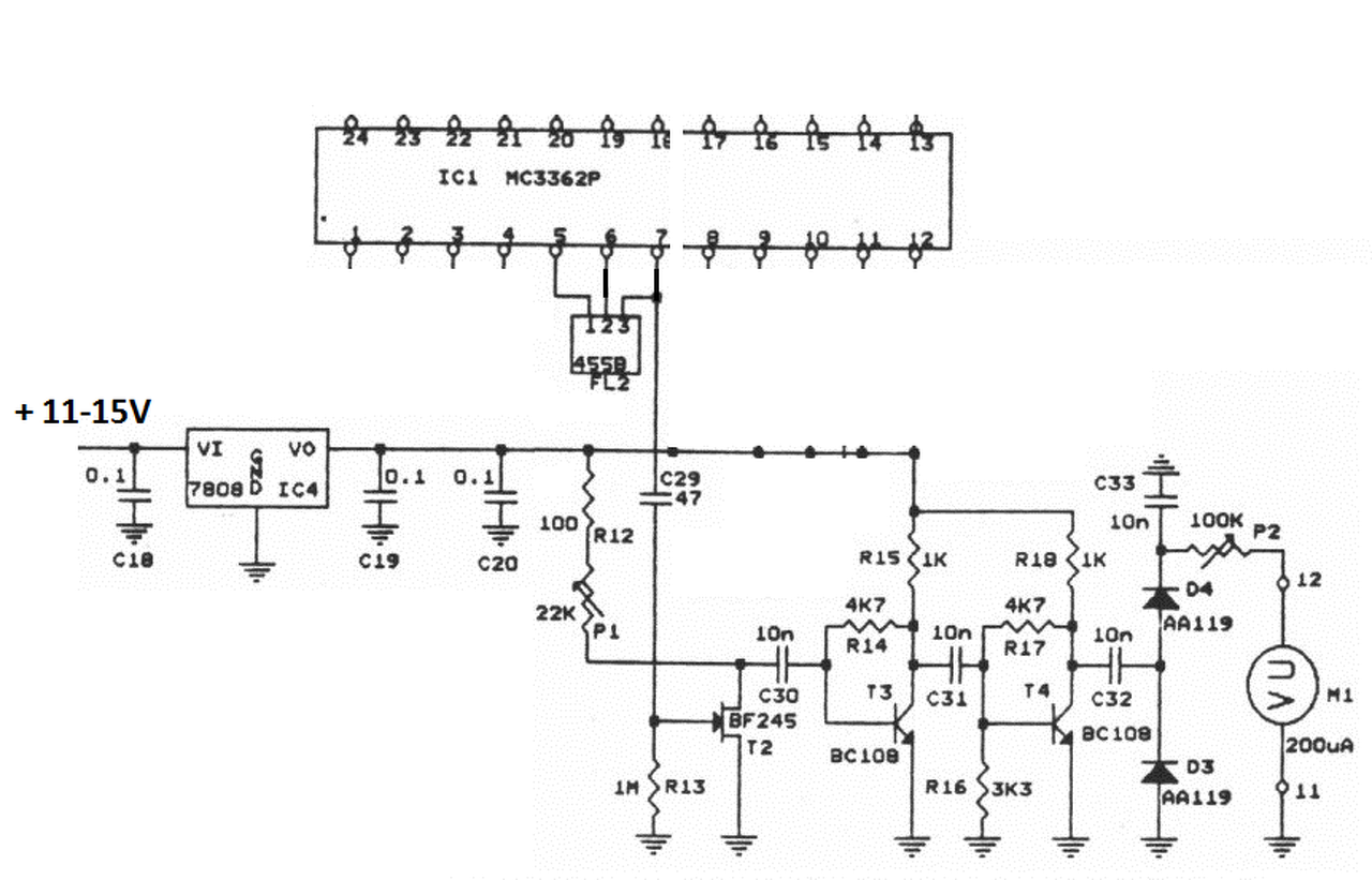
A nálam már jól bevált MC3362-es IC-re alapoztam, de egy kis kiegészítést is tettem az áramkörhöz, építettem hozzá egy kis RSSI segédpanelt is ami egy analóg műszert hajt meg, így a jelerősséget is kijelzi. Szerintem elég jó lett, igaz nem profi szintű, nincsen kalibrálva, de azért hangolásnál és antenna elhelyezésnél kifejezetten jól jön. Ráadásnak egész nagy frekvenciatartományt át lehet vele fogni 130-180MHz-ig próbáltam és teljesen jól vette a gyengébb adásokat is (SDR-el ellenőriztem). A hangolópotméterrel kb. 2-2,5MHz-et lehet hangolni így nem olyan zavaró, hogy "normál" potméter van benne helikális 10 fordulatú helyett. Gondoltam megosztom, hogy milyen lett. Készítettem két videót is róla, az egyiken 151MHz körül fogtam be valamilyen adást: Bővebben: Link (ha valaki tudja mi lehet ez, írja meg), és még egy: Bővebben: Link, ez pedig a vízállás jelentés 161,7MHz-en.
A panelek szép kulturáltak, ha a drótokat összeakasztod kötegelővel még szebb lesz. Mondjuk az előlapot lehetett volna kicsit igényesebben, most olyan deszkamodell (műanyagmodell?
) hangulata van.Arról az RSSI segédpanelről kérhetnék egy kapcsolási rajzot? Kíváncsi vagyok rá. A hozzászólás módosítva: Dec 3, 2015
Köszi, igyekeztem a paneleket rendesen készíteni.
Az előlap sajnos tényleg ronda lett, mert utólag derült ki, hogy a doboz kicsi a műszerhez (ami egyébként kivételesen lassan jött meg kínából, 6 hét alatt), és így nagyon össze kellet sűríteni az előlapot.A drótokat nekem valahogy mindig sikerül 2-3-szor hosszabbra hagyni mint kéne (úgy tűnik ritka rossz szemmértékem van) ![]() Kapcsolási rajzot csatolom, egyébként innen: Bővebben: Link vágtam ki, ezt még a 137MHz-es műholdvevőm építésénél találtam, és gondoltam itt próbálom ki először. |
Bejelentkezés
Hirdetés |





75 évi RT-k ben.
.
Mindenesetre érdekes lenne, hogy a mai modern műholdakkal teleszórt égbolt mellett ilyen radart alkalmaznának.





