Fórum témák
» Több friss téma |
Igaz nem kiforrasztva, de zárlatot nem mérek egyik láb között sem, ahhoz közelítő értékeket sem.
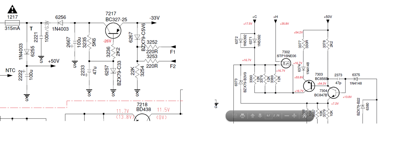
2.es lábán 31,2V ez elég jó szerintem (a dokumentum szerint) ,másik két lábon 29V...
Óhjajj! Mi van a 7303, 7304 tranyókon? Erős kivezérlés nélkül a 7303 nem nyithat ki!
03: testhez képest C29V, B47,8V , E47,2V
04: testhez képest C47,8V, B21,9V , E25,3V
A 04 bázis negatívabb mint az emitter, tehát nem folyhatna a kollektorán áram, a 3378 2k2 ellenálláson mégis esik feszültség. Ez nagyon nincs rendben.
6374 dióda zárlata okozhat gubancot?
A hozzászólás módosítva: Nov 18, 2015
Nem esik a diódán 0,6-0,7V?
Most az a baj, hogy a 04-es tranyón folyik áram, 2373 kerámia például szivárog. Az a lebegő bázis nem dicséri a tervezőjét
Az említett dióda egy az egyben zárlat. A 2k2 ellenállás mérése közben vettem észre.
Akár meg is oldhatja a problémát, de rossz látni, hogy 2k2-n áram folyik.
Akkor első körben cseréljem ki a diódát aztán meglátjuk mi változik. Gondolom akkor a túlzott tápfesz vágott oda a végfoknak.
Röstellem, hogy ezt a H-osztályú működést nem bogoztam ki előbb.
Azt nem tudom a mennyire játszott közre az IC kinyírásában.
Köszönöm a segítséget, ha lesz időm beoperálok egy másik diódát oda, aztán meglátjuk változik-e valami.
Tegnap rosszul azonosítottam be, nem a 6374 dióda volt a zárlatos hanem egy eddig be nem azonosított.
A kicserélt dióda egyik fele tápfeszültségen, a másik pedig a 2k2 és 330R közös pontján van. Viszont a rajzon ez nem is létezik ha jól kerestem vissza van egy +50V csatlakozási pont és a másik +50V pont között nincs semmi ugyhogy ez zsákutca...
Nem is fűztem vérmes reményeket a diódához. Meg kell oldani, hogy a 7304 tranyó vezérlés nélküli állapotban zárva maradjon.
Ha jó a mérésed, az emitternél negatívabb bázis ellenére áram folyik a kollektorán. Ez hibás működés.
Ismételten megmértem a 2 tranzistor testhez képesti feszültségeit és közel ugyan azokat az értékeket kaptam.
03: B22V E25,4V C51,5V 04: B45,3V E48,4V C29,6V
Itt most 03 számot kapott hibás kinézetű tranyó.
Kicseréltem a 03-ast egy másikra, a helyzet nem változott. Ugyan úgy 29V a végfok táp.
Viszont a B és E feszültség a dokumentumnak megfelelő kb 54V. Csak a C 16,7V helyett majdnem 31V. A másik tranyón a 7,2V helyett 30V a 13,8V helyett 25V.
Itt valami keveredik NPN, vagy PNP tranzisztort cseréltél?
A 7302-nek mennyi a gate-source feszültsége? Bővebben: Link Szélső lábak.
BC856 PNP
A fet gate-source feszültsége 0,00V. Testhez képest 29,5V mind a két lábon. És a két láb nincs egymással zárlatban.
A tranyó csere picit mellé ment Bővebben: Link Egyelőre ne is foglalkozzunk vele.
A MOSFET Transfer Characteristics ábráján láthatod a 0V-tól azon semmi áram nem folyhatna. Mekkora erőfeszítésbe telik kiemelni a helyéről?
A fetet? Nem lehetetlen bár nem is könnyű, az összes hűtőordára szerelt alkatrész egy műanyag megvezetőn át van beforrasztva, de megoldható. Kiszedve.
Itt a MOSFET teszt.
A FET nélkül gondolom az ilyenkor helyes tápfeszültséget kapja a végfok IC.
A fet kuka G-S G-D között 1-1,2K mérhető...
Valami kis eredmény
Nem 2 döglött hanem 2 működő végfok IC-m van FET nélkül 14,74V az IC tápfesz és megjött a hang a kimenetre. Vagyis mindenesetre a magas tápfeszültség a végfok működésképtelenségének oka. Akkor a FET lenne a bűnös?
Mégegyszer elnézést, hogy a működést nem tekintettem át elsőre teljes keresztmetszetében. Arról van szó, a híd kimenet egy bizonyos pozitív amplitúdó elérése után magasabb tápfeszültségre húzható, ez nyilván a pozitív oldali félvezetőket érinti. Úgy látszik van annyi intelligenciája az IC-nek, hogy keresi a logikai összefüggést a kimenet és a táp között, így nem engedi elmelegedni ezt az amúgy elég filigrán szerkezetet.
A mérésed FET hibát mutat, cserélném Bővebben: Link. A panel jelen állapotában, vezérlés nélkül mekkora feszültség mutatkozik a gate-source lábak között. A doksi 0V különbségi feszültségre utal, magam is ezzel lennék elégedett
Értem a FET-et akkor cserélem. A két szélső lába helyén a 14,xV-os feszültség mérhető testhez képest, tehát a kettő között meg van a 0V.
Megnyugtató, hogy a FET meghajtó kéttranzisztoros áramkör, csak a rendellenes üzemállapot miatt mutathatott fals feszültségeket.
Én meg kioperaltam az smd-t és furatszereltet tettem a helyére
sebaj. Akkor ha minden igaz a fet csere utan akár jo is lehet teljes mértékben. Kedden vagy szerdán jutok el a boltba, ha megvagyok vele jelentkezem. Addig is mindent köszönök.
Helo van egy Panasonic sa-ak220-as hifim(nem egy mai darab) története kapcsolnám be kattan szokásosan a relé de nem kapcsolódik be és kikapcsol a relé semmilyen hibakódot nem ír a (hangot a mellékletben megtalálhatjátok)
Válaszotokat előre is köszönöm.
Sziasztok nekem olyan problémám lenne,hogy kaptam egy karcher 6570 tipusú hifit ebben 3 különálló cd egység van mp3-at is lejátszik ill.usb-s a problémám a következő amikor cd-próbálok lejátszani vagy pendrive-ról mp3-at akad a lejátszás pontosabban a cd és az usb-ről való lejátszás folyamatos a számláló rendesen megy .olyan mintha 1mp-ként ismételné ugyanazt a szövegrészt .A cd egyből beolvassa a lemezeket tehát a a lézer jó. esetleg szoftveres probléma lenne?Aki találkozot ilyenfajta hibával kérem segítsen köszönöm.
Kerestem itthon beszerelhető FET-et, mert sajnos nem jutottam el a boltba, egy 12A 600V-os típust tettem a helyére. Az alap tápfesz továbbra is a 14,4 ha kezdem hajtani akkor is igyekszik ezt az értéket tartani. Már amennyire így 3/4ed kilenc tájban a panelban szabad hajtani
![]() Köszönök minden fáradozást. |
Bejelentkezés
Hirdetés |





Nem 2 döglött hanem 2 működő végfok IC-m van 
sebaj. Akkor ha minden igaz a fet csere utan akár jo is lehet teljes mértékben. Kedden vagy szerdán jutok el a boltba, ha megvagyok vele jelentkezem. Addig is mindent köszönök. 





