Fórum témák
» Több friss téma |
Ajjaj olvasgattam én ezt a triakos dolgot.... dem biztis hogy merek azzal szorakàzni.... én inkàbb leegyenirànyitanám a secunder oldalt aztàn azt szaggatnàm!!! Kisebb az esélye hogy az örök vadászmezökre távozok!!! A 230v tol egy kicsit "fàzok"
Mondjuk feltettem aprohirdetésbe is... mert lehet nyugodtabb lennék ha valaki bevàllalnà! A hozzászólás módosítva: Nov 29, 2015
Pedig nagyon egyszerű a dolgod ! Vegyél egy porszívó fordulatszabályzót (a legolcsóbb is megfelel) és kösd be sorban a trafód primer tekercsével és tedd be egy jól záró műanyag dobozba az egészet .
A hozzászólás módosítva: Nov 29, 2015
Szia kaqkk!
![]() ez szinte tul egyszerű ahoz hogy működjön! amugy miért jo a primer oldalt szaggatni? a trafo is csak annyit dolgozik amennyit kell??? vagy???Jajjj kaqkk irok "privátba" más miatt... nyàk!
Ez egy kipróbált működő technika a hűtősök nagyon sokáig szénrudas forrasztótrafót használtak mindegyik ilyen megoldással működött , a primer oldalon "csak " feszültséget kell szaggatni a szekunder oldalon viszont már áramok folynak ,oda nagyáramú kapcsolóeszköz kell ami megdrágítja a dolgot..
Szia!
Vagy veszel egy ilyen teljesítmény szabályzót Bővebben: Link és ezt kötöd sorba a trafód primerjével. A potmétert adják hozzá. Ez elfér egy kis műanyag dobozban, a potit meg kivezeted a doboz oldalán.
Egyébként most olvastam vissza- nem kell 50v os trafó elég 4-6V de vastag szekunderrel , én amikor forrasztótrafót "gyártottam"autó akku vezetéket tekertem a trafóra amennyi ráfért a szekunder helyére , ez adott olyan 5-6v körüli feszültséget és valami brutális áramot , a primerbe rakott szabályzó ezen "lágyított" ízlés szerint .
A hozzászólás módosítva: Nov 30, 2015
Üdv.
Szeretnék egy hungarocell vágót csinálni amihez adott egy trafó a lenti képen lévő paraméterekkel, a kettő érintkező között 22 cm a távolság. A jelen megoldásban az a problémám, hogy nagyon felmelegszik a vágószál világos narancs ill. sárga. Abban szeretném kérni a segítségeteket hogy, milyen pótméterrel tudnám ezt szabályozni?
Csak két három hozzászólást kellett volna elolvasnod , épp mostanában írtam le Szt3 nak a megoldást ...
A hozzászólás módosítva: Dec 5, 2015
Sziasztok!
Itt egy megvalósított és jól működő rajz a hőfokhoz. Üdv.
köszönöm olvastam de ott nem kimondottan a hőfokról volt szó ezért kérdeztem. Van is egy ilyen porszívóm itthon amiből ki tudom bányászni.
Nem alkalmas hozzá a trafód. Sok a 18 V és kevés a 2 A. Ilyen rövid dróthoz 3-4 V és legalább 8-10 A kellene.
Sziasztok! Egy CNC habvágóhoz szeretnék olyan vezérlő áramkört gyártani, ami nagyjából konstans értéken tartja a fűtőhuzal hőmérsékletét. A fűtőhuzal anyaga nikkel-króm ötvözet. Átmérője 0.9mm, ellenállása 1.7 Ohm/m. A fűtőhuzal hossza nagyjából 1.5 méter. Mivel ez egy 4 tengelyes gép ahol az egyes tengelyek külön mozognak, ezért a felfogatási pontok távolsága időben változik. Emiatt a huzal egy része nem ellenállás huzal hanem normál huzal, és egy rugós vagy görgős/ellensúlyos rendszer fogja folyamatosan kifeszítve tartani.
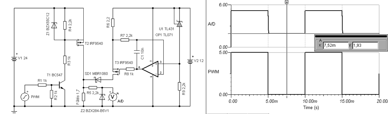
A fűtés egy 24V 200W-os trafóról fog menni (remélem hogy elég lesz a teljesítménye). Egyenirányítás után egy IRFZ44N FET-tel kívánom PWM jellel kapcsolni. Helyette lehetne egy áramgenerátorral beállítani egy fix teljesítményt, de én ennél pontosabb hőmérséklet szabályozást szeretnék. A vágási sebességtől és az éppen vágott anyagvastagságtól és minőségtől is függ a kívánt hőmérséklet eléréshez szükséges teljesítmény. Az az ötletem támadt, hogy a fűtőhuzal ellenállását mérem meg. Elméletileg ez az ellenállás függ a huzal hőmérsékletétől, ezért egy konkrét hőmérséklet megtartásához elegendő a huzal ellenállását konstans értéken tartani. Az lenne a terv, hogy a fűtési ciklust másodpercenként egyszer megszakítom arra az időre, amíg egy referencia feszültségforrás segítségével megmérem a huzal ellenállását, és a mért értéknek megfelelően módosítom a fűtést vezérlő PWM jelet. Nincs hozzá elég tudásom, hogy egy jól működő kapcsolást magamtól elkészítsek. A csatolt képen látható kapcsolást találtam ki, de nem vagyok benne biztos hogy működne. - A bejövő PWM jel szabályozza a fűtést Q1 FET-en keresztül. - A mikrokontroller a mérés előtt néhány századmásodperccel lekapcsolja a PWM jelet. - Ezután magasra állítja az AD_EN jelet, ami 12V feszültséget tesz az R4 ellenállásból és a fűtőelem (dupla vonal) álló feszültségosztóra. - Ez a feszültség a Q3 FET-en keresztül kerül vissza az A/D konverter bemenetére. - Amikor az AD_EN jel alacsony szinten van, akkor a Q2 FET lezár, ami megakadályozza a fűtő tápfesz visszaáramlását a 12V-os feszültségforrásra. Ugyancsak lezár a Q3 ami megakadályozza hogy a fűtés rákerüljön az A/D konverterre Valahogy az az érzésem, hogy ha ezt így kipróbálnám akkor az AD konverterem azonnal tönkrevágná. De ez csak egy érzés. Valakinek van véleménye erről? Esetleg javaslata arra, hogy mi lenne a helyes kapcsolás. Köszönm!
Ha az AD konverter bemenet elé teszel egy ellenállásosztót és közvetlenül a bemenetre egy diódát vagy zenert, ami az általad választott mérőfeszültséget, 0,6-4,7 V-ot nem engedi meghaladni, nem lesz semmi baja a bemenetednek. Bár belül is van védelme, de a csupasz vezeték ellen, ami a rajzodon a FET után következik, semmi sem elég.
![]() Az R4 mérősöntöt a test és a fűtőszál közé kellene tenni, mert így senki nem tudja, mit fog mérni az AD bemenet. A hozzászólás módosítva: Jan 11, 2016
És ha csak a körben folyó áramot, meg a kapocsfeszültséget mérnéd rákapcsolt fűtésnél? Igaz két AD de legalább nem kell kapcsolgatni semmit. Így a PIC tönkremenetelét max a sönt szakadás okozhatja.
Hello! Ez a kapcsolás még elvben sem működne. De nem taglalnám miért, mert nem ismered a Fet-ek működését.
- A PWM-et egy PMOS Fet-el kellene kapcsolni, ha már a plusz oldalon van a kapcsoló. De az IRF9540 helyett valami keményebb fickó lenne ideálisabb T2 helyére. Gyors PWM nem kell, a fűtőtestnek mindegy, a gyorsaság csak a veszteséget növeli. - A 12V-ből egy áramgenerátor táplálja a diódán keresztül a fűtést. Ennek konstans áram így kb 1,1A, ami az 1,7ohm-on 1,9V feszültséget ejt. Így ezt mérve már megállapítható a fűtés ellenállása. (A dióda mindenképpen szükséges, mert visszafolyna az áram a 24V-ból a 12V felé a Fet parazita diódáján.) T3 kb. 8W hőt disszipál, de az még elviselhető egy hűtőbordán. Kapcsolgatni az áramot felesleges, semmi baja nem lesz a fűtésnek a kb. 1A áramtól. (2W) - Az AD-ra jutó feszültséget a Z2 zéner határolja 5,1V-ra, az ettől több nem lehet, akkor sem, mikor a PWM a 24V-ot rákapcsolja a fűtésre. - Ha kevésbé igényesen akarod megoldani az áram megtáplálását, akkor a 12V-ról elég a 10ohm, de dióda akkor is kell, és kapcsolni is felesleges. - Ezzel a módszerrel, akár a PWM kikapcsolt periódusában is megállapítható a fűtés ellenállása. Feltéve, hogy a PWM kitöltése nem 100%.
Nem mondom hogy értem, de próbálok ismerkedni vele. Láttam én is hogy ezeket a FET-eket mindenki más a terhelés és a GND közé tette, csak nem értettem hogy miért. Gondolhattam volna hogy nem véletlen. IRF9540 helyett IRFZ44N -et akartam használni, az jó lesz? Valamivel nagyobb teljesítményű. T3 helyére is olyat tennék mert van belőle egy dobozzal.
A fűtés ellenállása nem 1.7 hanem másfélszerese, mert másfél méter a fűtőszál de azt hiszem ez lényegtelen. Ha nem bánod akkor még kérdezek - de csak tanulmányozás után.
Na meg is van az első kérdés. T2-őt az a feszültség nyitja ki, ami R4-en keresztül érkezik, és amit Z1 korlátoz be 12V-ra. Nekem a 24V-os fűtés egy trafóról érkezik amit ugyan egyenirányítok, de ezen kívül nincs rajta semmi, ezért pulzál. Amikor ez a pulzáló feszültség alacsony, akkor T2 nem nyit ki, így a T2 is váltakozva nyit/csuk. Jól gondolom, hogy ez a kapcsolás csak stabilizált fűtő táppal működik jól?
Ez nem kérdés, hanem más koncepció. De nem stabilizált, hanem szűrt egyen feszültség szükséges. Te, szabályozatlan feszültséget írtál.
- A Fet vezérlő feszültségét a forrásához képest biztosítani kell. Itt ha a szűretlen feszültség csökken, egyszerűen nem lenne meg a Gate-Source feszültség. A Fet átmegy analóg üzemmódba, amit füsttel jelezne. - Egyféle megoldás lehet, ha a Fet Gate meghajtó 12V feszültségét külön, és galvanikusan függetlenül állítanánk elő. Ekkor egy optocsatolón keresztül lehetne vezérelni a Gate-et. - Másik megoldás lehetne, az NMOS Fet használata, melynek a Gate feszültséget a meglévő 12V-ból állítanánk elő. De ekkor a fűtést meghajtó 24V-nak "lebegni" kellene. Vagy is a Fet Drain-je és a fűtés közé lenne bekötve. De így erről a 24V-ról csak egyetlen Fűtést lehetne meghajtani. A Fet meghajtásához pedig (erre a célra készült) Fet Driver IC-t lenne célszerű alkalmazni. Ha a fűtés ellenállása nagyobb, arányosan növelni lehet az R6 ellenállást. Vagy is csökkenteni az áramgenerátor áramát.
Na ebből látszódik, hogy az alapfogalmakkal se vagyok tisztában.
Akkor ha jól értem, egy elegendően nagy puffer kondenzátorral biztosítani tudom a szűrt egyenfeszültséget?
Alapvetően igen, vagy változtatás. Mert a félinformáció, az csak dezinformáció..
Tovább gondoltam a dolgot. Lehetne olyat, hogy egy thermo elemmel mérem a hőmérsékletét? Az galvanikusan független mindentől, és fillérekből kihozható. Közvetlenül is ráköthető az A/D konverterre. Akkor a fűtésre elég lenne egy N-channel mostfet PWM-el. Az mehet low side-ra is, így a fűtés része is filléres megoldás lenne. Ráadásul ez így közvetlenül a hőmérsékletet méri, és nem az ellenállást.
Arról fogalmam sincs, hogy a fűtőszál hőmérséklet mérésének mennyi értelme van vagy nincs. De egy vékony drót hőmérsékletét, hogyan lehet megmérni egy hőelemmel?
Melyik pontján mérnéd ? A széle akkor hidegebb amikor szabadon van a szál , a közepe meg akkor amikor vág , szerintem értelmetlen 1 -2 ponton mérni épp emiatt .
Sziasztok!
Építettem egy "pajtatuning" habvágót, amiben egy E- cigi ellenálláshuzal a szál- 12V- ra tervezett- és egy 12V 1A- es dugasztáp hajtja meg. Ez mind szép és jó, csakhogy a drót úgy izzik mint a pokol, és jó 2mm- t vág ki, ami nekem túl pontatlan. Ezt egy áramszabályzóval szeretném korrigálni, de sajnos amit eddig találtam, az mind minimum 1A- t adott, nekem pedig az a maximum... Tehát: szükségem lenne egy olyan áramkörre, amivel 1A- ig tudok áramot szabályozni, tetszőleges értékben. Nem szükséges kész áramkör, de legalább abban segítsetek, hogy merre induljak el a tervezésben!
Nálam is működik már egy egy ideje, szóval tapasztalatból mondom hogy nem kell ezt túlragozni. Ha erre a célra szeretnéd használni, és értelmesebb darabokat is szeretnél vele vágni mint pl. a 60 centi széles és akár 8-10 centi vastag lapok, akkor kell egy 12-15V-os 150-200VA körüli trafó, meg egy 5-ös jelzésű citerahúr ami 0,5mm vastag.
Nekem jelenleg egy 7-es citerahúrral működik (0,45 vastag), a trafó 200VA körüli, üresen 14,2V a feszültsége, a huzallal terhelve pedig olyan 12,6V körül van, miközben 5-6A körüli áram folyik. Akár gyufaszál szélességű csíkot is vágok ha kell, de hangdoboz oldalait is megcsinálom vele, ahol lényeges a méret. Nem árt egy vágóasztalt is készíteni. Ez azért kell hogy felfeküdjön rá mint a vágandó mint a már levágott darab, meg legyen két él ami a vágást megvezeti, hogy az pontosan merőleges legyen. Nálam ez egy darab bútorlap, két derékszögű szögvas darab a végén.
Igen, van asztalom hozzá, viszont én dekorgumit, hungarocelt, vékony műanyagot is vágok, sőt szenvicslemezt is. Ezekhez más és más hőfok kell, szóval a szabályzást nem úszom meg... Nekem a vékony acéldrótot is ajánlották, de az nem mindig elég. Ezt a szálat egy 9v- os elemről is meghajtom, szépen megy, csak az elem 20 másodpercenként "megáll", ilyenkor várok egy kicsit, és újra jó. Próbálkoztam áramosztós szabályzással is, ezzel megsütöttem a potmétert. Most azon agyalok, hogy ha egy tranzisztor mennyire fog korlátozni. Ha teszem azt, 10mA- re vezérlem, és 100mA folyna, akkor csak 10- et, vagy 100- at fog átengedni? Mert amiket találtam, volt olyan, ami egy tranzisztorra épült, beállított munkaponttal- 10A- re. Ha ezt máshogy állítom be, az üzemképes letet? Mindjárt előásom!
Ajánlom figyelmedbe ezt a cikket:
Műanyag vágás könnyen, gyorsan
Valóban, görög van a falóban a kitöltési tényezős vezérlés nekem eszembe sem jutott!
És ezt szerintem egy NE 555- ből, és egy kapcsolótranzisztorból megúszom. Ja, és hogy túláramvédem az IC-t?...
Sziasztok.
Két hét múlva tervezem szigetelni házamat 10 centis EPS-el. ennek vágásához szeretnék készíteni egy vágót. Van egy DC 20V 10A -es tápom amin lehet állítani a feszt és áramot is. Elég a vágóhuzal fűtéséhez? Milyen huzalt ajánlotok hozzá? Válaszokat köszönöm előre is. Üdv, |
Bejelentkezés
Hirdetés |






amugy miért jo a primer oldalt szaggatni? a trafo is csak annyit dolgozik amennyit kell??? vagy???









És ezt szerintem egy NE 555- ből, és egy kapcsolótranzisztorból megúszom. Ja, és hogy túláramvédem az IC-t?... 


