Fórum témák
» Több friss téma |
A Te példádban az óra miatt már szét kell választani, nem viheted 4 szálon tovább.
A hozzászólás módosítva: Nov 22, 2015
Sziasztok!
Ez már többször felmerült, mellékelek egy képet a Regisztrált Villanyszerelők Kézikönyvéből. Ez a hivatalos leírás, az áramszolgáltatók ezt kérhetik a szerelőktől. Bár a lapon a DÉMÁSZ terület szerepel, az ÖSSZES szolgáltató így kell, hogy eljárjon. Annyiban másképpen szoktam kiépíteni, hogy a mérőnél is teszek földelőszondát, hogy az EON nem túl tájékozott szerelője se tudjon belekötni, de nem választom szét PEN-t. Így már mehet a 4x16, vagy nagyobb, jellemzően olcsó alu földkábel a földbe, majd a lakás főelosztójában (vagy előtte) lesz szétválasztva N-re és PE-re. Szabványos, és olcsó. 5 eres vezeték ugyanis csak rézből van... András
Igen, pontosan így. Alu földkábel jellemzően 4 eres. Mint írtam a csoportos mérőhelynél is van egy 3m-es földelő szonda és mind a 4 lakásnál is. Ezek mind össze vannak kötve . Az 5 eres vezeték rézből már 60 m-en nem olcsó. Pláne, ha 4 lakáshoz kell kiépíteni. Mint írtad is, szabványos és olcsó.
Csupán ennyi a különbség:
Idézet: „de nem választom szét PEN-t.” idézet gyoszo-tól: Idézet: „Igen, a mérőhelynél már szét van választva PE és N-re.”
Kérdés, hogy milyen módon tették, mennyire fix, vagy esetleg vissza alakítható, Ha nem. akkor csak az 5 eres betáp lehetséges sajnos.
Vissza lehet alakíttatni De újra kell terveztetni mivel a a PEN szétválasztásig az áramszolgáltató felelősége a kötések biztonsága.
Magyarországon is így volt régen. És még elég sokat lehet találni régi villanyszerelésből.
Szia!
Az áramszolgáltató a tulajdoni határig felel bármiért is, ez általában a fogyasztásmérő elmenő kapcsai. Aztán hogy a nullába neki N, vagy PEN van kötve, szerinted érdekli?
Én tavaly találkoztam egy ilyennel, ott majdnem haláleset volt, csak szerencséje volt a csajnak.
Szia
Általában igen, a fogyasztás mérőig ahogy leírtad. Az áramszolgáltatónak így egyszerűbb. De a szabvány megengedi hogy a mérő után is 4*16mm használj és a lakáselosztónál készítesd el az PE+N+földelés kialakítását. Természetesen a kiviteli tervben már így kell megterveztetni. A PE+N+véfőföld kötés plombázott! Ezért érdekli az áramszolgáltatót. Utána ki mit köt hova...
Szerintem itt vannak olyanok akik némi fogalomzavarban vannak.
Először is az áramszolgáltató előírja a mérőhelynél a nulla vezető földelését. ennek oka nem a felhasználó, hanem a saját hálózata és azon dolgozók védelme. Ha ez a telekhatáron van akkor ettől a ponttól lehet 4, vagy 5 vezetős rendszert kialakítani. Az épület csatlakozás közelében kell kialakítani a PEN - EPH csomópontot. Ami azt jelenti, hogy itt kell egyesíteni az összes gépészeti fémcsőhálózatot, az épület földelőhálózatát, a villámvédelmet és a hálózati nullát. Ettől a ponttól kel ezeket a vezetőket külön kezelni. Ha a kábel tovább megy egy másik épületben ott arra az épületre is ki kell alakítani a megfelelő csomópontot, függetlenűl attól, hogy az összekötő kábel 4 vagy 5 erű. Minden építménynek kell önálló védelemmel rendelkeznie.
Sziasztok az ilyen fajta wagóba ami sodrott vezetékhez készült, tömör vezetéket is lehet tenni?
Igen
![]() Bővebben: WAGO 222 Ha vásárlás előtt állsz, akkor én ezt választanám: Bővebben: WAGO 221 A hozzászólás módosítva: Nov 27, 2015
Sziasztok!
Ismeri valaki a QElectroTech programot? Kisebb főleg relés vezérlő szekrényeket rakok össze. Eddig sPlan-al készítettem el a rajzokat hozzá, de nagyon időigényes. Keresek valami erősáramú tervező programot lehetőleg nem fizetőset mert nem pénzért csinálom a rajzokat. A QElectroTech progit találtam, de úgy látom nem túl népszerű. Alig van róla infó. Pedig jónak tűnik. Esetleg tudtok valamit javasolni?
Az említett programot nem ismerem. De ha az ember nagyon akarja a Google Sketchupban is szép elemkönyvtárat lehet pillanatok alatt rittyenteni és az OpenOffice-ban is. Ezek nem tervező, de jó rajzoló programok.
Először is az áramszolgáltató előírja a mérőhelynél a nulla vezető földelését. ennek oka nem a felhasználó, hanem a saját hálózata és azon dolgozók védelme.
Hát, bocsánat, ezzel sem értek egyet. Az áramszolgáltató számár a tök elég lenne a transzformátornál a földelés. Az összes többi földelés a fogyasztókat védi a nullázáshoz használt PEN vezető szakadása esetén fellépő veszélyesség csökkentésére.
Egy transzformátor körzetében esetenként akár száz fogyasztó is lehet.
Ha minden fogyasztási helyen van "valamilyen" földelés az eredő ellenállás jelentősen csökken. Ebből adódik, hogy a hálózat teljes hosszában biztosított a hálózati nulla földponton tartása még esetleges nulla kötéshiba ne agy isten nulla szakadás esetén is. Hidd el a szolgáltató a saját jól felfogott érdekében írja elő a mérőhelyi földelés kialakítását. Gondold végig a fogyasztó szempontjából mi értelme van a telekhatáron letelepített mérőhely esetén a földelésnek amikor a fogyasztási hely attól esetenként több tíz méter is lehet. A szabvány szerint a fogyasztói érintésvédelmet az építményen villamos csatlakozási pontjánál kell kialakítani. A távolabbi mérőhelyi földelés erre nem alkalmas. Ha több építmény csatlakozik egy mérőhelyre akkor mindegyiket el kell látni megfelelő önálló érintésvédelemmel. Ezt mint egy"nem kezdő" érintésvédelmi felülvizsgáló írom neked.
Üdv. Az lenne a kérdésem hogy lenne egy 3 fázisú villanymotor melyre szeretnék tenni egy motorvédő kapcsolót. A motor teljesítménye 3kw és a fázisárama 6.5A az adattábla szerint. Erre mekkora értékű kioldó szerkezetet lenne érdemes tenni? Megmérni sajnos nem tudom a pontos áramokat de ezt a 4-6.3A-ig terjedő kapcsolót néztem. Egy régi esztergagép motorvédelmére lenne és az a kérés hogy a motor által leadott maximális terhelés előtt kevéssel kioldjon ezért is céloztam meg ezt a 2,2kw-tól felfelé állítható típust. Várom az ötleteket hogy ez megfelelne-e üdv. Motorvédő
Szia!
A 4-6,3A-ig állítható motorvédő ide nem lesz elég. Mivel, ahogy te is írtad a motor 3KW és 6,5A. Tehát ennyi a névleges üzemi árama. A motorvédő meg már leold 6,3A-nál. Ennél feljebb nem tudod állítani. Inkább a 6,3-10A jó ide. Miért is? Ezt be tudod állítani a motor névleges 6,5A-re (érdemes lenne persze egy lakatfogóval mérni is terhelés alatt). Továbbá motorvédőt mindíg úgy választunk, hogy lehetőleg az állítható tartomány közepe felé essen (amennyire lehet). De inkább lejjebb, mint feljebb. Ugyanis ezek termikus motorvédelmek, önmaguk is némi hőt termelnek, valamint a környezeti hőmérséklet befolyásolja a működésüket. Motorvédő 6,3-10A Amennyiben nem vezérlőszekrénybe kerül, akkor önálló tokozatba kell rakni: Tokozat TGV2-höz A fenti motorvédő főáramköri kioldású. Amennyiben más vezérléstechnikai rendszerbe kerül, akkor segédérintkező kell hozzá. Vagy más típust kell használnod.
Szia!
Idézet: Menetet nem akarsz vágni? Az irányváltásokkal nem számoltál? „A motor teljesítménye 3kw és a fázisárama 6.5A az adattábla szerint. Egy régi esztergagép motorvédelmére lenne és az a kérés hogy a motor által leadott maximális terhelés előtt kevéssel kioldjon”
Sziasztok.
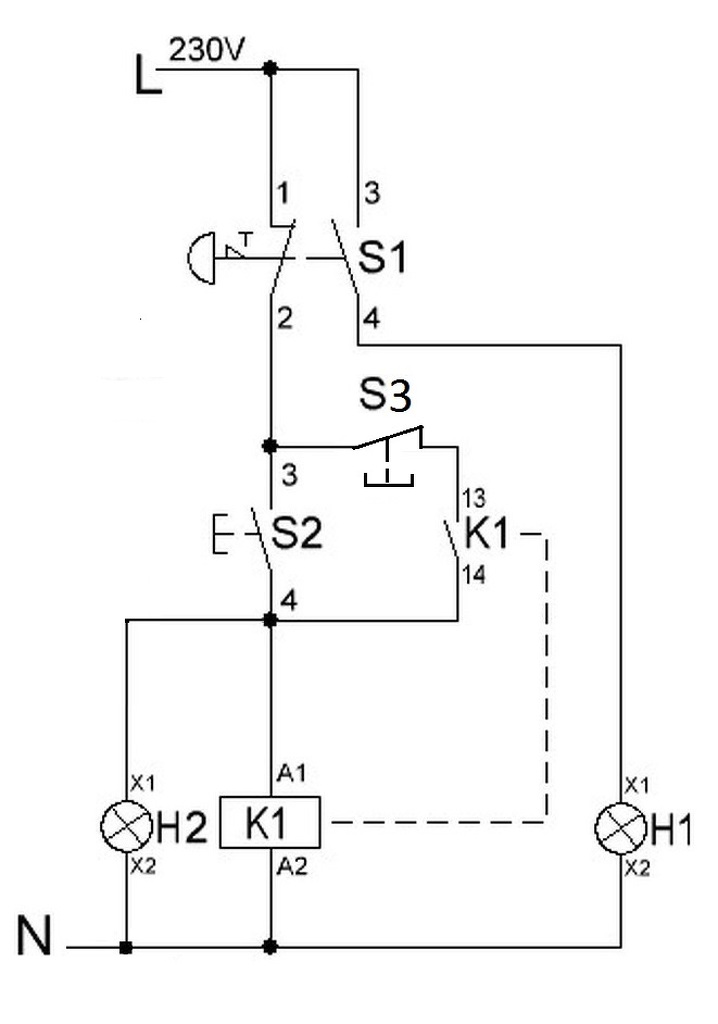
Folyamatban a műhelyasztalom kapcsolótáblájának építése. Mellékletben található a kapcsolási rajz amit követek, a Youtube linken pedig az összedrótozott deszkamodellt. Légyszi nézzétek meg, hogy helyes-e az elgondolás. Bár a deszkamodell úgy működik, ahogy szeretném S1 a vészleállító, S2 a start, S3 a stop, K1 a mágnes kapcsoló segédérintkezői. H1 a vészállapotot, H2 pedig s bekapcsolt állapotot indikálja. A hozzászólás módosítva: Dec 15, 2015
Az S3-t kösd sorba az S1, és az S2 közé. Másképpen jó az elgondolásod.
Ha jól gondolom egy műhely főkapcsoló funkciót akarsz építeni. Erre jó is, "maszek0005" hozzászólása alapján való módosítással.
Ha viszont próba dugalj vezérlése a cél, ajánlom az általam használt verziót (rajz mellékelve). S1 a ki illetve a vész gomb. A S2 is kikapcsol, de ezt benyomva öntartás nélkül addig van meghúzva a mágneskapcsoló amíg az nyomva van. Tehát ez a pillanat működés. S3 pedig öntartott állapotot csinál.
Szia!
Azért ez elég "nyögve-nyelős" kapcsolás, az általad leírt magyarázattal! Az S2-nek nagyon nem mindegy, hogy milyen nyomógombot alkalmaz! Mondhatnám úgy is, hogy ha a nyitó, és záró érintkezői közötti kontakt létrejöttének időtartama nem elég hosszú, akkor ő maga lesz a be gomb, és csak az S1-el tudja kikapcsolni. Tehát, az S3 be gombra nincs is szükség! Az általad említett funkciónak, a "kocsgab002" saját rajza ezerszer jobban megfelel ! Hiszen, ott, ha a "Ki" gombot nyomva tartja, és a "Be" gombot nyomogatja, akkor biztonságosan előáll az általad áhított üzemmód. Üdv Tibi.
Idézet: „Az S2-nek nagyon nem mindegy, hogy milyen nyomógombot alkalmaz!” Nem az S2 a ki gomb, csupán az is kikapcsolhatja az öntartást. Ki gombként az S1-t használom, (meg tiltó kapcsolónak is), tehát normál fekete gombot használok S2-nek. Ezzel a kapcsolással egy gombbal tudok pillanat működést létrehozni. A "normál zöld" be gomb az S3.
Nem tökéletes megoldás S1-ként sima nyomógomb, mert a vészgombnak reteszelhetőnek kell lenni, és több áramkör is lehet egy vészgombon, és kerülni kellene a párhuzamos be/ki kapcsolás lehetőségeket. Kocsgab002 kapcsolásában szerencsésebb lenne, ha a Be gomb a Ki gombon keresztül kapná a feszt, mert egyszerűbb a hiba keresés, ha minden kapcsolónak egyértelmű funkciója van, ha sorba kötünk két kapcsolót, (S3-K1) csak a hibajelenségből még nem tudjuk ki a bűnös Azt hiszem elég jól/egyszerűen kitalálták ezt már....
A hozzászólás módosítva: Dec 16, 2015
Jó megoldás lenne, csak az S2 3-4-es pontját nem kell bekötni.
Idézet: „Nem tökéletes megoldás S1-ként sima nyomógomb, mert a vészgombnak reteszelhetőnek kell lenni” Nem tudom miért is írod amit írsz. Ha értesz a vezérlés technikához és a rajz olvasáshoz akkor az én és "kocsgab002" rajzán is az S1 az reteszelődő vész ki gomb, szabványosan ábrázolva. A Te rajzodon viszont a vész gomb rajzjele egy közönséges ki gomb, csupán a hozzá írt szövegből derül ki, hogy az egy vész gombként funkcionáló érintkező. Ha egy a magyar nyelvet nem ismerő szakember ezt látná, nem tudná mire is van használva. Az S3 és a K1 érintkező nem sorba, hanem párhuzamosan van kötve. Szó mi szó, szinte senki sem érti, hogy milyen célra is használom ezt az ominózus kapcsolást. Műhelyemben a készülékek tesztelésére, próbájára használatos dugalj kapcsolására. Egyébként egy praktikus ötletként adtam közre a kapcsolást műhelyben való alkalmazás kapcsán. Lehet, hogy jobb lett volna a műhely felszerés topikban kellett volna ezt közzé tennem. Úgy látom mindenki csak a klasszikus, egyszerű öntartó kapcsolást tudja elképzelni, pedig a gyakorlatba a gépek világában (PLC korszak előttiekben) ennél sokkal érdekesebb kombinációkkal is találkozhatunk.
Az S2 3-4 pontja az előbbi hozzászólásomban leírtak miatt van bekötve, konkrét oka van.
|
Bejelentkezés
Hirdetés |













