Fórum témák
» Több friss téma |
Fórum » Csöves erősítő készítése
Ne feledd betartani a fórum viselkedési szabályait, és a topik megmaradásának feltételeit. [link]
A téma átmenetileg fagyasztva lett, hozzászólni nem tudsz!
Üdv Józsi
Kicsit módosítottam a rajzon , mellékélem az eredetit . A jobboldali csőrész vagy megy vagy nem , elhagytam a számológépemet " calc " .Üdv
Szervusz!
Amiket láttam és mű alatt vannak, ott a melléklet szerint van kötve. Az általad variáltról nem tudok biztosat mondani.
Egyszerű megoldás ha az egyik ellenállás kicsit nagyobb, trimmerrrel és szkóppal vagy mV mérővel beállítható és utána ki lehet cserélni egy fixre. Az áramgenerátor jobb, de ez meg egyszerűbb és javít a helyzeten.
Abban igazad van, hogy a másik csőfél földelt rácsú kapcsolás. De attól még differenciál erősítő, a közös katód ellenállás miatt. A kapcsolás erőssége a közös módusú elnyomás miatti viszonylag magas zavarérzéketlenség. A szimmetrikus diferenciál erősítő asszimetrikus vezérlését számos helyen alkalmazzák. (ld. műveleti erősítők)
CHZ is leírta párszor már: áramgenerátor torzításban hozhat jó eredményt, és a kimenetek szimmetriája is sokkal jobb lesz.
A J-fetes áramgenerátort nem használnám, nálam nem vált be, pontatlan, elmászik. LM317 pontos, viszont baromi zajos. Ha konstans áramgenerátort tervez az ember, akkor DN2540-es MOSFET, annak talán még a zaja is kedvezőbb lehet.
MPSA42 jó lehet, nálam - a 6N1P-vel - bevált. Persze, itt is alkalmaztam negatív tápfeszültséget, hogy legyen "mozgástere" az áramgenerátornak.
Szerintetek az mitől lehet, hogy ECC83 nem képes 2mA-es nyugalmi áramot produkálni?
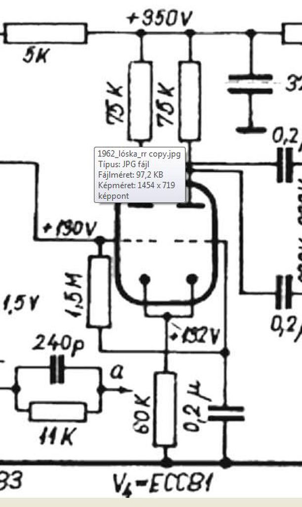
Próbáltam negatív előfesszel, a 100K-s Rg előtt -2V van utána -0,5v. Ugyanennyit mérek ha a katód 457Ohm van kapcsolva a 100K-s Rg a földre, illetve 220V van a 75K terhelés előtt a táphoz közelebbi végén. Utána 120V kb az anódon. A fokozatot pedig egy 250nF-os kondival csatolom 680K-ra. Ez lenne az EL84 bemenete. 180mV-al próbálom meghajtani, mire erősít is 12-14V-ra (p-p). Idézet: „Szerintetek az mitől lehet, hogy ECC83 nem képes 2mA-es nyugalmi áramot produkálni?” Képes, a megfelelő beállítással. Ha Vb=220V, és Ua=120V, Ia=2mA a cél, akkor a görbeseregről látható, hogy Ug=-0,25V esetén lesz ennyi az anódáram. Ehhez Rk=125 valamint Ra=50k szükségeltetik. Vagyis a 425 ohmot 120-ra, a 75k-t 47k-ra cserélve kb. előáll amit szeretnél.
Köszönöm a segítséget!
A tápfeszben nem voltam biztos, az előfeszt pedig benéztem. Kicsit módosítva a negatív előfesz 1V külön tápról, az anódon 172V van, a Vb pedig 351V, a nyugalmi áram 2,4mA. Így megvan a 60-as kalkulált erősítés (~63 0.204@12.8V, de a szkóp is tévedhet). Érdekes mennyit javult a jelalak ehhez képest: Jogis mini el84 Viszont ha Ug=-2V, akkor is 2,4mA / 172V van az anódon, mintha nem is változott volna semmi. Pedig ha nézem a görbéket, akkor 1mA-nek kéne, hogy legyen a nyugalmi áram, vagyis a Vb-nek is emelkednie kéne 250V-ra. Mit mérhetek/értelmezhetek félre? A hozzászólás módosítva: Dec 9, 2015
Sziasztok.
Adott egy Regent 60 csöves erősítő. Hozzám került felújítás miatt. Tápkondik, előfok, végfok csövek, csatorna potméterek (összes) csere, illetve minden ami égett, megnyúlt ellenállások szintén csere sm alapján. Kérdés: az első két csatornán az ECC83 bemenetén látható R101 (R111) 1M rács ellenállás helyett egy 10M ellenállást, illetve egy a bemenettel soros 47nF os kondenzátort találtam ami az 10M ellenállás előtt van. Amit tudni kell még, hogy basszusgitár hangosításra használták ezt az erősítőt. Ez utólag kerülhetett bele? Létezik, hogy ilyen "nagy értékű"rács ellenállással legyen megoldva a bemenet? A hozzászólás módosítva: Dec 9, 2015
Meg lehet oldani a bemenetet így is, a bemeneti ellenállás 10MOhm lesz. Ettől még működnie kell, de nem mindegyik cső működik kifogástalanul. Mivel a rajzon 1MOhm ellenállás van kondenzátor nélkül, biztosan utólag került bele. A helyedben visszaalakítanám eredetire.
Ez fogom tenni. Amúgy is arra kértek, hogy javítsam meg. Az EL34 eknek 45mA elég nyugalminak?
Köszönöm a segítséget. A hozzászólás módosítva: Dec 9, 2015
Ha a rajzon a feszültségek jók, akkor elég az áram.
Egy kicsit kezdem elveszíteni a fonalat, könnyebb lenne ha lerajzolnád mit építettél, és beírnád a feszültségeket is.
Jelalakok nem ennyire rosszak, ha az anódon mérted. Szerintem szkóp kábeled nem megfelelő, kapacitása beterhelt és ezért torzult el. Használj mérőfejes kábelt 1:10 osztóval.
A Vg ha nem -1V, hanem -2V, akkor is 180V körüli a Va, Vb = 350V, Rg' = 680k, Rg=100k, C=250nF, Rl=75K. Tehát görbe alapján -2V-nál már kisebb nyugalmi áramnak kéne lennie, aminek következtében a 75K-n is kissebb feszültség kellene, hogy essen, ergo Va-nak pedig növekednie kellene 260V körüli értékre, vagy valamit nem vettem figyelembe. A 204mV @ 12,8V szinusz jelnél van ezt elfelejtettem írni.
A mérőkábel itt a fórumon árult 3 ezer forintos 1:10-es osztású, illetve egy másik amit most kaptam a szkóphoz használtan, de hasonló 1:10-es. A hozzászólás módosítva: Dec 9, 2015
Attól függetlenül, hogy nem követtem teljesen végig. Nem lehet, még ha az esélye kicsi is, hogy a cső esetleg gázos? Több ECC83-ast is kipróbáltál?
A rajznál mivel nincs csatoló kondi, letekert poti vagy mérésnél rövidzár esetében söntölöd ám a rácslevezető ellenállást. Itt a rajzot ugye csak statikus méréshez használod? Az oké, hogy nem teszel katódellenállást, de akkor kellene egy soros ellenállás is a jelforrás felől vagy egy kondi.
Az általad megadott értékekkel közelítőleg 2 és 1,3 mA anódáramot kellene mérni (Vg -1 és -2V).
Ha nem így van, és Vg=-2V esetén is 2mA-t mérsz, akkor: - Vb nagyobb mint a megadott (kilőve, mert akkor az Ua is elszállna) - az Rl anódellenállás értéke változik - rossz a cső - rossz a mérés - nem azt rajzoltad le amit megépítettél
2 csövet próbáltam, nem levegősek. Azt, hogy gázos, honnan látom? A negatív előfeszt visszacseréltem katódellenállásra, most jó. Mármint 470Ohm és 510Ohm Rk-nál is más az Ua, illetve -Ug, bár tudom ez nem nagy változás.
A mérés nem tudom rossz-e, mivel az Rl előtt van még egy ellenállás (Rx) a táp felé, hogy a felesleges feszültséget/áramot eldisszipálja. Ia0 =(Ub-URl)/Rx. Illetve megmérem a katódellenállás és föld között is a negatív előfeszültséget. A jelgenerátorról a jelet ez után adom rá és nézem az erősítést szkópon. A szkópos mérések az előző egyik hozzászólásomban az Rg'-n, vagyis a csatoló kondi utáni ponton készültek. Most megnézem az EL84 mit tud különböző UL-nél, illetve mit szeret jobban: ECC83, ECC88, EF86, EF95. Legutóbbi jelalakja és frekvenciamenete nagyon biztató. Az EF95-el egyébként van valakinek tapasztalata?
A gázos cső "túlvilági" lila fényeket, derengést produkálhat, de ez nem egy túl tudományos megközelítés.
Egy ideig még működhet, de aztán végleg feladja a harcot. Ui: Nem jelalakokat fogsz hallgatni hanem LGT-t.. most csak mondtam valamit, de gondolom érted azt hogy meg kell hallgatni! A hozzászólás módosítva: Dec 15, 2015
Gázos/rácsáramos cső kiszűrése: sorba kötsz egy 100K ellenállást a ráccsal. CSAK FIX ELŐFESSZEL!! Katódellenállással nem jó! Ha rövidre zárod, és érezhetően változik az anódáram, a cső rácsáramos.
Lila fényeket általában a végcsövek, különösen a sugártetródák produkálnak, és nem sok összefüggés van a cső állapotával.
Én tudom, mire gondolsz, de az a lila fény nem az, amit a tetródák produkálnak.
Sziasztok! Úgy döntöttem, megépítem otthonra életem első csöves erősítőjét, a sok pwm discozás után. Jó nekem igazából a pwm félhíd is otthonra, de egyik haverom felajánlotta, hogy van egy zsák mindenféle csöve, és hozzávaló kutykuruttyok, minden, ami kéne. Költeni éppen ezért nem szeretnék rá túl sokat. Egy dolog hibádzik, a kimenőtrafó. A kérdésem is ide kapcsolódna, mert nem szeretnék venni 20e-ért két trafót, inkább gubiznék valamit, amire lehet tekerni, ha egyáltalán lehetséges, kicsit kételkedek egy vasdarabra tekert szedett-vedett drótkupac lineáris (vagy legalább elfogadható) frekiátvitelében.
Olyat már láttam, hogy hipersilre tekernek kimenőt, vagy sima EI magra, de lehetne pl toroidra is? Ezeknek a magoknak más az anyaguk, mint a hálózati trafóké?
Szia!
Sok sikert a tervedhez. A toroidok anyaga, hőkezelése - itthoni - ugyanaz, mint, amit hálózatira gyártanak, csak valamivel vékonyabb lemezből tekerik, mint a hálózatit. Nem tudsz ilyet venni, mert cégeknek csinálják, így ez nem is érdekes. Mindenképpen lesz egy valamilyen csöves erősítőd és elmondhatod, csináltál... Nem fogsz elájulni tőle, ahhoz, hogy igazán jó is legyen, ahhoz jól zsebbe kell(ene) nyúlni, ez egy ilyen sport. Aztán később kiderül, mennyire tartod érdemesnek elmélyülni a csövezésbe. Idézet: „Költeni éppen ezért nem szeretnék rá túl sokat. ” Ebben az esetben viszont csak erősítőd lesz és hiába fognak világítani benne esetleg a csövek nem lesz csöves ! A hozzászólás módosítva: Dec 16, 2015
Igazság szerint, én PA-s vagyok, szóval nem szeretnék túlzottan elmélyülni benne túlságosan, csak már ha így adódott a lehetőség, szeretnék otthonra egy kis világító csövekkel teli dobozkát, 19"-os rack helyett
Szeretném szépen megcsinálni, kis dísze lehet a lakásnak, egy szép csöves végfok.Néztem itt, ott, ha tekercseltetni szeretnék, kb 20as darabja. Kicsit mintha homály fedné ezt a kimenőtrafó dolgot, számomra legalábbis, mintha valami misztikus dolog volna Bemegy a zene, kimegy a zene, frekvenciák így, meg úgy. Szóval, ha jól értelmezem a válaszod, fogok egy bármilyen magot, feltekerem rá a menetszámokat, és bízok a legjobbakban, ha nem akarok zsebbe nyúlni
Amennyiben disznek kell akkor bármi
megfelel kimenőnek ha viszont hallgatni is szeretnéd akkor jó vasak kellenek , akár toroid is megteszi , .. 20-ért kettőt lehet beszerezni simán , nem tudni mekkora teljesítményt szeretnél ?
Egyedül amire költenem kéne, az a kimenő, de szeretném azt is megoldani valahogy. A többi volna haveromtól, náluk családi hagyomány a csövezés, majd megkérdezem milyen csövet ajánlana nekem, múltkor magyarázta, csöves előfok, csöves végfok, csöves egyenirányítás. 2x15W bőven elég volna nekem. Nem akarom persze azt se, hogy elsóherkodom, és van egy jó erősítőm, de elrontja a kimenő. Néztem 100 wattos toroidokat, 230/12 hálózati, ha ezt lepucolnám, szerinted lehetne rájuk tekerni? Van egy hipersilem is, kb 80 wattos, elég kicsi, haverom szerint nem vinné át a mélyet rendesen.
A hozzászólás módosítva: Dec 16, 2015
A 2x15WATT hoz bőven elég a 80W-os hipersyl . el hieheted viszi az a mélyet rendesen !
Amennyiben van alapanyagod a kimenő trafókhoz drót , vas meg szigetelő anyagom meg miegymás ja és ha van a tekercseléshez affinitásod és türelmed meg némi jártasságod abban az esetbe te magad is megtudod tekercselni Idézet: „náluk családi hagyomány a csövezés,” Hu akkor menni fog szépen ! A hozzászólás módosítva: Dec 16, 2015
|
Bejelentkezés
Hirdetés |


.








Egy ideig még működhet, de aztán végleg feladja a harcot. Ui: Nem jelalakokat fogsz hallgatni hanem LGT-t.. most csak mondtam valamit, de gondolom érted azt hogy meg kell hallgatni!





