Fórum témák
» Több friss téma |
Fórum » ICL7106/ICL7107
Bekötöttem az ICL7107-es IC-t az ajánlott kapcsolás szerint. Azt tapasztalom, hogy a kijelzett érték állandóan változik kb. 100 egységgel. Nonstop ugrál. Ha az IN HI-t és az IN LO-t zárlatozom stabil nullát mutat, tehát az IC jól mér. Minden létező konfigurációt már kipróbáltam, de semmi sem segített. Oszcillátor letesztelve: működik. Tápfesz stabil. Ha valakinek volna tapasztalata pls. segíthetne, mert már az őrületbe kerget ez a jelenség.
7107tel én is sokat szívtam, de ez a kapcsolás végül működött.
A Uref hi és Uref lo között kb. 0.96V-ra (?) kell állítani a feszültséget. A ledek +5Vját és a rajzon szereplő +5Vot célszerű nem ugyanarról a stabilizátorról rávezetni. A 7107nek -5V is kell, ez utóbbit nem muszáj stabilizálni, de én szoktam.
A ref poti közepére tegyél hidegítő kondit (100pF~1nF)A ref. feszt hidegítsd...(magyarán)
A bemenettel párhuzamos tagok benne vannak?
Nekem kb. 67mV ott a fesz, mivel kis fesz. meresere hasznalom. Amugy miert nem celszeru, ugyanazt a feszt hasznalni a ledekre, meg a taplalasnak? Amugy a kapcsolas hasonlo!
Ha a kondira meg az ellenallasra gondolsz, akkor igen.
Bocs, de ezt nem ertem. A ref poti 2 szelere? Mire jo ez?
Arra, hogy nem kell (!) földre kötni az alját, mert a common bemeneten keresztül földre húzódik, így a poti adja az osztó alsó tagját.
Azért, mert amikor az aktív ledek száma változik, akkor a felvett áram is (pl. amikor 109ről 110re ugrik). Ez - akármilyen jó is a stabilizátor - megrángathatja a referencia értékét (ha csak pár mVvel is), amitől megint megváltozik a mutatott érték, amitől megint megváltozik a referencia stb. Ez is okozhatja, hogy a kijelzett érték összevissza váltakozik.
De nekem a common ossze van kotve a folddel, ugyhogy ez targytalan.
Nem is hulyeseg! Ezt ki kell probalnom, de sajnos, majd csak a hetvegen!
Nemhiszem, mert probaltam szetkapcsolva is.
Érdemes. Ha már úgyis annyi változatot kipróbáltál...
Sok sikert hozzá!
Kiprobaltam, igy sem megy. Viszont en arra tippelek, hogy az ingadozashoz eleg 100mikroV, ami indukalodhat a kabelben. Lehetseges?
Nem kizárt, bár inkább arra tippelnék, hogy a földelésekkel van gond.
Mekkora lenne a maximális kitéréshez tartozó feszültség? 200mV?
Azt hiszem igen, de lehet, hogy csak 100mV. Pontosan nem tudom. A földelések tuti jók, átmértem.:nemtudom:
Végső kijelzett érték alapban 199,9mV. A kábelen felszedhet idegenfeszültséget, ha csak úgy lóg. Kösd be oda, ahol mérni fox, és úgy próbáld ki.Sztem nincs Nálad semmi baj.
Sziasztok. Szerintem a bemeneten összeszed az áramköröd egy kis idegenfeszültséget, és ez zavarja meg.Próbálj meg egy 1 megás ellenállást párhuzamosan kötni a bemeneti pontok közé (+/-) nekem ez segített.Persze ez csak akkor jó ha nem jelent túl nagy terhelést az1 mega a mérendő áramkör számára.
Hello!
Lenne nekem is egy kérdésem, nagyon megköszönném ,ha vki tudna tanácsot adni. Lehet, hogy nem jo témakörben kérdem, de egy ICL7107-es kapcsolásról lenne szó. http://elektrohobby.atw.hu/digihomero.htm Azt a tanácsot kaptam, hogy a rajzba helyettesítsek be egy ICL7107-es IC-t, és menni fog LED kijelzővel. A probléma, hogy össze vissza ugrálnak az értékek, sőt olykor olykor eltűnik a kijelzőről minden, utána meg visszajön, ha megérintem az érzékelőt. A -5V szükséges ?, mert én csak +5V és GND ről próbáltam. (Az egész egy tesztpanelen van elkészítve, a huzalozás befolyásolja-e?). Mit lehetne tenni, hogy ne ugráljanak az értékek? Köszönöm.
a -5V kell!
De ha megnézed, tök egyszerű előéllítani neki... Egy egyszerű cmos inverterekkel. http://pitts-electronics-home.de/electron/schpla.htm
És az adatlap szerint 21-es láb GND-re kötve.
Régebben én is szivtam ilyen problémával. sajnos nem mindegy hogy a nyák hogy van megtervezve mert a foliacsikok őszeszedik a zajt és ezért ugrál a kijelzés.
Hello Elkészítettem az ICL7107es ICvel a hőmérőt, és a gondom, hogy nem jelenik meg semmi s kijelzőn, csak ha megérintek vmi lábat az IC-n. Mi lehet a gond? Árnyékolás?
sztem nem.
Alapjáraton vminek azért kéne lenni...(0 vagy -1)
Szia!
Régen én is csináltam egy ilyet, ugyanezzel a hibával Nekem a megoldás sok kapcsolási variáció után az lett, hogy találtam valahol egy leirást, ahol megmagyarázták a különféle külső alkatrészek (R,C elemek) értékének változását és ideális kiszámolhatóságát. Amit alapból adnak kapcs. rajz csak egy általános bekötés. Hidegíthetsz bármit, ugrálni fog De pédául a ref C és egyéb ellenállások értéke is nagyon meghatározó (még az RC osc is). Tudom, hogy konkrét rajz kellene, majd megpróbálom megkeresni.
sziasztok
A voltémrővel kapcsolatban írók én megépitetem az itt felelhető kapcsolást a rajzban van egy kis hiba a 30-32-35-ös lábat ösze kell kötni és igy csatlakozik az R3-mas ellenálás végére igy nem fog ugrálni a kijelző. Remélem tudtam segiteni berakok egy rajzot is ott jól látni. Üdv:Joco
Hali
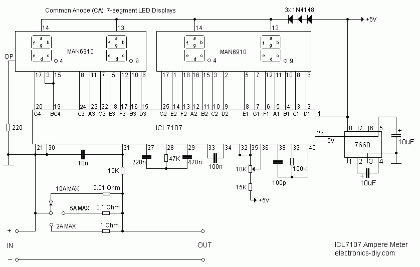
Én ezt az amper méröt szeretném megépiteni.Az lenne a kérdés csinálta e már valaki ezt meg és hogy van e 1 oldalas nyomtatott áramköri rajza? köszi
Sziasztok !
Egy kis segítség kéne megcsináltam a voltmérőt 7107-es el és tök jó let de van egy kis gondom a kijelzőmön túl gyenge a fény hogy lehet nagyobb fényerőt rá varázsolni ha erre választ kapnák azt megköszöném. Üdv:Joco |
Bejelentkezés
Hirdetés |





Nekem a megoldás sok kapcsolási variáció után az lett, hogy találtam valahol egy leirást, ahol megmagyarázták a különféle külső alkatrészek (R,C elemek) értékének változását és ideális kiszámolhatóságát. Amit alapból adnak kapcs. rajz csak egy általános bekötés. Hidegíthetsz bármit, ugrálni fog
De pédául a ref C és egyéb ellenállások értéke is nagyon meghatározó (még az RC osc is). Tudom, hogy konkrét rajz kellene, majd megpróbálom megkeresni. 






