Fórum témák
» Több friss téma |
Fórum » Hangváltók (készítése)
A mértékegységeket a mérőszámtól szóköz választja el. A személynevekből képzett mértékegységek (Volt, Ohm, Amper, stb.) nagybetűvel írandók!
Ha nincs szimmetrikus tápom, akkor a virtuális föld kialakításán kívül milyen megoldással lehetne aktív hangváltót csinálni?
Akár diszkrét alkatrészes, akár műveleti erősítős, nem lehet gond a szimmetrikus táp hiánya Bővebben: Link
Jogos. Nem tudom miért nem gondoltam erre.
Köszi.
Megvettem a hangváltóba a kondenzátorokat és ellenállásokat.. Wima MKS kondikat kaptam. A nagyobbak 100 V-osak a kisebbek 63V-ig bírják. Elég lehet ez bele?? A hangszórók elméletben 95 W-osak, de én egy videoton RA 6363S-el hajtom. Tekercseket pedig nem kaptam sehol sem holnap tekeri meg nekem egyik ismerősöm. MKS kondenzátor is jó lesz bele tuti? Mert a leírásában a hangváltónak külön le van írva hogy csak MKP a jó, de ilyet sem kaptam.. Mi a különbség a kettő között??
Jó lesz, a 6363-nak nincs akkora kimenőfeszültsége, hogy bántaná a kondikat.
Rendben! Wima MKS kondik jók lesznek az MKP helyett?? Van számottevő különbség??
Van különbség, de itt nincs nagy jelentősége.
Ma megalkottam a hangváltókat, de valami nem jó. Közép az szól de a magas nem akar megszólalni az istenért sem. Mi lehet a gond?? A tekercseket unokatestvérem tekerte aki műszerész beállítottságú azt is tanulja mérni nem tudta, de aztmondta kiszámolta és jónak kell lennie. Sajnos Székesfehérváron egy boltban sem tudtak adni. Mi lehet a baj??
Jó a hangszóró? Fehérváron a H2000-nél adnak minden szükséges alkatrészt.
Megvolt a baj. Szakadt volt a magshangszóró. Raktam is bele egy másik jót és működik is. Kipróbáltam a magashangszórót a párhuzamba rárakott tekercs nélkül is és mikor ráraktam sokkal szolidabban szól. Gondolom ez a dolga. Egyábként a tekercsek ránézésre jók lehetnek?? Valamint a mély hangszórónak nemlesz baja a tekercse nélkül?? Mert ügye így rákerülnek a magas hangok is.
Na készen lett mind a 2 hanfalban a hangváltó. Nemtudom eldönteni jobb-e vagy rosszabb. Annyit észrevettem hogy szolidabban szolnak, így nagyobb hangerőnél sem rezonálnak be a közepek mint eddig. Már csak azt nem tudom visszarakjam e a mély tekercseit vagy felesleges. Mert ügye ez egy radioteknika hangfal orion közepekkel és magassal. Gondolom az a tekercs az eredeti a mélyhez.
Nem fal rendszerű a hangsugárzód! Sárga mezőben fent, a definíció leírva! A hozzászólás módosítva: Dec 10, 2015
Szia!
Az én hangdobozomban a váltó úgy van megoldva, hogy a magasnak van egy kb 3cm X 1,5-2 cm 1 µF unipoláris kondi. A középnek meg egy kb 4cm X 2 cm-es 5µF-os unipoláris kondi. Ja és ez gyári, és szebben szól, mint egy több tekercsből, kondenzátorból és ellenállásból álló szintén gyári hangváltó. Márkát direkt nem írtam, nem akarok belőle vitát senkivel.
Ki mit tud arról, hogy Bass reflex hangsugárzókban, ha az elemet polaritás helyesen ráteszem a hangsugárzó bemenetére valóban a benne lévő mély hangszórónak nem kifele, ha nem befele kell elmozdulnia?? Mert azt hittem egész idáig fordítva van bekötve, és apukám mondta mivel bass reflex hangszórók ezért befele kell elmozdulnia legalább is ő így tudja, meg így is használta mindig. Hangsugárzók: Radioteknika S90F (csak a mélyek eredetiek a többi orion.) Valamint még egy valami a régi Din hangszóró csatlakozónak a lapos érintkezője a negatív ügye?
Szia !
Én úgy tudom, hogy kifelé kellene neki mozognia polaritás helyesen, és igen a lapos érintkező a negatív vagyis a (GND) a kör kereszt metszetű kb 1mm vastag meg a pozitiv.
Sziasztok!
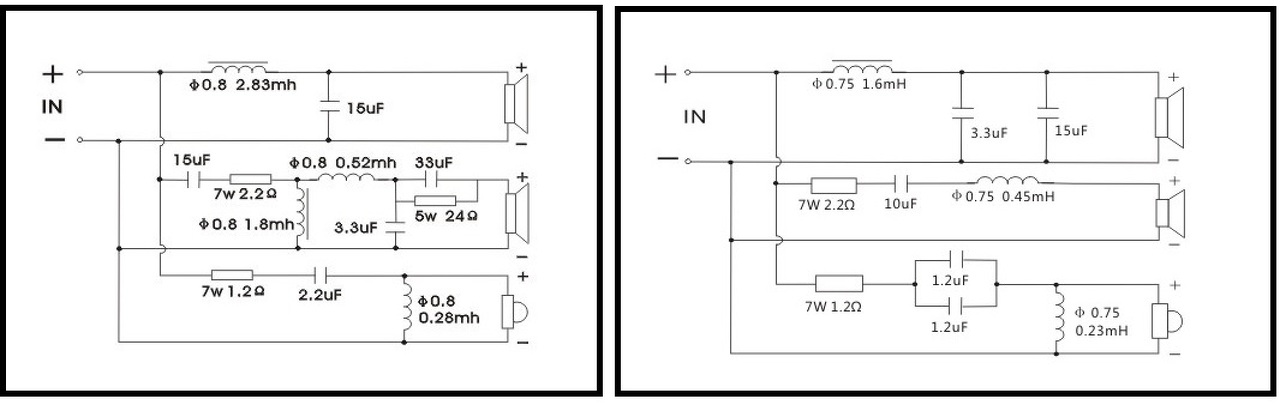
Nagyon amatőr vagyok a témában, meg nyilván hülye kérdés is, mert a dolog gondolom nem ennyire egyszerű, mert ki kellene próbálni... Mégis hozzáértők szerint a képen látható bekötések közül melyik hangváltó lehetne jobb egy 3 utas rendszerbe? Egy "nagyon gagyi" sugárzópárt szeretnék megpróbálni javítani kicsit (Jamo studio 170) ha sikerül.Elvileg a baloldaliban a közép egy kicsit meredekebben vág.? Köszi előre is és sorry a buta kérdésért!
...előző hozzászóláshoz még egy kép a frekikről. Sorrend ugyanaz (bal-jobb)
Miért szeretnéd ezeket? Teljesen fölösleges, nem próbálni kell, hanem mérni.
ebay-es cucc.
Sok pénzt nem tudok rászánni, gondoltam veszek egy pár ilyet és kipróbálom, mert elültették bennem a bogarat, hogy lehet ezekből jobb hangot is kihozni. Aki profi nekem drágám csinálná és szkeptikus vagyok, hogy tényleg jobb lesz-e, de egy 10-est rászánnék a dologra és ez annyiba kerül. Mérni nekem *ingom sincs mit hol kell, nem vagyok műszerész, csak kíváncsi. ....meg tudok forrasztani. ![]() De ha tudtok segíteni állok elébe a kihívásoknak.
Remek. Ez hülyeség így. Ettől jobb nem lesz, csak más.
15-ből a profi megcsinálja korrekten. Legalábbis én biztosan. Általában a hangszórók összes létező paraméterét kell mérni külön-külön, majd, ha ez megvan, nagyjából tervezhető, építhető a váltó.
Sziasztok! A segítségeteket szeretném kérni. Még eléggé kezdő vagyok ebben a témában (sajnos egy csomó dologban még tudatlan), de barkácsolni szeretek. Van 2 db hangszóróm: egyik egy 20 cm-es 80 W-os 8 Ohmos mély, a másik egy 13 cm-es 40 W-os szintén 8 Ohmos közép, A képeken látszik is. Az egyik kérdésem az lenne, hogy milyen dobozt lenne célszerű csinálnom, hogy jó minőségű hangzás legyen a végeredmény? A másik kérdés, hogy ezeket milyen kapcsolással tudnám összekötni? Mint mondtam eléggé amatőr vagyok még ebben, ezért nem bánom ha a válasz "szájbarágós"
, rajzokat (lehet akár paint-es is) örömmel elfogadok, mind a ládával, mind a hangszórók összekötésével kapcsolatban. A válaszokat előre is köszönöm és elnézést, ha hülyeségeket kérdeztem!
Sziasztok!
Építek egy 2 utas hangváltót gyári kapcsolás szerint és azt szeretném kérdezni, hogy az nagy baj ha a kondi értéke +/-ban eltér 1 vagy 2µF-ot az eredetitől? Ha a tekercs értéke is és a kondenzátor egy picikét másabb a megadottaktól ez még belefér? eredeti: L= 1000uH C= 10uF épített: L= 980uH C= 8.2uF Köszönöm, Üdv: Dávid Boldog Új Évet mindenkinek!
Szia! Nyugodtan megépítheted,baj nem lesz de feljebb kerül a keresztezési frekvencia.
Forrasz a kondival párhuzamosan 1-2 mikrós megfelelő tipusú kondit.(ezt akár üzem közben is meg lehet tenni és akkor talán lehetne hallani a különbséget is.)
Sziasztok!
Köszi a választ! Ezek szerint a kondenzátor értékének csekély változása +/-ban már jobban eltéríti a keresztezési frekvenciát az eredetitől, mint a tekercsé. Példa: Korábban építettem egy Visaton Alto 1 hangváltóját és megmértem a tekercset, kíváncsi voltam a megadott 1000uH meg van-e. Meglepő módon kb.: 100-120uH-vel kevesebb volt rajta, mint ami a kapcsolási rajzon szerepel. Ez hogyan lehetséges? Köszönöm a hozzáértő válaszokat, Üdvözlettel: Dávid
Ennyire nem kellene "túlreagálni" a dolgot (szerintem).
A tekercsek tűrése 20% körüli.
Így.Egyébként valóban pár % eltérés is számít már, viszont nem a keresztezési frekvencián van a hangsúly, inkább az átvitel karakterisztikáján, de ezzel csak akkor érdemes foglalkozni, ha ellenőrizni is tudod az eredményt, pontos mérésekkel (akusztikai és elektromos), és ha a felhasznált hangszórók is olyan színvonalúak, hogy megérik a sok munkát, hiszen azoknak is vannak gyártási eltéréseik bőven.
Ritka a pontos értékű tekercs, általában 10-20% eltérés van az effektív értéktől.
|
Bejelentkezés
Hirdetés |







sugárzópárt szeretnék megpróbálni javítani kicsit (Jamo studio 170) ha sikerül.

, rajzokat (lehet akár paint-es is) örömmel elfogadok, mind a ládával, mind a hangszórók összekötésével kapcsolatban. A válaszokat előre is köszönöm és elnézést, ha hülyeségeket kérdeztem! 

