Fórum témák
» Több friss téma |
Jó igazad van.Ha 0tól kell szabályozni akkor tényleg kell negativ fesz.
Ui: Szerintem ez a topik is, feleslegesen lett megnyitva.
Hali! Van egy trükk, amivel lehet egy"plusz" negativ feszt előállítani, külön tekercs nélkül. Az ábra alján látható diódás-kondis kombináció az IC 7-es lábára a fő tápnál negatívabb feszültséget juttat!!
sziasztok!
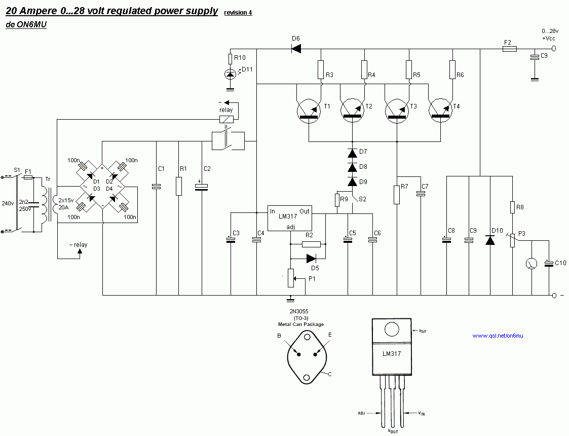
megépitettem egy kapcsolást egy lm317 -ic ből összeraktam, minden frankon üzemelt.. megterheltem egy kis motorral, és felment a fesz 35 voltra(24ről) és azota nem lehet szabályozni.. már kicseréltem rajta minden, szoszerint minden alkatrészt, csak a nyákot nem, és még mindiog ugyanaz a hiba.. másik ic-vel is.... azonnal... nemtudom mi lehet.. marhára elkeseredtem, hogy ennyire kifog rajtam.. néztem már mindent, zárlat sehol semmi... a forrasztógyanta lehet baj? mert már csak arra tudok következtetni.. esetleg valakinél volt már ugyanez a helyzet? mi lehet a hiba?
1. Sípold ki az IC lábai között, hogy nincs-e zárlat.
2. Mennyi volt a kimeneten a terhelés? Ha sok (több, mint 500mA), akkor az okozhatta az IC halálát. 3. A forr. gyantát mindig érdemes eltávolítani (denszesz), de e miatt nem hiszem, hogy itt gond lenne. 4. Ennél lehet, hogy nagyobb hűtőborda fog kelleni, mert ha "letekered" a fesz-t, akkor sokat kell az IC-nek elfűteni, ezt nem biztos, hogy fogja bírni ekkora hűtőfelülettel, főleg, ha nagy a kivett teljesítmény. 5. Az IC-t is cserélted? 6. (Ez nem szorosan ide tartozik, de legközelebb kicsit kisebb képeket csatolj be...)
Hello!
Van egy olyan, hogy ha egy szabályzó földkivezetését terhelés alatt megszakítod, akkor tönkremegy. Ha a poti kontakthibás, akkor esetleg történhet ilyen. A másik, hogy a motor mint induktív fogyasztó tehette tönkre. Építs be védődiódákat, a ki és bemenet közé, és a kimenet és a föld közé. Legközelebb először inkább ohmos terheléssel próbáld. Nekem ilyenem van diódákkal, nyúzom, ahogy tudom, de bírta eddig...Mekkora a bemenő fesz??? Az IC védett a túláram és a túlmelegedés ellen. Elvileg
a bementő feszem 24 volt.. az ic-t is cseréltem. nemtudom.. ez volt az 1. ilyen munkám.. nemigazán jött össze ugylátszik
pedig az elején egész franko volt. no az IC be ill ki -menetén sipol, azaz zárlat van... attol félek, ha rakok bele mégegy ic-t akkor azt is tönkrevágja.
1,5 ampert tud az ic... 1,5 amperos tápot raktam neki 24 voltosat..ezért nem értem hogy milehet...
se füst se hang...ráraktam, és felment a fesz..
jah, és tegnap vettem meg a cuccokat hozzá... nemhiszem hogy a boltbol kontasktos potit vettem volna..báár énmár semmiben nem bizok...
Ez valóban kevésbé valószínű...annál is inkább, hogy ott van a kb 240 ohm az adj. meg a kimenet között. Túlfeszre gyanakszom... A hűtőborda nem ér össze valamivel????
semmivel... mindent távol raktam tőle.. pont ezért.
egyenirányitással lehet baj? egy 4 amperos graetz-et használok..
Sziasztok!
Szerintem a legegyszerűbb védelem az ellen, hogy túl nagy áramot vegyetek ki a tápegységből az olvadó biztosíték. Egyet betesztek sorban a pozitív ágba, és nem érhet onnantól meglepi. Akkor 100%-ig biztosak lehettek benne, hogy nem volt nagyobb áramfelvétel a kelleténél. Ezen kívül én is javaslom a védő dióda beépítését, hasznos tud lenni. Egy másik LM 317 jó IC csak úgy nem megy tönkre, emberi tényezőre vezthető vissza leginkább a tönkremenetelen, vagy csak arra. Olyannal még én sem találkoztam soha, hogy megveszem és gyárilag rossz, sőt potival sem találkoztam még ilyennel. LM 317-tel szabályoztam hűtőventillátort és évekig tökéletesen működött míg le nem bontottam. Tápegységet is készítettem már lm 317-337 párossal semi gond nem volt velük. Zoli
én végig nem alkatrészhibára gyanakodtam, hanem az én ügyetlenségemre
ahogy nézem az adatlapján az ic-nek 40 voltig terhelhető.. közélében sincs a 24 voltos feszültségem. a másik, hogy 1,5 ampert kapcsolgat, 1,5 amperes táppal hajtom, de az a kb egy ventilátor méretű motor nemhiszem hogy elküldte örök nyugalomra.... nemtudom mi lehet a probléma... és az a furcsa, hogy miután kicseréltem a diodákat, kondikat, Ic-t,- utána is ez volt a hibám, és még egy lm317-et kivégzett... még van egy darabom.. nem szeretném belerakni nehogy véletlen őt is kinyirja. nem tudom mi tévő legyek..
Szia!
Ha To-220-as tokozásod van, akkor 3-as láb (ugye a hűthető felület az asztal felé néz, vagy hátra felé, szóval így nézve) bemenet, 1-es láb megy a potira és a 240 ohmos ellenállásra, és 2-es láb meg a kimenet. előtte utánn pufefr kondi, ez a felhasználástól függ mekkora, nekem pl egy lemezjátszó kkorrektorba IC előtt 4700µF + 33nF IC után pedig 1000µF + 33nF. Az IC pozitív feszültséget szabályoz, tehát az egyenirányítás után a pozitív feszt kell az IC 3-as lábára kötni, s majd a 2-es lábán fog kijönni a szabályzott, stabilizált feszültség. Esetleg rakhatsz a két váltó fesz közé is egy 10nF-os kondit de nem muszály. Ha így építed meg akkor pöcc-röff működnie kell. Ja és a test meg ugye az ami egyből kijön a dióda híd minusz ágán. Ehhez kell kötnöd midnent ami a rajz szerint test. Szóval 1-es, 2-es láb összekötve egy 240ohmos ellenállással, 1-es láb egy szabályozható ellenállással (potival aminek az egyik szélső lába össze van kötve a középsővel) a testen van. IC 1-es lába egy (én példámnál maradva) 4700µF +33nF kondival a testen van. IC 2-es lába 1000µF + 33nF kondival a testen van. Így ez megy. Zoli
nos mégvalami.. az IC lábkiosztása.. amikor először megépitettem minden jol működött.. de ahogy nézem egyik helyen adj out in a másik helyen meg forditva...
egyszer igy irják egyszer ugy..lehet az lenne a baj, hogy russzul raktam be? de ha először ment, akkor jo lesz ugy?.. akkor most ha az IC a fekete oldalával velém néz, jobbrol ballra hogy jönnek sorba a lábak? csak a biztonság kedvéért. To 220lehet megprobálomegy kisebb trafoval.. nos ezt a kérdést már máskor is felvetettem.. ez az IC 40 voltig birja...nos.. amikor egyenirányitok az egyen fesz 24 volt. és! a váltakozo fesz a duplája lesz az egyenirányitás után egyenáram mellett... lehet ez lenne a baj?? de akárhányszor probáltam(trafo+graetz) mindig ilyen volt.. vélemény? azért probárateszem az utolso IC-met uj trafoval, meg uj cuccokkal megint...
A kimeneti védő dióda nincs fordítva beforrasztva? Milyen típusú diódát raktál oda?
Én vasárnap nyírtam ki kettő lm 317-est. Pontosan így. Frankón működött, szabályozott egész addíg amig egy autóba való ventillátort rá nem kötöttem.... de az a poén, hogy működött is szépen azzal is egész addíg amig véletlenűl menet közben bele nem nyúltam a ventibe. Nos abban a pillanatban már fel is ugyrott 37 voltra a feszkó.... kicseréltem a 317 est, de utána a másik már el is szállt amikor ismét rákapcsoltam a ventit. Most áll a project mert nincs időm venni másik ic-t én sem értem mi történhetett bár nekem nincs beiktatva védődióda lehet,hogy az volt a gond.
Apropó meg lehet fejelni a 317 es ic-t mondjuk egy 2n3055 ös tranyóval (ilyenem van itthon)?
Szia!
Googleba beírod, hogy lm317+2n3055 kidob egy csomó kapcsolást. Íme egy és itt a linke is:Bővebben: Link Zoli
Vegyél LM350 et az LM317 helyett. A bekötése ugyanaz viszont nem 1,5 hanem 3 A t tud jó hűtéssel. Ja, és én azért mérnék áramot annál a ventillátornál, a járművekben lévő "nagyfogyasztók" nem a kis áramfelvételükről híresek. Könnyen felhúzgálnak 10 - 20 A nagyságrendű áramokat is esetenként. Ventillátornál, vagy bármely motorikus fogyasztónál, (sőt még izzónál is...) illik figyelembe venni az indulási áramot ami rövidebb időre ugyan, de akár a 10X ese is lehet az üzemi áramnak! Az LM317 egyébként túláram és rövidzár védett, valószínűleg nem volt benne elég gyors a védelem. Ez azt jelzi szerintem hogy valami hatalmas árammal küldhetted meg. Javaslom az adatlap átolvasását. (Adatlap --> absolute maximum ratings (!) )
Sziasztok!
Szerintem lehet egy újonnan vásárolt alkatrész működésképtelen. Pl.: Ezek a Piher gyártmányú műanyagpotik nem szeretik, ha sokáig forrasztják őket. Jártam már vele úgy, hogy beépítés után recsegett. Esetleg még az is lehet problémás. Üdv!
Biztos ugyanaz a lábkiosztás (igen)? Biztosan jol kötötted be? Nem egy kapcsolásban használtam ilyen IC-t, most is lapul valamelyik rekeszben vagy 10-15 db. Eddig egyikkel sem volt bajom, nekem nagyon furcsának tűnik h. ennyre nem megy.
Szia!
Ha valaki túlfűti egy poti lábát és az megolvad vagy bármilyen sérülést szenved látható vagy nem látható helyen, akkor azt nem gyári hibásnak szokás nevezni, hanem hogy felhasználó által tönkre téve.
Sziasztok!
A következő ventiszabályzót szeretném megépíteni: http://www.hobbielektronika.hu/kapcsolasok/szamitogep_tunningolas_i...o.html[link][/url] Szintén számítógépben lenne, viszont 5 ventilátort szabályoznék vele. Azt szeretném kérdezni, hogy elbír-e ennyi ventit az lm317t vagy inkább lm350t-t használjak? Köszi szépen!
Üdv.
Ha nagyobb stabkockát használsz jobban fogja birni.De nem szükséges,mert kb 0,2A-t vesznek fel a pc ventik,az meg 5*0,2=1A. Az lm 317 1,5A-t bir hütéssel. :yes:
értem, köszi
akkor megpróbálkozok az lm317t-vel
Szia!
Az a ventiláltor egy szivargyújtóról üzemeltethető venti volt, olyan bólogatós fajta, kék lapátokkal, meg krómozott védőrácssal, 1 A-t vesz fel, tehát azt simán elbírja. Azonban rájöttem, hogy a védődiódák hiánya okozhatta a problémát mert hisz itt induktív fogyasztóról volt szó a ventillátor esetében. Most beépítettem diódákat ahogy azt valaki javasolta fentebb, aztán majd kiderül. Egyenlőre megy. Nem mondom, hogy profi áramkör építő vagyok nade, nem ez volt az első kapcsolásom amit építettem, de hogy ezzel szívtam a legtöbbet az már biztos. De azért köszi mindeki segítségét.
Mielőtt hőgutát kapna az lm317 ismét kérdezek.
Van itthon néhány különböző bordám, nem tudom melyiket rakjam az lm317re. Terveim szerint 5 venti fog róla menni mámint az lm317ről .Nem szeretném megsütni, de feleslegesen nem raknám rá a legnagyobbra. A legkisebb olyan bordát szeretném választani ami még megfelelő hűtést szolgáltat neki. Mellékelek csoportképet a bordákról. A sárgák közül csak a kerek réz, a többi alu. Melyik legyen a szerencsés?
Szerintem a rezet hagyd ki, próbálkozz az alu bordákkal. Van itt talán egy cikk is a szükséges méret számításáról, de én lepróbálgatnék párat. 1-2 perc folyamatos üzem közben már érezhető, hogy rohamosan melegszik a stab, vagy sem.
A cikket olvastam régebben, a gond az, h nem tudom a bordák hőleadó képességét (asszem így hívják).
A bordák rögzítését úgy gondoltam, h fúrok beléjük m3-as menetet és csavarozom. Ezért nehézkes a próbálgatás. A kimaradottakkal meg nem tom mi lesz, nem biztos, h kell rájuk a lyuk. Sajnos így tesztnek nem tok rátenni 5 ventit, majd csak a végleges helyén. Egyelőre próbapanelen lesz összerakva az áramkör. |
Bejelentkezés
Hirdetés |







pedig az elején egész franko volt.








