Fórum témák
» Több friss téma |
Fórum » Ki mit épített?
Ez a téma ha úgy tetszik a mi "kiállítótermünk", nem pedig a ki mit csinált volna másképpen, mások helyett, és legfőképpen nem javítós téma.
Minden készüléknek van saját témája, ott kell kitárgyalni a részleteket!
FONTOS! A kapcsolási rajzok keresésére is van saját téma, ott keressetek rajzokat!
Sziasztok!
Ha már VU méter én is publikálnám a most elkészült LED VU méter tornyom. Ez csak a kezdet,az első prototípus... A jövőben tovább szándékozom fejleszteni eme projektet, kiküszöbölve az esztétikai hibáit és még látványosabbá tenni ,hogy a látvány még kellemesebb legyen... Már dolgozok is a következő stereo verzión , ami kicsit ,,ütősebb,, lesz...
Nagyon jó ! Video-t készítettél ?
Igen, de azt majd később óhajtom megmutatni . Szándékozom YouTube csatornát készíteni ahova majd felkerülnek a videók.
Húú, ez nagyon tetszik.
![]() Jól sejtem, hogy élvilágitott plexilapok azok?
Ilyen felvezetés után cikket KELL írnod róla
Szerintem is megérne egy cikket. Szép a kivitelezése. Ha jól látom saválló lemez a talapzat.
Szép munka !
Találtam az egyik szekrényem mélyén egy retro gyári fényorgonát. Gondoltam kap egy új köntöst.
A hotelben ahol dolgozom volt 3 nem működő PAR LED szinpadi fény. Tápegységhibás-vezérléshibás.... Átépítés után harmadára csökkent a méretük (kék, zöld, piros) színeket kötöttem fixre egy-egy 50W-os toroiddal. Működik is a projekt, de a trafók 15 perc múlva füstölnek (a fényorgonára kötve) Fixen órák múlva is csak max.: 30C fokosak a trafók. Tehát nem bírják a ki-be kapcsolást. Valakinek valami ötlete az orvoslásra? Köszönöm.
A fényorgonában tirisztor lehet a kimeneteken, és félhullámot enged át. Talán nem így van.... a toroid 50hz-re van méretezve önindukció okozhatja a melegedést.
Egyszerűbben a fényorgonára izzó van tervezve ohmos ellenállással. A hozzászólás módosítva: Dec 26, 2015
Szia
Akkor szerintem az lehetne a megoldás, hogy a vezérlő elé tennél egy trafót, ami a PAR LED lámpáknak megfelelő, és azt kapcsolgatnád a tirisztorokkal direktbe, így nem kell 3 trafó.
Üdv emberek! Elkészültem (tegnapelőtt) az asszony karácsonyi ajándékával. Ez egy Bluetooth -os hangfal, telefon dokkolóval. Szeret hangoskönyvet, és zenét hallgatni, hát ezzel megteheti (szépen szól). A cucc szín fából készült ragasztással csavar, szeg nem fogja, kivéve a hátlapot. A tetejét nikkelel ötvözött acél rudak díszítik, a telefon mögött plexi lap világít, amint ráülteti a telefont. A telefon dokkolás egyúttal elindítja az egész hangfalat is.
Ui.: A mellette lévő köcsögöt nem én építettem, ráadásul IGEN KEVÉS benne az elektronika is. A hozzászólás módosítva: Dec 26, 2015
Szép, ügyes. Elmondod mi az, aminek csak a távirányítója ilyen drága?
Hát ez kellemetlen....
Sajna nincs más. Én is utána néztem a dolgoknak. Az egészet át kell alakítanom 24-36V-ra.
Nem vészes, mert a vezérlés 12V-rol megy.
Alig 15 rongy? Ez a PCB önmagában vagy 10.000Ft. Plusz az LCD meg a sallang. Hogy jön ez ki 15-ből?
Igazad van, a nyák volt 8. Az alkatrészek nagy részét leoperáltam egyéb panelekről. Pl STM32F429I-DISCO... A 15 úgy jött ki, hogy annyit költöttem kimondottan erre a panelre a kukázott alkatrészeket nem számolva.
Végre sikerült időt szánnom az ónszippantóm elkészítéséhez (hála az év végi lazításnak)
Láttam pár projectet, de én a mágnesszelepet a lehető legközelebb tettem a csúcshoz, így intenzívebb dekompressziót tudtam elérni. Hőálló szilikoncsövet tettem a csúcsba így könnyen ki lehet bökni az oda tapadt ónt, még csinálok pár ilyen csúcsot, hogy ne éles helyzetbe kelljen szórakozni vele. Gondolom a szűrőtartály nem igényel különösebb magyarázatot. A kompresszor természetesen hűtőgépé, sajna be kellett építeni egy hidegindító kapcsolót, mert hidegen nem indul, meg rövidebb pihenő után se, a motor automatizálásával nem foglalkoztam, nem ér annyit. Tapasztalat: a kétoldalas lyukgalavanizált passzentos illesztésű lábról is lerántja az ónt, az olyan alkatrészt is kiszedi ami eddig csak hőlégfúvóval sikerült, nem kis kockázat árán.
Nem piskóta, grat!
Ámde, mennyire másolat? Az ARM-ben lévő progi teljesen saját? (És ha már igen, milyen IDE-ben csináltad? )Szerk.: ha nem bontásból származna, 30 alatt se jött volna ki, ...esetleg visítva. A hozzászólás módosítva: Dec 27, 2015
Az eredeti készülék és a távja nrf24l01-gyel kommunikál. Ezt monitoroztam egy SPI snifferrel és ez alapján csináltam egy gateway-t, hogy a saját készülék mentsen minden adatforgalmat. És ebből kellett megfejteni a protokollt. Ami a titkosítás teljes hiányában egyszerű volt.
IDE: Eclipse+valami arm gcc 4.9.3+openocd. Kettőt is építettem
Köszi a választ!
Meg kell hagyni, profi lett!
Ez tulajdonképpen minek a távirányítója?
Azért összejött a projekt:
Kitartó munkádért tied a pont.
A hozzászólás módosítva: Dec 28, 2015
Nem fogja megmondani, mert nem akarja
![]() Attól még szép munka...
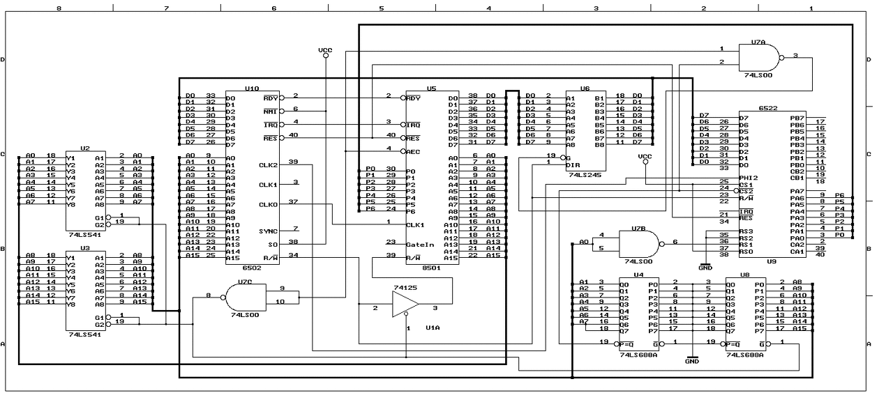
Van itthon egy Commodore Plus/4-em amiben nincs proci. Egyszer vettem a Hqelektronikában talán 6000Ft- ért. Aztán találtam egy kapcsolási rajzot, processzor kihelyettesítésére, amit már régebben ki szerettem volna próbálni. A két proci egy 1541/II floppyból származik.
Most került rá sor! A megépített áramkör hemzsegett a forrasztási hibától, nem lévén furatgalván. De a kapcsolási rajz kicsengetése és javítása, forrasztása után beröffent.Alant a képek!
A játékot hogy töltötted bele ?
Az user porton van valami
A játékot >>EZZEL<<< töltöm be. Saját fejlesztés. A fenti procikártya a commodore gép processzorát (MOS, CSG8501-et) helyettesíti. Alapja egy 6502-es processzor.
|
Bejelentkezés
Hirdetés |













































