Fórum témák
» Több friss téma |
Helosztok.
Elkezdtem gyűjteni a sörösdobozokat, van már egy pár, most 5 nagy szemeteszsák de lesz még több is. Lemezárba akarják levenni. Megvalósítható lenne ezek beolvasztása és kiöntése tömbökbe? Vajon megérné?
Megvalósítható lenne, de a mai színesfém átvételi szabályok szerint necces, hogy átvennék tőled, mert akármilyen lopott holminak is gondolhatnák már utána...
(Arról ne is beszéljünk, hogy a dobozokról leégő festék mennyire egészségkárosító és büdös lenne...)
Szia
Elnézésed most vettem észre, a kérdést. "optotriak elbír 230V-ot, és ha már ott van a 230V akkor mondjuk 4 fűtőbetétet 4db nagy triakkal meg lehet hajtani" Ha 4db optótriakot használsz akkor jó. Mert ha később kevés lesz a 2,5KW áttérhetsz a 3fázisra és ott jól jöhet a 4db optó. Azt azért megjegyezném: hogy a fűtőbetétek teljesítménye függ hogy hol van alul ( alenagyobb teljesítményú felül a legkisseb, és oldalt a kettő közötti teljesítményű. egy 15x15cm kemence kb.: alsonál 250...300W al kevesebb az oldalsó és 650...750w al kevesebb a felső. (ez fogtechnikusi kemence volt és 4KW os ) "kerámia tokozású" "kerámiacsőben vannak az oxidáció csökkentése érdekében" Szerintem, nincs kizárva a oxigén a csőből. Az más kérdés hogy nem sok minden viseli el a magas hőmérsékletet, és villamosan szigetel. A kerámia az jó választás. "k- tipus az csak egy feszültségtartomány jelölés" nem egészen ott van a százalék is és a K -tipus csak Chromega® - Alomega® ről szól Bővebben: Link Lásd R -tipus, és a S-tipus, az egyik Platina-13% Ródium - Platina mig a másik Platina-10% Ródium - Platina tartalmaz. üdv. A hozzászólás módosítva: Okt 14, 2015
Üdv Mindenkinek!
Megkeresett egy kovács barátom azzal a kéréssel, hogy szeretne egy kemencét, ahol edzeni tudná a késeit. Nem nagy kemence kellene, mert csak késeket gyárt, kardokat nem. Mivel ez friss téma számomra, így segítséget szeretnék kérni, hogy merre induljak el benne... mert sokféle megoldást láttam itt is. Annyi a kikötés, hogy 1300°C körüli hőmérséklet kellene és egy 20centis késpengét feltüzeljen kellően az edzéshez. A válaszokat előre is Köszönöm!
Urak segítség kéne!
Igen nagy bajban vagyok! Fogtechnikus tanárként dolgozom, erősáramú villamosgép szerelő technikusi végzettséggem is van. Több fogtechnikával kapcsolatos elektromos projektet végigvittünk már a fiatalokkal sikkerrel (építettünk 3d-s nyomtatót...stb), most is egy ilyenen dolgozunk, de megakadtunk. Mi a fogtechnikában szinter kályhát használunk, mely viszonylag kis égető térben 1500c-on átkristályosít oxid kerámiákat. Ezek a szinter kályhák horribilis, milliós nagyságrendtől kezdődnek, erre nekünk nincs pénzünk, és a fiatalokat is affelé irányítom, hogy oldjuk meg mi Magyarok. Szóval a kínaiak gyártanak ilyeneket, egy fázisra, 1500watt teljesítményre. Tárgyaltam egy kinai forgalmazóval, hozattam be 6 db MoSi2 fűtő elemeket, S tipusú hőelemet, kiegészítőket, scr vezérlőt.... A mechanikai oldal összeállt, sikerült összeépíteni egy 10X10X10 cm-es égető teret megfelelő hőálló téglákból, beépítettem a hőelemeket, bent van az S type hőmérő, mér is szépen. DE!!! Megakadtam a trafónál. Valami nem ok! A 4 hőelemet sorolni kell, egynek kb 0,3ohm az ellenálása. A kínai azt mondta, hogy kb 20-21 volt AC kell a szekunder oldalon nagy árammal. Ok. De bármivel probálom, max 30-40 fokos melegedést tudok kicsikarni belőle. Már a végén heggesztő trafóval próbáltam, de nem ok. mi lehet a gond, mi lehet az, amit a kinai nem mondott hozzá? Megköszönöm, ha valaki tud segíteni!
Szia !
A fűtőelemek adatlapját tudnád mellékelni? Úgy jobban menne az ötletelés. Szerintem nem kerek a történet, a feszültség adatokkal.
Bocsánat az előbb rosszul számoltam, ezért töröltem ki. Egy fűtőbetét 1300W körül fűtene magában, de mivel sorba kötöd őket ez elnegyedelődik. Tehát így csak 330W körüli a rendszer teljesítménye ezen a feszültségen. Kösd vegyesen kettő sorban és úgy párhuzamosan.
No, azt nem kaptam. De kérek tőlük. Még amikor fontos voltam neki, vásárlás előtt, küldött egy fotót az elektronikarol, semmi extra nem volt benne. Ha hazaérek felteszem , hatha az segit.
Igazad lesz, mert mértem a felvett teljesítményt, es 300watt fölé nem ment. Tehát a 4 betétnek van 8 kivezetése, pontosan hogy javaslod azt a vegyes kötést? Leskiccelnéd légyszi, mellé ne lőjjek. Köszönöm, jó felé megyünk.
Hát ilyen a világ... Irtam a kinainak, hogy segítsen a bekötesben. A válasza az volt, üzleti titok. Vegyek egyet, és másoljam le. No urak, most eldölt, idő, pénz nem számit, meg kell csinálni... A becsület van rajta. Kivancsi vagyok, datasheetet küld-e?
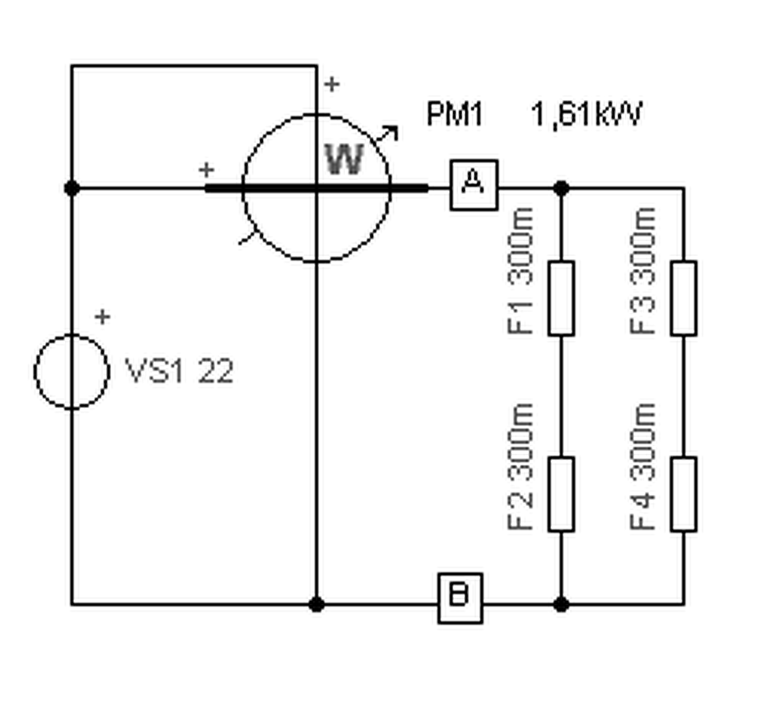
Nagyon egyszerű. (A VS1 csak a 22V-os trafót modellezi, a PM1 pedig a teljesítménymérőt. Az "A-B" pontot kell a trafóra kötni.) A 22V-os trafónak 74A feletti áramot kell tudni.
Ha minden betétet sorba kötsz, akkor 42V-os és 35A-es 1500VA-es trafó kell. Én egyébként így készíteném el. Mert az sem mindegy, hogy 35 vagy 74A-t kell odavezetni a kemencéhez.
Azt hittem egyszerű. Amíg a Paint-el kínlódtam proli007 kolléga megrajzolta profin.
A hozzászólás módosítva: Dec 17, 2015
Mindenkinek köszönöm! Megértettem.kipróbálom.
Erre tesztnek egy heggesztőtrafo is jó lehet egy nagyteljesitmenyű dimmerrel, ugye?
Persze jó lehet.
Szeretnék készíteni egy elektromos kemencét 25x25x25 cm belső térrel.
1200 C hőmérséklet kellene körülbelül ez az a hőfok amit még különleges anyagok nélkül el lehet készíteni. Kerámiát égetnék benne, öntőformát esetleg alut olvasztani grafit tégelyben. Körülbelül hány Watt kell ekkora térfogatra ekkora hőfokra? Fűtőszálakat találtam az ebay-en kanthal huzal lenne jó de ebből is van bevonatos is, mekkora átmérő lenne jó? A hőszigetelés 30mm vermikulit lap lenne, esetleg még külsőre perlit beton. A belső részhez öntenék samott lapot ebben lenne benne a fűtőszál de nem tudom hogyan. A hőméréshez ide még pont elég a K típusú hőelem. A vezérlését meg tudom csinálni.
A szükséges teljesítményt az adott méret után a hőszigetelés "jósága", a kívánt felfűtési sebesség, és az ajtónyitogatások sűrűsége határozza meg. A saját kemencémet annak idején úgy terveztem, hogy kb. egy vasaló teljesítményét igényelje, hogy szinte bárhova be lehessen dugni. Méretre kb. akkora mint a tied, kell vagy 2-3 óra a felfűtéséhez, és olyan 900°C hőmérsékletre fűt fel ennyi idő alatt. Szerintem neked inkább nagyobb teljesítmény kellene, az 1 kW helyett 2-3 kW sem lenne túlzás.
Itt van róla leírás, meg képek is.
Olyan 2-3 kW ra gondoltam, van otthon 3 fázis is ha kell.
De nagy vonalakba jó az elképzelés? Írtad hogy nagy hőfokon vezet a samott, mi lenne a megoldás kisebb feszültségről transzformátorral? Persze szimpi az egyik előző hozzászólótól a MoSi2 fűtőtest de biztos nem olcsó. Idézet: „vízüveges samottporba közvetlenül ágyazott fűtőszál nem nyerő, egy bizonyos hőfok fölött a vízüveg vezeti az áramot, zárlat lett.” Nem a samott vezet, hanem a vízüveg. A samottot csak farigcsálni macerás, de gondolom flexszel, gyémánt tárcsával lehet vágni, csak azzal meg finom alakzatokat nem igazán lehet kialakítani. A samott lap öntését nem írtad, hogyan gondoltad, bár azt igazából égetni szokták. Nekem samottagyagból korongozták az egyik kemencebelsőmet, ki is égették egy majolikagyárban. Égetés közben minden kerámia zsugorodik, ez is. Csak az volt a gond, hogy a mellette lévő fűtőszál "tovább égette", de nem egyenletesen az egészet, csak a fűtőszál közeli részeket. Na ettől repedezett szanaszét... Tűzálló betont lehet minden gond nélkül önteni, de ahogy írtam, annak jelentős hőszigetelő hatása is van. Nekem utólag lyukakat kellett rá fúrnom, vésnem, hogy "átjöjjön rajta" a meleg. Nem tudom milyen a bevonatos kanthal huzal, nem igazán látom az értelmét. Ha persze valami nagy hőállóságú masszív bevonat van rajta, ami megvédi az oxidációtól, az jó lehet. A huzalt nem szabad "örökre" beönteni a samottba (betonba), érdemes gondolni hiba esetén a cserélhetőségre. Vájatot kell neki kialakítani, és abba kerámiagyöngyös szigeteléssel belerakni. Átmérőre 1-2 mm lehet jó, de számolgatni kell a huzal felületi terhelésével is, különben gyorsan elég... A vermikulitról semmi adatot nem találtam hővezető képességét, hőállóságát tekintve, nem tudom, hogy jó lehet-e. Attól, hogy kazánbelsőnek alkalmazzák, még nem biztos, hogy ide elég lenne.
A vermikulit 1200C ig hőálló höszietelő lap de jó drága, mivel vékony 30mm ezért önteném még körbe perlit betonnal,
a samott lapot samottlisz meg vízüvegből lenne öntve, azt a kandallóban is ki tudom égetni, így már bele tudom rakni a fűtőszálnak a vájatot.
Megnéztem én is az adatlapot, szerintem amire nagyon vigyázni kell hogy kis hőfokon kicsi ellenállása van amitől sok áramot vehet fel, ez megoldható szabályzott felfűtéssel vagy tényleg hegesztő trafóról a legjobb táplálni az nem engedi a túláramot rajta. Persze a meleg ellenállással kell számolni mikor a tápláló feszültséget számoljuk ki hogy a teljesítménye meglegyen.
Kandallóban nem tudsz rendesen égetni, szerintem nem lesz elég hőfok se. A tűzálló beton sokkal jobb, azt nem kell kiégetni, és a kemencében "égetésnél" sem fog megrepedni.
Tehát vennem kell inkább tűzálló beton port és abba lenne a fűtőszál rakva.
Találtam zsákos 25kg kiszerelést is 1300C és még 1500C ig hőálló is van. A hőtágulás miatt ezt lapokból kellene kirakni és nem egybe kiönteni? Ahol lehet kapni a betont láttam hőálló kerámia szálas hőszigetelő paplant is, lehet az jobb lenne mint a vermikulit, nem is annyira drága. A hozzászólás módosítva: Jan 1, 2016
Én inkább lapokból raknám össze, de nem tapasztaltam lényeges zsugorodást, lehet, hogy egybe is ki lehetne önteni.
Szerintetek perlit + vízüvegből lehetne aluminiumolvasztót készíteni? A perlit jó hőszigetelő anyagnak tűnik, ami könnyű, a vízüvegből a levegő CO2-tartalmával meg kovasav válna ki ami jó kerámiakötésnek tűnik, nem lenne olyan hőtágulása mint a samottnak, ha nincs kiégetve
Sziasztok!
Ilyesmi ellenálláshuzallal próbált már valaki kemencét építeni? link, link Egy nem túl nagy méretű edzőkemencét szeretnék építeni (még nem tudom pontosan mekkorát), kb. 1100-1200°C maximális hőmérséklettel PID vagy valamilyen egyéb digitális szabályozással, 2500W körüli maximális teljesítménnyel. Samottégla és vastag kőzetgyapot szigetelés segítségével alakítanám ki magát a kemencét. A linkelt ellenálláshuzalok mennyire felelnek meg ilyen célra? Köszönöm A hozzászólás módosítva: Dec 30, 2017
Én nem látok semmilyen adatot a hőterhelhetőségről, üzemi hőmérsékletről, anyagáról.
Csak a linkek címeiben levő adatokból kiindulva, az első 220 V / 1 kW, ebből 2-3 db kellene neked, a második 220 V / 5 kW / 100 cm, ebből 2 m kellene.
Sziasztok!
Kis segítség kellene elektromos kemence méretezésével kapcsolatban. Arra vonatkozólag nem találok semmi információt, hogy adott teljesítmény milyen gyorsan és milyen hőfokra fűti fel a kemencét. A saját esetemben ezt például úgy értem, hogy egy kis méretű kemencéhez számomra elég lenne 1,5-2 kW. De így csupán 7-8 Amper lenne a huzalon, és olyan érzésem van, hogy egy örökkévalóságig várhatok a megfelelő (~1100 C) hőmérsékletre. Plusz honnan tudom, hogy mennyi lesz a beállt egyensúlyi hőmérséklet? A huzalon elvileg I^2*R*t hőmennyiség esik, de ha én kisebb áramot eresztek rá arányosan nagyobb ellenállású huzalra akkor is képtelenség hogy ugyanazt a hőmérsékletet kapjam, még ha évekig várok is rá. Geb*sz van a fejemben, szóval megköszönném a segítséget.
Elvileg mindent ki lehet számítani, a gyakorlatban nem. A felfűtési idő a betáplált teljesítménytől, a szigetelésen elvesző teljesítménytől, a kemence hőkapacitásától függ. A szigetelésen elvesző teljesítmény a méretektől, a szigetelő anyag tulajdonságaitól, környezeti hőmérséklettől függ. A kemence hőkapacitása is a felhasznált anyagoktól függ. Ugyanezek befolyásolják az egyensúlyi hőmérsékletet is, de ott még bejöhet a kinyitások miatti hőveszteség is.
A kemencémről itt van egy kis leírás, 1 kW-os 2-3 óra alatt fűt fel 900°C-ra. Nagyon kis teljesítményből is lehet nagyon magas hőmérséklet, ha a tömegek kicsik, a szigetelések meg nagyon jók. Pl. egy 5W-os izzó izzószála 1500-2000°C, igaz csak pár tized gramm, meg a szigetelés (gáztöltés) is jó. |
Bejelentkezés
Hirdetés |








