Fórum témák
» Több friss téma |
- Ez a felület kizárólag, az elektronikában kezdők kérdéseinek van fenntartva és nem elfelejtve, hogy hobbielektronika a fórumunk!
- Ami tehát azt jelenti, hogy a nagymama bevásárlását nem itt beszéljük meg, ill. ez nem üzenőfal! - Kerülendő az olyan kérdés, amit egy másik meglévő (több mint 17000 van), témában kellene kitárgyalni! - És végül büntetés terhe mellett kerülendő az MSN és egyéb szleng, a magyar helyesírás mellőzése, beleértve a mondateleji nagybetűket is!
Tehát a boltban nem volt 2N3053 így kértem helyette BC182-t. Ezért akartam a T1 helyére rakni. A 2N1711-et azt kaptam. Na majd holnap rákérdezek. Meg veszek egy BD 139 -et
Köszönöm az infókat! A hozzászólás módosítva: Jan 31, 2016
A 2N3053 egy közepes teljesítményű tranyó, 700mA árammal. a BC meg 100mA-es. Nem a pontos típusokat kell nézni egy mezei kapcsolásnál, hanem az áramot-feszültséget-teljesítményt. Mindenki azt tesz az áramkörbe ami a fiókjában van.
A hozzászólás módosítva: Jan 31, 2016
Köszönöm!
Ha megengedsz még egy kérdést. Digitális technikánál pl adott egy I2C kommunikációs vonal két PIC között. Erről csatoltam képet. Nem fog túl nagy feszültség esni ahhoz a 3,3 KOhm-on, hogy az 5V közeli feszültséget meg is kapja a PIC, azaz H szintre húzzunk egy adott lábat? Ugyanez érdekelne a lehúzónál is. Akárhogy is számolom, 3,3 KOhm esetében 5 V-on az maximum 1,5 mA áramfelvételt jelenthet. Köszönöm szépen előre is!
I2C kommunikáció esetén mindkét oldalon mindkét (vagy több) bemenet és kimenet nyitott kollektoros, tehát H szintet nem tudnak kiadni, csak L szintre húzni. Ha túl kicsi a felhúzó ellenállás, tönkremehet a "lehúzó" tranzisztor, ami az eszközben van.
Bemenet esetén a kontroller bemenete igen nagy ellenállású, H szint esetén is csak nagyon kevés áram folyik a kontrollerbe (talán uA alatti).
Hálásan köszönöm, így már kezdem kapisgálni. Viszont a kapcsolók előtt látható egy lehúzó ellenállás, szintén 3,3K ami földre húzza a be vagy kimenetet alap esetben. Mi van olyankor, ha az S1 kapcsoló zárt tehát egy időben kap oda direktben +5V-ot és 3,3K-n keresztül Testet?
Helló!
Ilyenkor egy feszültségosztóként viselkedve, a kapcsoló 0 Ohm-ként felhúzza tápra a lábat, az alsó tagján pedig igen kis értékű áram fog folyni. Itt kb 1,5mA. Emiatt kell viszonylag nagy értékű ellenállást választani le/felhúzóként.
Alaptörvény, hogy bemenetet nem hagyunk lebegni, mert a legkissebb zavar is geredést okoz. Nem okozhat, garantáltan okoz. Az ellenállással a bemenet folyamatosan L (0 V) szinten van tartva. Ha S1 zárt, akkor a bemenetre jut a H szint (5 V) és az ellenálláson is folyni fog áram, mintha egy egyszerű tápegységre kapcsolnád az ellenállást.
Egyébként ez az elrendezés érzékenyebb a zavarokara. Ha az S1 -et és a hozzá tartozó ellenállást felcseréled, akkor biztosabb a dolog. Tehát a bemenet folyamatosan H szintű és a kapcsolóval lehet levinni L szintre. Amennyiben ez egy kész valami, akkor maradjon így, ha van lehetőséged átírni a programot, hogy a gomb kezelése fordított legyen, akkor inkább aktív L legyen.
Sziasztok!
Addot ez a kapcsolási rajz! Szeretném kérdezni a "veteránokat" ,hogy az SW jelölésű 6 csatlakozású főkapcsoló , az milyen kapcsoló?Mármint egyszerűen 2 db váltó kapcsoló? Köszönöm a segítséget! A hozzászólás módosítva: Feb 2, 2016
Egyszerű telepkapcsoló.
Rendben van kedves kolléga.Azt szeretném kérdezni , hogy ez akkor egy 2 db váltó kapcsolónak felel meg?egy tokban egy közös kapcsolóval?
Igen.
Mondjuk egy ilyen
köszönöm szépen!
Sziasztok!
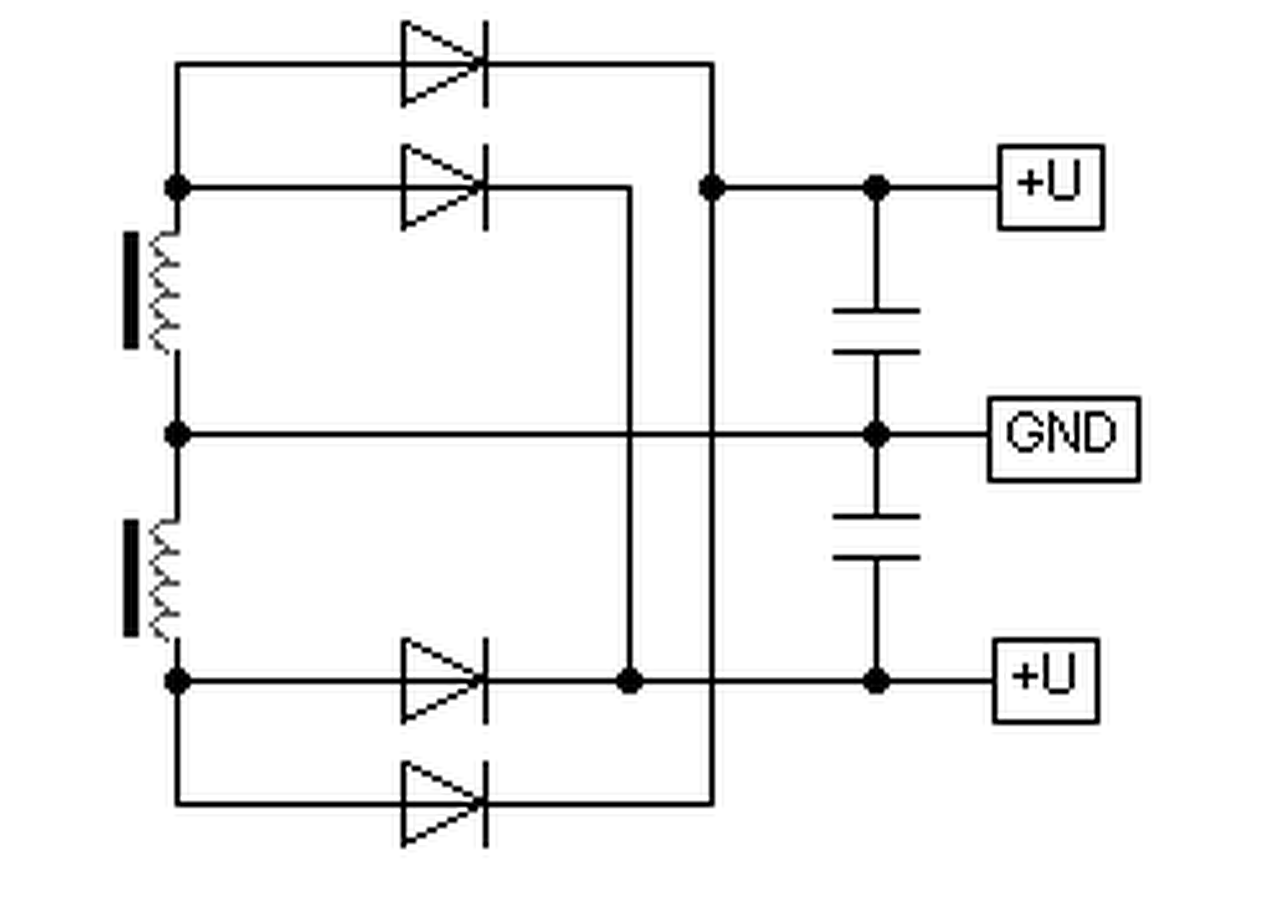
Van egy középkivezetéses trafóm 2X13V váltó feszültséggel. Szeretnék ebből sima graetz-puffer párosítással pozitív tápot előállítani. És mivel hogy két felé szeretném osztani a tápot, azaz 2X + 16-18V-ra van szükségem, és nem szeretném egy oldalúan terhelni a trafót, ezért a két tápágy mindkét felére megépíteném ugyanazt a graetz-puffer párost. Itt jön a kérdés, hogy ha a középkivezetés lesz a két graetz egyik-egyik váltó fesz pontja, amikről tovább görgetve a puffer után ugye létrejön a test, és a pozitív táp, akkor így létrejött nekem kettő illetve 3 test pontom a kapcsolásban...Igen valami nem stimmel a dologban, mert egy-egy dióda ott van a 3 test pont között. Hogy érthető legyen le is rajzoltam, mire gondolok. A kérdés, hogy kell ezt összeraknom, hogy egy darab test pontom legyen a végén, mert két külön végfok számára viszem a tápot, amik ugye egy test potenciálon kéne legyenek. Szóval mit rontottam el az elméletben? Bővebben: Link Vagy egész egyszerűen a középkivezetés nem lesz test pont? A dupla táp két test pontja simán összeköthető? Ha az ezen az oldalon található alsó rajzot nézem,Bővebben: Link és képzeletben vízszintesen tükrözöm, akkor logikusnak tűnik számomra, hogy a középkivezetés nem lesz test pont. Mi az igazság?
Hello!
- Ha a trafó két tekercsének kivezetése eleve közösítve van, akkor csak egy Graetz kell, és a trafó közös pontja a GND. Ehhez képest lesz +- feszültség. - Ha a trafónak két egymástól független tekercse van, akkor az mehet egy-egy Graetz-re, de a trafót nem lehet közösíteni, hanem a két Graetz kimenetét (egy plusz-egy mínusz) lehet közösíteni és ez lesz a GND.
Igen amit leírtál az tiszta nekem is, de nekem nem +- táp kell, hanem két darab + táp (két szimpla tápot szeretnék).
Ha két különálló tekercs van a trafón, közösítheted a két egyenirányított negatív pontját GND-nek. Ha közösített a trafó két tekercse, akkor nem tudod megoldani, maximum egyutas egyenirányítás mellett.
De miért kell két egyforma feszültség, aminek GND-je közös? Semmivel nem lesz jobb, mint egy feszültség. De ha már ennyire "kukackodsz", a két feszültséget szét lehet választani egy Graezt után két diódával. És oda a puffer. Az is ugyan ezt fogja produkálni. A hozzászólás módosítva: Feb 2, 2016
Sajnos nem két külön tekercsről beszélünk. Egy darab középkivezetésem van, és két darab 13V-os kivezetés. Azért szeretném a két egyforma feszt, mert relatív magas ára fog folyni és ha egy mód van rá nem terhelném egyoldalúan a trafót.
Sajnos lepárhuzamosítani sem tudom a kivezetéseket, mert összesen 3 vezeték jön ki ehhez, ugye egy közös, és a kétszer 13V. Ha egyutas egyenirányítás akkor gondolom jóval nagyobb pufferolás szükséges. Akkor ezek szerint ez csak így valósítható meg? (sárga-elképzelés, piros-törlés)
Hello! Ezt így is meglehet oldani szépen..
Igen, ez sokkal elegánsabb megoldás, őt fogom alkalmazni. Köszönöm
Sziasztok!
Tudna nekem valaki egy linket adni HEstore-ról, hogy EHHEZ a LED-hez milyen tápegységet és hűtőbordát kell vennem? Előre is köszönöm, szép napot! A hozzászólás módosítva: Feb 3, 2016
Én inkábbezt venném, és akkor egy gonddal kevesebb.
Sziasztok, egy kis segítséget szeretnék kérni.
Adott egy DC vízpumpa motor: Bővebben: Link Ennek vezérlése egy Atmega328P mikrokontrollerrel van megoldva egy ILRZ44 Power MOSFET-en keresztül. A motor ellátására egy 6V 2A-es tápegység szolgál. A motorral párhuzamosan egy 1N4001-es dióda és egy 100u elektrolit kondenzátor van kötve. A motor indításakor sajnos csak halk kattanás halható, de a motor nem kapcsol be. Természetesen a motort egy LED-el és ellenállással helyettesítve minden szépen működik, így nem a vezérléssel van probléma. Feltételezem a kondenzátor nem megfelelő, de ennek méretezéséhez, típusának kiválasztásához sajnos nem értek. :S Tudnátok ebben nekem segíteni? A kondenzátor nem megfelelő vagy más probléma lehet? Előre is köszönöm a segítséget! A hozzászólás módosítva: Feb 3, 2016
Szia!
Ha a 6 V-os tápegységet rákötöd a motorra akkor működik? Üdv.: Feri
Sziasztok
Egy nagyon kezdo, de elmeleti kerdesm lenne. Adott ket tranzisztor: BDV65 es 2N6388. Ez a ketto kozul melyik lenne az amelyik kevesbe melegedne terheles alatt. En mind nezegetem a W/Cfok ertekeket, de sajnos nem tudok rajonni. Az igazsag az hogy nem igazan konyitom az elmeleti dolgokat. Melyik lenne gazdasagosabb (amelyik kevesbe melegedne), amelyiknel nagyobb vagy amelyiknel kisseb a „Power Dissipation” ertek ? A hozzászólás módosítva: Feb 3, 2016
A helyedben az elsőt választanám, oda van írva, 125W -os (a másik csak 65W)...
És még a tokozása is nagyobb, jobban átadja a hőt a hűtőbordának, megfelelő pasztával. Persze csak ha valóban elég a 10A kollektor áram és megfelel a feszültség...
A kondi a motorral párhuzamosan minek kell? Nélküle próbáld meg...
És jó lenne ha adnál egy kapcsolási rajzot, a FET jól van bekötve (és a dióda is)? Pozitív táp motor egyik kivezetés, motor másik kivezetés FET DRAIN láb, FET SOURCE láb a testen. A hozzászólás módosítva: Feb 3, 2016
|
Bejelentkezés
Hirdetés |














