Fórum témák
» Több friss téma |
Sziaszok!
Segítséget kérek: Járattam órákon át, majd lehúztam a terhelést és átment "extra softstart"-ba. ![]() Ha terheléssel indítom, minden ok. Alapba van 1,3k a kimeneten, nem teljesen üresjárat. Rövid videó A hozzászólás módosítva: Feb 11, 2016
Most félig kialudta magát az IRS. Videó
Bekapcsolva megvan a 19,9V, nem vált át szoftstartba, de ha rárakom a 0,9 Ohm halogént, akkor tilt. Reggel még nem tiltott, indított. Sérült az IC?
Kipróbáltam Ohmos terheléssel 3A-rel...nem tilt az IC.
Akkor vajon reggel hogyhogy "berúgta" a halogéneket (kép) üres indulás utáni magasabb frekiről? 2db 12V/40W sorba. Változott valami az IC-ben? A hozzászólás módosítva: Feb 11, 2016
Igen, szerintem unja már...
Azóta kisütött a nap lehet melegebb van mint reggel.
Most megint beindítja...annyi változást csináltam, hogy beraktam a zénerekhez még egy diódát sorba, hogy meg legyen a 20V...de lehet, ha megint órákig járatnám, megbolondulna.
Kell egy jó nyákterv, aztán meglátom, lehet belepakolom az MMBT-ket...
Csak hogy ne süllyedjen el a topik:
STH8NA60FI-vel: Youtube videó Viszi a 6A-t is! ![]() Következő teszt IRF820-al lesz, de előtte kínzom egy kicsit.
Nap mint nap teszel róla hogy ne tudjon elsüllyedni.
Viszi a 6A-t? Olyan videót tegyél fel ahol a 100A-t viszi. Valahol ott kezdenek kijönni a kapcsolóüzem előnyei.
Azért ez nem egészen így van...
Egy telefontöltő is kapcs.tápos... A hozzászólás módosítva: Feb 12, 2016
Persze hogy az, mert analógban 3x akkora lenne, 10x olyan nehéz, de a fő hangsúly azon van hogy sokkal drágább lenne legyártani. Amivel most éppen szenvedsz, azt lehet hogy egyszerűbben meg olcsóbban meg lehetett volna oldani egy hirdetésben vásárolt 2000Ft-os trafóval.
Nem nekem kell, így kérték...hát megcsinálom.
Van valami különlegessége amiért nem lehet megvenni a boltban?
Szerintem is csak nagy n*1kW teljesítmény felett érdemes invertert építeni, legyen ez DC vagy AC.
Van, de az az infó nem publikus...
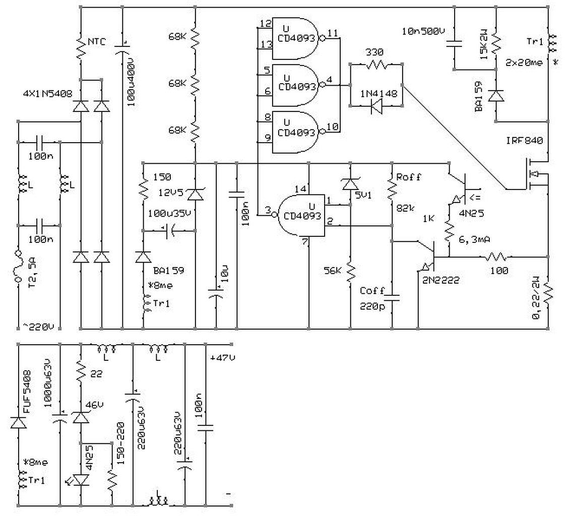
Sziasztok! Én is eszeltem egy olcsó kapcstápon, ime itt az eredmény (Tap.jpg). A menetszámokat a danyk.cz oldalán található kapcsolásából számítottam át 47V-ra. Egy kicsit melegedett a MOSFET s ezért próbálkoztam komolyabb meghajtóval is, de akkor a MOSFET GS átmenetén keresztül az áramérzékelő ellenálláson nagy lett a "zavaró" jel.
A probléma áthídalására RC tagot raktam be az árammérő tranzisztor báziskörébe, de sajnos nem tudtam oszcilloszkóp nélkül jól méretezni. Ez elkedvetlenített a további kisérletezéstől. Véleményeteket várom, üdv.
Sziasztok!
Okosítást szeretnék kérni! IR2153 driver-ről a fetek gete ellenállását, 56 ohmos hálóellenállás párhuzamosításával valósítottam meg (9 ohm). A frekvencia állítás közben "pukk", elszáltak a fetek és az ic is. Új feteket és ic-t berakva, lámpaelőtéttel indítva, a lámpa teljes zárlatot mutat. Vizsgálódás után kiderült, hogy a felső fet gete-jére menő jel, a 4x56 ohmos szakadása miatt nem jut el a gate-re és a két fet összenyitása miatt van a zárlat. A kérdés tehát mi lehet a magyarázata a szakadásnak? Persze korábban már napokon keresztül rendben üzemelt minden. A hozzászólás módosítva: Feb 12, 2016
Egy kép annyi mint ezer szó. Sikerült ma beindítani az IRS27951 + IR2110 es tápomat 230V ról. Kezdetnek mondhatom hogy biztató. Kb. 600W os terhelésen azért nagyon forrósodott a mag is meg a drót is. Az egyenirányító diodák is forrók voltak. Még nem üzemeltem be a visszacsatolást igy allandó fix frekivel müködott. A piros szkóp az alsó IGBT kapuja, a kék pedig a rezonáns kondin a jel valamint a Vs csomón.
Bővebben: Link Bővebben: Link A hozzászólás módosítva: Feb 13, 2016
Mocsok kínai fet. Jól megszívtuk.
Bal a kínai. Jobb eredeti. Az új tápot persze a kínaival szereltük. Bővebben: Durrantás lassitva.
Szia. Dobj csak fel a nyákrajzról képet. Aztán mindjárt kiderül.
Szia. Mit jelent az hogy forrósodott? Mennyire "forró" ? Ha ujjunkkal meg tudjuk fogni 5-6másodpercre az még elmegy. De ha annyira forró, mint egy kályhacső na az nem.
Tehát a baki ott kezdődött amíg nem elkezdted a frekit piszkálni és elszállt konkrétan a fele.
Vissza kéne tenni abba az állásba ahogy volt pl filctollal megjelölni a tekerentyűt és fetek nélkül (azokat kivéve) külső 12Vról az IC HO-LO kimeneteit megnézni. Mit mutat. Addig ne is égőzz, amíg nincs az ic környékén minden rendbe. Mondjuk azt énse értem miért szakad meg a gate korlát, és csak a felső oldali ment el? A hozzászólás módosítva: Feb 12, 2016
Ugy kb. 60-70 Celsius fok. Most azt volna jó tudni, hogy egy adott értéknél leáll, vagy addig forrósodik mig kisül. Audió tápnak azért könnyebb dolga van, mint egy folyamatosan fix ellenállással terhelt tápnak
60-70C? tök jó. Nem kell megijjedni.
Hát egyszerű. Terheld huzamosabb ideig és közbe figyelgesd mennyire melegszik be a nagyon melegnek mondott állapot után. Azt is èrdemes rászámolni, hogy nyárhoz képest most még hűvösebb van, de ha lesz a helységben (vagy napra kiteszed) +30-40C kal tobbet is még bírnia kell. Amúgy egy kis pc venti 6-8Vtal megküldve ami nem csapágyas, még halkan is jár az csodákra képes. Azt ennyit érdemel.
Hmm, tudsz rádobi egy kis 12V-ot? A feteket most hagyjuk ki a körből.
Az eredeti kérdés előzményeiből kimaradt kimaradt, hogy ez a hibajelenség az után következett, hogy kicseréltem a trafót egy másikra. annak a paraméterei mások voltak. A primer induktivitás 217uH a rezonáns meg 60uH. Ami először feltűnt, hogy üresjáratban is nagy áramot vett fel, mivel a hálózati betáp előtt levő izzo is világított, de ekkor csak lapoztam. Később észrevettem, hogy a fetek is melegebbek, mint az előző trafónál, ahol a primer induktivitás 700uH a rezonáns pedig 71uH. Vagyis a mágnesező induktivitás is nagyon kevés az előzőnél, ezért vett fel nagyobb áramot és melegedtek a fetek a kelleténél jobban.
Mit jelent a primer és a rezonáns induktivitás? Nekem valahogy ez kimaradt. A primer a teljes induktivitás lenne?
A hozzászólás módosítva: Feb 13, 2016
Ezen a fórumon ez már sokszor ki lett tárgyalva. Ez igazából a rezonáns kapcsoló tápok alapjaihoz tartozik.
A primer induktivitás az amit egy trafónál úgy mérünk, hogy a szekunder nyitott. A rezonáns induktivitás meg az amit rövidrezárt szekunder esetén mérünk.A kettő különbsége, a mágnesező induktivitás, ami a kapcsoló, a mi eszközeinkben általában fetek kapacitásait áttölti, hogy a fetek átkapcsolása, lehetőleg feszültségmentes állapotban történjen. Erről bővebben lorylaci cikkében és skori oldalán olvasatsz.
Én pécsi boltban vettem HQ-ból rendelve(valószínű, de nem biztos, mert már készleten volt) és a 0,55 Ohm-nak nyoma sincs, de az IR logo rajta van;
2A-en 0,7 Ohm, 4A-en 0,96 Ohm(hűtőre szerelve, villámgyorsan mérve)... és 390Ft/db-ért adták! ![]() Szóval nem csak a kínaiakkal van gond... S A hozzászólás módosítva: Feb 13, 2016
|
Bejelentkezés
Hirdetés |








Viszi a 6A-t? Olyan videót tegyél fel ahol a 100A-t viszi. Valahol ott kezdenek kijönni a kapcsolóüzem előnyei. 









