Fórum témák
» Több friss téma |
Meg lett mondva, hogy nincs olyan hogy hamis alkatrész és punktum.
Miért nem lehet ezt megérteni. ![]()
Mondtam én egy szóval is, hogy hamis?
Az adatlapban megadott paramétereket nem teljesíti...ennyi.
Ez elofordul. Nekem is amikor a felso fet megy el, az also nyit es a fetmeghajto megkapja a GDS zarlat miatt a magas potencialt. Viszi a gate ellenallast es az IR2153 felso fetmeghajto reszet.
Általában hőmegfutáskor. Akkor szokott zárlatos lenni a GDS.
Tegnap 30V 10A-al megküldve bírta, de 60V 5A-t már nem bírt.
Most néztem egy IRF740 (IR) adatlapot...
Rds(on) vs. Temp.; -60 fokon 0,5 Ohm, 30 fokon 1 Ohm... Nem szóltam...
Most már rá fogok szánni egy egy fetet, és kimérem mennyi az RDSon. De azért -60 fokra megadni. 10Amper 10V. Viszont 6.3Amperre van 10V esetén 0.55 Ohm. Ki tudja ilyen hidegen tartani...
Talán el is kellene olvasni rendesen azt az adatlapot. Az első oldalon Tj=25C réteghőmérsékletre van megadva 0,55ohm. A 3. oldalon Tj vs. Drain-Source resistance görbe, pedig nem ohm-ban van skálázva, oda van írva, hogy "normalized". Azaz a 25 fokon megadotthoz viszonyít (25 foknál van az 1 érték - azaz a 100%) és azt mutatja, hogy ehhez képest mennyire változik a hőmérséklet függvényében.
A hozzászólás módosítva: Feb 13, 2016
Így jár aki felületesen olvas , és/vagy kontroll nélkül hisz másoknak.
Akkor mégis csak hamis a fet: 4A-en 1 Ohm.
Ha megnézed a pepe által csatolt képet, az biztos hogy az. A két lapka sincs köszönőviszonyban sem egymással, tehát itt nem az a dolog van hogy forgalomba került a selejt, hanem konkrétan más félvezető van a tokban, vagy ha úgy jobban tetszik más felirat van az adott tokon.
Kérem a kedves fórumozó társak véleményét az alábbi két ábrával kapcsolatosan. Önök szerint a holtidőt növelni vagy csökkenteni kellene. A piros szkóp az alsó IGBT Gate jele, a kék pedig a felső IGBT első képen kapuja, a másodikon a Vs csomó. Szerintem ahoz képest, hogy alig kb. 2 Ampert kapcsolgatnak eléggé melegednek az IGBT-k pedig elég kemények STGW30NC60WD. Ugyanakkor azt se értem, hogy a felső IGBT kikapcsolása és az alsó bekepcsolása között miért van holtidő, és fordítva már kapcsolnak is egymásra.
Előre is köszönöm válaszuk.
Üdv
Laci : melléklek egy lehetséges rezonáns tápot , 6és 8 láb közé a 15 Volt zénert nem rajzoltam be illetve nem írtam a 2,2 u Farád értéket . Kissé késő van , még kiszépítem esős napon ! ![]() Módosítottam egy itt közzétett rajzot . A felső FET szerintem azért durran el mert a gaten 15 Volt tartózkodik közel 165 Volt helyett . Üdv
Szia!
A felső fet azért szállt el, mint írtam, mert a gate ellenállás megszakadt és mivel a vezérlés nem jutott el a gete-re, vagyis nem zárt le, így amikor az alsó fet megkapta a vezérlést, a felső is nyitva volt, így a puffer korlátozó ellenállás nélkül rövidzárba került. Most az ilyen esetek elkerülésére a gate-ket 10K ellenállással a source-ra kötöttem. Az ellenállás szakadására továbbra sincs megnyugtató válasz, azonban a felső gate-n nem 15v tartózkodik, hanem a felső fet source-ához képest van 15 volt.
Üdv
Visszalapoztam sok oldalt a rajzot nem találtam . néztem a PDFet ha ir2153s nincs belső dióda ir2153d abban van 1-8 láb között . Adatlap szerint Vb = -0,3 Volttól + 625 Voltig lehet a feszültség ( Vb Vs közt ) szerintem , ( nem a comhoz ). PC tápoknál is meghajtó trafón 2 szekunder van . Holnap másként rajzolom le , paint . Üdv
Sziasztok!
Jelentem az IRS27951S IRF820-al (3 Ohm - lemértem) nem indul be, tilt. Ez van. (Trafó: 1528/296uH, Crez=23,5nF, freq;400,200,70kHz). Jó lesz IR21531-hez, ott nincs áramfigyelés. A hozzászólás módosítva: Feb 14, 2016
Lemaradt: úgy sem indul be, ha előtte feltöltöm labortápról a kimeneti 2200µF/25V-os puffert 20V-ra, majd rögtön bekapcs.
A hozzászólás módosítva: Feb 14, 2016
Üdv!
Egy kérdés újra: Két induktivitás mérővel is lemértem a trafót. Az egyik gyári GW(kép1) 1kHz-en mér, a másik egy pic-es, kb. 135 és 300kHz-en mértem. Hitelesebb itt a pic-es 1nF-os referenciával? (papíron az 1kHz-es mérés)
A PIC-es (nem tudni melyik), ha rendesen van kalibrálva, és nem lógnak 10 centis madzagok a mérőkörében mint annak, akkor nagyon pontos tud lenni, általában pontosabb mint a gyári műszerek. A több százezer Ft-os spéci mérőhidakat most figyelmen kívül hagytam.
Köszi a választ!
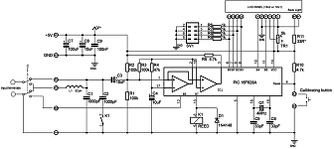
Mi baj van sorba azzal a 2x10cm UTP-vel? Mérés előtt meg kinullázom... Ez a kapcsolás. A beépített komparátorát használom. A hozzászólás módosítva: Feb 14, 2016
Próbáld meg a kívánt frekvencián egy generátor és a szkópod használatával megmérni az induktivitást. Találj ki hozzá egy mérési elrendezést. Sokat lehet tanulni az ilyen ötletelésből és nem fogsz megakadni ha valamire nincs célműszered.
Aztán blogold, mire jutottál
Cimo cikkében van egy nagyon egyszerű leírás, ha nincs induktivitásmérő. Egy oszcillátor, amit azon a frekvencián célszerű működtetni, amin a későbbiekben fog menni a trafó. Akkor a Thomson képlettel vissza lehet számolni az induktivitást. Persze ehhez kell egy időalapban jól kalibrált szkóp, vagy ami még jobb, egy frekvenciamérő.
Van még egyszerűbb megoldás is, feltöltesz 5 V-ra egy olyan értékű kondit, amit egyébként is használsz rezgőköri kondinak a tápban. A szkópot ráteszed a trafóra, a kondit meg rányomod a trafóra. Kialakul egy lecsengő szinuszos feszültség a trafó+kondi pároson. A szkóppal meg nézed a periódusidőt, aztán a Thomson képletből visszaszámolsz.
Én ismerem ezeket! Azt szerettem volna ha a kollega elgondolkozik rajta...
Dudus, Katt:
Jó lesz nekem ha a két mérést átlagolom, vagy hiszek a PIC-esnek 100-500kHz-en.
Pedig a legjobb Neked akkor lenne ha elkezdenél gondolkodni!
Olvastam cimopata cikkét és tudom, mi lenne a legjobb, de ennyi tűrése van az áramkörnek; Crez 23,5nF-dal ugyanúgy működött, mint 33-al.
Az első mondatodra: tudom... A másodikra: ezt is tudom...
Miért vagy ennyire ellene, hogy gondolkodj? Ha tudod, mi lenne a legjobb miért nem azt teszed? Miért nem vagy hajlandó tanulni? A kísérletezés jó, vannak dolgok amiket annyira nehéz modellezni, hogy egyszerűbb csinálni egy-két tesztet, de nem ezekben az esetekben. Ha nem kezdesz el tanulni, gondolkodni megakadsz ezen a szinten ahol ha bajod van nem gondolkodsz hanem használod mások fejét és tudását, pedig mekkora sikerélmény ha magadtól rájössz valamire, megérted és fejlődsz!
Gyakran az az érzésem, hogy van egy maszk a szemüvegedben és minden post-ból csak 2 mondatot/gondolatot tudsz emiatt kiragadni a többit meg sem látod. A legjobban az "tetszik" amikor elmondod, hogy olvastad a cikket , tudod mi lenne a legjobb...de azért Te csak csinálod ahogy eddig...
Most nem szeretnék 70kHz-re oszcillátort építeni, szkópot folyamat leolvasni, számolgatni, ha van két LC mérő is...
Nem tudom, hogy a nem tárolós Hitachi V-212 (20MHz) szkópom mennyire alkalmas erre, valamint nem mostanában volt kalibráltatva + a leolvasás lehet több hibát visz be.
Amúgy köszi az ötletet, lehet kipróbálom ezt a töltött kondist. A hozzászólás módosítva: Feb 14, 2016
|
Bejelentkezés
Hirdetés |




Miért nem lehet ezt megérteni. 













