Fórum témák
» Több friss téma |
- Ez a felület kizárólag, az elektronikában kezdők kérdéseinek van fenntartva és nem elfelejtve, hogy hobbielektronika a fórumunk!
- Ami tehát azt jelenti, hogy a nagymama bevásárlását nem itt beszéljük meg, ill. ez nem üzenőfal! - Kerülendő az olyan kérdés, amit egy másik meglévő (több mint 17000 van), témában kellene kitárgyalni! - És végül büntetés terhe mellett kerülendő az MSN és egyéb szleng, a magyar helyesírás mellőzése, beleértve a mondateleji nagybetűket is!
Így csináld 2db 47k-s trimmerpotival be tudod állítani a maximális jelszintet ami még nem torzít .
A hozzászólás módosítva: Márc 23, 2016
Hány Ω ellenállást kell sorba kötnöm egy 3V-os LEDdel, hogy 12V-ról működjön?
Köszike!
A LED nem 3 V -os (mint egy izzólámpa), hanem egy meghatározott áramnak kell átfolyni, és akkor kb. 3 V esik rajta. Az izzónál 3 V -ot kell rákapcsolni, és annyi áram folyik, amennyi a teljesítményéből következik. Nem mindegy.
A hozzászólás módosítva: Márc 23, 2016
Akkor jól sejtettem, köszönöm.
Ez azért van, mert egyrészt a magnó fej bemeneti pontja néhány száz mikrovoltos csak, továbbá, a magnószalag sajátosságai miatt erőteljes korrekció van az átvitelben. Meg kell keresned az MC előerősítő utáni pontot, ahol már a nincs benn a korrekciós erősítő, és itt a jelszint is elfogadható. Ez legtöbbször valahol a hangerőszabályzó környéke, ha normál potméteres az autórádió. Ha digitális, akkor csak a benne lévő IC-k azonosítása után fogod megtalálni a megfelelő bemeneti pontot. De itt is illeszteni kell, mert a PC-k fejhallgató kimenete kis impedanciás, legalább egy soros kondi, és egy megfelelő paralel illesztő ellenállás kel majd a bemenethez. kondinak kezdésnek pl. 470 nanofarad, ellenállás tipikusan 4-5 k Ohm.
Sziasztok!
Szabályozható tápegységet próbálok készíteni LM2576-os IC-vel, a kimenetet 1,2V és 25V között lehetne álítani. A kimenő feszültséget ledes feszültségmérővel szeretném jelezni. A feszmérő számára csináltam egy fix 12V-os tápot LM7812-es IC-vel. Az LM2576 és az LM7812 külön panelen vannak, az előbbi a trafó 0V és 22V-os leágazásához csatlakozik, az utóbbi a 0V és 12V-os leágazáshoz. A feszmérőnek három vezetéke van, ebből kettőt a 12V-os tápra, a harmadikat az LM2576-os kimenetének pozitív ágára kötöttem. A feszmérő viszont jóval kisebb feszültséget mutat a tényleges kimenethez képest. Pl.: a kimeneten multiméterrel 12V-ot mérek, a ledes kijelző csak kb. 3,5V-ot mutat. A két szabályzó IC negatív kimenetei között ebben az esetben több mint 8V különbséget mértem. Valószínűleg ez okozhatja az eltérést a két mért értékben. Összeköthetem-e a két panel negatív pontjait? A hozzászólás módosítva: Márc 23, 2016
Sziasztok!
Vásároltam két RT424F05 bistabil relét. Az adatlapot nézegetve viszont nem jövök rá, hogy a két tekercs közös lábát +5V-ra, vagy GND-re kéne kötnöm. Vagy ez teljesen mindegy?
Hello! Ne, mert várhatóan zárlat lesz. Ha jól értem, a trafó közép kivezetéses. A két szélsőt Graetz-el egyenirányítva megkapod a 2576-hoz a feszültséget. A negatív ponthoz képest a közép kivezetésen féltáp lesz. Azt szűrve használhatod a műszerhez. És akkor akkor mind kettő GND pontja a negatív táp lesz.
Pedig ott van minden az adatlapon: a tiéd egy 2 tekercses 5V-os példány. Ennek a középső, A3-as lába a +5V, és a másik kettőre (A1, A2) felváltva tudsz adni negatívot, akkor kapcsolgat.
A hozzászólás módosítva: Márc 24, 2016
Köszönöm a segítséget, este volt már, és nem találtam meg.
Meg kellene keresni a végfok dierekt bemenetét. Általában ahol a potméter csúszkája van - az megy a végfok felé és a poti két vége a bemenet. Esetleg egy csatolókondi lehet rajta. Mivel sztereo - nyilván dupla potmétered van. A potméter és az opcionális kondenzátor előtti részt pedig egyszerűen ki kell hagyni.
Üdv!
Olyan problémám akadt hogy vettem a szobámba egy csillárt de én két körösre akarom bekötni (minkét kapcsoló külön külön kapcsoljon 2 izzót) Mit kell átkötnöm és a vezetékeket hova kell bekötni hogy jó legyen? Én úgy képzeltem el hogy 2 fázist bekötök középre a földelés helyére a kapcsolótól jövő vezetékeket pedig a sorkapocsnál a 2 fázisra a COM 1 és COM 2 kötném a nullára pedig a 2. Így jó lenne nem????
Hello! Ha a lámpánál nincs földelés kialakítva (Szabvány szerint kellene, mert fém a háza) akkor a kékeket hagyd együtt, és a barnákat tetszőlegesen csoportosíthatod két felé. Egyik csoport az eredeti helyén marad, a másik csoport a földelés helyére. A falból is egy kék és két fekete vezetéknek kellene jönni. Kék a nulla, a két fekete a kapcsolt fázis.
Az átkötés megvan de a bekötés már nem megy ennyire könnyen. A kapcsolónál a falban 3 vezeték jön ki 2 fekete és egy zöld sárga. A zöld sárgában van áram a 2 feketében nincs. A mennyezetnél a lámpánál is 3 vezeték jön ki és egyikben sincs áram. A 2 fekete vezetéken szakadást mértem a mennyezeten kijövő vezeték vége és a kapcsolónál kijövő vezeték vége között, és hogy tudjam melyik melyik szigetelőszalaggal jelöltem mindkét végét fehérre és kékre. De a harmadik az piros színű és nem zöld sárga mint a kapcsolónál, és a szakadás mérésénél alig sípolt a multi, nem úgy mint a két feketénél. Hogy tudom bekötni ahogy én szeretném????
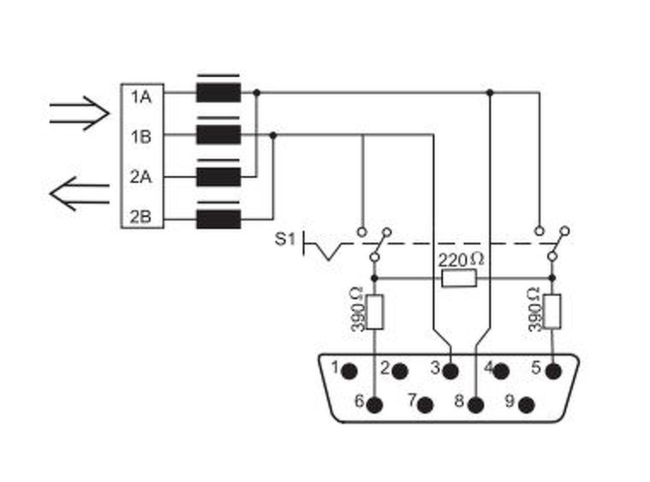
Sziasztok!
Az alább kapcsoláson a csatlakozónál mik azok a fekete táglalapok? Kondi esetleg? Kép alapján legalább is én kondira tippelek.
Pedig egyszerű a dolog. A falban van valahol egy kötődobozod még. A kapcsolónál gyaníthatóan amiben van fázis, az a betápod. A másik két elmenő lehet csillárszál 1 és csillárszál 2. A csiilárnál nem is szabad áramnak lennie, amíg nem kapcsolod fel a kapcsolót. Azaz ott 1db nullád van és a csillárszál 1 és csillárszál 2. Ha nem így van akkor ilyenné kell alakítani. Akkor tudsz 2 áramkört csillárkapcsolóval kapcsolni. A csillárszál 1-et és csillárszál 2-t egy sima sípolós műszerrel ki tudod mérni a műszer egyik végét a csillárnál teszed rá, a másik végét a kapcsolónál lévő egyikére. Akkor jó ha összesípol, mert akkor megvan az egyik. Megjelölöd szépen, hogy később ne keverd el: ráírod: csillárszál 1. Ugyanígy jársz el a csillárszál 2-vel is. A csillárnál lévő 3. vezetéket úgy tudod ellenőrízni, hogy vagy van próbalámpád és az egyik vezetéket erre teszed (ami se nem csillárszál 1 se nem csillárszál kettő kizárásos alapon). Az izzó másik felét mondjuk a konnektor fázisába. Ha világít hurrá a csillár oldal jó.
A kapcsolónál már ugye meglesz a két csillárszálad, a harmadikban meg ott a fázis. A kapcsolódat bekötöd úgy, hogy a közös pontra bekötöd a fázist (L), a másik kettőre a két csillárszálat. A csillárnál így lesz kapcsolt fázis 1 és kapcsolt fázis 2-d valamint a nulla. erre már csak a két áramköröd kell rákötni. Lehetőleg kikapcsolt kapcsolóállás és lenyomott kismegszakító mellett!.
Üdv!
Találtam egy nyáktervet TDA7294-el az ezzel foglalkozó fórumban. Elkíszítettem, egyenlőre monóban, forrasztottam rá potméter csak teszt képpen. Összedugom, a bemeneten nem volt semmi és valaki el kezd beszélni! Mondom mi a f...sz, erre hallom kossuth rádió! Elnézést a kifejezésért, de ez volt a reakcióm! Ha rádugom a telefonom akkor szól a zene is, de ez most mi? Ez mitől van? Vagy hogy? ![]() Le is videóztam hogy lássátok! Videó Előre is köszönöm!
Frankó. És gondolom akármilyen nem lehet. Mi van akkor, ha elhagyom?
Inkább SMD ferritgyöngy (az értéke nem biztos, hogy ezé a típusé) zavarszűrőnek. Rövid RS485 kábel esetén elhagyható.
A hozzászólás módosítva: Márc 24, 2016
Örülhetsz, nyertél egy szép, jó földhurkot. Tervezd át a nyákot, ha lehet az ajánlások szerint.
A hálózatod nem szabvány színekkel van szerelve, de leírásod alapján így kellene bekötni. Remélem így már eligazodsz.
Attól ez nem lehet, hogy az egész épületben nincs földelés? Azt már észrevettem, hogy minden fém cucc csíp. (Nem a házunk, hanem egy külön épületről van szó!)
Mennyire rövid? 8-10m kellene bekötnöm.
Köszönöm a segítséget. Szűréshez mit használjak? Egy aluláteresztó szűrőt 50Hz-re?
A hozzászólás módosítva: Márc 24, 2016
Ha csíp, akkor védővezető biztosan van ott (tán még egy testzárlatos készülék is), csak a földelés felé a kapcsolata megszakadt, elég veszélyes állapot! Ha nem lehet masszív földelést létesíteni, akkor FI "relét" kell telepíteni, ennek "gyengébb" földelés is elegendő.
Addig csíp, amíg valaki ott nem hagyja a fogát a műhelyedben. Többe fog kerülni, mint most egy villanyszerelő.
|
Bejelentkezés
Hirdetés |









Elnézést a kifejezésért, de ez volt a reakcióm! Ha rádugom a telefonom akkor szól a zene is, de ez most mi? Ez mitől van? Vagy hogy? 





