Fórum témák
» Több friss téma |
Sziasztok!
Vettem egy Blaupunkt CR-8010 típusú videókamerát, de a tápegysége egyáltalán nem mutat semmi életjelet. Se a kamera nem megy róla, sem a tápegységbe belerakott akksikat nem tölti, feszültség se jelenik meg az akksik csatlakozópontjain (egyszerre kettőt is lehetne tölteni vele). Led se világít rajt semmikor. A 220-at megkapja, biztosíték se ment ki rajt, viszont nem mutat semmi működésre utaló jelet, semmi se melegszik benne, a nagy 400V-os kondenzátoron csak 2,5V van. A töltő típusa: Blaupunkt PC8010 Mit nézzek/mérjek rajt, hol lehetne elindulni vele, mi okozza legvalószínűbben a hibát? Előre is köszönöm szépen a segítséget! Moderátorokat kérem, hogy légyszives ne helyezzék át a témát, a tápegység különlegessége, bonyolultsága miatt is, saját téma sokkal nagyobb esély a javításra.
Szia!
Ha a 400V-os kondin nincs meg a hálózati feszültség (230V*gyök2), akkor nem kell sok mindent végignézni. A bekötése általában ez: -táp becsatlakozás -biztosíték -zavarszűrő kondi, tekercs -graetz híd -puffer kondi Végigméred, hogy hol veszik el a feszültség, és javítod.
Semmi különleges nincs a tápegységben, egész nyugodtan át lehet helyezni bármely illeszkedő témához. A leírás alapján elsősorban a bemenet NTC ellenállását majd az egyenirányítót kell elllenőrizni. A 400 V-os elkón 310-320 V körüli feszültségnek kellene lennie, ami valahol elakad. A képen nem látható a diódahíd. Valahol a kondival szemközti oldalon, a fekete kábelköteg alatt lehet. Végig kell követni a bejövő 230 V útját.
Köszi, holnap akkor jobban szétkapom, remélem tényleg ilyen egyszerű dolog lesz
Szia, ha még nem piszkáltak bele akkor kezd a szemrevételezéssel pl. keress fólia repedéseket nem feltétlenül komoly a hiba, de nincs kizárva.Mérj hidegen.Meddig megy el a 230V-s táp.
Nem tudom lekövetni, a 220 kondenzátorokon megy át, egy idő után csak 110 volt, és az megy a testre. Akármerre nekiindultam lekövetni a testre értem kondikon keresztül, és nem találok semmi diódahidat
Lefényképeztem, hátha valaki jobban le tudja követni, hogy hol is kéne lenni, és hol mennyi feszültséget kéne mérni. Egyszerűen akármelyik oldalát nézem, semmi diódahíd, két nagy dióda van az egészben, ami az előző képen látszik a panel jobb oldalán.
Alul van 1 kocka + - felirattal a szélénél, szerintem az a diódahíd.
Sikerült megcsinálni, szerencsére csak egy kontakthiba volt a biztosíték környékén.
![]() Mindenkinek köszönöm a segítséget!
Sziasztok! Van egy fényképezőgép aksi töltőm, külön adaptere van ami 12v ot állít elő, a gond hogy kapcsitáp van benne és nem ad ki fix feszültséget, mi lehet a gond?
Semmi feszültséget nem ad? Nézd meg hogy a nagy pufferkondin van-e feszültség, ha nincs akkor innen haladhatsz vissza fele mint én, úgyanazokata dolgokat nézd.
Ad ki csak nem stabil, hol 11v...12V-ig váltakozik. A vezérlő 8 lábas, szerintem a feedback-os résznél lehet a baj, ott van 1 optocsatoló és 1 zener valahogy úgy vannak a kimenetre kötve.
egy töltőnek tökmindegy,hogy 11 vagy 12 volt
Üdv!
Terhelés volt rajta amikor mérted? Egy 12V-os kisebb izzót tegyél a kimenetre. A C1 poziciójú kondi miért nincs benne? Esetleg párhuzamos a jobbra-alatta lévő kondival (117-es kép)? Nem ez volna a hálózati puffer? sanyika45
Sziasztok!
Van egy DuraTrax ICE Lithium inteligens töltőm, sajna rossz, már így vettem. Ha tápot kap csipog, kezelőgombokra reagál, kijelzés semmi nincs. Kimeneten nincs fesz, de ez lehet, hogy azért, mert kijelző nélkül nem tudok out-ot állítani. Szerintem bedugták a bemenetet 230V-ba, a 12V helyett. Azért gondolom ezt, mert a bemeneti Elko eldurrant, kicseréltem, de van 2 alkatrész, melyek ( smd-k, db-onként 6 lábuk van ) eldurrantak. Ezen alkatrészek beazonosításához kérnék segítséget. Valószínű vmi fesz. szabályzók, de nem biztos. Rajz nincs, hiába kértem. A hozzászólás módosítva: Ápr 14, 2014
...
annyi történt, hogy kijelző mostmár jó, mert egy tranyót ki kellett cserélnem, de az előző hozzászólásomban lévő 2 alkatrész beazonosításához még mindig várok segítséget, gondolati levezetés is jó.
Sziasztok!
Van egy 10V 1A-es tápegységem. A következőket produkálja: Ha bedugom a konnektorba, elkezd "hangosan" sípolni, majd ez folyamatosan halkul. Ezt ismételgeti úgy, hogy az elején még nagyon gyorsan, kb 1 másodpercenként, aztán egyre több ideig tart, amíg a hangosabb sípolástól eljut a halkig, míg egyszer csak a halk sípolásnál marad, és innentől kezdve működőképes a rá kötött eszköz. Ha terhelés nélkül dugom be, akkor is ezt csinálja, csak hamarabb eljut a folyamatos halk sípolás, azaz a működőképes állapotba. Mi okozhatja ezt? Valamelyik kondinak már nincs megfelelő kapacitása, és az? A táp már használtan került hozzám, akkor még jó volt, bár az üzem közbeni halk sípolás már akkor is megvolt.
Sziasztok! 24V-os ipari tápegység olyan hibát produkál ha lekötök róla mindent megvan a 24V de amint terhelést kap egy kattanás és kikapcsol. Már izzóval is próbáltam akkor is kikapcsol. Annyi volt az előzmény hogy megállt benne a ventilátor. Szekunder pufferek jók. de tápegységekben nincs nagy tapasztalatom.
Pontos típus esetleg jó lenne , vagy egy belső kép a táp részről .
Itt egy fotó a belsőről. Mean well Táp
Gondolom az áram figyelő résszel van gond mert olyan mint amikor zárlatra lekapcsol. Vagy nem jó helyen járok?
Elsőnek azt nézném meg , hogy , ha a kimenetet terheled , akár jó az az izzó is amit írtál , mert már az izzónál is kikapcsolt.Szóval a terhelés következtében kellene mérni a puffer kondenzátorokon lévő feszültséget , hogy meg marad e , vagy esetleg lecsökken már annyira , hogy az elektronika már instabil lesz.
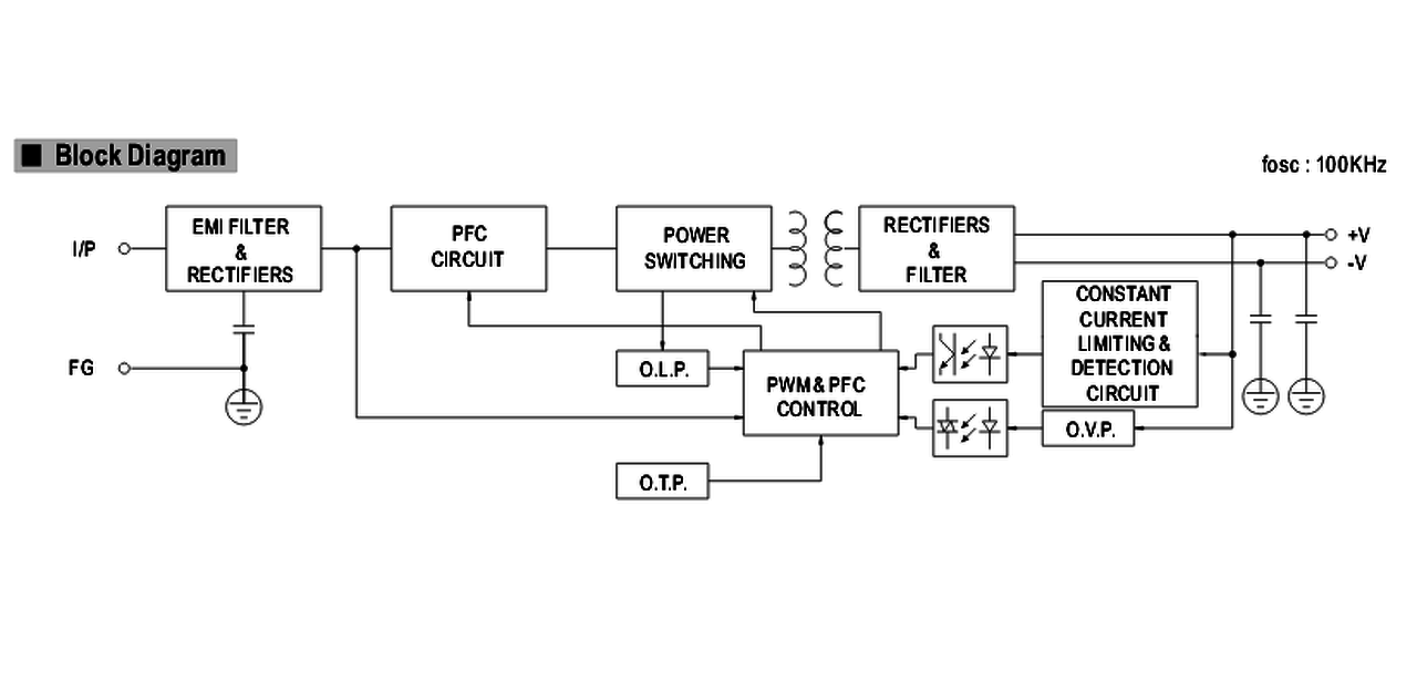
Egy block diagram , ami talán segít eligazodni , hogy működik a táp.
Az a baj hogy esély sincs mérni mivel ez egy 42A-os táp és egy 21w-os izzónál is kikapcsol...
Pont ez a lényeg , ha már ilyen kis terhelésre is kikapcsol , akkor sosem fogja tudni a 42A es terhelést.
Tedd rá az izzót , de közbe legyen gy műszer a puffer kondenzátoron , hogy leesik e nagy mértékben a puffer feszültség. Itt most nem is az a lényeg , hogy teljes mértékben 42A es terhelés legyen , hisz már egy izzó terhelésre is leáll a táp , és az pedig nem vesz fel 42A ert.
Értem de egy relé van a primer oldalon ami kiejt (kis terhelésnél is) és 0V-ot mérsz utána
Viszont meg terhelés nélkül jó minden feszültség ?
A kondenzátorokat csak ki kellene mérni legalább is a szekunder oldalon , azt mindenféleképpen kellene. A hozzászólás módosítva: Márc 27, 2016
Igen!
Életembe nem láttam még ilyet! Azt nem értem hogy a meleg hatására mi mehetett tönkre benne ami ilyen hibát produkál? Mert az ötletem az volt hogy a kondik száradtak ki. A hozzászólás módosítva: Márc 27, 2016
Jól gondolod , de ahhoz ,m hogy ez biztos legyen mérni kellene főleg a szekunder oldalon , azt a 7db elektrolit kondenzátort.
|
Bejelentkezés
Hirdetés |













