Fórum témák
» Több friss téma |
Fórum » Keverőpult építése, javítása
Jellel, vagy jel nélkül, mindegy. Ha nincs túlvezérelve.
Hajaj, ezt tényleg benéztük...
![]() Nem szokott ott csatoló kondi lenni, mivel általában az ilyen keverő kapcsolások szimmetrikus tápról üzemelnek és akkor nem kell oda csatolókondi. A figyelmetlenség... A hozzászólás módosítva: Márc 26, 2016
Akkor a bemeneti ágakban található 1µF - os kondenzátorok feleslegesek?
Köszönöm a segítséget, jelgenerátorral mérve már működik. Most jön majd a zenei próba.
Nem probléma megoldottam. Mindenkinek aki segített a projekt megvalósításában nagyon köszönöm. Ha rendes + - 12 voltos táppal üzemelne akkor ezek a kondik nem kellettek volna?
Pár kép a kész keverőről. Sajnos fém dobozom hirtelen nem volt.
A hozzászólás módosítva: Márc 26, 2016
Nem rossz.
Az szerintem nem nagy gond, hogy műanyag dobozba tetted. De én árnyékolt kábelt használnék.
Akkor nem.
A mikrofon kis jelet szolgáltat, az előerősítő nagyon érzékeny. Lehet, hogy árnyékolni kell majd a dobozt és belül be kell majd vonni egy GND -re kötött fóliával. A hozzászólás módosítva: Márc 26, 2016
Nincs mit, ezért vagyunk itt. Csak néha elnézünk dolgokat, de több szem többet lát...
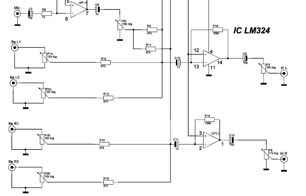
A berajzolt kondenzátorral kapcsolatban lenne egy kérdésem.
![]() A Hobby Elektronikát lapozgatva, találtam egy egyszerű keverő kapcsolási rajzát. Ebben nem szerepel ez a kondenzátor. Miért? A hozzászólás módosítva: Márc 27, 2016
Ott a C1,2,3 erre a feladatra. Azért nem tudok szó nélkül elmenni a helytelen értékválasztás miatt, 1Mohm bemeneti ellenálláshoz 33nF illene.
Tiszteletem találtam egy keverő rajzot az a kérdésem , hogy az 1k poti helyett használhatok 10k vagy 100k ez van itthon
Az összegző ellenállások 22 kohmosak. Ha nagyobb ellenállású bemeneti potikat használsz, ezeket az ellenállásokat is meg kell növelni. Ennek viszont határt szab, a műveleti erősítő bemeneti ellenállása. Ez olyan 100 kohm nagyságrendű szokott lenni, (de végül is kiszámolható, vagy megmérhető) ennek nagyjából tizede az összegző ellenállás, és ennek is nagyjából tizede a bemeneti potméter értéke. Ez azért van így, hogy az egyes fokozatok csak kismértékben terheljék az előző fokozatokat.
Ez az egyik hátránya a passzív keverő fokozatoknak. A másik, a folyamatos jelszint csökkenés, ami nem tesz jót a jel/zaj viszonynak. A hozzászólás módosítva: Márc 27, 2016
Kössz tehát azt javaslod ,hogy nincs értelme a változtatásnak
De hiszen a gyula66 fórumtárs képén is ott vannak, azok miért nem veszik át a DC kiszűréséhez szükséges szerepet? A kettős vonalbemenet miatt?
Telefonról nem tűnt fel az invertáló bemenet előtti 1uF, a karikázott kondik valóban elhagyhatók.
Kipróbáltam mp3 lejátszóval, és mikrofonnal a keverőt. Működik. A vonali jelek jól szólnak, de a mikrofon bemenetnél van egy erős alapzaj ami annál erősebb minél jobban bekeverem a jelet. Csak azon a bemeneten jelentkezik ahová bedugom a mikrofont. A szabadon hagyott bemenetet ha bekeverem semmi zaj nincs. Lehet, hogy mikrofon hiba?
Nem a mikrofonnal van a baj. Ha nincs rádugva, akkor az első fokozat erősítése egyszeres, ha rá van dugva, 100-szoros. És a bementi zajt is ennek megfelelően erősíti. Az LM324 nem egy kis zajú erősítő, hanem egy általános OPA. Zárd a bementet e GND-re, ugyan olyan zajos lesz.
Hú hát ez nekem egyre bonyolultabb. Ha választok valami kisebb zajú IC-t akkor javulhat a dolog?
Ezeket Steelbird ajánlotta: LM837, OP470, TS524, LT1679, LT1125. Elvileg bedughatók a panelba.
Igen, jól érted.
![]() Még esetleg a P8 -as potméter értékét ha gondolod javítsd át mert, 11k van írva. Szerintem az 10k lenne. ![]() Még a zajt egy kicsit úgy csökkentheted, hogy veszel a barkácsboltban alumínium ragasztószalagot. Ragaszd körbe az egész doboz belsejét, minden oldalt beleértve. Majd kösd össze az oldalakat a GND-vel. Így árnyékolva lesz a doboz. Esetleg még a kábeleket, ahogy már javasoltam cseréld le árnyékolt kábelre! A hozzászólás módosítva: Márc 27, 2016
Igen, írtam még az elején, hogy zajos lesz a mikrofon előerősítő az LM324 -gyel.
Ráadásul azok a mikrofonok, amiket mutattál, szintén nem túl jók. A kettő együtt okozza a nagy zajt, de főleg az LM. Ez a mikrofon nem azért gyengusz, mert zajos, hanem azért, mert kevés jelet szolgáltat és a többi paramétere sem túl jó. Főleg, ha még hangszínelve is van az egész, akkor jó zajos lehet. Azt is írtam kicsivel visszább, hogy akkora az erősítés a mikrofon csatornán, hogy valószínűleg árnyékolni kell majd a dobozt, mert egyébként össze fog szedni minden zajt, brummot. |
Bejelentkezés
Hirdetés |



















