Fórum témák
» Több friss téma |
Processzor programját meg tudod írni ?
A hozzászólás módosítva: Jan 10, 2016
Igen, mások is tanácsolták, hogy shift registeres megoldást alkalmazzak, úgyhogy, akkor ez lesz.
Kivezetés akkor csak egy RS-232-es port és a többit majd segítséggel megoldom. ![]() Ehhez valami kapcsolási rajzba segítséget kérhetnék?
Magamtól nem biztos, de majd segítséggel megoldom.
74ls595 ic adatlapját töltsd le abban találsz kapcsolási rajzot
Ok, akkor RS232. De könyörgöm, mit akarsz ezzel a kapcsolattal csinálni? Az eredményeket feltölteni a számítógépre? Menet közben módosítani az elért pontszámot? Kizárni játékost? tripla 20-as találat esetén zenéljen/indítson el egy föld-levegő rakétát a számítógép?
Semmi gond akkor a számítógépre is kell írni egy programot ...
A hozzászólás módosítva: Jan 10, 2016
Nem az a gond, hanem a cél tisztázása. Javítottam nem egy gyári Darts masinát és perpillanat nem nagyon tudok elképzelni bármilyen indokot is, hogy egy ilyen masinát számítógéppel összekössek. Ok, talán az eredményeket eltárolni, de csak nem olyan nehéz bepötyögni három-négy számot...
Az eredményt kellene csak jelezze, amit pc-ről, vagy majd amiről beírjuk kijelezze és ugye azt a 3 számot írja át, a többi 6ot meg újraírja, így lesz megoldva az, hogy ami nem változik, az is maradjon kiírva.
Ha jól értem a leírásod (számomra kissé zavaros), ehhez teljesen felesleges bármilyen számítógép is. A kijelzőt lehet léptetni gombokkal is, amelyek a kontrollerhez kapcsolódnak.
Talán sikerült felfognom ! Egy kijelző kell neki amire az értéket a számítógépről írja ki ! A táblán nem lesz érzékelő az értékeket kézzel írja át a gépről Sokkal egyszerűbb és olcsóbb lenne ha 3 db 16f628 al csinálna 3 külön kijelzőt és mindenki maga állítaná az elért eredményt a saját kijelzőjén két nyomógombbal ,és ehhez a megoldáshoz még léptetőregiszter sem kell
A hozzászólás módosítva: Jan 10, 2016
Már kezdtem azt hinni, hogy elfelejtettem olvasni és csak én nem értem teljesen, mi a kérdés. Egyébként igazad van, létezik 1000 + 1 megoldás, csak választani kell. Én személy szerint nem szeretem a multiplex meghajtást.
A hozzászólás módosítva: Jan 10, 2016
Pedig ő a leg anyagtakarékosabb megoldás,ámbár lehet siftregisztert is használni de nem érdemes ...
Sziasztok!
A segítségeteket szeretném kérni. Lenne egy 3x4 digites LED kijelzős kapcsolás, amelyből 2x4 digitet számlálóként használnék. Hogyan ( illetve meg lehet -e egyáltalán oldani ) lehet megoldani, hogy a két számláló helyett csak egyet használjak, úgy, hogy a két értéket pl. valamilyen kapcsoló áramkört használva ki tudjam jelezni? Mellékelek két elvi rajzot (remélem láthatók,olvashatók). Valami hasonló megoldás érdekel, mint ami az ÁK-1- en van, csak fordított esetben. Előre is köszönöm a segítséget!
Hello! Ebből nem derül ki, mid is van és mit is szeretnél tulajdonképpen.
- De egy számlálóhoz két kijelzőt csak úgy lehet használni, hogy pld. a számlálóval megszámolod az első "A" akármit, majd ezt tárolod az "A" tárolóban. Majd a "B" akármit számlálod, és tárolod a "B" tárolóban. - Ha meg akarod jeleníteni az "A" értékét, az "A" tároló kimenetét kapcsolod a kijelzőre. Ha a "B" értékét, akkor a "B" tároló kimenetét kapcsolod a kijelzőre. - Tehát így egy számláló van, és két tárolt érték, egy kijelzővel. De egy számlálóval egyidejűleg két értéket számlálni, nem lehet.
Szia Proli!
Tulajdonképpen azt akarom megvalósítani,amit leírtál, tehát vagy az "A" érték, vagy a"B" érték lenne kiíratva. Bővebben: Link Bár nem tudom, a MAX7219 IC tud e tárolni két értéket. A hozzászólás módosítva: Ápr 1, 2016
De ehhez nem kell semmi. A MAX-ban shift regiszterek vannak. Oda a PIC belépteti a biteket, a Max tárolja, majd dekódolja és megjeleníti hétszegmenses formában. Számolni a PIC fog, nem a MAX.
A hozzászólás módosítva: Ápr 1, 2016
Az még rendben is lenne. A linkben szereplő rajz szerint 2x4 digit van a MAX7219 -re kötve és ezt akarom úgy megcsinálni,hogy 1x4 digiten jelezze ki az értékeket ( természetesen vagy az egyiket, vagy a másikat).
Mellékelek egy rajzot.
Szóval a "b"és a"c" kijelző helyett csak az egyiket használnám és azon jeleniteném meg vagy az egyik vagy a másik értéket.
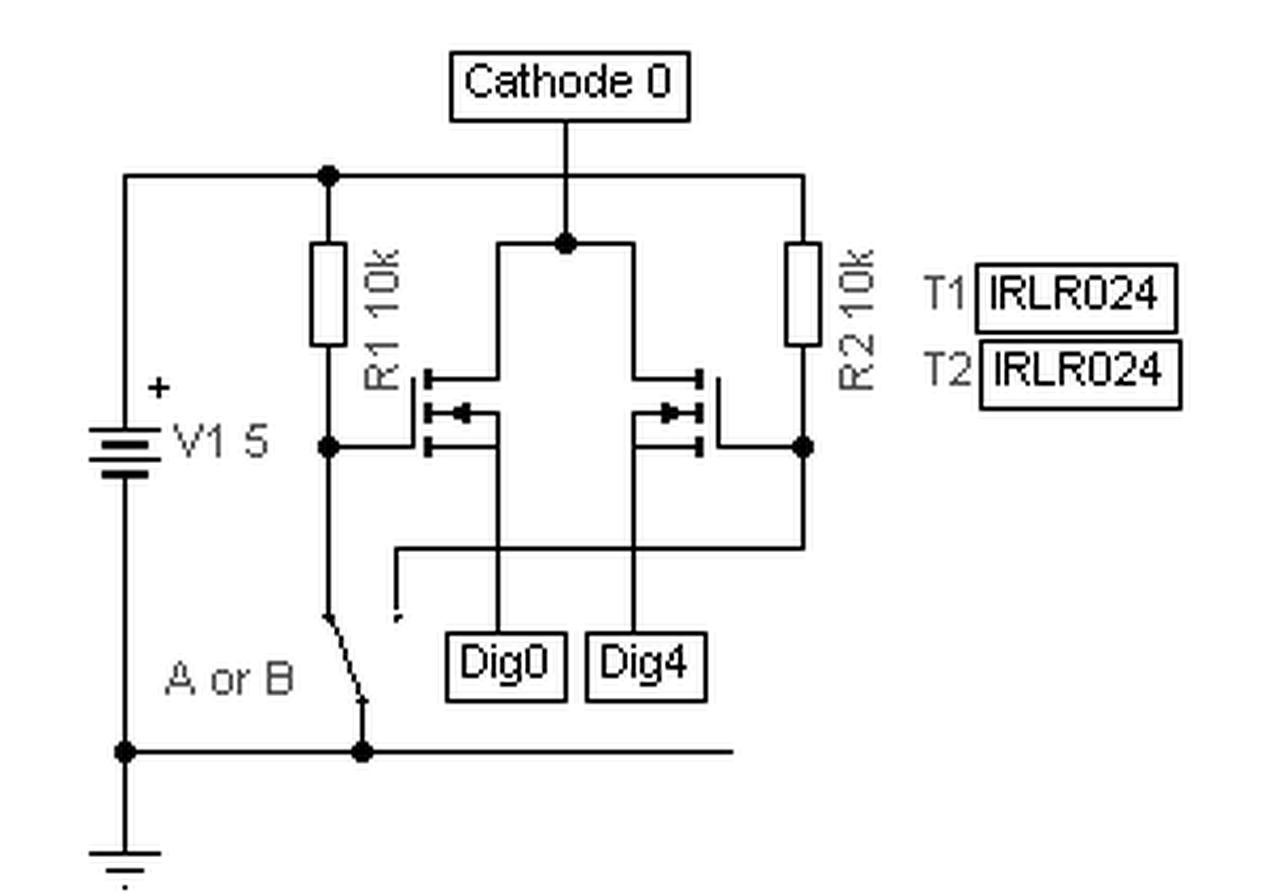
Mivel minden szegmens ugyan arra a meghajtóra van kapcsolva, és a D0-D8 katódokat multiplexálja a vezérlő, így a katód vezérlőt kell a megfelelő digitre irányítani. Vagy is a a D0-D4, D1-D5, D2-D6, D3-D7 között kell átváltani. Pld. megoldható, ha négy ilyen fokozatot építesz meg. A kapcsoló kiválasztja, hogy az "A" számot vagy a "B" számot jelenítse meg a kijelző. (Kapcsolóból, és felhúzó ellenállásból csak egy-egy kell, mind a négy Gate mehet egy kapcsolóra.)
Megrajzoltam, amit ajánlottál.
Véleményed szerint így jó lesz? Vagy módositsak még valamit?
Összesen csak két ellenállás kell, viszont a tetejére az +5V-ot rá kell kötni.
Mármint az egyik ellenállásra kössem a D0, D1, D2, D3 digitre kötött FET-ek "gate" kivezetését, a másikra ellenállásra pedig a másik 4 FET "gate" pontját?
Igen. Ha megnézed, a négy ellenállás párhuzamosan van kapcsolva. Az ellenállás azért kell, hogy amikor a kapcsoló ki van kapcsolva, az adja a magas szintet a Gate-eknek. Az alacsonyat meg a kapcsoló. Persze ez csak egy Móricka rajz, hogy hogyan lehet megoldani a katódok vezérlésének kiválasztását. A kapcsoló-ellenállás helyett egy logikai kimenet értelmesebb lenne. De csak a Fet-ek Gate töltése miatt. Nem tudom hogy a MAX mennyi holtidőt biztosít (gondolom a adatlapot kellene böngészni) mert ha kevés, és a Fet lassan kapcsol be/ki, akkor esetleg halványan átlátszódhat a másik digit kijelzése. De majd próba cseresznye..
Ha a "holtidő" alatt, mint késleltetésre gondolsz, az - ha jól láttam - 2.25 ms.
Valahogy összehozom. Nagyon szépen köszönöm a segítséget! A hozzászólás módosítva: Ápr 2, 2016
Ledekből építettem kijelzőt egész jó csak elfogytak a lábaim
.Nincs valami olcsó IC ami mondjuk 4 lábbal tud 7 szegmenst számmá alakítani, mintha láttam volna ilyesmit valahol. Az is jó, ha 6-al tud két számjegyet
Biztos bennem van a hiba, de nem értem a kérdést. Minden BCD - szegmens átalakító 4 bit bemenetű, a kimenete pedig hét lábbal jeleníti meg a számjegyeket.
Ha egy mikrokontrollernek nincs elég lába, akkor valamilyen soros átvitellel akármekkora számot ki tud adni. Ezután persze kell külön dekóder. Másik lehetőség a 74HC595, vagy valamelyik rokona is meg tudja oldani a problémát (soros/párhuzamos átalakító).
Ja igen igazad van: szóval AVR-el csinálom és minden led egy-egy kimenetre van kötve, szoftveresen állítom elő a számokat. (igazság szerint két led van egy kimeneten, mert 8 cm-es egy szegmens).
Naszóval így két számjegy az 14 láb 4 számjegy pedig 28 nekem pedig van még 4 gombom stb... Ezért gondoltam arra, hogy van-e olyan ami binárisan kapná meg a számot (4 vagy 6 biten) és ebből vezérelné a ledeket. |
Bejelentkezés
Hirdetés |












.



