Fórum témák
» Több friss téma |
az elmozdulások miatt van. a gépemen szinte semmit nem lehet állítani
de legalább van rajta focus lock, manuális iso állítás, az f értéket is lehet állítani, (ev ugye alap)...az elmosódott részek leginkább a (hatalmas) szél miatti mozgásokból, és a gép ev értékállítgatásakor előjött apró elmozdulásaiból származnak. (meg az se elhanyagolható tényező, hogy délután készült, amikor már közeledett a sötétedés ideje, így a 9 forráskép összesen több, mint 15 percig tartott!) ami kép ezután készült, az már majdnem sötétben volt ![]() ami igazából a gépemben nem tetszik, hogy nincs benne manuális fehéregyensúly állítás, ill. raw formátumot se tud kezelni, pedig akkor igazán jó lenne és eddig csak cannon géphez találtam meg azt a kis patchet, amivel elő lehet csalogatni a raw formátumot (meg még pár nyalánkságot), ehhez nem (szerintem nem is létezik hozzá)persze az a nem mindegy, hogy ez a gép annyiba került amikor megvettem, amennyit hajlandó voltam egy fényképezőgépre áldozni (30000ft és volt hozzá 1gigás cf kártya meg 1 év gari és számla, mindez akkoriban, mikor a kártya önmagában 10000-be került ~2 éve) ami ennél többe kerül, az nekem már a nem éri meg kategória... (pedig jól tudom, hogy tudás tekintetében bőven feljebb kell menni az árban) viszont a gép hiányosságait gondos előkészületekkel, és tudatos felhasználással ki lehet küszöbölni ![]() fg: ajánlom figyelmedbe olvasáskor a word nagyítási lehetőségeit... nem véletlenül nincsenek tömörítve a felhasznált képek
Ha ez megnyugtat, a 400D mindenféle rövidzárat eltűr (persze csak a távkoldó bemeneten
)
Kicsit régi a kérdés, de hátha valaki még fotózgat távvezérelten: hasznos lehet
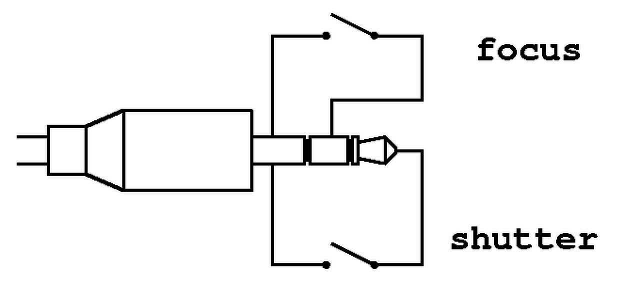
Canon EOS-hoz építettem, kiválóan működik, ötletekkel bővíthető, pl 555 időzítés, PIC vezérlés, hang, vagy fényvezérlés, pl villámfotóhoz. Most Pana DMC G2 vezérlő készül. 4 érintkezős 2,5 jack kábelt a "Tacskó" áruházban vettem, 750 Ft kábellel, ajándék gombbal, mikrofonnal, hangszóróval. (Nokia headset névre hallgat ) Felesleges cucc kiszedve belőle, nekem csak az exponáló gomb kell jelenleg. Később bővítem...
Távvezérlő mókolás közben "felfedezés": Ha a Pana két vezérlő vezetékét összekötöm ellenállások nélkül, külső mikrofonként látja a kábelt a gép, adja magát, hogy sztereó mikit is lehet hozzá építeni, és nem kell drágán megvenni.
Sziasztok, azért nyitom ezt a témát , hogy itt összegyűjtsük azokat az információkat , amik egy Canon EOS fényképezőhöz való távkioldó építéséhez van. (Persze nem a sima exponálózsinorra gondolok, hanem profi időzítősekre.) Az interneten sajnos csak elszórva található információ, és az embernek ilyen drága eszközöknél nincs kedve kisérletezni.
Remélem hasznotokra lesz a téma. A neten ezt a 2 képet találtam, és akkor fel is tennék egy kérdést, kell ide valami előfeszítés, vagy csak simán úgy működik, hogy a focus illetve a shutter bemeneteket a földre kell húzni? Köszönöm! Sziasztok!
Szia, amiket te küldtél azok tényleg csak távirányítók, én amire gondolok azokkal lehet timelapse fotózást is, beálítod, hogy milyen időközönként csináljon egy képet és otthagyod. Azok sajnos már nem olcsó mulatságok.
Az előfeszítést csak azért kérdeztem meg, mert az interneten találtam ezt a képet és ezt szerettem volna tisztázni. Szerk.: Most látom a pontozott vonalat, az eddig nem is esett le, hogy az előfeszítés a kamerában van ![]() ÜdV! A hozzászólás módosítva: Jan 2, 2015
Nem drága a programozható intervalométer. Nekem is van, bár Nikon-hoz. Bővebben: Link
Részlet egy cikkből. A hozzászólás módosítva: Jan 2, 2015
Udv!
Time lapse video kesziteshez kene egy tavkioldo amin be tudom allitani hogy milyen idokozonkent oldja ki a rekeszt. Valakinek nincs valami kapcsolasa vagy otlete? Elore is koszonom!
Sziasztok! Nekem valami mechanikus megoldásra lenne szükségem távkioldáshoz , ami benyomja az exponáló gombot, lehetőleg, előbb félig aztán teljesen. Ilyenre gondoltam csak nem kézzel nyomkodva, hanem messzebbről irányítva. Valakinek van valami ötlete hogyan oldjam meg?
Ehhez hasonlót most láttam valamelyik reklámújságban, ebben az a jó, hogy tényleg univerzális. A felfogatása úgy tűnt elég tág határok között állítható.
A továbbiakhoz kellene a gép típusa. Lehet, hogy létezik hozzá vezetékes, vagy infra távkioldó... Itt egy ügyes megoldás time lapse-re. A hozzászólás módosítva: Ápr 12, 2016
Canon g7x, én nem találtam hozzá egyiket sem.
G7X-re van (egyelőre fejlesztés alatt lévő) CHDK, azzal használhatsz szkripteket, illetve ilyen USB-s távkioldót. Persze csak akkor, ha a gépen a megfelelő firmware verzió van.
Ez jól hangzik, köszi! Ennek majd még utána olvasgatok, aztán majd kiderül túléli-e a kamera.
A CHDK-t túl fogja élni. Legalábbis én évek óta használom a Canon A560-as gépeimet (igen, több is van belőlük) csak timelapse készítésre CHDK-val tuningolt kártyával...
Sziasztok!
Egy hasznos kütyü fényképezőgépekhez. Én most kezdtem el építeni, ha kész lesz, beszámolok a végeredményről.
Hopp, nem sikerült időben szerkesztenem a hozzászólásomat, a csatolmányt elmentette, de a szöveget nem
![]() Tehát azt akartam írni, hogy van egy telefonos távkioldó, amihez nem kell megvenni a dongle-t, a rajzát az előbbi hozzászolásomhoz csatoltam.
Sikerült valamit alkotni mert ha bedugok egy usb kábelt (másik vége a PC-be) akkor exponál. Mondjuk még érezhető hogy fejlesztés alatt van mert kicsit bugos, de jó lesz ez, én érzem
Köszönöm a segítséget egy darabig biztos nem találtam volna rá erre a CHDK-ra szerintem.
Ezt nézted már? Van egy igen drága géped, ami igen sokat tud...
Igen, de nincs okos telefonom, a mostani nokiámat is csak ébresztőórának használom gyakorlatilag. Azért köszönöm.
Sziasztok! Nem hozzászolni szeretnék de nem találtam ilyen témát és gondoltam ti esetleg tudtok segíteni.Elösször vagyok az oldalon és ha esetleg valaki válaszol akkor a választ is itt találom?
Van egy Panasonic DMC-LX1 digi gépem de kikapcsolva is bekapcsol igy mindig ki kell venni az akksit. Mit tehetek javítható vagy kuka. Köszi a választ János.
Majdnem elkészült a "Smatrig 2.1"-es távkioldóm. Sajnos rossz quartz-ot kaptam ezért egy sima 32,768kHz-es kristály van ideiglenesen beforrasztva, de így pont nem fér el a dobozában.
Eddig tökéletesen működik. Majd terepen meglátjuk, csak jó idő kell még
Klasz lett. Ha kifúrnád a NYÁK-ot és a másik oldalról ültetnéd be a kvarcot elférne a dobozban is.
|
Bejelentkezés
Hirdetés |




de legalább van rajta focus lock, manuális iso állítás, az f értéket is lehet állítani, (ev ugye alap)...
és eddig csak cannon géphez találtam meg azt a kis patchet, amivel elő lehet csalogatni a raw formátumot (meg még pár nyalánkságot), ehhez nem (szerintem nem is létezik hozzá)
) Felesleges cucc kiszedve belőle, nekem csak az exponáló gomb kell jelenleg. 







