Fórum témák
» Több friss téma |
Szia! Akkor neked kell 4-5 választható bemenet és fix 8 kimenet, ugyanolyan szintű jellel, ugye?
Igen,és ha lehet a kimenetek duplán legyenek minden kimenet egy szabályozott egy fix jel pl.a fényorgona fix jelet igényel.
Sziasztok!
Szeretnék építeni az erősítőmhöz egy 4 állású RCA kapcsolót, mivel több forrásról is üzemel és nem szeretném állandóan cserélgetni a kábelt. Találtam is egy nagyon jó oldalt ahol leírják milyen alkatrész is kellene : Link Viszont annyi a gond, hogy magyarországi oldalon sehol sem találtam ehhez hasonló kapcsolót. Valaki tudna nekem segíteni hol találok ilyent? Illetve még lenne egy olyan kérdésem, hogy belső vezetéknek milyent érdemes használni? Előre is köszönöm a válaszokat!
Sok helyen kapható 2 áramkörös 6 állású forgó kapcsoló (Lomex 45-02-87, 45-08-53) amivel megépítheted 6 bemenetesre. Felhasználhatsz még 3 áramkörös 4 állású kapcsolót is (egy áramkörét nem kötöd be) (Lomex: 45-02-88, 45-08-54, 45-08-50, 45-02-89, 45-08-55, 45-08-51) (HeStore: CK-1031 = DS3, PCK-1031 = DS3)
És ezeknek milyen a minősége audio szempontból? Illetve a 3 vagy 2 áramkör egy RCa esetében mit jelent? Az a 2 pólus vagy azt jelenti hány kimenetet lehet rákötni?
Idézet: „Az a 2 pólus vagy azt jelenti hány kimenetet lehet rákötni?” Kettőt. Azaz egy sztereó jelet tudsz 6 forrásról kapcsolni. A hideg (árnyékolás) közös, és 6 pár RCA meleg (középső) erét kapcsolod. Idézet: „milyen a minősége audio szempontból?” Mivel nincs túl nagy frekvencia, ha rövid vezetékeket használsz, nem lesz gond. De ha teljesen korreket akarsz lenni, akkor vékony árnyékolt vezetékekkel huzalozhatod, de akkor az árnyékolások összekötözgetésénél figyelni kell a földhurok kialakulásának veszélyére.
Sziasztok kérném a véleményeteket a kitalált bemenet választóhoz. egymást kiváltó kapcsoló sor/ izosztát/ kapcsolna egy-gy relét
Kapcsolóknál az áramkörök száma a független egységek számát jelenti. Egy stereo erősítőhöz való bemenetválasztóhoz két függetnel rész azaz kétáramkörös kapcsoló kell. Egy mono -hoz egy áramkörös elég.
Annyi állásának kell lennie minimum, ahány jelforrásból származó jelet szeretnél továbbítani egy vezetékre. Stereo 4 bemenetű választóhoz egy 2 áramkörös 4 állású kapcsoló kell. Megoldható 3 áramkörös 4 állásúval is, ha egy áramkört nem kötsz be - esetleg LED -eket kapcsolsz vele, hogy mutassák melyik jel van kiválasztva. Stereo 6 bemenetű választóhoz egy 2 áramkörös 6 állású kapcsoló kell. Ilyeneket is ajánlottam.
Ha már csatornánként egy-egy relé van, miért nem távirányítós bemenetválasztót építesz? Van itt bőven kapcsolás.
az nekem egy kissé bonyolult de ha tudsz valami egy
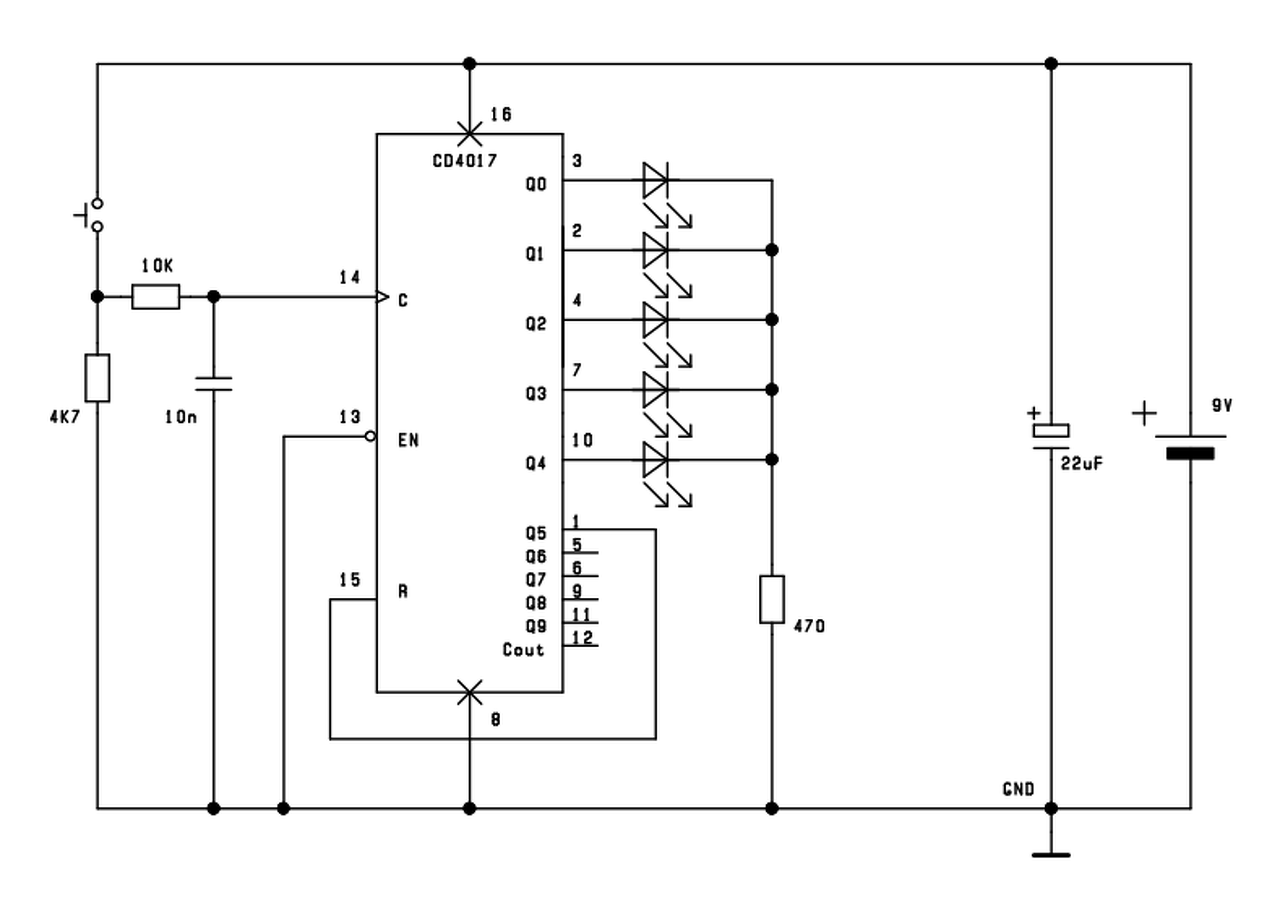
Szia. Esetleg egy nyomógombos kapcsolás kellő számú relével? A CD4017 10 kimenettel rendelkezik.
Én ezt a kapcsolást használom. A kimenetek után egy ellenállás, tranzisztor és mehet a relé. Alatta ott van, hogy hogy kötöd rá.
Ahha, így már teljesen világos, köszönöm!
Valaki esetleg tudna nekem ajánlani olyan műszerdobozt, mint ami ebben a cikkben van? Link Vagy ilyent csak magamnak tudok hajlítani?
Hello! Ez szemmel láthatóan "amatőr kézimunka". Ha nem tudod elkövetni, kérj meg valakit az apróban. Biztos lesz vállalkozó rá..
Az alacsony jelszintek miatt mindenképen árnyékolni kellene a bemenetválasztót. Ezért mégiscsak a fém doboz látszik egyszerűbbnek.
Köszi itt is vagyok a sok rajzolással nincs baj legalább gyakorolom és tanulom a progi használatát idő meg van nem hajt semmi a lényeg,hogy egy működő jó dogot szeretnék csinálni mert van ,ill. lesz 8 darab végfokom amiket szeretnék ha kell egyszerre vagy akár külön-külön is hajtani.Szeretnék plusz kimenetet fényorgonának és egyéb dolgoknak is amihez dinamika kompresszora gondoltam.Tehát az A4-es panel kb. tele is fog lenni a tápok kivételével mert az külön lesz.
Először készíts egy blokk-diagramot, mely ábrázolja az elgondolásod szerinti egységeket! Ha LM1036 fogja a hangszínt és a fő hangerőt szabályozni, akkor előtte a különböző bemeneteket azonos nívóra kell hoznod, mert alacsony jelnél a zaj, magasnál a torzítás lesz kellemetlenül nagy mértékű.
A dinamika-kompresszoros ágat a hangerő szabályzás elől kell hoznod.
Szia ezt a közös nívót úgy érted ,hogy illeszteni kellene a CD,TAPE.........bemeneteket,mert nem egyforma jel szinttel dolgoznak?
Az LM1036-os szekció a te terved alapján,ALKOTÓS nyákrajzos verzió,tehát van az LM előtt egy NE5532-es műveleti is.
Egy erősítő tervezése a feszültség szintek tervezésével kezdődik. Ezt szintezésnek hívjuk.
A hangszínszabályzó áramkör hogy működni tudjon, eleve 15 - 20 dB -el csökkenti a bemenetére adott szintet, hogy el tudja végezni a 15 - 20 dB -es mély, és magas kiemelést. Ez nyilvánvalóan rontja a jel/zaj viszonyt. Hogy ez minél kisebb legyen, az LM1036 bemenetére a lehető legnagyobb feszültséget (szintet) kell adni, és a különböző hangforrásokból származó jelektől függetlenül egyformát. Ez a feladata a hangszínszabályzó fokozat előtti erősítőknek.
A tömbvázlatot így tudnám elképzelni.
El kéne érnünk, hogy az LM1036 bemenetére a forrásjelek 7-800mV-os szinten érkezzenek. Az előerősítőnek képesnek kell lenni a várható legalacsonyabb nívójú jelet erre a szintre erősíteni, a magasabb szintűeket pedig le kell valahol osztanod.
Az előerősítő annyit erősít amennyire a visszacsatolását beállítod, de építheted szabályozhatóra is igény szerint. Neked kell ésszerű határt szabni, vagy ismertetni a szóba jöhető eszközöket, meddig mennél le bemeneti érzékenységben. Az LM1036-hoz rajzolt NE5532-vel 300mV-os kimeneti jelű mobiltelefon használatát céloztam meg.
|
Bejelentkezés
Hirdetés |













