Fórum témák
» Több friss téma |
- Ez a felület kizárólag, az elektronikában kezdők kérdéseinek van fenntartva és nem elfelejtve, hogy hobbielektronika a fórumunk!
- Ami tehát azt jelenti, hogy a nagymama bevásárlását nem itt beszéljük meg, ill. ez nem üzenőfal! - Kerülendő az olyan kérdés, amit egy másik meglévő (több mint 17000 van), témában kellene kitárgyalni! - És végül büntetés terhe mellett kerülendő az MSN és egyéb szleng, a magyar helyesírás mellőzése, beleértve a mondateleji nagybetűket is!
Szia!
Nominális teljesítmény 20 %-on (kVA): 20%-ra leszabályozott állásban mekkora a hálózatból felvett teljesítmény. Rövidzárlati áram (kA): Ha a kimeneti kapcsok rövidre vannak zárva, akkor azokon legfeljebb mekkora áram folyhat. Üresjárati szekunder feszültség (V): Amikor a készülék be van kapcsolva, de nem folyik a kivezetésein áram, akkor mekkora feszültség mérhető a kimeneti kapcsokon. Késleltetett biztosíték: Olyan biztosíték, amely a bekapcsoláskor fellépő áramlökést kibírja.
Köszönöm szépen a választ! remélem gyakran figyeled ezt az oldalt
Üdv
Lenne egy buta kérdésem olvasgatam utánna de egyértelmü választ nem kaptam, elöre is bocs ha kérdésem tul alap, mivel most kezdek barkácsolni. Lényeg nekikeztem egy áramkörnek sikeresen vasaltam és marattam a panelt... és készül az összerakás de tartalmaz egy 100nF kondit, de kondibol is több féle van, vagy csak az érték számit? Másik a kapcsolási rajz nem jelzi hogy melyik az anod és katod, ilyenkor mivan? Bocs ha lefárasztalak titeket.
Talán ha a kapcsolási rajzot mellékelted volna könnyebb lenne válaszolni. Az "egy áramkör" megnevezés sokat nem árul el. De a 100 nF kondenzátor biztosan bipoláris, ott nincs polaritás jelzés, a kivezetések felcserélhetők. A kondenzátor funkciójától függően kell megválasztani az anyagát, nem csak az értéke a feszültsége is számít.
Bocsi de azt nem tudtam ferakni valamiért nem engedi.
Ez egy fényeröszabályzó alkatrésze lenni A hozzászólás módosítva: Jún 14, 2016
Ha a kép 2 MB-nál nagyobb akkor át kell méretezni. De linket is tehetsz fel, ha a rajz megvan az interneten.
Itt az oldalon is "lenni" ilyen kép: Triakos teljesítmény szabályozó Használj ilyen kondenzátort: 100 nF 400 V A hozzászólás módosítva: Jún 14, 2016
Üdv!
Nemrég tanultuk suliban a fáziseltérést, amit sehogy nem tudok megérteni, hogy mitől függ, hogy hány fokos? Valaki elmagyarázná, vagy linkelne valamit, mert nagyon idegesítő? ![]() Előre is köszönöm!
Attól függ, hogy milyen a terhelés jellege. Ha tisztán ohmos jellegű a fogyasztód, akkor a feszültség és áram fázisban van. Ha kapacitív jellegű, pl kapcsolóüzemű táp, akkor az áram siet a feszültséghez képest, ha induktív, pl motor, akkor pedig késik. Az, hogy mennyire tér el, a cosfí értékével jellemezzük.
A háromfázisú áram visszavezethető forgómozgásra (mint a generátornál), így könnyű szögekkel jellemezni azt. Vektoros ábra itt: Bővebben: Link.
Már értem is, nem is olyan bonyolult!
Lehet pont arról az óráról hiányoztam, mikor ez elmondták! ![]() Köszönöm!
Köszi, de nekem high-pass filterhez kellene.
Tekerj lejjebb, ott lesz a kívánt szűrő.
Sziasztok!
Pici DC motort szétszedtem, de összekaráskor eltörtem a rugós kefe érintkezőit. Bővebben: Link Lehet valahol csak ilyet kapni?
Attól tartok, hogy csak motorral együtt.
Meg tudnád mondani hanyadik oldalon van? Mert nekem kieseik a szemem akkor sem találom ezt a fajta szűrőt.
Sziasztok!
Régóta próbálok egy normális erősítőt építeni, de valamiért (saját kútfőből) sohasem akar működni. Hogyan kezdhetném el? Csináljam meg egy egyszerű kapcsolás alapján? Az úgy nem túl fantáziátlan? Köszi!
Miért kéne feltalálnod a spanyolviaszt?
Ha nincs megfelelő gyakorlatod az erősítők tervezésében akkor építs meg egy bevált kapcsolást. Ha az építésben nincs gyakorlatod akkor kezdj egyszerűbb kapcsolásokkal.
Sziasztok! Annyi kérdésem lenne, hogy a minap megérkezett a gimbal a drónomhoz és véletlenül fordítva raktam rá a kábeleket! Kicsit füstölt is!
Van esély arra, hogy megmenthető, vagy kuka aza egész?
A másik topicban már írtam, hogy erre a kérdésre látatlanban nem lehet válaszolni. Még akkor sem, ha többször megkérded.
Üdv!
Szerintem ha itt kell érdeklődnöd, akkor kuka. Esetleg keress valaki hozzáértőt aki meg tudja vizsgálni.
Valami hasonló problémát tárgyalnak itt.
Ennyi idő alatt már kiszámolhattad volna.
Udv, az aramfelvetel kb fel Amper, tehat olyan 500mA kornyeken jar, tulajdonkeppen egy elofokrol van szo egy erositobe! Ahhoz kellene nekem egy jol szurt es stabil 12 volt! Ehhez rendelkezesemre all a trafon egy 32 voltos valtoaramu kijovetel, amit egyeniranyitva 42.4 voltot kapok. Na ezt kellene nekem lecsokkenteni egy stabil 12 voltra! Erre mit ajanltok? A trafobol valo letekeres nem lehetseges mert az erosito szimetrikus szekunderje alatt van, es nem fogom megbontani a gyari tekercselest! kisebb tapegyseg beepiteset nem szeretnem mert az plusz zajforras es konnyen bughat tole a vegfok! Ezert kellene nekem lecsokkenteni a 42.4 voltot stabil 12 voltra, kb fel Amperre!
A hozzászólás módosítva: Jún 15, 2016
Gondoltam mar arra is hogy LM7824, ami 24 voltra csokkentene es az utan pedig egy LM7812, ami adna a stabil 12 voltlt, persze max egy 1000µF kondi utana hogy szurjon egyet, mert a 40 volton mar eleve van 6800µF kondi ami szur mar eleget!
Valóban, csak másik motorból, viszont szinte mindben ilyen van, így egy hasonló méretűből simán átteheted!
Hello! Megoldható, de nem túl ésszerű dolog amire készülsz..
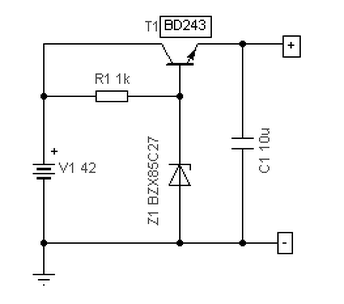
- Ha a bemeneti feszültség 42V és a kimenti feszültség 12V, akkor a különbözet 30V. Fél amper terhelés mellett itt 15W hő fog képződni. - A 12V-os stabi részére egyszerű előszabályzással lehet feszültséget előállítani. Ha ennek kimeneti feszültsége 27V, akkor az előszabályzón és a stabin megoszlik a feszültség. Vagy is a 15W hő is két felé fog oszlani. (De ettől még a 15W-nyi lesz.) - A szükséges hűtőborda a kettőhöz, egy kb. ilyen 2,5K/W hőegyütthatójú borda, és 30 fok környezeti hőmérséklet mellett a borda hőmérséklete kb. 70°C lesz. Ami még elfogadható. De a borda mérete 88*100mm körüli, amely tárfogatban egy segédtrafó is már elférne. - Hatékonyabb megoldást egy kapcsolóüzemű szabályzó lenne, ami viszont zajokat termelhet. - A 24V-os stabi csöbörből vödörbe, mert annak is 40V a maximális bementi feszültsége. Ugyan vannak "magasfeszültségű" stabik, de az áruk is meglehetősen magas. - Szűrni viszont szükségtelen, mert maga az előszabályzó is szűrni fog, nem csak stabilizálni. A 12V-os stabilizátorról nem is beszélve. - De ha még is ezt az analóg disszipatív utat választod, akkor az előszabályozás három alkatrésszel megoldható. (Szűrőkondit nem számolva, ami a 7812-höz amúgy is szükség lenen.) Bár nem tudom mi az "előfok", ami 500mA áramigényű lenne. Más dolgokkal, (mint kijelző ventilátor és egyebek ) nem érdemes egy előfok tápját terhelni. - Mielőtt megkérdeznéd, a negatív oldalhoz ugyan így megoldható az előszabályozás, csak PNP tranyóval és fordítottan bekötött zénerrel.
Vagy esetleg ha megoldható, simán tekersz néhány menetet zománchuzalból a trafóra és készítessz egy külön 12-14V -os szekunder tekercselést, amit úgy szürsz meg stabilizálsz ahogy akarod.
Toroid trafónál tuti ráfér, EI vagy hasonló vasmagosra meg ki kell próbálni... Ezzel jársz a legjobban szerintem.
Szia! Be tudnád ezt az előerősítőt mutatni? Talán pontosabban meghatározhatnák az áramigényét és a megengedhető táphullámosság mértékét.
|
Bejelentkezés
Hirdetés |









