Fórum témák
» Több friss téma |
Fórum » Propeller Clock
Sikerült hozzájutnom olcsón egy laptop töltőhöz,ami 19V-os és 4A-es.
Szerintetek ha ezt rádugom a bázisra nem fog elfüstölni az egész??
Ja,és csak 1,5W-os zenert kaptam a propellerhez a kapcsolásban lévő 5W helyett.
Lehet ez probléma?
Szerintem nemfog elfüstölni mert amikor én próbálgattam a tekercsem akkor 12 volton csak 3 volt volt a pic-nek és felvettem 20 voltra (akorsem volt meg az 5 volt a pic nek mert rosszvolt a tekercs)...Tehát nemsültel az enyém
A PIC tápfesz lábain meg kell lennie az 5V-nak, különben nem fog működni! Mekkora áramot vett fel a bázis? Én azért nem adnék rá 19V-ot mert a ventillátor nem fogja díjjazni a dolgot. Ha meg a potival leveszed a venti feszültségét, akkor meg a hűtőborda lesz nagyon forró.
Szia!
Nekem 18V-ról megy az egész, valamint stabkockák vannak benne, amik bírják ezt a feszt is. Nagy valószínűséggel jó hozzá. Viszont ha levágnád a végét, nagyon szívesen elcserélném veled, mert nagy szükségem lenne arra, az enyém szétment alaposan. (persze csak ha egyezik)... Az 1,3W-os zéner is jó lehet, de csak ha nagyon pontosan beállítod s kitöltési tényezőt a tekercsednek megfelelően, egyébként nagyon fog melegedni és rossz esetben tönkre is mehet. Vannak nekem szép nagy odavaló zénereim, akár az is lehet a csere tárgya.. ![]() Üdv!
ok.akkor marad a 12V 1.5A-es adapter.
Köszi a segítséget. Ja,elég sok helyen kerestem a rézhuzalt de sehol sem volt Valaki tud pesten valami helyet ahol kaphato? üdv!
Mondjuk abban igazad van, hogy nekem nem venti van, hanem videómotor, ami fel is veszi a 18V-ot. Ventivel tényleg lehet melegedésre számítani.
Megvan az 5-volt a pic-nek ujratekercseltem 220 menettel,így jó
Az nem sok egy kicsit? Nem lehet, hogy azért jutott csak 3V a PIC-re, mert a tápegységed áramkorlátja bekapcsolt a bázis áramfelvételétöl?
ma estére elkészülök a propellerrel is,már csak a tekercselés marad a hétre.
Ha ráadok 5v-ot propra és berakom a beégetett pic-et,akkor mit kell látnom? pontosaban arra lennék kiváncsi hogy le tudom- e ellenőrizni,hogy nincs-e valahol hiba. üdv!
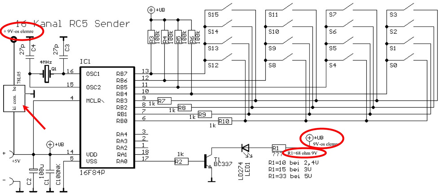
Lenne pár kérdésem...Megcsináltam a távírányítót
Hány volt kell neki?(Én 5 voltot adok neki).Nézem kamerával hogy vílágít-e ráadom az 5 voltot halványan világít megnyomok egy gombot erősen világít...Ez normáis?Mejik TSOP-ra irányítsam rá?Mijen közel kell lennie?És honnan vannak számozva a gombok???A válaszokat előre is várom.
annyit tudok h. 9v kell neki,nekem egy 9V-os elemmel erősen világít.
A számozásra kiváncsi lenneék én is. üdv!
+5V-ot a stab ic-n keresztül kap a kontroller, egyébként a led 9V-ra megy előtét ellenálláson keresztül. Ez a kapcsolási rajzból elég egyértelműen kiderül...
Igen köszi vicsys ezt értem!És a többi kérdésemre is tudsz válaszolni?
Idézet: „Ez normáis?Mejik TSOP-ra irányítsam rá?Mijen közel kell lennie?És honnan vannak számozva a gombok???” Nem, nemhiszem ,hogy kéne hogy világítson... Bármelyikre, illetve mindkettőre. A kódok alapján dől el, hogy mi mit csináljon. Ugyanazt a kódót, nem használja mindkettő... A számozást nem értem... Az, hogy melyik mit csinál, most fejből nem tudom. Nincs itthon kész példányom és sohasem írtam fel. Az alapvetően fontos dolgok vannak programozva. 16 gombot hamar végig lehet próbálni....
Hát a távírányító lehet hogy, jó világít szépen
Csak nemcsinál semmit majd a hétvégét rászánom és megcsinálom
szia
Köss sorba a távirányitón az infra LED-del egy sima LED-et, akkor látni fogod hogy jó-e a távirányitód. A LED polaritására figyelj.
Szerintem a vevőd pontos bekötését nézd meg, meg azt, hogy a kimenetén van-e jel?
ma ráadtam a bázisra a feszt/12V 800mA/ és megméregettem,hogy a propeller 12,4V-ot kap,a tekercs pedig 12,8 V-ot,tehát gondolom a bázissal nincs gond,sőt még a távirányító 1ik gombjával ki-be tudom kapcsolgatni a motort,ha kamerával nézem a bázis infra ledjét,akkor azt látom hogy ha a motor forog akkor folyamatosan világít.Ez igy normális?
mert ha igen akkor csak a tekercselés maradt és talán ma még működésre is bírom üdv!
Hát a prop részt le ellenőriztem teljesen frankó minden....Le ellenőrzök benne mindent még egyszer...A nyákihibán,rossz alkatrész,és rossz forasztás,beültetésen kívül mijen gyakori hibák szoktak előfordulni a prop részzel?Vagy lehet hogy nemis a prop rész a rossz....
Mellékelek egy képet amin levan írva hogy hol mit mértem......(a külalak elég csúnya,de a célnak megfelel)
Sziasztok!
Lenne két kérdésem a propeller résszel. A C5ös állítható kondinak 3lába van,a kapcs. rajzon viszont 2/pont ugyan olyan az enyém is,mint az elektrocsib-es oldalon látható képeken/ Csatolok 1 képet róla. Melyik két lábát zárjam rövidre?Vagy esetleg egy fix 27pF-os kondival lehet helyettesíteni? A másik kérdésem hogy gond-e ha a zener-em csak 5W-os a 15Whelyett. Köszi a segítséget előre is! üdv!
Mérjél rá de a két szélső láb gyárilag össze van kötve !
Sziasztok!
1 teljes napja a tekercselést csinálom,de ugyan ott vagyok mint tegnap ![]() Lenne 1 pár kérdésem,már csak amiatt hogy nehogy utána derüljön ki hogy kezdhetem az egészet előről. Szereztem 35m 0,4 mm-es rézhuzalt/zománcozott/ és ha jól értelmeztem akkor ~150tekercs kell a forgórészre és ~100 tekercs az állórészre. Az fontos hogy milyen irányba tekerem fel?A propeller nekem óramutató járásával ellentétesen forog. Mekkora az a fesz,áram amennyinek meg kell jelennie a propelleren? köszönöm a válaszokat előre is! üdv!
A menet iránya teljesen mindeggy.......Az én clockom forog. légmagos tekercs is ok csak a lényeget nem mutatja.....Prop-on leellenőriztem mindent semmi bajt nem találtam bázison se..........(Akkor mi baja lehet??) szakadás,forrhiba,rossz beültetés nemvolt....mégse csinál semmit felpörög és semmi....Mikor leválasztom róla a motort hogy ne forogjon akkor ha a kezemet a nyákra teszem akkor világít pár led deh egyébként nem.(ebböl azt a következtetést vonom le hogy a légmagos tekercs jó).A távírányító PIC -jében hol kell mérni az 5 voltot??
Köszönöm a válaszokat előre is! üdv! |
Bejelentkezés
Hirdetés |





Hány volt kell neki?(Én 5 voltot adok neki).Nézem kamerával hogy vílágít-e ráadom az 5 voltot halványan világít megnyomok egy gombot erősen világít...Ez normáis?Mejik TSOP-ra irányítsam rá?Mijen közel kell lennie?És honnan vannak számozva a gombok???A válaszokat előre is várom. 


