Fórum témák
» Több friss téma |
Ahogy mondják a kolegák, de még plusz előny, hogy a vékonyabb vezetékeket könnyebb tekerni, nem olyan merevek, mint egy nagy bifla drót.
Köszönöm a segítségeteket! Akkor érdemes ugyanúgy össze sodrottat vissza tekerni,mint egy vastagabbat 1 szálast. Köszönöm!
Én suliba szívtam meg, mondom 60kHz-en jól fog menni. Csak, hogy a trafó nem bírta és ahol 27V szokott lenni ott 12V volt a kimeneten. Mindent átnéztem, kapcsol normálisan. Végső próba 40kHz, amikor bekapcsoltam már a túláram védelem rögtön jelzett és a kimeneten +-27V lett. A frekvencia miatt nem volt jó. Nem tudom milyen mag volt az.
Két magnál meg bejöhet az, hogy az egyik ilyen frekvenciáról szeret járni a másik meg olyan frekvenciáról. Még annyit lehet, hogy egy potmétert kell betenni a rt és ct közé és meg kell nézni, hol melegszik a legkevésbé.
Mint írta PC tápból bontotta őket, azokban meg a legrosszabb esetben is TDK PC40-es mag van, ami az ábra szerint lazán használható 2-300kHz-ig is. Az újabbakban meg általában még korszerűbb magok vannak, azok 500kHz-ig is.
Ezt akkor mivel magyarázod?
Idézet: „Én suliba szívtam meg, mondom 60kHz-en jól fog menni. Csak, hogy a trafó nem bírta és ahol 27V szokott lenni ott 12V volt a kimeneten. Mindent átnéztem, kapcsol normálisan. Végső próba 40kHz, amikor bekapcsoltam már a túláram védelem rögtön jelzett és a kimeneten +-27V lett. A frekvencia miatt nem volt jó.” Ja és EI-33 pc tápból bontott trafóval.
Csatoltam pár fotót, hátha így érthetőbb lesz.
A képek a középső shottky volt meleg. A hozzászólás módosítva: Jún 11, 2016
Sokféle bontott PC-táp trafót próbáltam ki, mindegyik jól ment félhídról meghajtva 60kHz-en. Kísérletképpen néhányat teljes hídról is kipróbáltam, 120kHz körül, üresjárásban kissé langyosodott, de bírta, a szekunder oldal egyenirányítva 2x50V körüli volt. Ez utóbbit ugyan nem nyúztam sokáig, de megkockáztatom, hogy simán használható lenne.
Az hogy 40kHz-en nem volt jó, természetes, mert sok régi PCtáp 25kHz-en ment, és kb olyan kitöltéssel, ami 70...75V-nak megfelelő. 150...160V-os primer feszültséghez ez alapján kell is az a 60kHz. És hogy mi lehetett a hiba oka, ill. mi a magyarázat? Csak az tudhatná aki ott volt és minden részletet ismer, de ha tippelnem kéne akkor a műhiba, és a mérési hiba ez elsők között szerepelne.
Azt tudom, hogy sok pc táp vígan elmegy 60kHz-ről, olvastam az oldalad. Próbáltam is megcsinálni egyet, csak èn bipoláris tranzisztorral. Addig ment míg a diódák nem voltak rajta.
Nekem az volt a gond, hogy +-27V helyett csak 12V volt a kimeneten. 60kHz-en ez volt a hiba. 40kHz-en meg egyből ment, semmi más nem volt módosítva csak a osszcílàtor rèsz. Egyèbkènt 60 ès 40kHz is jó volt a pwm. "50-50"%-os kitöltès. IR2153-al van megcsinálva. Règi pc tápból van. Ezèrt írtam, hogy a frekvenciát állítgatsa ès nèzze meg úgy, mert lehet neki is van egy magja ami nem 60kHz-ről ment.
Sziasztok Guruk
Lenne egy kérdésem adott két darab 12v5a táp ha párhuzamosan kötöm akkor 12v10a táp lesz belöle vagy ez igy hülyeség kina kapcsoló üzemű tápokról van szó. Elöre is köszönöm a válaszokat. Üdv Józsi
Szia!
Ez két akku a kép szerint.. ha teljesen egyforma állapotúak, célszerű lenne "közösíteni" egy-egy legalább 10 amperes schottkyval, pl. a + ágban és talán jó lesz úgy.
Szia
Ez nem akksi ez 2db kinai kapcsi táp 12v5a peres egyforma.
Oké, hát ha az aláhúzottra kattintok, 12 V 5 Ah zselés akkumulátor kép jön fel a hestore-ból..
Mindegy, azt megcsinálhatod akkor is a tápjaiddal. Azt azért nézd meg, mennyire pontosak a feszültségek.. ha tudod, állítsd be kb. 10 mV egyformára. Szerintem rossz linket csatoltál.. A hozzászólás módosítva: Jún 17, 2016
A képet nem ő linkelte, hanem a hestore reklámja.
Az árammegoszlást kell garantálni valahogyan. Pl. ha az egyik táp 5A felett elkezdi ejteni a feszültségét, akkor a másik táp is elkezd dolgozni. Ha szerencséd van, akkor a két táp egymást segíti, ha nincs, akkor összegerjednek, és elkezd a kimenő feszültség össze-vissza ingadozni.
Sziasztok. Azokat a tápokat, amik a kompakt fénycsövek foglalatában vannak nem próbáltátok még más célra hasznosítani? Én arra gondoltam, hogy esetleg egy plusz transzformátorral le lehetne transzformálni ami belőle kijön, akku töltőnek, adapternek, stb. Elsőnek arra gondoltam, hogy vannak olyan akkus kínai villanyborotváim, amiknek a nyelében van a trafós töltö, a helyett kellene alkotnom egy kb. 3 Volt, 0,5 Amper kapcsolóüzemű tápot, ami elbírná a motort, akku nélkül, mert azoknak benne nincs semmi értelme, döglenek sorra.
Nagyon sok mindenre lehet használni, nyilván olyan dolgokra amik nem kívánnak stabil feszültséget. Ha visszaolvasol többször is ki lett vesézve alaposan a kapcsolás, egészen a végfok táplálásához használt, több száz W teljesítményű rezonáns változatokig. Skori oldalán is sok infót találsz róla.
Hello! Azt szeretném kérdezni,hogy ha újratekercselek egy kapcsolóüzemű trafót.Lefektetem a tekercset és az első sor drót meneteit balról jobbra haladva hajtom rá. A második sort is muszáj bal oldalon kezdeni,és jobbra haladva tekerni rá,vagy kezdhetem jobb oldalon is (mivel ott az előző sor vége)és balra haladva tekerni?
Azt reméltem, hogy olyan 3 W körüli teljesítményre fog menni átalakítás nélkül is, csupán egy trafót tennék a kimenetre, Skory menetszámaival elkezdhetem a kísérletezgetést? Ha jól emlékszem az ilyen kis dugasztápokban sokszor egyutas egyenirányítás van, csak az egyenirányító mindenképp shottky kell legyen.
Gondolom folyamatosan, megszakítás nélkül tekered. Ha végigérsz egy soron, nyilván onnan folytatod tovább, nem kell visszavinni a huzalt a sor elejére. A menetirány a lényeg, az ne változzon.
A fénycső ellenütemű, a dugasztáp pedig flyback (záróüzemű). Ha trafót teszel rá talán még 10W-ig jó lesz, de a dugasztáp trafója nem jó hozzá mivel az légréses.
Mivel a fénycső tápja ellenütemű, 1db dióda kevés lesz, legalább 2db kell, vagy graetz ha szimpla szekunder tekercset használsz.
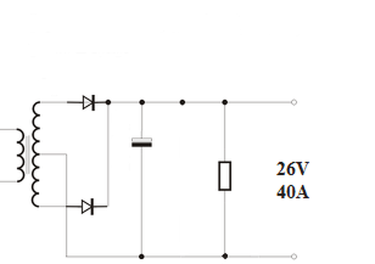
A 24-30 V szekunder kimenetű és 1-1,2kw nagyságrendű teljesítményű tápegység esetén mi lehet a hatékony megoldás a szekunder oldali egyenirányításra ?
Pl szinkron egyenirányítás párhuzamosan kapcsolt FET-kel ? A hozzászólás módosítva: Júl 5, 2016
Én nem értem a kérdést, próbálom kitalálni.
Lehetőség szerint mennèl gyorsabb diódákat alkalmazzunk, ekkora feszültségre és közepesen nagy áramra simán lehet találni schottky, hiper-ultra gyorsakat. Nem tudom mire kéne oda Fet ráadásul párhuzamba. Itt neked kell eldönteni, hogy milyen topológiai egyenirányításra van szükséged. Illetve a megfelelően vastag huzalozás és hűtésről is gondoskodnod kell.
A hűtés ventilátoros átszellőztetéssel lesz megoldva, ez része a projektnek. Ekkora áramerősséggel még nem dolgoztam, ezért vagyok bizonytalan, miképpen is kellene nekiállni a feladat megoldásának
![]() A topológia híd vagy félhíd, 2 szekunder tekercs 1-1 dióda. Keresek 40+A képességű diódákat.
Ha két szekunder tekercsed lesz, akkor 2-2 dióda kell.
Szia!
Ha szinkronban gondolkozol, először mindenhogyan keress egy jó elvi megoldást a majdani kivitelhez, aztán tesztelj le egy zárófeszre is passzoló fetet, megéri-e a pár tized volt nyereség spórolás miatt az a szisztéma. 100-200 voltos feteknél már nincs akkora különbség, mint pl. 30-40 voltosnál. Inkább egyszerűbb lenne a schottkys egyenrángatás.
Neked van igazad, én így gondoltam.
30V nál már megérheti fetet használni. Attól függ melyik szempont a fontosabb. Diódával bármennyit is használsz 30-40W veszteséged minimum lesz.
Ha rááldozol kicsivel több pénzt akkor megoldható valami olcsó mosfettel pl irfr540Z párhuzamosan 5-6db smd a nyákra fűt akkor nem kell hűtőborda sem, de kell még mellé kiegészítő meghajtás is. |
Bejelentkezés
Hirdetés |















