Fórum témák
» Több friss téma |
- Ez a felület kizárólag, az elektronikában kezdők kérdéseinek van fenntartva és nem elfelejtve, hogy hobbielektronika a fórumunk!
- Ami tehát azt jelenti, hogy a nagymama bevásárlását nem itt beszéljük meg, ill. ez nem üzenőfal! - Kerülendő az olyan kérdés, amit egy másik meglévő (több mint 17000 van), témában kellene kitárgyalni! - És végül büntetés terhe mellett kerülendő az MSN és egyéb szleng, a magyar helyesírás mellőzése, beleértve a mondateleji nagybetűket is!
Ennek kevés a 18,5 V. A 18 V csak névleges akkufeszültség, feltöltve 20-22 V is lehet, tehát ettől nagyobb feszültséget kell az akkura kapcsolni, különben nem fogja feltölteni. Nem biztos, hogy ér az annyit, hogy érdemes rá költeni.
24V már nagyon sok lenne neki? Van benne valamilyen szabályzás hogy ne töltse 4 amperrel?
Talán van benne egy ellenállás, mint áramkorlátozó. Ezek még a műanyag előtti, NiCd akkuk. Csoda lesz, ha egyáltalán felveszi a töltést, az pedig szinte borítékolható, hogy legalább egy cella az akkucsomagban már feladta a harcot.
Mehet rá a 24 V, de valahogy korlátozd az áramot az akku kapacitásának tizedése és töltés közben figyeld az akku feszültségét. Ha 18-19 V fölé nem akar menni, akkor legalább egy cella hibás. Ha eléri a 21 V-ot az akku, kapcsold le a töltést. Ha nagyon gyorsan felszalad a feszültség, akkor több cella is hibás lehet, nem érdemes vele foglalkozni, esetleg itt: Akkumulátoros fúró (üzemeltetése hálózatról).
Lehetséges hogy találtam hozzá megfelelő adaptert. 24V 400mA. Így már a zöld led is világít mikor beledugom az akkut.
Szedd szét a dokkolót, és látni fogod, hogy szinte üres. Ezzel csak arra figyelmeztetnélek, hogy ne hagyd éjszakára bedugva a töltő, és kísérd figyelemmel a töltést, mert könnyen rossz vége lehet. Se túlfeszültség, se túláram, se hővédelem nincs benne. Ha felgyullad az akksipakk, ez a szörnyűség még akkor is fogja tolni bele a mA-eket...
Töltés közben mérd meg, mekkora feszültség jut az akkura. Ha kb. annyi, vagy egy kicsivel kevesebb, mint az adapter üresjárati feszültsége, akkor az akku mehet a gyűjtőbe. Valahogy mérj tölési áramot is, mert ha az több, mint 400 mA, az adapter leéghet.
Helló!
Van egy ilyen modulom: Bővebben: Link. Ennek a kijelzős részét szeretném használni. Feszültségmérés jó, de az árammérés nem. A GND és a kimenet GND között van egy 0.05 sönt ezzel méri az áramot. Ezzel jól is jelzi ki, de én 0.01 sönttel szeretném használni. Ekkor a kijelzett érték az ötöde a valós áramnak. Lehet cserélni az LM358-nál ellenállásokat, hogy jól működjön? Ha nem akkor használom 0.05-tel, de ha van ötletetek megpróbálnám azt is. Itt egy nagy kép róla.
Gyere ide, válaszolok: Bővebben: Link
Sziasztok!
Segítség kellene! Egy mercedes 190E kocsim van. A belső világítás vezérlő meghalt. Arra gondoltam beépítem, a Potyo által készített áramkört Bővebben: Link. Zseniálisan tudja azt ami az eredeti, csak a gyárinak volt egy plusz funkciója. A motor beindulásakor egy lámpa figyelmeztetett a biztonsági övre, ami pár másodperc múlva elhalványodva kialudt. Sajnos a programozáshoz nem értek ezért kérnék segitséget. Ki lehetne bőviteni az áramkört és a kódott, hogy ezt is tudja? A segítséget előre is köszönöm, örülnék ha sikerülne!
Üdv!
Hogy tudnám átalakítani ezt a kapcsolást úgy, hogy 80V 6-7A menjen át rajta? Egy FET-es erősítőbe szeretném betenni! Előre is köszönöm!
Rákötsz egy relét. A "80V és 6-7A menjen át rajta" értelmezhetetlen, kivéve ha relét működtetsz.
A hozzászólás módosítva: Jún 26, 2016
Üdv mindenkinek!
Azt szeretném kérdezni digitális frekvenciamérőhöz milyen kábel, vezetékkel vezessem a jelet? Most oszcilloszkóp mérőkábeljét használom, ez megfelelő?
Tökéletes.
Sziasztok!
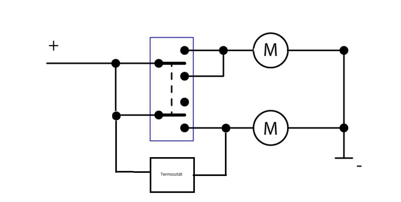
Hogy tudnék ehhez a kapcsoláshoz egy szoba termosztátot is bekötni? Az az elgondolás, hogy a termosztát bekapcsolja az egyik fogyasztót a kapcsoló állásától függetlenül. Tehát ha 0 állásban van a term. akkor is be tudja kapcsolni, viszont ha én úgy állítom a kapcsolót hogy mindkét fogyasztó működjön és a termosztát még mindig BE állásban van, akkor se legyen baj.
Üdv
Tud valaki egy olyan kapcsolást adni vagy egy liket. Ami telefon kihangosíto és rádiót közösit autóba?
Ha jól értettem a feladványt...
A bolt nem tud 1µF alatti kondenzátort szerezni, milyet rakhatok be helyettük?
Micsoda, és mit csinál?
Igen, jól érted, köszönöm.
A másik motorra/fogyasztóra szintén alkalmazhatom ezt a bekötést?
Nem elektrolitkondenzátor kell, hanem kerámia.
Miből gondolod? Nem tudom 7812-höz, vagy 555-öshöz is ilyen rajz volt, mégis elektrolit kellett hozzá.
Idáig követtem vissza a posztokat. A képen LMxx stabilizátorok szerepelnek, azok adatlapja kerámia, vagy tantál kondenzátorokat emleget.
Ami 1µF alatti, az kerámia (100-300nF), a kisebbek is kibírnak 30-50 V-ot. Bár találkoztam elektrolitban is ilyen értékekkel, ide nem kell.
Igen. A termosztát, és a kapcsoló, ugyan azt a potenciált kapcsolja, akárhányszor lehet ugyanoda juttatni ugyan azt a potenciált. Viszont ha a termosztát bekapcsol, akkor a kapcsolóval nem lehet kikapcsolni, a konkrét problémát nem ismerem, lehet kell azért minden elé egy főkapcsoló.
Nem tud beszerezni 330 nF és 100 nF kerámia kondenzátort? Milyen bolt az? A stabilizátor bemenetére és kimenetére biztos hogy kerámia kondenzátor kell.
Telefonomom van a navigáció az automban olyan a rádió, hogy 3,5 jack al lehet bedugni, de akkor a cd-t nem tudom hallgatni. erre szeretnék valami megoldást
Kerámia lett volna, de már késő. Messze van a bolt. 100nF van itthon, a másaik csak 330 lehet?
Üdv! Szerintem az U9 és U11 optók túlvégén pont, hogy egy soros vonalat fogsz találni. Ha vannak megfelelő eszközeid és lelkesedésed, akkor rajzold vissza az optókkal leválasztott területet, a 4 pines csatlakozónál megtáplálva már logikai analizátorral meg lehetne vizsgálni van-e valamilyen forgalom vagy lehet-e esetleg valami forgalmat generálni. Kérdés még, hogy az eszközkezelőben minek mutatja magát, lehet hogy máris csinált egy sorosportot ami fel sem tűnik. Ennél mélyebben én nem értek a dologhoz, de a drivert megvizsgálva biztos ki lehet deríteni milyen eszközként működik.
Van egy hőfokszabályzóm amibe a következő ic vannak:
CD 4066 GL 339 CD4040. Milyen hő érzékelő ellenállás kell hozzá? |
Bejelentkezés
Hirdetés |













