Fórum témák

» Több friss téma
Fórum » Sztereó DAC
 
Témaindító: meszattila, idő: Ápr 10, 2007
Témakörök:
Lapozás: OK   70 / 99
(#) Buvarruha válasza Helios hozzászólására (») Júl 6, 2016 /
 
Nem azt mondom, hogy ne is álj neki, de készülj fel a csalódásokra szellemileg és anyagilag is. Én is a nulláról kezdtem, de szerintem fél négyzetméter nyákot elhasználtam már rá és még mindíg nincs kész az amit szeretnék, bár a mostani működik rendesen és dobozolni is lehetne, de nem ez a verzió a végső cél.

Ha érzel magadban elég lendületet, akkor hajrá, ha rendesen képben vagy az analóg áramörökkel, lehetséges, hogy megoldható a dolog. Én sem vagyok egy profi PIC programozó, ha valami olyan részét akarom használni a PIC-nek amit korábban még soha, akkor én is csak pislogok mint hal a szatyorban, de végül csak összejön. Mint látod a képen ezen is van javítgatás és próbálkozások nyoma még bőven. Ez annyit tud, hogy egy koax és egy toslink bemenetet tud váltogatni, illetve van sleep mód amikor mindent lekapcsol, ha nincs jel 2 percig. Aztán kiderült, hogy figyelni kellene az AC-t és leállnia kapásból, mert a kisülő kondik miatt nem ál le időben ha elmegy az áram és csattan egy nagyot a hangszóró és így tovább és így tovább....
Van egy újabb verzió, ahol már alacsony ellenállású mosfetek kapcsolják a tápot a relék helyett, így halkan végzi a dolgát és bekapcsoláskor szikra sincs, ami miatt resetelődne a DIR9001, amitől lekapcsolja megint a tápot, majd vissza és megint resetelődik és beindul egy csengő effektus, viszont ezt sikerült például szoftverrel kompenzálni a képen lévőnél úgy, hogy amikor alszik nem kapásból álítja le a tápot és, ha megjön a jel, akkor sem mindjárt visszakapcsolja, hanem késletet. Na most ezt analóg áramkörökkel végigszórakozni kemény műveletett lett volna, míg szoftverben 1-2 plusz sor.
(#) Helios hozzászólása Júl 6, 2016 /
 
Tehát akkor egyszerűbb az, ha marad a jelenlegi koncepció - ideiglenesen - és elgondolkodom a továbbiakról. Bár lassan tényleg ideje lenne megtanulnom alapvető dolgokat a PIC-cel kapcsolatosan, hiszen jóval egyszerűbb és költséghatékonyabb megoldás mint izlésesen telepakolni egy dobozt egy rakás analóg alkatrésszel.
(#) Helios válasza gerleimarci hozzászólására (») Júl 6, 2016 /
 
Szia! Manuálisan végzem a váltást. A DAC kimenetei és más analóg bemeneteket szeretnék "vezérelni".
(#) gerleimarci válasza Helios hozzászólására (») Júl 6, 2016 /
 
Én nem bonyolítanám túl. Egy forgókapcsoló és relék Bővebben: Link vagy egy kétáramkörös forgókapcsoló. Ha nem szeretnéd, hogy pattogjon kapcsoláskor, akkor kellenek a bonyolultabb megoldások.
(#) Helios válasza gerleimarci hozzászólására (») Júl 6, 2016 /
 
Nincs pattogás, ezt már kisilabizáltuk.
(#) Buvarruha válasza Helios hozzászólására (») Júl 6, 2016 /
 
És a digitális bemeneteket hogy váltogatod?
(#) Helios válasza Buvarruha hozzászólására (») Júl 6, 2016 /
 
Ezen is gondolkodtam, de nem jutottam tovább, mint hogy a "jelutat" szakitom meg a relével.
(#) Buvarruha válasza Helios hozzászólására (») Júl 6, 2016 /
 
Na jó, de a koax és a digitális akkor külön interfészen és DAC-on lesz és csak a kimenet lesz kapcsolva?
(#) Helios válasza Buvarruha hozzászólására (») Júl 6, 2016 /
 
Nagyjából igen. Ez tényleg bonyolultabb mint ahogy kitaláltam...
(#) csigabiga1 hozzászólása Júl 11, 2016 /
 
Elárulná nekem valaki aki tudja, hogy a fenébe lesz kb. -76dB a jel/zaj arány, amikor a grafikon köszönö viszonyban sincs ezzel???

(a mérés egy egyszerü integrált hangkártyán történt)
(#) csigabiga1 hozzászólása Júl 11, 2016 /
 
De a THD is érdekes, nem értem hogy jönnek össze ezek a számok...

rmaa_thd.JPG
    
(#) csigabiga1 hozzászólása Júl 11, 2016 /
 
Az ARTA THD+N értéke szinte csonra ugyanennyi, viszont a THD-je sokkal hihetöbb...

arta1.jpg
    
(#) tompi2006 válasza Helios hozzászólására (») Júl 11, 2016 /
 
Helios! Ha analóg módon szeretnél váltogatni akkor ezt a kapcsolást használhatod hozzá sima kétállású kapcsolóval, viszont ilyenkor az spdif-i2s ic-ből dupla kell (pl WM8804). Viszont megteheted, azt hogy ez egyik bemenetet komolyabbra építed jobb táppal és jobb órajellel.
BCK-ból nem kell értelemszerűen használni duplát, ez az én kapcsolásomból van kiollózva, és nálam 2 DAC ic van mono módban.
(#) Buvarruha válasza csigabiga1 hozzászólására (») Júl 11, 2016 /
 
Dehogynincs, -100dB-en van egy igencsak széles tartomány aminek az RMS értéke -76dB. Az ARTA tudja mérni a THD-t a zaj kizárásával, de attól még igaz.
(#) csigabiga1 válasza Buvarruha hozzászólására (») Júl 11, 2016 /
 
Lehet hogy én vagyok alulképzett, de nem értem továbbra sem hogy jönnek össze ezek a számok... Hogy lesz a kb. -100dB zajszintböl (grafikon) majdnem 0,2% zaj érték (ami kb. -55dB, azaz nagyon gyatra)???
(#) Helios válasza tompi2006 hozzászólására (») Júl 11, 2016 /
 
Szia! Fentebb emlitettem hogy milylen IC-im vannak:pcm1972,pcm2902c,pcm2906c. Ezekből is ki lehet hozni?
(#) Buvarruha válasza csigabiga1 hozzászólására (») Júl 11, 2016 /
 
A jel/zaj nem 0.2%, azt dB-ben mérjük. A harmónikus torzítás a 0.2%, és az tulajdonképpen mindegy is, hogy a felharmónikus hangos, vagy a zaj hangos, attól még elváltozik a jel.

A zaj -100dB 50Hz-en ez igaz, de mellette még nagyon sok frekvencián is -100dB zaj van, amik összeadódnak, ezért lesz az effektív érték alacsonyabb.
(#) csigabiga1 válasza Buvarruha hozzászólására (») Júl 11, 2016 /
 
A THD 0,0034%, a THD+Noise 0,19%, magyarán a nagy részét a zaj teszi ki (józan logika alapján). Na mindegy nem rugózok ezen az értékeken, biztos valami bonyi statisztikai kiértékelés alapján jönnek létre...
Bár az RMAA-nál meg pl. 0,13% a THD és 0,19% a THD+N (ez utóbbi megegyezik). Akkor mi van...?
A hozzászólás módosítva: Júl 11, 2016
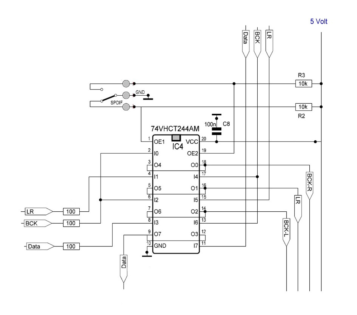
(#) tompi2006 válasza Helios hozzászólására (») Júl 11, 2016 / 2
 
Helios: Nem tudom, te hogy gondoltad ki a projectedet? A rajzon rajta van, hogy 74VHCT244A IC kell, ha nincs a listádban akkor be kéne szerezned. Ha nem tudod értelmezni a kapcsolást amit linkeltem akkor a legnagyobb tisztelettel, de ne kezdj bele az építésbe, hanem kezd el tanulni a dac-ok működését, hogy kell adattal ellátni milyen adatfolyamokat használ, milyen formátumban stb. A digitális jelet nem lehet relével kapcsolni, attól is elkezdhet oszcillálni ha rossz a nyák tervezése lásd a példát előtted. Van relé ami MHz tartományban is használható de több száz euró-nál kezdődik az ára. A 74VHCT meg 200 Ft.
A DAC csak digitális adattal használható ( Digital->Analog Converter ugyebár) de egyáltalán nem kötelező PIC vagy AVR a működéséhez, konkrétan a DAC IC-től függ. PCM179x-hez nem feltétlen kell USB.
Egy elektronika elkészítésének menete az elektronika megtervezésével kezdődik, ami egy kapcsolási rajz, majd annak egy nyákra rajzolása jön és a végén a legyártása, beültetése. Nem lesz belőle semmi értelmes ha próbanyákra meg adapterre tákolsz alkatrészeket lengőben. Az ebay-es cumók is jóval meghaladják azt a szintet. Ha magad akarod elkészíteni ne azzal kezd ,hogy hogyan csatlakoztass analóg bemenetet DAC-ra, meg bemenetválasztást mert az már feltételezi hogy van egy működőképes alap dac-od egy bemenet egy kimenet élesztve meghallgatva.
(#) Buvarruha válasza csigabiga1 hozzászólására (») Júl 12, 2016 /
 
Helyes a józan logika, ha olyan mértékű a zaj, hogy a felharmónikusok tulajdonképpen elvesznek a zajban akkor eleve problémás a szerkezet. Ráadásul adott esetben úgy tűnik, hogy a jobb oldalnak nagyon súlyos problémái vannak.
A hozzászólás módosítva: Júl 12, 2016
(#) csigabiga1 válasza Buvarruha hozzászólására (») Júl 13, 2016 /
 
Nem érdekes, csak egy integrált vacak.
A lényeg hogy a számok hogy jönnek össze a görbével, illetve miért mérnek mást az egyes programok. De majd kitalálom.
Egyébként ez is egy érdekes program: Bővebben: Link
A hozzászólás módosítva: Júl 13, 2016

RA.JPG
    
(#) csigabiga1 hozzászólása Júl 13, 2016 /
 
FFT analízis. Tetszik a program. Bár arra nem jöttem még rá, hogy THD+N-t hogy kell mérni.

RA FFT.JPG
    
(#) Buvarruha válasza csigabiga1 hozzászólására (») Júl 13, 2016 /
 
Ugyanazt mérik, csak másképpen értékelik. Az ARTA-ban is be lehet álítani többféle súlyozást, átlagolást, illetve az FFT növelésével is többminden bukkan elő.
(#) brugo hozzászólása Júl 28, 2016 1 /
 
Sziasztok,
Ajáljatok egy olyan DAC-ot ami feljavitaná az innen-onnan letöltött .mp3 -as zenéket, hogy majd 100 W- ra felerősitve ne "pixelesedjenek" ki. Főleg az Aliexpress-re gondolok lehet dobozos de jó lenne csak beültetett mert az olcsobb.
(#) Buvarruha válasza brugo hozzászólására (») Júl 28, 2016 /
 
Feljavítani nem lehet, ne ilyen rossz mp3-at hallgass. Gondolom netről szeded a zenéket, de nézz körül kicsit jobban a neten.
(#) Ge Lee válasza brugo hozzászólására (») Júl 28, 2016 /
 
Akik szinte az összeset kipróbálták azok az AD1862 (65)-re esküsznek ha már DAC. Az mp3 nem kizárólag attól olyan amilyen mert mp3, hanem mert eleve vacak volt a forrás amiről tömörítették. Ha nem az "eredeti" van feldolgozva, akkor tökmindegy hogy mi a fájl kiterjesztése, lehet az flac is, akkor is vacak lesz, és sajnos a neten keringő zenék zöme ilyen. Mosott, tompa, nincs dinamika, stb. Akik ezeket "készítik" és feltöltik, azok kb. 100%-a nem rendelkezik az eredeti hanganyaggal. Aki igen, az nem fogja feltölteni...
(#) brugo válasza Buvarruha hozzászólására (») Júl 28, 2016 /
 
Tehát az mp3-ból nem lehet jobbat csinálni .
Akkor más téma , van egy szatelitvevöm annak van SPDIF kimenete és ezt szeretném meghallgatni, mert a SCART kimenetet hallgatom most és annak biztos nagyon buta DAC-ja van kis hangerőn hallom a zajt.
Oda mi kéne ?
(#) brugo válasza Ge Lee hozzászólására (») Júl 28, 2016 /
 
Én tánczenére gondoltam ami a fejhallgatóba még egészen elfogadható kierösitve egy döngetés .
(#) csigabiga1 válasza brugo hozzászólására (») Júl 29, 2016 /
 
Elég buta kérdés. Buta válasz: bármi ami megfelel.
(#) csigabiga1 hozzászólása Aug 2, 2016 /
 
Nos, egyszerü mint a faék, csak bele kell jönni...
(egy ilyen szett kb. 10 €-ba kerül, és nem kell hozzá égetö sem)
A hozzászólás módosítva: Aug 2, 2016
Következő: »»   70 / 99
Bejelentkezés

Belépés

Hirdetés
XDT.hu
Az oldalon sütiket használunk a helyes működéshez. Bővebb információt az adatvédelmi szabályzatban olvashatsz. Megértettem