Fórum témák
» Több friss téma |
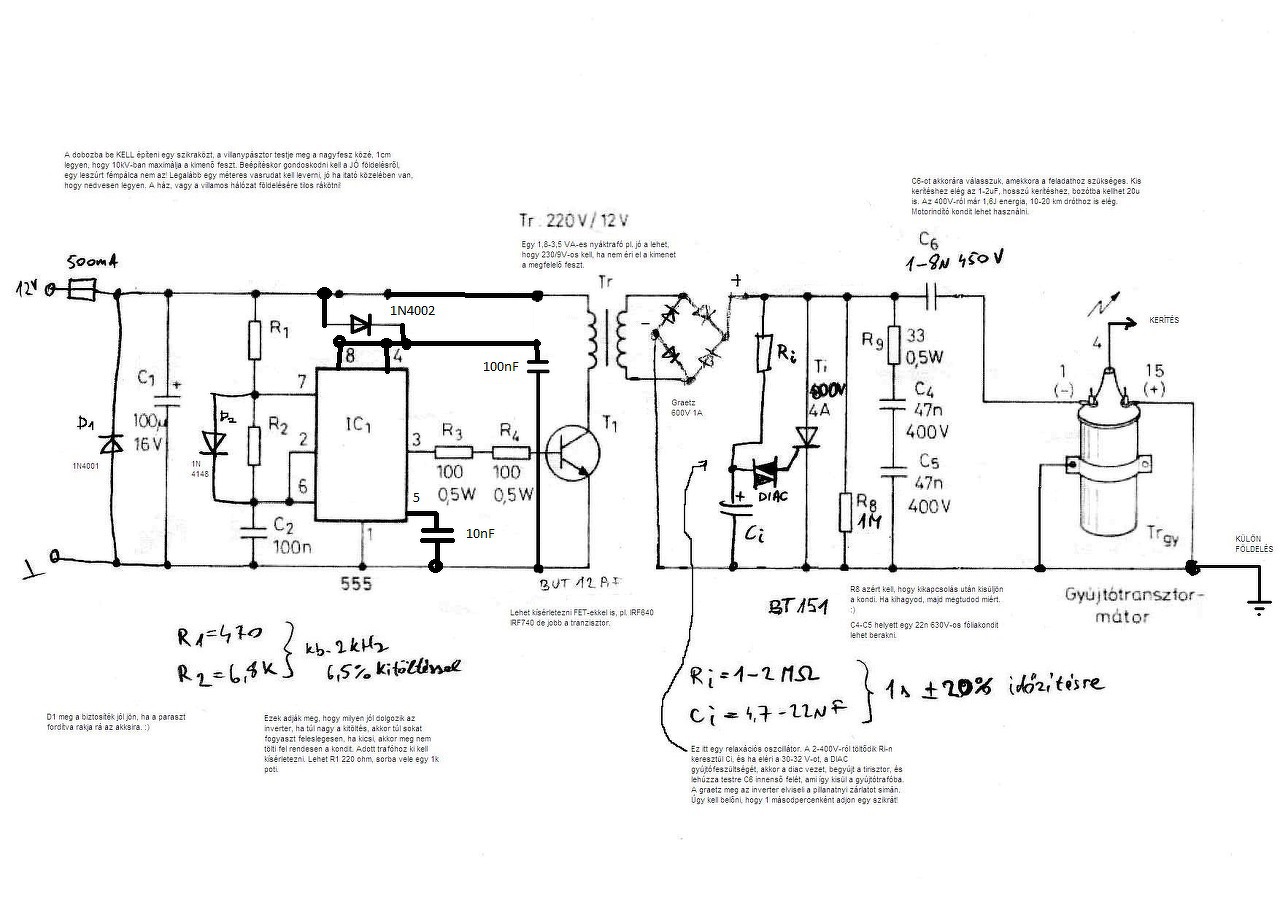
Ez az áramkör elégé hozzávetőleges, mert jobbá tehető, ha a bemenetén lévő D1 kicserélődik egy ZY vagy ZX 16V z-diódára. Mellette a tranyzisztor bázisán se érthető a kettő soros ellenállás, egy is elég lenne. De mivel a tranzisztor induktív alkatrészt hajt meg, és semmi védelmet nem tartalmaz...
Én módosítottam már annyit hogy a diódát az elején sorba kötöttem,és a két ellenállást egyre cseréltem nagyobb teljesítménnyel. De eddig ilyet nem csinált.
Ez esetben a soros diódát át kellene tenni a trafó és az 555 közé, így nem tud pozitív feszültséglökés visszarúgni az 555-re. A bemeneti dióda meg jó úgy ahogy van. Ekkor a trafónál kellene egy 100µF kondi is, hogy az áramlökést tudja adni, ne pedig a dióda terhelődjön.
A hozzászólás módosítva: Jún 22, 2016
Az 555 IC 5. lábára tegyél 10nF kerámia kondenzátort.Esetleg még megér egy próbát,válaszd le az IC 4 és 8 lábát a tápról egy diódával majd a 4 és 8 láb valamint az 1 lábára rakj egy 10µF/16V elkót vele párhuzamosan meg egy 100nF kerámia kondenzátort.Ez a megoldás megvédi az IC-t a keletkező tüskéktől,melyek hazavágják.Vagy csak az első mondatom + közvetlen az IC 4-8 és 1 lábára tegyél kerámia 100nF kondit.Mérd meg a tápfeszültséget,lehetőleg 15V ne legyen több,inkább a 12-13V tartományt javasolnám és mindenképpen építsd be a két kerámia kondenzátort.
Várnák visszajelzést,hogy sikerült e megoldani,ha nem veszed tolakodásnak,köszönöm.
Hova gondolod pontosan? Gyorsan átrajzoltam, ha így gondoltad.
Így működött üresjáratban,mindenhol jók voltak az értékek. Bekötöttem a c6 kondít meg a gyújtótrafót,és bumm... Megint eldurrant az 555.... Egy pillanatra még rövidre is zártam a kis transzformátort,hogy hátha a terhelésre,de attól semmi baja nem lett.... Érdekes kis hiba jelenség lesz ez
Valahol áthúzás lesz a nagyobb fesz és a kisebb közt,keress ilyen hibát is.
Láthatnám a panel mindkét oldalát és a komplett gépet? A hozzászólás módosítva: Jún 22, 2016
Ezzel a megoldással a tüskék ugyanúgy szabadon "odajutnak" az 555-öshöz, a dióda ezt nem akadályozza meg!Szerintem is valami áthúzás, vagy tápfeszültség hiba lesz ez. Még nem írta meg a kolléga, hogy mennyi a tápfeszültség. Meg kellene próbálni az első felállás szerint és akkus táplálással, az akku jobban bírná az esetleges feszültséglőkéseket kompenzálni.
Még sosem építettem villanypásztort, nem is érzek késztetést rá.
De azt vegyétek figyelembe.hogy amikor a tranzisztor lezár nagyon nagy a C-E ellenálása. Az önindukció nem csak egy ellentétes polaritású impulzus, hanem egy rezgés, főleg, hogy 100µF es kondi is van vele párhuzamosan az eredeti kapcsolásban. Szerintem egy pillanatra kap fordított tápot az 555. Az akksi talán megfogná de az akku élettartamának nem tenne jót. Én talán egy soros diódán keresztül táplálnám a teljes 555 -ős kört és külön diódával a trafót. És valami védelem kéne a tranzisztornak is. Esetleg C-E vel párhuzamosan egy záróirányba kötött dióda.
Ha eddig ment áthúzás nélkül több mint fél éve,most mitől lenne áthúzás? Ez nem áthúzás hiba. .Tápfesz 12V-13v között van.
Szia!
Esetleg ha tudnál mutatni képet a forrasztási és beültetési oldalról, akkor lehet hogy hamarább tudnánk segíteni.
Sima próba panelra van ültetve az egész.
Üdv Mindenkinek!
Egy kis "újdonság/érdekesség" tőlem. ![]() Itt megtalálható, a ki mit épített topikban: Napelemes villanypásztor
Üdv Mindenkinek!
Egy kis segítségre lenne szükségem. Csinálnom kellene villanypásztort birkák őrzésére. Már órák óta olvasgatom a topikot, sok kapcsolási rajzot is találtam de nem tudom eldönteni melyik lenne a jó. Ha valakinek volna bevált rajza lehetőleg nyáktervvel együtt, de ha nincs majd megtervezem. Kérném ossza meg velem. Nagyon megköszönném. Idézet: „birkák őrzésére” Tanult kollégám most veti be éppen a "csodafegyvert" ez ügyben: Mélyhűtő és hentes (tapasztalattal rendelkező szomszéd) ![]() Rádiótechnikában komoly cikk(sorozat) volt róla. Elég alaposnak tűnt, bár nem vagyok érintett az ügyben.
Szia! A birka a lehető "legrosszabb" állat a villanypásztor szempontjából! Ide mindenképpen nagyobb teljesítményű, inverteres típus szükséges. De jó lenne először tudni, hogy miről szeretnétek működtetni, sima hálózatról, akkuról, esetleg e kettő kombinációjával.Ha ezt tudjuk akkor lehet konkrét áramkört ajánlani.
Itt van egy egész jó leírás a mellékletben, ezt itt tették fel korábban, de egész jól működik. A hozzászólás módosítva: Júl 6, 2016
Köszi szépen Zoli !
Erre gondoltam, ez igazi segítség volt! Már neki is fogtam a nyák nyomtatásnak.
Sziasztok! Nekem a régebben linkelt Oldman féle kapcsolás csupán max 3mm szikrát produkált és azt is nagyon gyenge intenzitással, ezért megépítettem a mellékelt kapcsolást. Szerintetek mi lehet a gond ezzel, igaz ez már 1,5cm szikrát produkál, de gyenge nagyon, mert a becsatlakozástól pár méterig csipkedi a birkákat, de távolabb már nem nagyon. 500mA a táp. A táp okozhatja? Ill. mit kellene változtatni a kapcsoláson, hogy erősebb legyen?
A hozzászólás módosítva: Júl 16, 2016
Szia!
Ha jól kinyit a meghajtó tranyó, már az elviszi a tápod nagy részét, aztán ha nyit a 326, biztos lerántja a 12 voltot rendesen.... ide 5 amperes táp kell inkább.
Köszi a választ! Én is hasonlóra gyanakodtam, mert a táp visszajelző led is villan mikor az impulzusjelző led villan. MEgpróbálom nagyobb táppal. Nem tudom miért, de sok cikkben 3-400mA-et írnak tápnak hasonló készülékekhez. Ez védelmi megfontolás miatt lehet?
A hozzászólás módosítva: Júl 16, 2016
Ha lenne szkópod, az is megmutatná, mennyire esik le a tápfesz.
Szia!
Mért kínlódsz ezzel,az inverterest sem bonyolultabb megépíteni,az legalább csapkod rendesen.Annál jobbat nem nagyon tudsz készíteni az általánosan beszerezhető alkatrészekből.
Szia! Már nem akarok annyi lomot készíteni. Ez már a 3. verzió volt ami sajnos nem kielégítő pedig az RT-ből építettem. Nem is nekem lenne, hanem egyik ismerős kért meg rá, aki egy 40x40m területen legeltetne. Tulajdonképpen fogalmam sem volt, hogy ennyire nehéz bizseregtetni pl egy birkát.
Köszönöm szépen! Egy nyák rajzal esetleg ki tudnál segíteni?
A rajzon lévő alkatrész értékeket vedd figyelembe!
Nem lehetne ezt használni elektromos rovarölő elhalálozott nagyfesz trafó helyett? Gondolom kisebb kondi is elég lenne és a relaxációs oszcillátort a villanypásztornál megszokottnál gyorsabbra kellene állítani, mondjuk 10Hz körül? Viszont a sűrűbb rövidzár miatt a graetz és az inverter védelmére esetleg egy optocsatolón keresztül le lehetne állítani azt arra az időre...
A hozzászólás módosítva: Júl 16, 2016
|
Bejelentkezés
Hirdetés |










