Fórum témák
» Több friss téma |
Fórum » Labortápegység készítése
Szia!
Igen igazad van, de ugye ez a bekapcsolási tranzinens is sokmindentől függ. Elméletileg ez akkor áll fent, ha a pufferben egyáltalán nem marad semmi töltés. Ekkor a pufferkondi a bekapcsolás pillanatában rövidzárként viselkedik. Viszont ezek milli meg mikroszekundumok alatt lecsengenek, én úgy gondolom, hogy ezeket nekik bírniuk kell, sőt, ezt minden diódának bírnia kell. Én inkább a tartós, 3A-es terheléstől tartok, mivel ezek önálló diódák, melegedni is fognak elég drasztikusan, hűtésük meg ugye nincsen nekik... A javítás egyébként ezeknek a diódáknak a cseréjéből állt. Zárlatos lett két darab, természetesen szekunderoldali biztosíték nem volt, így az előszabályzó reléitől adiódák felé tartó nyák fólia játszotta el a biztosíték szerepét.
Igen, csak mostanában egyesek különösebb számolás nélkül készítenek több 10 000 µF puffer pakkokat a brumtól való félelmükben, és ezt már nem biztos, hogy egy diódának bírni kell. Ekkor jön a + 20% -os túlbecslés, de adott esetben ez sem biztos, hogy elég. Akkor jelentik ki, hogy ez biztos hamisított dióda.
Sziasztok!
Keresgéltem a neten\itt a fórumon megoldást erre, de nemigazán találtam érdemlegeset. Szóval szeretnék egy földszimmetrikussá kapcsolható labortápot készíteni. Az alapja el is készült, van egy transzformátorom, arra megy a G-híd, majd a DC-DC konverter 0-30V szabályzással áramkorláttal és áramgenerátoros üzemmóddal. Most szeretnék még egy modult tenni hozzá, viszont ahogy végiggondoltam a dolgot, egy szekunderrel rendelkező trafóval nem fogom tudni megvalósítani, vagy igen?
Mit jelent az hogy szimmetrikussá kapcsolható? Mielőtt újra belebonyolódnánk a kérdésbe, a szimmetrikus az így néz ki, nyilván a vezérlés(ek) nélkül. Hogy az most együtt fut a két ágban vagy külön külön szabályozható az már részletkérdés, mint ahogy a megtáplálás módja is.
Hello! Egyszerű a kérdés. Van-e a DC-DC konverteredben galvanikus elválasztás? Ha van lehet, ha nincs nem. Általában viszont nem szokott lenni benne.
Így nézne ki egy szimmetrikus táp, de 99%-ban két pozitív oldalon szabályzott táp modult használnak....
Szia!
Egyutas egyenirányítással tudsz +/- tápot előállítani a trafóddal. (Gee Lee remélem nem baj, hogy a te képeded alakítottam át.)
Lehetni lehet, de ekkor sem kapcsolható össze a 2 pozitív oldali szabályzású táp!!!
Szia!
Ebben igazad van, én Gee Lee által vázolt áteresztős kapcsolásba gondolkoztam, nem a két azonos tápmodulba, amit Gránátalma kérdezett.
Hála a jó égnek, azokat talán még nem hamisítgatják!
Sziasztok!
Szeretnék pc tápegységből olcsó labortápot készíteni,találtam is egy ötletet a következő oldalon: Tápegységet mindenkinek Ezzel csak az a bajom,hogy a rajzon a szabályzott kimenet +12voltal van összekötve, ha jól gondolom,akkor annak a barna szálnak kellene lennie.A barna pedig a narancssárgával van összekötve,ami 3,3 volt.Ilyenkor mi a helyzet?Én vagyok csak ilyen láma?Valaki elmesélné hogy is van ez? A hozzászólás módosítva: Aug 1, 2016
A narancssárga vezeték a 3,3V-s ág, a barna pedig csak gyakorlatilag ezt az ágat figyeli ("3,3V sense"), ez a két vezeték össze van kötve az ATX csatlakozóban, de mivel ezt levágod, a tápon belül újra össze kell kötnöd öket. (egy narancsot és a barnát) Ennek igazából nincs köze ahhoz a rajzhoz, amit linkeltél, csak alapból össze kell őket kötni.
A szabályozott kimeneted meg valószinűleg a citromsárga, ami eredetileg 12V volt. Itt csak simán tedd be a két potit meg az ellenállást a rajz szerint, és elvileg ennyi. A hozzászólás módosítva: Aug 1, 2016
Ohh köszi a gyors választ!
Akkor ha jól értem,akkor a narancs és a barna összeköt. Egy citrom a potira, egy citrom meg a kimeneti + lesz. .....természetesen a hozzájuk járó feketével........ A többit ami nem kell azt lenyiszálhatom.
És az mitől lesz labortáp?
Átnézel a PC táp átalakítós topikba, találsz normális rajzot leírással együtt, én is csatoltam legalább háromszor.
Akkor nem labortáp..mindegy.Nekem,pont ilyen kell.
Egyébként meg sem időm,sem energiám nincs közel 180 oldalt átböngészi.Továbbá nem vagyok profi csak amatőr érdeklődő.
Sziasztok. Egy ismerősöm meg kereset hogy nem e csinálnék neki egy max +24V -24V labortápot. A fejtőrést az okozta számomra hogy egy középleágazású transzformátort kaptam hozzá. ( 2*20V 3A)
Hogy kössem a negatív ágat? Ezt a kapcsolást szeretné ha lehet: Köszönöm a segítséget.
Hello! Nem lehet! Mert ennek a tápnak a közös pontja a táp negatív fele (GND). Ezzel +- tápot készíteni csak két független tekercsről lehet. Ha megtudod megbontani a közös pontot, csak akkor lehetséges.
Jól gondolom hogy akkor sem kapcsolhatom össze a GND -ket?
Ha elég a maximum 2x1,5A, akkor jó választás lehet az LM317-LM337 párossal felépített táp is. Valami ilyesmi: Bővebben: Link Igaz, ennél vannak itt sokkal jobb kapcsolások is, de cserében ez nagyon egyszerű. Ha a trafód 3A összesen...
A hozzászólás módosítva: Aug 1, 2016
2*3A a Trafó. Az lm 317 egy jó dolog, nekem sokáig volt és talán még mindig megvan valahol. Viszont az ismerős direkt szimetrikus labortapot kért. Halkan teszem hozzá kezd engem is érdekelni. Nincs valakinek egy közösithetö GND -és szimetrikus labortáp rajza?
Már csatoltam néhányszor egy lehetséges (egyébként működő) megoldást. Nyilván lehet hasonlót építeni tranyókkal, vagy akár külön külön szabályozhatót is, csak bonyolultabb lesz mint ez.
Az LM317 az egy mezei stabilizátor, semmi köze a labortáphoz, fix túláramvédelme van.
Szia. Egy mondás szerint újszülöttnek minden vicc új. Ezért jó ha az ember bele botlik jó emberekbe. (van még mit tanulnom) köszönöm a rajzot meg lesem és ha gép elé kerülök majd alaposan át tanulmányozom. Az lm 317 -el építhető egy áram korlátos táp. Vannak hibái de egy nagyon kezdőnek talán jó valamire. Vagy nem jó
Szia. köszönöm a rajzot. egész meg mozgatta a fantáziámat. Az ismerősömnek szerintem jó lesz, én úgy gondolom hogy ezt még kiegészíteném két másik labortápal ( köszönet Alkotónak a tervekért)
Ezek után már egy elégé korrekt berendezésem lesz szerintem. ![]() Egy kérdés még, nincs hozzá egy panel terved? (A képen lévőt nem tudom megfelelően ki szedni) A hozzászólás módosítva: Aug 2, 2016
Én pl a csöves erősítőmbe lc szürést raktam brumm ellen, plusz most átalakítás alatt van az erősítő, és fog kapni egy hálózati zavarszűrőt is!
Én nem építettem meg, ezért nyákot sem csináltam hozzá. A képen lévőt sem nehéz átrajzolni, de azon amúgy is kell módosítani mert még a fekvő pufferek vannak benne.
Kicsit nagyobbak vannak itthon. (fekvő kondiból).De majd megrajzolom.
Ezaz hogy nincs, a GND-je teljesen galvanikus. Akkor nem is gondolkodom tovább rajta, mert felesleges. kell egy dupla szekunderű trafót szerezzek.
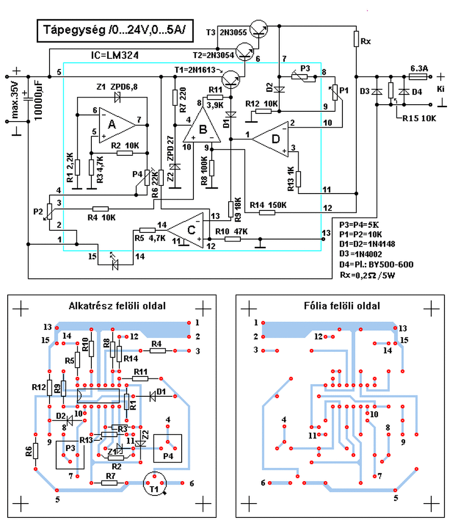
Nagyobb felbontásban (pl. pdf) nincs meg valakinek a dokumentáció? Számos részlet olvashatatlan ebben a méretben.
Ne a kis képre kattints, hanem alatta a fájlnévre. Úgy már olvasható.
|
Bejelentkezés
Hirdetés |






Átnézel a PC táp átalakítós topikba, találsz normális rajzot leírással együtt, én is csatoltam legalább háromszor. 











