Fórum témák

» Több friss téma
Fórum » Kapcsolóüzemű táp 230V-ról
 
Témaindító: cimopata, idő: Szept 13, 2006
Témakörök:
Lapozás: OK   663 / 788
(#) latyakosa válasza kezdoke hozzászólására (») Júl 31, 2016 /
 
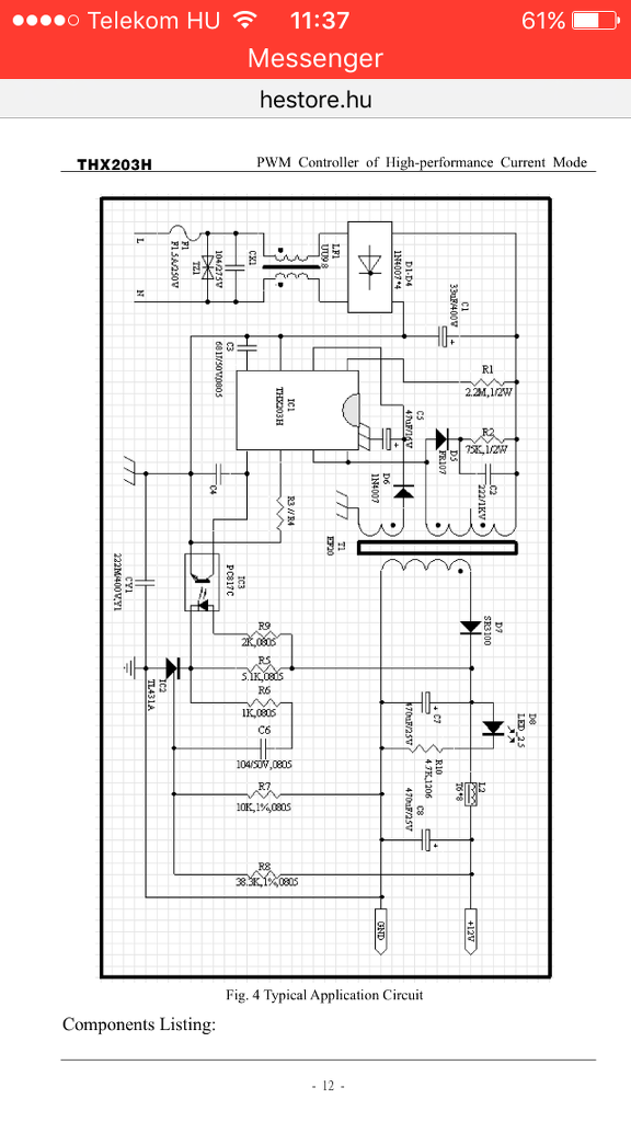
A szekunder oldal megtáplálása a hiba előtt vagy után történt ?
Az Opto-ban lévő diódát is ellenőrizted?

Leválasztó trafóról megtáplálva a primer oldalt megmérném a THX203H 2 lábán, hogy kap-e tápfeszültséget, az opto nem zárja-e rövidre a 5 lábat a test felé. A primer oldali diódák, ellenállások nem hibásak?
A THX203H 7-8 lábakon tápfeszültség mérhető ?
(#) kezdoke hozzászólása Júl 31, 2016 /
 
A hiba után történt a külön táplálás, az optoban lévő kimaradt megyek és pótolom a hiányosságomat.
(#) kezdoke hozzászólása Júl 31, 2016 /
 
A THX203 2-3 as lábközött semmit nem mutat a DMM viszont már 3-7,8 lábak közt 315V ot mértem
(#) latyakosa válasza kezdoke hozzászólására (») Júl 31, 2016 /
 
Ellenerizni kellene miert nem kap tapfeszt a 2-s lab. A fotokbol nem egyertelmu teljesen de kell lennie egy soros ellenallasnak es egy zenernek is ott.
(#) kezdoke válasza latyakosa hozzászólására (») Júl 31, 2016 /
 
Gyors ránézésre az ic körüli rész megegyezik szóval a 2 es lábbal sorosan csak egy dióda van

image.png
    
(#) tursaba válasza Karma1 hozzászólására (») Júl 31, 2016 /
 
Ezt találtam neked.
(#) latyakosa válasza kezdoke hozzászólására (») Júl 31, 2016 /
 
Probald meg megtaplalni az ic-t a 2-s labanal az adatlap szerinti 5.5V tapfesszel. Ha akkor sem indul akkor ic-t lesz cserés.
A hozzászólás módosítva: Júl 31, 2016
(#) philips100 hozzászólása Aug 2, 2016 /
 
Sziasztok,

Tanácsotokat kérném.
TNY26x illetve TNY27x PI gyártmányokról lenne szó.A adatlap szerint "wide range HD DC input" bemenet kell neki.Ez tiszta,hogy mit jelent.Ha építek 1 db DC "bus-t" erre kötök rá 5 db DC/DC konvertert párhuzamosan az működne?Nem "zavarnák" egymást?
(5 db 5V/1A tápegységet szeretnék építeni)
Válaszokat/javaslatokat köszönöm.
(#) ferci válasza philips100 hozzászólására (») Aug 2, 2016 /
 
Szia!
Célszerű lenne mindegyik elé egy 50-100 uH- 10 µF szűrőt betenni, mert a buszt biztos nem egymástól eltolva terhelnék a pl. 132 kHz-es impulzusaikkal.
A hozzászólás módosítva: Aug 2, 2016
(#) philips100 válasza ferci hozzászólására (») Aug 2, 2016 /
 
Szia,

Csatolva egy kép a tervezett DC/DC konverterről.
Az egyenirányítás után és a HV+ bemenet közé tegyem az induktivitást?

TNY.png
    
(#) Karma1 válasza tursaba hozzászólására (») Aug 2, 2016 /
 
Köszi! csak valahogy le kell egyszerűsíteni ezt a rajzot mert hát ugyebár nekem nem kell pl a 3,3 v és az 5v se csak a +-12v felhúzva 20v-ra és meg is van a cucc
(#) ferci válasza philips100 hozzászólására (») Aug 2, 2016 /
 
Igen. A HV+ és HV- közé pedig az elkót.
(#) philips100 válasza ferci hozzászólására (») Aug 2, 2016 /
 
Köszönöm a segítséget.
(#) b_akos hozzászólása Aug 4, 2016 /
 
tisztelt forum tagok !
vegig olvastam e 665 oldalas topic-ot, rengeteg info van benuk, de ugy igazabol a gee lee kivul nem talaltam 2kw-os (vagy nagyob) taprol leirast, csak paran pedzetek a dolgot hogy jo volna... Nem hiszem hogy e forum tagjai nem kepesek egy moderneb nagy teljesitmenyu tapot megepiteni, mondjuk peldaul ucc3895-val vagy akarmivel ami 4-5 kw-ot ki tudna hozni...
(#) Buvarruha válasza b_akos hozzászólására (») Aug 4, 2016 /
 
Ez nem hit kérdése, ha így lenne, már kész lenne, vagy publikus lenne.
(#) voodoo válasza b_akos hozzászólására (») Aug 4, 2016 /
 
ÓÓó, hányan voltak jöttek, láttak, mentek. Majd ők megmutatják, aztán kiderült kérdéses a stabil 800W is. De komolyan. Amióta egy picit beleástam magam a témába és napra kész vagyok itt is kb 2.5 éve azőta azt vettem észre, hogy mindig jön valaki a semmiből kb fél évente, és a lehető legnagyobbat most azonnal rögtön, miért nincs?
Egyenlőre nem volt szükség nagyobb táp kivitelezésére, (legalábbis nekem, még a 2kW is sok) de ha amúgy tényleg elolvastad volna a hozzászólásokat akkor nem tudom miért kerülte el a figyelmed, hogy a Ge Lee tápja elég széles tartományon belül "univerzális" aka: megépítheted 200W-ra és több kW-ra is.
(#) b_akos válasza voodoo hozzászólására (») Aug 4, 2016 /
 
hat szukseg nem biztos hogy van ra, de ez it egy hoby forum; a ge lee tapja nagyon jo csak hat mar regi, mar vannak uj generacios gate vezerlok (ucc21521, adum3220, ACPL-W346 stb). Ezekel mar 100khz siman lehet dolgozni (kiseb trafo meg miegymas)
(#) Ge Lee válasza b_akos hozzászólására (») Aug 4, 2016 /
 
Ha végigolvastad a topikot akkor arról is kellett hogy olvassál párszor, hogy van ennek egy áramgenerátoros változata is (hegesztő), ami alapból tud több mint 3kW-ot, de akár úgy is megcsinálható hogy a hálózati automata legyen a szűk keresztmetszet. Egyébként meg ez is, csak izmosabb félvezetők kellenek bele, meg korrektebb védelem, meg az sem árt ha gyorsabb a teljesítmény félvezetők kikapcsolása.
Nem tudom mihez kellhet ennél több.
Aztán a mezei 494 is tud 100kHz-et, de akár 400kHz-et is, már amelyik nem hamis...
A "korszerű" gate vezérlő pedig nagyon szép, elméletben. Aztán a gyakorlatban meg elég neki egy rövid kitöltés, vagy valami kósza zavar, és cserélhetsz mondjuk 2db 1200Ft/db árú IGBT-t vele együtt, ami egész jó élmény egy összeszerelt, bedobozolt készülék esetén.
Hogy ki mire volt vagy lenne képes az általában a hozzászólásaiból már látszik. Csak ugye aki jobban ért hozzá az egyrészt ide nem kell, másrészt a karját is letépnék amikor a kisujját nyújtja amit szerintem joggal vesz zokon, harmadrészt talán ebből él, így valamennyit fog segíteni, de az nem várható el tőle hogy mindig, mindenki számára és főleg korlátlan mértékben rendelkezésre álljon, azaz kész dolgokat prezentáljon...
(#) b_akos válasza Ge Lee hozzászólására (») Aug 4, 2016 /
 
Az altalad keszitet tap egy referencia mind mukodesben mind leirasaban es igen nagyra becsulom; a kihivas egy hobi-sta szamara hogy enel jobat keszitsen (vagy legalab megprobalja). Nem hiszem hogy a gyarto cegek ne lenenek tisztaban az ic-es gate vezerlok problemaival es az ujab fejleszteseknel ne probaljak kikuszobolni oket. Az hogy forum tagok nem teszik koze amiket gyartotak az nagyon furcsa mert nem hiszem hogy gyartmanyaibol elnek, ahoz ezres teteleket kelene gyartani... szerintem inkab buszkek kellene hogy legyenek hogy sikerult egy problemat gyorsaban, szeben, egyszeruben megoldani mint a forum kolegak, arol nem beszelve hogy egyszer mindenki volt kezdo es bizony jol jot a segitseg.
(#) Buvarruha válasza b_akos hozzászólására (») Aug 4, 2016 /
 
Nem kell ezres tétel, elég, ha egyedi megoldásról van szó 10 ipari gépbe például és máris annyit keresel, mint a kommerszből 100db eladása után, de miből gondolod, hogy nem kerülnének akár sorozatgyártásba?
(#) b_akos válasza Buvarruha hozzászólására (») Aug 4, 2016 /
 
hat reszben a kinai konkurencia miat reszben pedig 10 ipari gepbol meg lehet elni 1-2 honapig es aztan ? de mint emlitetem ez egy hobi forum ahol altalaban nem a profik irogatnak hanem lelkes epitok (akik melesleg lehetnek profik is...) akik megosztjak tudasukat es tapasztalukat masokal is (lasd Törölt felhasználó, lorylaci, pepe2000 es meg sokan masok) es ez igy helyes egy hobi forumon. Apropo sorozat gyartas: sokszor igen jol jonek eszrevetelek masoktol, mert mindenki "maskep csinalja" es mikor nagyon akarunk valamit sokszor nem veszunk eszre egyszeru dolgokat es ezeket megvitatva joban jarsz mintha egyedul gubozol egy egy projekten.
A hozzászólás módosítva: Aug 4, 2016
(#) Buvarruha válasza b_akos hozzászólására (») Aug 4, 2016 /
 
Aztán csinálsz másik gépekhez másik tápot például, ez így megy. Nagyon nem csodálkozok azon, hogy nem szivesen osszák meg az egyedi megoldásokat. Mellesleg ahogy te is mondtad ez hobbi fórum, és a többkilówattos táp már közel sem hobbikategória. Bővebben: Link
A hozzászólás módosítva: Aug 4, 2016
(#) Skori válasza b_akos hozzászólására (») Aug 4, 2016 /
 
Annyit fűznék a dologhoz, hogy egy gyári készülék tervezése eléggé másképp megy, mint egy hobbi készüléké. Hogy kb. miben azt egyszer leírtam ebben a hozzászólásban. Ezen felül az én esetemben pl. a munkáltatóm nyilván nem örülne neki, ha közzétennék olyan áramköröket, aminek a fejlesztési költségeit ő finanszírozta. A hobbi projektjeimet néha felteszem a weblapomra, de ide is tettem már be néhány dolgot. Viszont általában teljesen kész dolgot ritkán adok ki, pl. mert úgy vagyok vele, hogy ne várja senki, hogy a sültgalamb a szájába repüljön, hanem legalább egy kicsit azért dolgozzon is vele.
(#) Skori válasza b_akos hozzászólására (») Aug 4, 2016 /
 
A tápegység építés egyébként eleve egy speciális kérdés sok szempontból. Tömeggyártott , olcsó, a szabványokat teljesítő tápmodulok széles választéka kapható, sok esetben olyan áron, amiből egy saját hobbi tápnak még az alkatrészeit sem lehet kiskerben megvenni. Nem beszélve a fejlesztésről, bevizsgálásról... Saját tápot tervezni, fejleszteni csak elég speciális esetben éri meg, vagy hobbi és/vagy tanulás céljából.
(#) b_akos válasza Skori hozzászólására (») Aug 4, 2016 /
 
"Saját tápot tervezni, fejleszteni csak elég speciális esetben éri meg, vagy hobbi és/vagy tanulás céljából" hat ezt probaltam erzekeltetni amikor azt mondtam hogy nem ebbol el meg a legtob forum tag. A "lelkes epitok" zome e forumon ezt hobbibol csinalja. Van aki magasab szinten, van aki kezdo szinten. Es akor minek a titkolozas ? A teljesen kesz dolgokrol pedig anyit hogy it velemenyek, eszrevetelek, javaslatok vannak, (neha kesz dolgok is), de a lenyeg a forum kolegak kisegitese, ha azt kerik. Egy tobbkilowattos tap mar meg miert ne lehetne hobbikategoria ? Egy 1kw erosito miert nem lehetne hobbikategoria ? En peldaul nem eladasra keszitem oket. Ha el tudom adni az egy dolog, de nem ez a cél. Azert hobbi.
(#) Buvarruha válasza b_akos hozzászólására (») Aug 4, 2016 /
 
A kisegítés egy dolog, de eddig azt sugalltad, hogy jó lenne, ha valaki prezentálna valami kapcsolást amit megépítesz és hadd szoljon. Ha készítesz valamit és segítség kell, elakadsz, biztos, hogy segítenek a kolegák. Egyébként attól, hogy hobbiból csinálsz valamit, még tartozhat az a masina komolyabb kategóriába. Amúgy szabad tudni, hogy mire kell neked sok kilówattos táp?
(#) b_akos válasza Buvarruha hozzászólására (») Aug 4, 2016 /
 
hat van egy regebi tervem a viz bontasara, aztan van egy megkezdet kw erosito meg aztan jo ha van a haznal egy ilyen...
(#) Buvarruha válasza b_akos hozzászólására (») Aug 4, 2016 /
 
Akkor kezdj utána járni, olvass tapasztalatokat itt is máshol is, ha elakadsz segítenek. Rajz van millióféle amikből ki lehet indulni, de a saját munkáját nem hinném, hogy bárki is megosztaná egy az egyben, skori vázolta az egyik elég nyomós okot.
(#) b_akos válasza Buvarruha hozzászólására (») Aug 4, 2016 /
 
sugallni meg azt sugalltam hogy hianyoltam ezt a tap kategoriat
(#) b_akos válasza Buvarruha hozzászólására (») Aug 4, 2016 /
 
Epiteni is epitettem mar tapot vagy 2 evel ezelot, ment is egy darabig aztan elszalt es nem foglalkoztam mostanaig vele. Most ujra elovettem hogy attervezem es vegleges verziot epitsek.

tap.png
    
Következő: »»   663 / 788
Bejelentkezés

Belépés

Hirdetés
XDT.hu
Az oldalon sütiket használunk a helyes működéshez. Bővebb információt az adatvédelmi szabályzatban olvashatsz. Megértettem