Fórum témák
» Több friss téma |
Fórum » PIC - Miértek, hogyanok haladóknak
Az 3.3V-os. Ha beirod a Banggoodon 2.4 LCD , kapsz egy csomot. En azt hasznaltam, amit Arduino kiegeszitokent arulnak ILI9341 vagy 9325-os vezerlovel. Szepen leoperaltam a kijelzo foliajat a panel alaplapjarol es ugy hasznalom. Az Alibaban viszont kapni sima, fel nem forrasztott foliasakat is.
cross51 egy LCD-t linkelt be. A hozzászólás módosítva: Jún 27, 2016
Akkor nem színes kell, tudjátok milyenre gondolni. Van egy ilyenem amit linkelt de csak arra jó hogy otthon játssz vele. Sajnos ez a banggoodos sem túl jó. Ipari alkalmazásra kell, eddig az eadid a legjobb, csak kicsit sok érte 7-8eFt.
Igen, a világítás külön van. Sajnos valóban nem a legolcsóbb, de nekem eddig nagyon bevált, valahol találtam hozzá drivert is, viszonylag könnyedén tudtam implementálni dsPIC-hez.
Esetleg nézd meg a gyártó honlapját hátha találsz valami olcsóbb kijelzőt. Sajnos most nem tudok küldeni képet róla, mert a héten nem vagyok otthon, de ha hétvégén is megfelel vagy jövőhéten és még érdekel akkor tudok küldeni.
Erre reagálva: minden TFT LCD, de nem minden LCD TFT.
![]() Idézet: „kicsit sok érte 7-8eFt.” Ipari alkalmazásban az szerintem olcsónak számít.
Sziasztok!
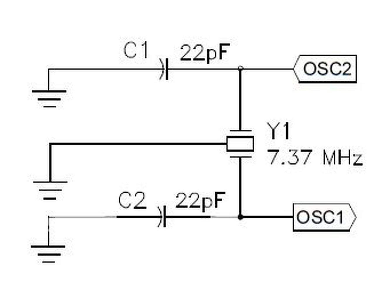
Egy dsPICdem 80 PIN starter board-ot (kb 2006-ban tervezték a gyárit) készítek saját célra, mivel nem akarom megvenni 20 000 Ft-ért és a suliba azt használjuk. A következő dologgal szembesültem. Van egy külső kvarc csatlakoztatva rá, ami 7.37MHZ-es. A probléma csak az, h a kapcsolási rajzon nem 2 hanem 3 lába van és az egyik le van földelve. Úgy értelmezem, h a ház. De ilyen oszcillátort még nem láttam és nem is tudok venni. Szerintetek az probléma, ha olyan kristállyal csinálnám meg, aminek a háza nincs leföldelve? Vagy egyáltalán jól értelmezem, h a fémház van leföldelve?
Ne izgasd magad vele, egy földeletlen házú kvarc is megteszi!
Felhasználható a quartz helyén 3 lábú kerámia rezonátor is. Murata CERALOCK® Egyes típusokban a két kondenzátor is benne van.
A hozzászólás módosítva: Jún 29, 2016
Teljesen mindegy, mivel építed fel az oszcillátort, amíg az alapelvárásokat teljesíted. A pic adatlapja leírja, milyen lehetőségeid vannak. Olyan 3 lábú izét használni egyébként már nagyon kiment a divatból, ha az számít bármit. 7.37-es kvarc is jó lesz a helyére.
Köszi a segítséget! Egy elektronikai boltban azt mondták, h forrasszak rá a házra.
Elég barbár megoldás lenne.
Nem barbarsag raforrasztani. A HC49/U tokozasu kvarcokat gyakran teszik fektetve es leforrasztjak a nyákhoz. Rogzit es árnyékol.
Néha még egy adott munkapontra beállított (jó alaposan felfűtött) kicsi fémházas tranzisztort is egybe forrasztanak a kvarccal kizárólag a hőfokstabilizálás miatt. Barbárság, vagy sem, ahol a precizitás sokat számít, ott azt is megéri. Régebben nagyobb divat volt, de ma sem példa nélküli eset.
Ez egy tök általános megoldás. A nagyobb méretű kvarcokat így szokták rögzíteni a nyákra, hogy ne szakadjon le pl. egy ütődés során.
Szervusz!
A Chipcadnél én is vettem tegnap egyet, háttér világítással együtt van. Amit én vettem, az fehér hátterű, fekete pixelekkel. "CERC12864FS-655 - 1 db. 2900.- Ft. +ÁFA. Lehet hozzá touch panelt is kapni, 1900.- Ft. +ÁFA áron. Sok sikert a kereséséhez
Szia!
Ó köszi szépen, ez tök jó, ilyesmit kerestem. Bekapcsoltad már, fotót tudsz küldeni? Azok a bias lábak mire valók? Ha jól sejtem kondikat kell oda kötni.
A VB0+(16.láb), VB0-(17.láb), VB1-(18.láb), és a VB1+(19.láb) as LCD bias feszültségének a lábai.
Az EastRising honlapról töltsed le az adatlapját, könnyen fogsz boldogulni vele ![]() Ha megírtam rá a jövő héten a programot, felrakok működés közbeni képet róla! Kellemes hétvégét!
Épp azt nézegetem.
Várom!
Néhány órányi kínlódás után végre sikerült rájönnöm hogy hibás a Microchip gyári string.h-ban a strstr() függvény. Hogyha átadom neki a két string tömbböt, csak akkor hajlandó megtalálni a másodikat az elsőben hogyha az pont az elsőnek a legvégén van. Máskülönben nullával tér vissza. Hogy más ne kínlódjon vele, itt van olyan ami működik:
Sziasztok!
A hozzáértők segítségét szeretném kérni. Adott egy mérőkártya, ahol az egyik cél az volt, hogy analóg jelet adjon ki az egyik kimenetén, elektromosan leválasztva a többi kimenettől. A mikrokontroller egy dsPIC33FJ256MU806-os, ami rendben teszi is a dolgát, mivel ez 3,3V-os I/O portokkal rendelkezik, ezért a PIC után egy szintillesztő áramkör következik, pontosabban egy ADG3304-es, majd a leválasztás miatt következik egy ADuM3151-es és ezt követi a DAC, mely egy Analog Devices által gyártott AD5453 típusú áramkimenetű 14 bites DAC. A referenciát egy külső 10V-os referenciaforrásról kapja. A probléma ott merült fel, hogy az áramkör teszi a dolgát, azonban rendszertelen időközönként a DAC mintha nem megfelelően fogadná a SPI-on érkező adatot és a kimenetén teljesen más érték jelenik meg, mint amit a várnánk a kapott adat alapján. A hibás kimenet a legközelebbi frissítésig fennáll. Próbáltunk rendszerességet keresni a hibákban, de nem tudtuk összefüggésbe hozni semmi mással, ami a panelen található. Az SPI órajelét változtatva hol romlik a helyzet, hol javul, például 100KHz-es órajel mellett megközelítőleg az esetek 10%-ban hibás feszültséget ad ki a kimenetére. Megpróbáltam azt is, hogy az eszköz indulásánál átállítottam a DAC regiszterét, hogy ne az órajel lefutó ágánál mintavételezzen, hanem a felfutó ágában, de nem javított a helyzeten. Próbáltuk a tápot még jobban szűrni, mint ami az ajánlásban szerepel, de nem volt semmi eredménye. A DAC tápfeszültsége egyébként 5V és az adatokat is 0-5V-os jelekkel kapja. Megpróbáltam azt is, hogy csökkentettem a frissítések számát egészen másodpercenként 10-re, de erre sem reagált. Szkóppal készített képeket, illetve logikai analizátorral készített felvételeket csak este tudok feltölteni, de addig is hátha valaki találkozott már hasonló hibajelenséggel. Mindenkinek előre is köszönöm a segítségét és remélem, hogy valaki már látott hasonló problémát. Üdv Máté A hozzászólás módosítva: Aug 2, 2016
Szia!
Első körben azt kellene megnézni,hogy a Dac-ig folyamatosan megy -e jel.Le kellene ellenőrizni folyamatos üzemben,hogy amit a Pic küld,az tényleg meg is érkezik,mert átmegy pár dolgon.Amúgy a szintillesztő nem is kellene bele.Ha jól nézem az adatlapot,akkor mehetne mixed bekötéssel.Még azzal is lehet gond(amivel már én is szenvedtem),hogy a vezetősávok az spi-nél néha átjátszanak,és így más érték megy át. Én ilyen esetben,ha másként nem megy,a teszt idejére a Dac-tól vezesd vissza a jelet a pic-be,és hasonlítsd vele össze azt amit kiküldtél(5/3.3 osztóval).Így még műszer sem kell hozzá. Bár az ADuM3151 miatt ideiglenesen a gnd-t is közösíteni kell majd. ![]() Remélem tudtam segíteni valamit.Mondjuk már eléggé fáradt vagyok ,így nézd el,ha valamit véletlenül elnéztem.
Lehet a pic ad rossz vezérlést, próbáld valami nagyon statikus teszt programmal.
Rákerestem a Microchip oldalán a "PIC33FJ256MU806"-ra, mondom itt valami SPI errata bejegyzést jó lenne megnézni, hátha nem passzol valami a szabvány szerint az átjátszónál (azért is jobb a barkács szintillesztő, mert az nem "gondolkodik", csak teszi a dolgát), de az MC azt jelezte nekem, hogy nem talált a típusjelhez adatlapot
![]() A szintillesztő után az SPI visszakötését már fentebb javasolták, le kellene azt csekkolni. Szinte tuti biztos nem fog visszajönni, ami megy kifele, és akkor lehet lépésenként kotorászni.
Hello!
Ez az adatlapja ,vagyis erratájaMU806 FJ-ben nincs is MU,csak EP-ben ![]() Írnak valamit az SPI-ről,de sajna az angolom olyan mint a kínai nyelvtudásom,így nem mondok biztosat ![]() Amúgy 2 csatornás szkóppal végig lehetne követni,hogy mi nem stimmel. A hozzászólás módosítva: Aug 6, 2016
Mindenkinek köszönöm a segítségét!
Időközben meglett a hiba, csak sajnos még nem volt időm megírni. A hiba ott következett be, hogy a kapcsolást többen szerkesztettük és a táp szűrésénél bekerült a föld vonalra is egy tekercs, méghozzá a leválasztó és a DAC közé. Ez okozta az adott hibajelenséget. Miután átnéztük a kapcsolást még egyszer alaposan meglett a bűnös, amit egyszerűen kicseréltünk egy 0 Ohmos ellenállásra. Üdv Máté A hozzászólás módosítva: Aug 6, 2016
Szervusztok!
Este még működött, reggel először hibásan, azután sehogy... 16F690 a tápot megkapja, a PK3 hibátlanul kezeli az MPLAB szerint, de minden lábon 0V mérhető, a táp (5.01 V), az MCLR (4.95 V) és az oszcillátor két lábát (0.94 V és 2,22V) kivéve. Jól gondolom, hogy az oszcillátor (12MHz kvarc, 2x22pf) adta meg magát, vagy indulhatok másik MC-t venni? (Műszerparkom 1db multiméter)
A kvarc lábain multiméterrel nem tusz érdemi dolgot mérni. A 0,94 és 2,22 V akár jó is lehet, de ezt csak oszcilloszkóppal lehet biztosra mondani.
Próbáld meg a Belső oszcillatorral.
Szia,
Saját program ketyeg benne? PIC magától "csak úgy" nagyon ritkán döglik be, én azt tapasztaltam az évek során, hogy az esetek nagy részében táp, ill. kontakt probléma miatt jönnek elő ilyen hibák. Egyébként ha a PK3 kezeli, akkor az ICSP lábakra írj valami progit, mert azoknak a lábaknak működniük kell. Kvarccal se hinném hogy gond lenne. De hogy biztosra menj, ahogy írták előttem, próbáld meg belső oszcival is. A 16F szériát nem nagyon ismerem (direkt), én csak azt ajánlom, hogy amennyire lehet, hanyagolni kell. Helyette 10F/12F/18F. Idézet: „A 16F szériát nem nagyon ismerem (direkt), én csak azt ajánlom, hogy amennyire lehet, hanyagolni kell. Helyette 10F/12F/18F.” A 16f690-t én se ismerem, de azért én azt vettem észre, hogy az M a 16f-et tolja a legjobba0 és az újak nem is olyan rosszak és ha esetleg valamihez RAM kell most a 16f-ből több van amibe 4096 byte-os RAM van (persze itt még a doksi nem az igazi). Komolyabb projektre én se használnám, de egyszerűbbekre még elmegy a folyamatos bank váltás is és az újabbakban (szerintem) az indirekt címzés jól meg van csinálva.
Ha magasabb szintű nyelven programozik az ember, akkor lehet jól jár a 16F-el is, de asm-ben nincs értelme szerintem. Továbbá azt nem értem, hogy miért nem fagyasztotta be ezt a termékvonalat a Microchip, mivel a kis feladatokat bőven ellátják a 12F (sőt, 10F-ből is vannak egész komoly példányok), 18F-nél meg elég széles a paletta..
De ez igazából csak szubjektív vélemény. |
Bejelentkezés
Hirdetés |







Elég barbár megoldás lenne. 






