Fórum témák
» Több friss téma |
Fórum » Egyfázisú villanymotor fordulatszám szabályozása
Témaindító: mikado, idő: Okt 25, 2005
Témakörök:
Tényleg nem nagyon értem.
![]() Most itt hidrofort linkeltél be, azt kellene használjak szerinted? Van ugyanitt egy fúrt kút is hidroforral ivóvíznek, abból kb. egy vödörnyi víz kifolyása után kiürül a tartály és utána már folyamatosan a szivattyú nyomja a vizet, így hosszan tartó folyamatos locsolásra egy ilyen kis házi vízmű nem nyújtana megoldást a szivattyú tehermentesítésére. Nyilván nagyobb méretekben az elv működhet, de honnan veszek és 100-200 literes táguló gumizsákot, ami esetemben hasznos lenne??? Létezik egyáltalán ilyen, és ha igen, milyen brutális ára lehet? Én eddig azt hittem, hogy sima egyszerű víztartályt ajánlotok párszáz literes űrtartalommal, amit be is lehetne szerezni, csak drága és macerás a telepítése, elhelyezése. És akkor egy ilyen tartály nyilván nincs nyomás alatt, nem képes tágulásra mint a hidrofor gumizsákja, így szerintem csak csorogna a víz az esőztetőkből, nem lenne elég nyomás a tartály kimenetén. De bevallom nagyon kezdő vagyok ebben a vizes témában, akkor lehet, hogy valamit nagyon félreértettem, ezesetben azt kérném, hogy szájbarágósan magyarázzátok el mire is gondoltok a tartályos megoldás alatt. Köszönöm!
A nagyobb tartályokban nincs gimizsák! Ott a víz feletti levegőréteg adja a nyomást! De pont a hidrofortartály amivel lehet kímélni a szivattyúkat. A szivattyú nyomja a tartályba a vizet, ha a fogyasztási oldalon nincs akkora fogyasztás, akkor a beépített nyomáskapcsoló lekapcsolja a szivattyút, és nincs semmi nagyobb mértékű lefojtás. Ezt mindenhol így csinálják, ha a hozam nagyobb mint az elhasznált mennyiség, és így közben tud "pihenni" a szivattyú!
Ha a tartály megfelelően van a fogyasztáshoz méretezve akkor nem kell sűrűn bekapcsolni a szivattyút.
Például a mellékelt kép. Nem kell gumizsák.
Hidrofor
Hello!
Én meg azt nem értem, hogy a mostani "régi orosz KÁMA szivattyú"-d miből szívja most a vizet? ![]() De ezt más inkább egy másik fórum-témán kellene megbeszélni...vagy nem? A hozzászólás módosítva: Ápr 14, 2016
Tudomásom szerint a Káma szivattyú az Agigyel aszinkron motoros szivattyú kefés testvére. Az Agigyel adatlapja szerint 19 m emelőmagasság mellett 1,5 m3-t tud óránként. A Kámára nem emlékszek pontosan, mert csak "láttam" a sármelléki orosz tiszti lakásokban. Agigyelt vettem kettőt is, nem saját célra.
19 m emelőmagasság 1,9 bar. A bojlertartály 4 bar tűrésű, ezt vígan bírja. Éppen azért kell minél nagyobb méret, hogy kisebb legyen a nyomásigadozás és nagyobb a kapcsolások között kiadott vízmennyiség. Még soha nem láttam olyan kertet, ahol a föld alatt nem férne el egy 200 l-es tartály, + nyomáskapcsoló, + szivattyú.
Köszönöm a részletes magyarázatokat tartály ügyben.
Most már kezd egyértelmű lenni a kép, alulról kell beengedni a vizet és a teteje zárt legyen, hogy nyomás alatt legyen a levegő a víz szintje felett. Így akkor nem kell magasra helyezni, hogy legyen nyomás, hanem le lehet ásni akár a föld alá. Egyenlőre emésztgetni fogom ezt a tartályos dolgot, de első körben szeretném elektronikus úton kipróbálni mit lehet elérni fázishasításos szabályzással. Ha nem jön be és a tartályos megoldás mellett döntök, akkor felvetem majd a témát a furko által linkelt megfelelő topikban. Mint ontopik téma, ezzel kapcsolatban szeretném még kérni a véleményeteket, az előző kérdésemre: Idézet: „Csak elméletileg gondolkodva, ugye csökkenteni akarom a szivattyú teljesítményét elektronikusan, de közben a a kifolyó vízmennyiségből is kevesebb kellene mint amit fékezés nélkül tudna a szivattyú mert a esőztetők lefolytják. Ez a két dolog nem passzol össze egymással? Szóval ha kevesebb vízre van szükségem a kimeneten, akkor fékezem elektronikusan? Mint a kocsinál, ha lassabban akarok menni, kevesebb gázt adok. Vagy ez rossz gondolatmenet?” Valamint mégegy eszembe jutott megoldással kapcsolatban is meg szeretném kérdezni a véleményeteket. A Káma szivattyú egy holtágból szívja a vizet, a kert a víz partján van (válasz uniman kérdésére). Namost ha a szivattyú nyomóágára rögtön a szivattyú után teszek egy T leágat és egy szabályozható szelepen keresztül visszavezetem a víz egy részét a holtágba az tehermentesítheti-e a szivattyú motorját? Ebben az esetben minél jobban le van folytva a vízáram a kertben az esőztetők által, a visszavezető szelep annál jobban ki lenne nyitva, hogy a szivattyú motorja még kényelmesen ki tudja nyomni a számára szükséges vízmennyiséget. Szerintetek ez a megoldás működhet?
Hello!
Az átfolyás mennyiségét szabályozhatod az ún. by-pass szeleppel. Ez úgy működik, hogy összekötöd a szívó és a nyomó oldalt egy csővel, amibe beépítesz egy finoman szabályozható szelepet. A hozzászólás módosítva: Ápr 15, 2016
...no meg közben vastagon pocsékolod az áramot.
![]() Idézet: „a visszavezető szelep annál jobban ki lenne nyitva, hogy a szivattyú motorja még kényelmesen ki tudja nyomni a számára szükséges vízmennyiséget.” A két megoldás lényegileg egyezik. A hozzászólás módosítva: Ápr 15, 2016
Sziasztok!
Szeretnék készíteni egy korongozó gépet. Van egy Imi villanymotor 220V 230V 130W 1400 1/f elfekvőben. kipróbáltam működik . Pontosan milyen típusú fordulatszám szabályzót vegyek hozzá, amivel betudom lőni a fordulatot 10 és 250/perc közé s mi a pontos típus száma a szabályzónak. Ééééés ha lehet egy leírás vagy kapcsrajz a bekötéshez. Hála s köszönet!
Szia!
Egy témát csak egy topicba tegyél fel. De ha megnézed akkor láthatod, hogy 2009 óta nem érkezett használható válasz a hasonló kérdésre. Fordulatszám szabályozással nem oldható meg feladat, áttételes motort kell használni.
Mechanikus fordulatszámszabályzó kell hozzá. Gumis görgőt teszel a tengelyvégre, lehetőleg minél kisebbet. Alulról rugóval nyomatod az asztalkorongnak. Elfordítható tartóra szereled, amivel kívülről a központ felé tudod elmozdítani, lehetőleg sugárirányban, de ha nem sikerül, a belső ponton közelítse legjobban a tengely a sugárirányt. Akár csúszópályát, szánt is építhetsz neki. Pedállal tudd közelíteni, ha leveszed a lábad, távolodjon el a korongtól.
Külső ponton lesz a legkisebb fordulat, belül a legnagyobb. Valahol már volt ilyen kérdés, hasonló választ adtam akkor is. Ez a legcélszerűbb. A hozzászólás módosítva: Ápr 24, 2016
XVIII. Csak egy helyen kérdezz! A fórumon egy kérdést egyszerre csak egy helyre tegyünk fel. Amennyiben több helyre is beírjuk ugyan azt a hozzászólást, a moderátorok kérdés nélkül törölhetik hozzászólásainkat és ki is tilthatnak türelmetlenség és tiszteletlenség miatt.
Üdvözletem.
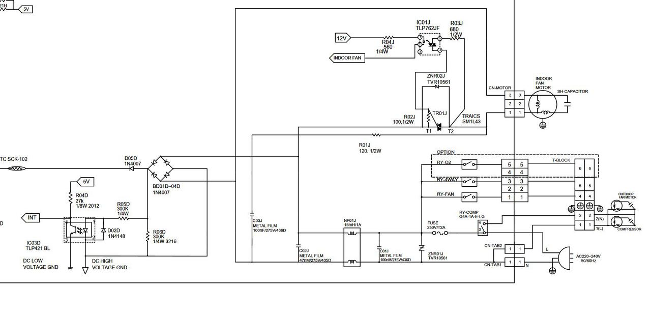
Egy klíma beltériben lévő motornak a fordulatszámát szeretném szabályozni. A motorról és a környezetéről találtam képet. Nem értem, hogyha kondenzátoros a motor, akkor hogyan szabályozzák mégis triakkal. Hogyan tudnám fokozatmentesen szabályozni a motort 25 és 100% fordulat között? (Most csak ezt a két sebességet tudja). Az optocsatoló előtt ránéztem szkóppal, 100Hz-es pwm-et láttam. De nem értem, hogyha nem figyeli a proci a nullátmenetet, akkor hogyan tudja mikor kell váltani?
Szia!
Kis teljesítményű indukciós motorokat lehet teljesítménycsökkentéssel szabályozni bizonyos határok között úgy, hogy nem áll meg és nem is melegszik túl. Miből gondolod, hogy a vezérlő nem figyeli a nullátmenetet?
Hello! Szerinted a bal sarokban a TLP421 mit csinál?
Megvan az egész kapcsolási rajz, és én nem találtam erre utaló részt benne, hacsak el nem néztem valamit.
Az előbbi részlet a jobb alsó sarokban van. És 230V is csak itt van.
Az nem csak azt nézi, hogy van-e áram? Mert gréc után van, így azt gondoltam, ott már nem tudja ezt nézni. Vagy igen?
Miért ne tudná? Ott nem sima egyenáram van, utána van még egy dióda és csak ezt követően a kondi. Ott kétutas egyenirányított jel van. Abból szépen látható a nullátmenet. Még a címke is "INT" ami vélhetően az Interrupt-ra utal.
A hozzászólás módosítva: Máj 8, 2016
Most már kezdem érteni.
Köszönöm a segítséget, ez alapján már elindulhatok.
Sziasztok!
Laikusként - rettegve a moderátorok haragjától (Elektronikában kezdők kérdései topikot kihagyva) - itt bátorkodom feltenni a kérdésemet. Egy asztali ventilátort használok hab testem hűtésére, mely gombnyomással kapcsolható ki és be. Egy alacsonyabb és egy magasabb fordulatszámot két külön gomb biztosít, tehát nem fokozatmentes a ford.szám szabályozása. Csökkenteném a fordulatszámát a jószágnak, ha lehet... de nem tudom, lehet-e, s ha igen, hogyan. Próbáltam kiigazodni a szakszavak armadájában, de ezek a triak, meg ic. meg dióda, nem mondanak semmit. Fényerőszabályzó kapcsolóval megoldható lenne? Előre is köszi.
Szia.
Szerintem, ne félj tőlük ha helyreigazítanak, akkor azt úgyis okkal teszik, ergo, így van rendjén. Sajnos, nem ismerem mélyebben ezen motorok működését. Mellette nem is boncoltam szét egyet sem, de sejtésem szerint valami tekercselési és az azok közti átkapcsolással variálják a fordulatot. Ezért ezt kívülről átállítani nem lehet, csak ami "gyári opció van annyi. Itt a fázishasítás, és egyéb okosságok a frekvenciaváltó kivételével kevésbé hatásos. De egy próbát megér, ha az egész áramkört, (motort) egy soros izzón (40-60W) keresztül táplálod meg. Vagy ugyanígy használsz izzó helyett (4-16µF 250- 630V) kondenzátort. Kezdésnem ez a legegyszerűbb, valami csak történik. Ha igen, akkor lehet esetleg egy fényerőszabályzós villanykapcsolóval (vagy ill. triakos fázishasítóval) finomítani illetve kísérletezni.
Lehet csökkenteni a fordulatszámot fázishasítós (triacos) fényerőszabályzóval. Aszinkron motornál terhelés nélkül leállásig lehet csökkenteni a fordulatszámot. Legfeljebb bekapcsoláskor kicsit feljebb kell húzni, hogy elinduljon.
Hello!
Ha hálózatról működik a ventilátor motorja, akkor van saját fóruma a témának: Bővebben: Link
Üdv. Indítókondenzátoros (230V 300W) egy fázisú motort szabályozhatok triakos teljesítmény szabályzóval?
Nagyon sok visszakereséssel: 5 h.sz-sal ezelőtt "Erbe" nyilatkozott.
Akkor volna még egy olyan kérdésem hogy a motort ha így szabályzom (üzemi kondis motort 300W),akkor szabad terheléssel indítani? Háttértörténet: Adott egy 3 kerekű kerékpár amit emberi erő mozgatott...idáig. Most felszerelésre került rá egy aggregátor, és egy 230V 300W-os egy fázisú motor is. Na ez a motor fogja a kerékpár hátsó tengelyét hajtani,persze váltóművön keresztül. Ezért is a kérdés hogy képes-e a motor triakos szabályzással viszonylag kicsi erőkifejtéssel elindulni.
Szia!
Szerintem szerezz be kefés motort. Azt tudod szabályozni és nagyobb az indítónyomatéka. Azok jobban használhatóak ilyen célra. pl. sarokcsiszoló, fúrógép, ilyesmi. A hozzászólás módosítva: Aug 9, 2016
Nem fog elindulni, csak majdnem teljesen felszabályozott helyzetben. De az se biztos.
![]() Nem értem, ha felteszel egy benzinmotort, miért nem azzal hajtatod közvetlenül? |
Bejelentkezés
Hirdetés |








