Fórum témák
» Több friss téma |
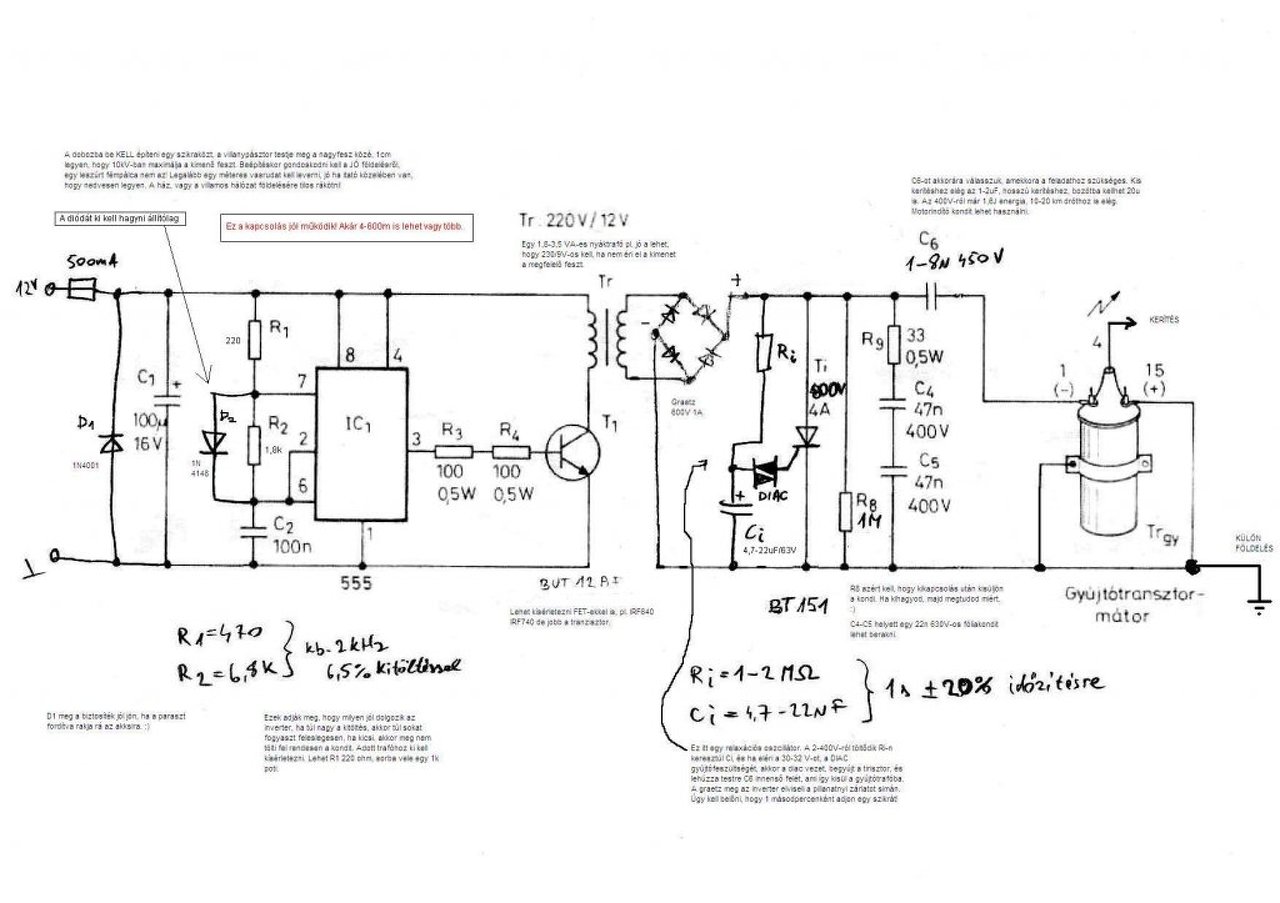
Elkészült a harmadik példány is. Az alkatrészekhez igazítom a nyákot közben optimalizálom az elhelyezést is
Szia.Szép munka.☺Tetszik.
Sziasztok,
Hozzám is került egy Puli2-es ami nem működik rendesen. A jelenség, hogy ha ráadom a 12V-ot akkor hallom, hogy dolgozna, de szikra nem jön a szikraköznél. Illetve a motorindító kondira van kötve egy 470 ohm-os ellenállás ami piszokul melegszik. A nyákot újra forrasztottam mert katasztrofális állapotban volt. (elég igénytelen munka volt bárki csinálta) Nem tudom hogy hol keressem tovább a hibát? Minden féle hasznos infót előre is köszönök!
Szia.Ragaszd ki az ellenállást,mérj feszt a kondin.
Bocsi, a ragaszd ki alatt azt érted, hogy kössem ki a körből?
(érdekes módon ott szikrát húz ha csak pár mm-re távolítom el)
Úgy tűnik a gyújtó trafó nem ad szikrát. Én egy törött vezeték miatt nem kaptam szikrát
Nem olyan sok lehetőség van a nagy fesz oldalon 1 Töltödik e tirisztort vezérlő kondi 2 Tirisztor hibás 3 A nagy kondi rossz vagy a gyujtótrafó De ha nagyon rossz állapotban van én nem javítgatnám megépíteném újra vagy ennek az elemeit felhasználva egy másikat.
Szereztem két ilyet. Talán trabanté lehetett. "12V 8352,3/08 DDR-GDR-RDA" van az aljára írva. Ez jó lehet?
A hozzászólás módosítva: Aug 22, 2016
Miért ne lenne jó? Az a kérdés mennyire erős mekkora a huzal hossza amit feszültség alá kéne helyezni.
Gyújtó trafót hogy tudom kimérni?
szikraköznél rámérve 17 Ohm-ot mérek, tudok még vmit nézni? Vezetékeket mégegyszer meglesem. Egyébként nagy valószínűséggel új épités lesz, csak időhiányban szenvedek.
Kb 17 méter a pipiudvar kerülete és akkor két vagy három helyen venném körbe.
Én a nyák készítéssel dobozolással együtt egy délután megoldottam. Persze ehhez a fiókba kell lennie mindennek ami kell hozzá.
Még az is belefért hogy módosítottam a nyákot az adott alkatrészekhez. Egy ilyen alacsony költségvetésű valamit nem érdemes javítgatni. Tovább tart a hibakeresés mint az új építése. A kondik jók? Az inverter trafón mekkora a feszültség? Legalább 250V legyen az egyenirányítás még nyom rajta egy kicsit.
Sziasztok,
tudnátok ajánlani egy kapcsolást amit kb 1-2km-es kerítésre rá tudok tenni és mindegyik ponton ugyan akkora marad az ereje. Szarvasmarhákat szeretnék a kerítésen belül tartani. Egy legegyszerűbb kapcsolás is megfelel. Válaszokat előre is köszönöm. Üdv Bubu54
Csak javasolni tudom már a harmadik példányát építettem meg.
Nem én terveztem csak a panel rajzot módosítottam a saját alkatrészekhez A hozzászólás módosítva: Aug 22, 2016
Ezt néztem ki én is. De elég egyszerű ahhoz, hogy összedobjam próbanyákon. Elég lehet hozzá 3 db párhuzamos 275V~ kondi?
Okés köszönöm szépen ezt akkor meg is csinálom
Szépen kivitelezett panel!Csak egy észrevétel,bár nem látom a képen,az a zöld-sárga vezeték csak akkor köthető oda,ha a trafó 15-ös pontja össze van kötve a trafó fém házával,ekkor már használható testvezetéknek.Az inverterben használt trafó (kár,hogy már nem lehet kapni L..ben) tökéletes,a szekunderéből letekerve elérhető vele a kondenzátoron akár a 600V is.Ezzel a kis trafóval + gréc+ 1000µF/25V kondenzátor még a készülék hálózati táplálása is megoldható.Ha ezek tudott dolgok akkor bocs,hogy téptem a számat!
Idézet: „tudnátok ajánlani egy kapcsolást amit kb 1-2km-es kerítésre rá tudok tenni és mindegyik ponton ugyan akkora marad az ereje.” Ilyen kapcsolás nincs,mert a karám hosszával valamilyen arányban gyengülni fog a pásztor ereje,de kialakítható egy még elfogadható szintű "erő". Az inverteres pásztor (C6=16µF/450V) egy jól megválasztott kondenzátorral,annak sarkain legalább 420V feszültséggel el tudja látni a 2km hosszú karámot jól,precízen kivitelezett karámmal,főleg,ha két párhuzamos szál fut,melyeket 100 méterenként függőlegesen összekötnek (párhuzamosítanak). Az is jó megoldás lehet,ha a vezérlőtől két irányban indul a karám (fele jobbra,fele balra),de a végüket nem összekötni.Ha a karámod végén még legalább 3000 voltot mérsz egy bolti saccolóval az megfelelő lehet.
Ez a trafó tökéletes a céljaidra!Kövesd,vedd figyelembe a Te karámodra írt hozzászólásomat.
Idézet: „Elég lehet hozzá 3 db párhuzamos 275V~ kondi?” Hány µF értékűek ezek a kondenzátorok? A 275V~ kondenzátorra maximum 388 volt egyenfeszültség engedhető meg elvileg,ezt tartsd szem előtt!
Köszönöm az elismerést. A dobozban össze van kötve a trafó fém háza és a 15-ös pont
A képen látható darab trafója nincs módosítva a gréc után 384V mérhető. Az első darab ami készült egy normál 12 voltos táppal üzemel (egy 12V trafó +egy gréc nincsen puffer kond)i. Tesztelve a labortáppal volt nyugalmi áram felvétele 85mA a mikor szikra van 120mA ezt bírnia kell egy sima 12V-os tápnak. vagy tévedek? De egy villanypásztor mennyen csak akkuról így mobilis és nem kell aggódni ha éppen nincs áram. Nekem még van a fiókomban a trafóból vettem belőle egy marékkal 100FT/db áron azthiszem ennél olcsóbban nem lehetett kapni trafót sehol. Én is ott vettem! A hozzászólás módosítva: Aug 22, 2016
Tehát ha 1,5km vezeték végén a saccoló úgy mutat 10kV-ot, hogy közben csattog a benne lévő szikraköz akkor jó a rendszer?
Az alábbi kondik közül melyik lenne jó?
5uF,700V 8uF,700V 20uF,700V 22uF,450V 30uF,800V 50uF,800V 60uF,800V 90uF,800V Mind fóliakondi.
Biztosan.
Beszélsz róla?
8uF,700V elég lehet a 20uF,700V biztosan elég.
Idézet: „Mind fóliakondi.” Ebben nem vagyok biztos. Bár ha jól megnézzük, akkor az elektrolitkondenzátorban is van fólia.
Azért kéretik nem hülyének nézni az embert és elhinni, hogy meg tudom különböztetni az elkót a fóliakonditól.
A Vishay gyártmányú 20 µF 700V-osat szereztem be. 2 darabot, úgyhogy 10, 20 és 40 µF is lehet. Bővebben: Link A hozzászólás módosítva: Aug 23, 2016
Megépítettem ezt az áramkört. Egy helyi elektronikai boltban kitben lehet kapni ugyanezt, megvettem és legalább nem kellett nyákot maratni. A különbség csak annyi, hogy a tranyó helyett IRF840 van és az 555 kb 50%-os 86Hz-re van beállítva (3k, 82k, 100n). Egy 2,4VA-es 12V-os nyáktrafó van benne. Az áramfelvétele 100 mA körüli, de csak 1u nagyfesz kondival sikerül beállítani 1 Hz körüli szikraimpulzusokat. Ha az itteni rajzon lévő 470 és 6k8 ellenállatokat rakom be, akkor 700 Hz körül hajtja meg a trafót, de így még lassabb és gyengébb a szikra és baromi lassan töltődik a kondi. Mit lehet tenni, hogy gyorsabban töltse a még nagyobb kondit?
Ne kevergessük a dolgokat inverteres villanypásztorról beszélünk. Ha kicsi a szikra, sok az idö, akkor elsö nekifutásból meg kellene nézni mekkora a trafón a feszültség.Nem a meghalytás kell piszkatyulni. Azert lassú a töltés és kicsi a szikra mert nincs meg a 300V körüli feszültség a trafón.
Mérd meg!! Ha kevés a 20k potin próbálj állítani A trafón sok múlik a 230V is oldalon legalább a 220V meg kell legyen A12V is olldalon meg kell legyen a 12V. |
Bejelentkezés
Hirdetés |









3x1uF





