Fórum témák

» Több friss téma
Fórum » Villanypásztor
 
Témaindító: bernardo, idő: Feb 5, 2006
Témakörök:
Lapozás: OK   209 / 304
(#) deak francis válasza KKobra hozzászólására (») Aug 31, 2016 /
 
Szia.Próbálj ráakasztani terhelést lássuk akkor mennyit csökken a feszültség☺
(#) Mircsof válasza deak francis hozzászólására (») Aug 31, 2016 /
 
Milyen terhelést akarsz rákötni, és minek?
A feltöltött kondit rásüti a gyújtótrafóra az elektronika. Ott igen hamar közel nullára csökken a kondin a fesz, közben a diódahid "zárlatban" van (már ha jól látom) ekkor minek a nagy terhelhetőség?
A hozzászólás módosítva: Aug 31, 2016
(#) deak francis válasza Mircsof hozzászólására (») Aug 31, 2016 /
 
Ugy gondolom hogy gyújtó trafóval (vagyis picit beterhelve a gy.trafó impedancia miatt)valamennyit minimalizálódik.Nós ez a feszültség érdekelne.Lehet hogy én csak "álmodom".Ha igen akkor elnézést kérek!!!!!Nem vagyok szaki ,csak hobbis.Köszi.
(#) KKobra válasza deak francis hozzászólására (») Szept 1, 2016 /
 
A gyújtó trafónem jelent terhelést a C6 kondi keresztül nem folyik áram. Vagy szerinted igen?
A C6 feltöltődik! A tirisztor a a nyitás pillanatában kapcsolja a már feltöltött kondit a gyújtótrafóra.
Ez milyen gyakorisággal történik az attól függ a Ci kondi milyen gyorsan töltődik fel a tirisztor nyitó feszültségére
(#) deak francis válasza KKobra hozzászólására (») Szept 1, 2016 /
 
Ahaa.Megértettem.Elnézést...bocsi!
(#) erdgab válasza KKobra hozzászólására (») Szept 3, 2016 /
 
Nos,ez szép és jó,de van egy kis bibi a dologban.Ez a feszültség csak akkor igaz,ha abban a pillanatban méred amikor a 22µF kondenzátor feltöltődik a diak nyitófeszültségére az nyitja a tirisztort és megindul a kisütés,tehát abban a pillanatban,ami ebben az esetben nem valós a szimuláció alapján.Igaza van deak francis fórumtársnak,hogy akassz rá "terhelést",jelen esetben a gyújtótrafót,hogy valós adatot láss a műszeren,amit ezzel a DVM-vel sosem fogsz megmérni,mert ahhoz ez a műszer túl lassú (saját tapasztalat). Ezért javasoltam a mutatós műszert,azon szépen látszik a kondenzátor töltődése és az a pillanat is elkapható amikor a tirisztor nyit,látható lesz a max. feszültség a kondenzátoron.Az elmondottak alapján Te is láthatod,hogy a képen látható szimuláció nem teljesen az igazi,ezektől eltekintve nagyon nagyra értékelem,hogy kísérletezel,sokat lehet belőle tanulni.
(#) KKobra válasza erdgab hozzászólására (») Szept 3, 2016 /
 
Csak figyeld meg a müködést a gréc kapcsain megjelenik 500V. Mi is történik el kezd töltödni a C6 és a 22µF kondi. Ebben hol a trafó? Egyenáramú ellenállása pár ohm mekkora feszültség esik rajta? Elhanyagolható! Az hogy mennyire töltödik fel a kondi az a 22µF töltési idejétöl füg. ITT a gyujtótrafó a C6 töltöellenállása ha tirisztor nyit megszakad C6 töltése. Ha Nagy ellenállású a gyujtótrafó annal lassabban töltödik a kondi. De ha van elég ideje fel fog töltödni közel 500V ig
A hozzászólás módosítva: Szept 3, 2016
(#) mex válasza KKobra hozzászólására (») Szept 3, 2016 /
 
A C6 töltésekor a gyújtótrafó primer tekercsét nem tisztán ohm-os terhelésnek kell venni, hanem mivel induktivitás, annak értékével kell számolni.
(#) deak francis hozzászólása Szept 4, 2016 /
 
Még valami...vagyis saját megjárás:volt a grécen x feszülség egy új bobinával,és volt egy x feszültség a second bobinával.Persze hogy különbözött a fogyasztás is,meg vele együtt a szikra nagysága.A bobinák ellenállása (primer) is más volt.A teszt ugyanazon az inverterrel történt.Akkor most már nem értem...mivel kell számolni ...és hogyan is van???
(#) erdgab válasza KKobra hozzászólására (») Szept 4, 2016 /
 
Akkor fussunk neki még egyszer,mert vagy nem jól fogalmaztam (valószínű) vagy nem azt olvastad amit leírtam.Én pontosan tudom hogyan működik ez a kapcsolás és tudom mikor min kell változtatnom,hogy a céljaimnak megfeleljen,ennek tükrében adtam meg alkatrész értékeket és némi tanácsot az építéshez,melyek gyakorlati kísérletek eredményei.Arra próbáltam rávilágítani,hogy a C6 kondenzátoron megjelenő valós maximális feszültséget csak a működő áramkörben lehet megmérni mutatós műszerrel,a DVM-vel csak saccolni lehet.Nem akarok a számításokba belemenni,egyébként mex -nek igaza van,mert nem biztos,hogy kell számolgatni,de,ha valaki akar az tegye.Amiket leírtál igazak némi kiegészítéssel.Egyébként ezzel az áramkörrel elérhető a C6 kondenzátoron akár a 700V is,ha arra van szükség,az elektronika tudja biztosítani ezt 0,5mp intervallumban is,ehhez kellenek alkatrész érték változtatások,de ez már egy másik kérdés.
(#) Cavalier válasza mex hozzászólására (») Szept 4, 2016 /
 
Jelen esetben elhanyagolható az impedancia, egyenfeszről töltődik a kondi, a trafó primerjén keresztül, szóval csak az ohmos ellenállása a lényeg.
Egyébként ez az ellentétes irányú töltési áram segít is a trafónak, hogy ne mágneseződjön fel.

Az invertert DVM-el úgy szoktam tesztelni, hogy a diak-ot kikötöm és megnézem, hogy kb. 1 mp alatt feltölti-e a kívánt 4-500V-ra, illetve utána meddig szalad fel. Ha túl magasra, az se jó, mert a túlfesz is begyújthatja a tirisztort...
A hozzászólás módosítva: Szept 4, 2016
(#) mex válasza Cavalier hozzászólására (») Szept 4, 2016 /
 
Idézet:
„egyenfeszről töltődik a kondi, a trafó primerjén keresztül, szóval csak az ohmos ellenállása a lényeg.”

Egyáltalán nem...
(#) deak francis hozzászólása Szept 4, 2016 /
 
Szerintem "hallgassunk" erdgab indikációira...persze ez személyes gondolat....NE haragudjon meg senki!!!!!....
(#) Cavalier válasza mex hozzászólására (») Szept 4, 2016 /
 
Hm, akkor minek is van ott az a graetz? Némileg pulzál, de attól még egyen.
(#) mex válasza Cavalier hozzászólására (») Szept 4, 2016 /
 
Így van, 1kHz körüli értékkel pulzáló egyenáram halad át a tekercsen, és a tekercs induktivitása korlátozza a töltőáramot, hatása ennél a frekvenciánál már nem hanyagolható el.
CDI gyújtásoknál is figyelembe veszik ezt a korlátozó tényezőt, ezért alkalmaznak egy plusz diódát, amin keresztül töltődik a kondi, a gy.trafó primer tekercsét kihidalja.
Próbáld ki hátha beválik ennél a nagybonyolultságú áramkörnél is...
A dióda ugyanaz mint a graetz-ben levőek.

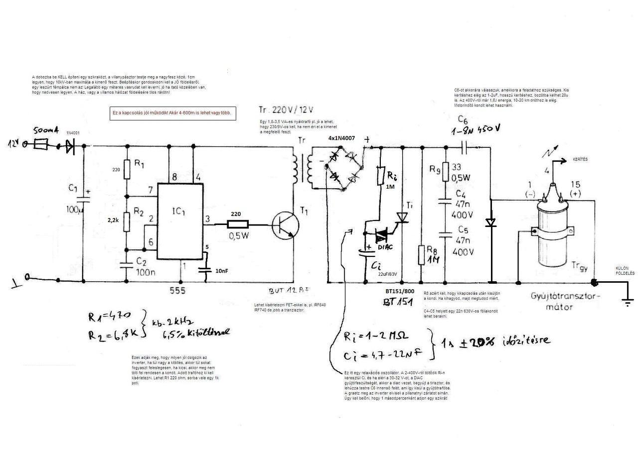
rajz.jpg
    
(#) nyemi válasza mex hozzászólására (») Szept 4, 2016 /
 
Szia Mex
Ez így igaz, csak az ne felejtsd el, hogy ez nem CDI gyújtás. A dióda beültetésével nőni fog a fogyasztás a szikraidő csökkenni és ha nem elég kicsi a gyújtótrafó primer induktivitása az is melegedni fog. A CDI-be se használják mindenütt csak ha gyújtó trafó vasmagja extra lágy mágneses anyag avagy ferrit. Szóval szerintem itt felejtős.
A hozzászólás módosítva: Szept 4, 2016
(#) mex válasza nyemi hozzászólására (») Szept 4, 2016 /
 
A fogyasztásnövekedést ellensúlyozni lehet a kitöltés változtatásával, amit itt szikraidőnek aposztrofálsz, az növekedni fog, mert a kondi kisülése után a mágnestér összeomlásakor a megforduló áramirány utat talál a primerre kötött diódán keresztül.
De a pudding próbája, mint tudjuk...
Ja a diódát ,már láttam gyári pásztorokban is.
(#) nyemi válasza mex hozzászólására (») Szept 4, 2016 /
 
Idézet:
„az növekedni fog, mert a kondi kisülése után a mágnestér összeomlásakor a megforduló áramirány utat talál a primerre kötött diódán keresztül.”

Igen?? Ha gyorsítjuk a mágneses tér összeomlását növekedni fog a szikra idő? Nem lassítani kéne vagy hagyni hogy kisülő kondenzátorral rezgő kört alkotva berezegjen?
Ahogy előbb is írtam a gyújtó trafó vasmagja nem ferrit hanem sima szilíciummal ötvözött lemez(avagy induktivitása relatíve nagy) a dióda használata több kárral jár mint haszonnal. Itt inkább a tirisztorral (fordítot polaritással mint a tirisztor)párhuzamosan kéne kötni egy diódát, hogy ha lezár a tirisztor akkor se szakadjon meg a gyújtótrafó primer és a kisülő kondenzátorból álló rezgőkör. Ezáltal a kondenzátorban tárolt össz energia nagyfeszültségű impulzusként a gyújtó trafó szekunderén megjelenjen.
(#) mex válasza nyemi hozzászólására (») Szept 4, 2016 /
 
Soha nem értettél velem egyet, csak ajánlani tudom, hogy gyakorlatban is próbáld ki amíről írtam..
Ha esetleg van szkópod még láthatod is, ha okosan mérsz.
Szóval, ha a diódával üzemel az áramkör, akkor a kondenzátor kisülésével nem szakad meg a képzeletbeli ív, hanem az összeomló mágneses tér által generált primer áram polaritáshelyesen indukál feszültséget a szekunderben, igy tartja fenn hosszabb ideig a kerítés vezetékezésében a nagyfeszültségű potenciált(ami jó esetben egy légszigetelésű kondenzátor ugye)?
Dióda nélkül kapsz egy rezgőkört, ami töltődik-kisül, mindezt tetemes veszteséggel.
A hozzászólás módosítva: Szept 4, 2016
(#) gulyi88 válasza nyemi hozzászólására (») Szept 4, 2016 /
 
Én csináltam erre szimulációkat, hogy mi történik ha a dióda a trafó mellett, vagy a tirisztor mellett van.
A szikrába kerülő energiában alig van különbség.

A trafó mellé kerülő dióda segít gyorsabban feltölteni a kondenzátort
(kizárja a trafó mágnesező induktivitását, ami elég nagy, H nagyságrendű. Ez a nagy induktivitás teljesen szembemegy a flyback rendszerű DC/DC kívánalmainak). Az ára az hogy a kondi mindig csontra kisül (A kisül nem egyenlő azzal, hogy a szikrába megy az energiája!).
A csonta kisült kondit mindig teljesen újra kell tölteni.

A tirisztor (vagy inkább kapcsolóelem) mellé tett dióda esetén a kondi töltőkörébe bekerül a gyújtótrafó hatalmas induktivitása (ami nem probléma, csak figyelembe kell venni tervezéskor).
Az energiatároló kondi minden ciklus végén visszaszerzi az energiájának egy részét, így nem a nulláról kell újratölteni.

Az az áram amit és amikor a dióda vezet, az a trafó mágnesezőjében eltárolt energia elfolyása (primer szórás és primer mágnesező induktivitásban.) Namost mivel a szekunderen az áram folyása megszakad (leépül az ív) és újragyújtáshoz szükséges feszültség már nem jön létre, ezért csak a primer oldalon tud folyni a mágnesező által felvett energia.
Egyik lehetőség, hogy a primer ohmon meg a diódan szépen elfűtődik, a másik megoldás hogy a tirisztor mellett a diódán visszamegy a kondiba. (nem kérdés hogy energetikailag melyik a gazdaságosabb.)

A szikra úgy jön létre, hogy a megfelelő feszültségre töltött kondenzárot rákapcsolódik a trafóra, aminek áttétele miatt a szekunderen létrejön a 10-20Kv feszültség ez begyújtja az ívet, ami úgy 1-2Kv feszóltségen égve marad, így a trafón keresztül a kondiból a szórás korlátorásával, tulajdonképpen egy soros rezgőkör analógiájára, energia áramlik, amíg tud.
Közben a trafó vasa is energiát vesz fel a mágnesező induktivitásban.
A szekunderen az ív elalszik, amint a kondi feszültsége és a trafó áttétele az ív égési feszültsége alá csökken (és a szekunder szórásból is kiürül az energia).
Az ív újragyújtásához újra kellene a 10-20Kv, amihez a trafó primerén újra 2-300V-os feszültségnek kellene lenni (ha ott a dióda, akkor biztos hogy nem lesz!!),
ha dióda a tirisztor mellett van, akkor talán áttöltheti a kondit a mágnesező áramkényszere annyira, hogy még egyszer átüsse az ívet (fordított irányban, ilyenkor már nem a tirisztor hanem a dióda viszi az energiát a trafóba).
De ennek az újra átütésnek kicsi a valószinűsége, mivel az első szikrán létrehozott energia hiányában a kondi az eredeti feszültségét messze nem fogja elérni (abszolút értékben persze). Szóval a folyamat tovább leng, amíg a dióda vezeti az áramot, ami úgy fejeződik be, hogy a kondenzátor féligmeddig visszatöltődik a mágnesező energiájával.
Szóval a szikra mindkét esetben azonos körülmények mellett képződik, vagy mondhatnám azt is, hogy a szikra időtartama alatt mindkét kapcsolás egyformán működik, az ezt követő folyamatokban térnek el. (Ha létrejön a második fordított polaritású szikra, akkor a tirisztor melletti diódás verzió nagyobb szikraenergiát ad.)
A hozzászólás módosítva: Szept 4, 2016
(#) nyemi válasza mex hozzászólására (») Szept 4, 2016 /
 
Majd a Fórumozók eldöntik, hogy mi a jobb nekik. Mert mint tudjuk ez nem CDI gyújtás, hanem villanypásztor , igaz hogy működési elv egyezik, de a cél különböző. Ezért megragadom az alkalmat és javaslom, hogy netán ha lenne a fiókban két darab mikrohullámú sütő 12KVoltos diódája sorosan kötve nyugodtan berakhatjátok a 15pont (linkelt kapcsolásnál 1 pont ) és a nagyfeszültségű kivezetés közé, a tároló kondenzátor energiájának teljes kicsatolásához. Megfogtok lepődni azt garantálom:Plazma gyújtás Videó.
(#) deak francis válasza nyemi hozzászólására (») Szept 4, 2016 /
 
Hali....a diódákkal nem lesz-e gyulásveszély???száraznövényzet....stb.??
(#) nyemi válasza deak francis hozzászólására (») Szept 4, 2016 /
 
Mondjuk tényleg "De". Akkor felejtsétek el a javaslatomat, csak mint érdekességként jó tudni.
Apropó szikra idő növelés: mex írja hogy ő gyári kapcsolásoknál is találkozott a diódával.
Hmm.. nem hagyott nyugodni mert van egy szétszerelt gyári villanypásztorom itthon, mondom megnézem. Hát nem hogy dióda nincsen hanem egy 1u/400v kondenzátor van párhuzamosan a gyújtó transzformátor primerjével párhuzamosan, a a 4µF/438V töltő kondi mellet. Ahogy javasoltam van egy dióda a tirisztor anód katódjával párhuzamosan de van még egy légmagos induktivitás is az anódkörben. Majd csinálok egy rajzott akkor lehet majd érthetőbb lesz.
A hozzászólás módosítva: Szept 4, 2016
(#) deak francis válasza nyemi hozzászólására (») Szept 4, 2016 /
 
Szívesen megnézném(énk).
(#) nyemi válasza deak francis hozzászólására (») Szept 5, 2016 / 1
 
Íme. Abban tévedtem, hogy nem közvetlenül a tirisztoron van a dióda de a gyújtó trafó primerjén még véletlenül sincs. A tirisztor gate 1k ellenállással testre kötve C546B tranzisztor közbeiktatással egy HEF4060BP bináris számláló vezérli. A gyári gyújtótrafó műgyantával ki van öntve, külalakra EI magosnak látszik(30-35W) , a mágneses teszt szilícium vas magot feltételez. A 2,2mH-1µF rezgőkör rezgése 3,4kHz adódik.
A menetszám arányt a szekunderen beküldött 28,3V 50Hz feszültséggel majd a primeren megjelenő 1,678Voltból számoltam ki. Ez 1:17 arány ami 400Voltos primer feszültségnél 6,8kV jelent a kimeneten.
A Flyback convertert transzformátorát egy 14 lábas IC és tranzisztor (TO 92 szerű NPN a középső a bázis és nincs hűtőbordán!) vezérli amiknek a felirata le van csiszolva, ezért a típusuk ismeretlen. A kapcsolás átnézése után látható hogy a tirisztor nyitó impulzusa a nagyfeszültségű konvertert leállítja arra az időre amíg az impulzus fen áll.
Nagy vonalakban ennyit bírtam kideríteni , de ha lenne még kérdésetek szívesen válaszolok.
(#) KissAttila válasza nyemi hozzászólására (») Szept 5, 2016 /
 
Óriási! Tényleg nagyon meglepő.
(#) Cavalier válasza nyemi hozzászólására (») Szept 5, 2016 /
 
Az eredeti kapcsolást csináltam már gyújtótrafóval is, csak akkor a gyújtótrafó földelése teljesen független az áramkör testjétől.
Egyébként a töltést feszkétszerező csinálja, ami nálam volt horizont, abban olyan 600V-ra töltötte a kondit.
Az inverter valószínűleg egy CMOS inverter, nálam is az volt, és ugyanúgy lekapcsolta az invertert kisütés után. (ha túl erős az inverter, nem engedné lezárni a tirisztort)
A trafó sima EI-66, nagyobb pásztornál láttam EI-96-ot légrésesre vasalva. (ill. jelen esetben műgyantaréses )
(#) KKobra hozzászólása Szept 5, 2016 /
 
Micsoda vita alakult ki egy villanypásztor körül. Az én "paraszt" logikám azt mondja a tudományos értekezések után is, a megépült áramkör jó teljesen felesleges tovább bonyolítani. (Annak a szegény állatnak mindegy hogyan van előállítva a nagyfesz). Nem vagyok szakember sohasem tanultam elektronikát. Után építek kapcsolásokat és jó ha megértem a logikáját (könnyebb hibát keresni ha van)
(#) erdgab válasza KKobra hozzászólására (») Szept 5, 2016 /
 
Idézet:
„Az én "paraszt" logikám azt mondja a tudományos értekezések után is, a megépült áramkör jó teljesen felesleges tovább bonyolítani.”

Teljes mértékben egyetértek.
(#) nyemi válasza erdgab hozzászólására (») Szept 5, 2016 1 /
 
Megtaláltam egy régi képet a gépről. Nézzük meg csak a rajtalevő felíratott.
Segítek 9VDC 18-34mA Ha felező be van kapcsolva 18mA ha teljes energiával üzemel 34mA fogyaszt a 9Voltos akkumulátorából. Na kérdem én kinek a kapcsolása teljesíti ezt a specifikációt 9Volt tápneszfél a 400 voltnál pedig 4µF töltő kondinál.
Na ezért kell fejlődni. Amúgy meg nem is bonyolultabb a kapcsolás csak okosabb.
Következő: »»   209 / 304
Bejelentkezés

Belépés

Hirdetés
XDT.hu
Az oldalon sütiket használunk a helyes működéshez. Bővebb információt az adatvédelmi szabályzatban olvashatsz. Megértettem