Fórum témák
» Több friss téma |
Sziasztok!
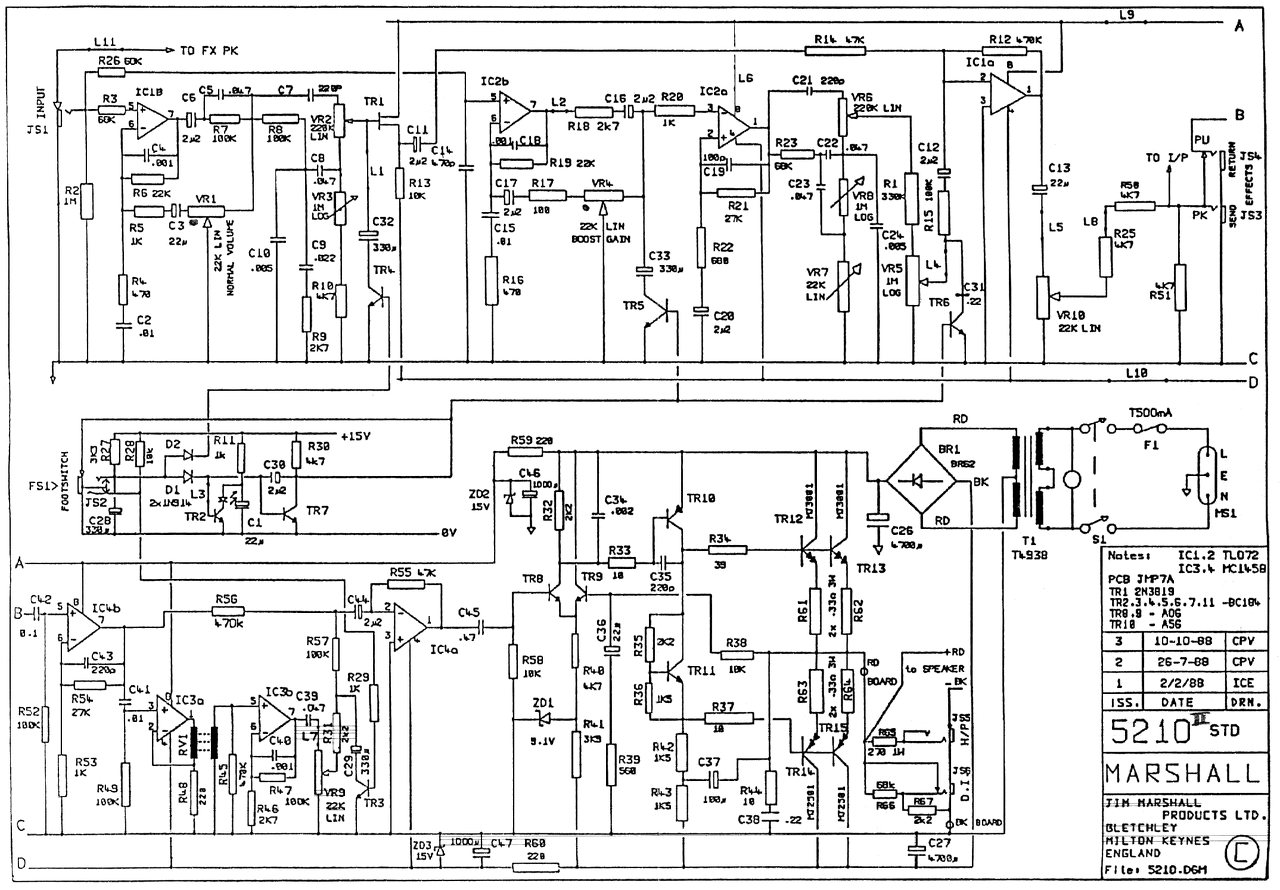
Van egy Marshall 5210. A probléma az hogy állandóan szól benne a Kossuth. Gitárral, gitár nélkül, 0 gain, max gain, 0 master, max master. A hiba nem a gitárral, és nem a kábellel van. Ha a reverb tankot hehúzom, megszűnik. Gondolom a kábelével van a gond. Pedig gyári. Lehet vele valamit csinálni? Mellékelem a rajzát.
Az IC3 5. lábára meg a földre forrassz egy kisebb kondit. Néhány 10 pF-dal kezdj és növeld amig meg nem szünik a jelenség. ( nézz körül ott a földek körül, lehet, hogy valami valahol leszakadt.)
Sziasztok!
Van nekem itthon egy egész jó kis csöves gitárerősítőm, egyedi darab, PTP szerkezetű. Szépen szól, de azért negyed hangerőtől felfelé már szépen sistereg - pláne crunch csatornán. Arra gondoltam, kicserélem benne a vezetékeket nagyon kis ellenállású, tömör huzalokra, csökkentendő az alapjazát. Ki milyet ajánl? Mire kell figyelni? Laikus vagyok, de forrasztani azért tudok. Ha kell lövök róla képeket. A hozzászólás módosítva: Aug 14, 2016
Szia!Talán ne a vezetékkel kezd a cserét.Kondenzátor kiszáradástól, cső elhasználódástól szokott sisteregni.
Szia!
Minden friss, minden új benne. Minőségi cuccokból készült: Orange Drop, Silver Mica, ERO kondik, orosz katonai 6N2P és JJ KT88 csövek. Kerámia csőfoglalatok, Alpha potik, Neutrik aljzatok. A hozzászólás módosítva: Aug 14, 2016
Ha új akkor a vezetékek is újak!Magas frekvenciás gerjedés lehet.A gain poti szélső lábait áthidalnám 220 pikofarados kondenzátorral.6n2p csövekkel is dolgozom, nagyon kell válogatni mert fülre mást és mást produkálnak.
6N2P-kben előfordulnak zajos darabok... Első fokozatban főleg anódban metalfilm ellenállást használnék, nem tudom mi van benne. Meg rácslevezetőnek is.
A kapcsolás milyen? Pár alkatrész áthelyezése is segíthet, sőt, az se mindegy, hogy a kettőstrióda melyik triódája hol van használva.
Köszönöm mindkettőtöknek!
Cavalier: Az erősítő egy JCM 800 utánérzés, mellékelem a kapcs. rajzot, ami alapján készült. Hogy ehhez mérten a készítő, aki egyébiránt már nagyon nehezen elérhető (félreértés ne essék, nem rosszra célzok személyét illetően), mennyire és miben tért el, nem tudom megmondani. Egy biztos: trióda-pentóda kapcsoló került bele. Az elmondottak alapján tán nem lenne érdemtelen megpróbálkozni előfokcső-cserével sem. Ha jól tudom, a 6N2P bekötése más, mint a sima 12AX7 csöveké, de attól gondolom még relatíve egyszerűen kivitelezhető.... ? ![]() Ami az anód- és rácsellenállásokat illeti, meg lehetne éllapítani valamiből, milyen típus került bele?
A 6n2p fűtése a 4-5 láb 6,3V 9-es láb árnyékolóvalami, az ecc83/12ax7 meg 4-5 12,6V 9-es fűtésközép, ergo 4-5-öt összekötve, és a 9-re kapja a 6,3-at.
Az 1-2-3 és 6-7-8 lábak a két trióda, volt már, hogy segített, hogy ezt a kettőt felcseréltem. A fémréteg ellenállások általában kék testűek, a szénrétegek barnásak, rózsaszínesek. Amúgy fokozatról-fokozatra érdemes menni, honnan indul a zaj. Az első rácsot letestelni, feltekerni a hangerőket, ha nincs zaj, akkor vissza, és a második rácsot, stb. Egy ilyen erősítő nem atomfizika, egy multiméterrel meg ésszel javítható szinte minden baja.
Koszonom. Nos, mivel laikus vagyok, lenne meg jopar kerdesem,.de nem merem vele teleszemetelni a forumot. Mondanam, hogy irnek PM-ben, de az adatlapodon olvashato kommunike elrettent tole...
Pont az a lényege ezeknek a fórumoknak, hogy bátran leírod a kérdésedet és a válaszból nem csak te, hanem a többi hasonló cipőben járó olvasók is tanulnak.
Aki meg butaságnak veszi a kérdésed, gondoljon arra, hogy ő sem született úgy, hogy mindent tudjon....Gerjedésre én azt javasolnám, hogy próbáld meg a 6N2P bemenő rácsát egy 33-68pF kondival söntölni.
Hehe, igen, az köszönhető minimum 10 kedves kérdezőnek, aki megtalált magánban, írtam neki választ, és egy köszönömöt se böffentett vissza.
De itt a fórumon nyugodtan kitárgyalhatjuk a dolgot. Sistergő zaj alapból olyan helyeken keletkezik, ahol elektronok ugrálnak meg ütköznek. Az ellenállás tipikusan ilyen, illetve a félvezetők, és a csövek is. Ez elkerülhetetlen, de csökkenteni lehet, illetve zajzárat alkalmazni. (szivárgó kondi is okozhat ilyet, de az hiba kategória) A JCM800, bár nem hi-gain, elég nagy erősítéssel rendelkezik, okosan megépítve azért megcsinálható minimális zajúra. Az első fokozatra kell nagyon figyelni, mert ami ott bejön minimális zaj, a végére kb. 80akárhány dB erősítésen esik át. Ezért szoktam a rácslevezetőre, meg az első andódra, katódra 2W-os fémréteg elllenállást rakni. Azért 2W-ost, mert az ellenállás méretével is csökken a zaja. Meg kéne próbálni földelni a bemenetet, úgy mennyi zaja van? Az a zaj, amit az erősítő produkál. Rádugott gitárral, feltekert hangerővel ez nőni fog. A földelésre is figyelni kell, bár annak a hiánya inkább brummot hoz be. Laikusként macerás a dolog, ha nem tudod, hova kéne nyúlni. (illetve könnyen agyonüttetheted magad az 500V anódfesszel...)
Mohinger: köszi, teljesen jogos, amit írsz.
Cavalier: el tudnád magyarázni pontosan, hogy is végezzem a rácsok letesteléses vizsgálatát? Vagy valaki más. Lépésről-lépésre, ha nem nagy kérés. Köszönöm előre is.
Oszcilloszkópod van? Jó lenne tudni, miféle zaj ez egyáltalán és hogy melyik fokozatnál jelenik meg. Ha reagál a gain potira a zajszint, akkor valószínűleg előtte lesz a bibi. Elég sok oka lehet, kezdve a rosszul megválasztott anódellenállásoktól a mágneses interferenciákon keresztül kontakthibáig. Esetleg belinkelhetnél egy hangfelvételt, amin tekered felfelé a gaint leföldelt bemenet mellett (ha kapcsolós az input jack akkor ok, ha nem, akkor a jack két forrfülét kösd össze - ne köss rá hangszert).
Sziasztok!
Ma átépítettem a kis gitár kombóm. Soldano hotrod az eleje, a vége ECL86. A rugós zengetőt szeretném még belerakni, de nem tudom hogy hogyan. Ha csövet használnék kellene trafó. Ezért ezt mellőzném. Nem tudtok valami egyszerű kapcsolást?
Szia!
Köszönöm! Sajnos nincs, de már találtam magamnak szakit, akivel átnézhetjük. Kellemes vasárnapot!
Hello.
Attól függ a kapcsolás, hogy a zengető tekercse hány Ohm -os. A csövesbe való nagyobb impedanciájú, annak meghajtásához elég lehet egy műveleti erősítő is, a félvezetős cuccba valóhoz meg egy kisebb teljesítmény-fokozat kell.
Ha visszarajzolom az eredetit, az jó lehet? Bár lehet hogy nem kéne egy fullcső erősítőbe JRC4558.
Egy kép a végeredményről. Egyébként egész jó a hangja 412-es ládán. Teljes hangerőn is csendben van. Csak a szomszédok miatt nem mertem megpengetni a gitárt A hozzászólás módosítva: Aug 28, 2016
Vagy plusz egy cső+trafó kell a meghajtáshoz, vagy félvezető. Ez nem valami minőségi zengető, úgyhogy simán jó lesz félvezetővel, ha kiiktatható a jelútból, akkor senkit se fog zavarni.
A zengetőről lejövő jelet meg egy sima ECC egy triódájával erősítheted.
Sziasztok!
Hozzám került egy Peaey Windsor fej. Jelenleg 2 db KT77 van benne. A kapcsolási rajzon EL34 és 6L6GC van. Szeretnék bele 4 új csövet. Az a kérdés hogy melyiket?
Próbálkozott valaki az ic-s erősítők direkt torzításával? Magyarán a gitár nem egy pedálon megy át, hanem egyenesen az erősítőre amit előzőleg szabályozhatóvá teszünk és így kapjuk a torz jelet. Az a helyzet, hogy több száz kilométerre vagyok a cuccaimtól így marad az elmélet.
Idézet: „Az a helyzet, hogy több száz kilométerre vagyok a cuccaimtól így marad az elmélet.” Most hol tolod?
Veszprém C betűs cég. Szenzorokat csinálunk autókba.
Uraim!
A legutóbbi éjjelre véletlenül végig bekapcsolva hagytam a csöves gitárerősítőm, teljesen élesített állapotban, még standbyra sem raktam. Elkezdhetek aggódni?
Gondolom azóta túl vagy rajta. Mi az eredmény?
Működik. Bekapcsoláskor, melegítés után a standbyt lekapcsolva olyan hangot hallat, amit eddig nem. Olyan.. "szörcsögő" hangot pár másodpercig. Plusz tiszta csatornán mintha kicsit torzítana.
Bővebben: Link
Sziasztok. A videón egy Peawey és egy Marshall fejet hasonlìtanak össze. A Peawey fej elég zajos. Mi okozza ezt a zajt? Lehet rajta segìteni? Az enyém is ilyen. A hozzászólás módosítva: Okt 12, 2016
Szia!
Cseréld le Marshallra... ![]() Amúgy mondja a videóban, hogy a Peavey -nek nagyobb az erősítése. A nagyobb zaj jó része amiatt van. A másik pedig a kapcsolástechnika... A hozzászólás módosítva: Okt 12, 2016
Az erősítő átvitele különböző. A sok magasat tartalmazó jel torzítása zizis. A Mesa Boogie szívbaj nélkül levágja a jel 1kHz feletti részét, mielőtt ráengedi a torzító fokozatra. Ettől a szép kövér hang. Hi-gain distortionnál már csak egy szűk sáv (300-1000 Hz) kerül rá a határolóra. Ha nem így lenne, akkor tele lenne brummal, meg "hiss"-el.
Sziasztok.
Nemrég készült el egy újabb csöves kombóm. Marshall valvestate 15 volt az alap. Most JMP plexi van benne aminek EL 84 a vège. Videoton Szimfónia de lux a hálózati trafó. A kimenő pacsirtáé. Negatìv visszacsatolás nélkül egèsz hangos. A zengetőt is bekötöttem, de a meghajtásáról egy TL074 gondoskodik. Kicsit tájidegen a csöves környezetben. |
Bejelentkezés
Hirdetés |








Aki meg butaságnak veszi a kérdésed, gondoljon arra, hogy ő sem született úgy, hogy mindent tudjon....




















