Fórum témák
» Több friss téma |
- Ez a felület kizárólag, az elektronikában kezdők kérdéseinek van fenntartva és nem elfelejtve, hogy hobbielektronika a fórumunk!
- Ami tehát azt jelenti, hogy a nagymama bevásárlását nem itt beszéljük meg, ill. ez nem üzenőfal! - Kerülendő az olyan kérdés, amit egy másik meglévő (több mint 17000 van), témában kellene kitárgyalni! - És végül büntetés terhe mellett kerülendő az MSN és egyéb szleng, a magyar helyesírás mellőzése, beleértve a mondateleji nagybetűket is!
Ez hálózati transzformátor (egy videokazetta lejátszóvól vettem ki )csak a nyákon nem tudtam követni a bemenetet
Tisztelt szakértők!
A TIL 311 1.es lába a kijelző fényerőjéért felel?A 14-es lábra megy a tápfeszültség,az 1 -es lábat pedig egy diódán keresztül kössem a 14-es lábra?
Az adatlap alapján az a LED-ek tápja, de a fényerő beállítást nem bíznám erre, ugyanis a kijelzőn belül vagy 1, vagy 2 LED sorosan van egy meghajtó kimenetre kötve, az azonos fényerő így valószínűleg csak belső előtét-ellenállással, vagy áramgenerátorral érhető el. Ennek tudatában egy dióda feszültségesése még talán nem okoz kellemetlenséget, (a 0,7V-os esés miatt még az ajánláson - 4,0V-5,5V - belül lesz a LED-ek tápja, stabkockáról hajtva) , de nem sok értelmét látom.
A hozzászólás módosítva: Szept 19, 2016
Nem. Az 1 láb, a LED -ek tápfeszültsége. Mivel a szegmensek áramgenerátoros táplálásúak, a fényerő nem nagyon függ a tápfeszültségtől.
A 14 láb a logika tápfeszültsége. Adatlap
Én nem hagynám ki a szigetelést!
Mivel a közös a 3-as lábal, így a tápfesz -V ága testzárlatos lesz!
Csak azért kérdezem hogy a kijelző ne melegedjen annyira. Ha egy kicsivel alacsonyabb tápfeszültségről menne akkor nem melegedne annyira.
Azért érdemes külön venni, (és diódával sorban táplálni), mert akkor akkor jelentősen kevésbé melegszik és hosszabb életű lészen...
De nem értek hozzá, a döntés meg a Te kezedben van
Ez biztos, az adatlapban találsz rá görbéket. Figure 2
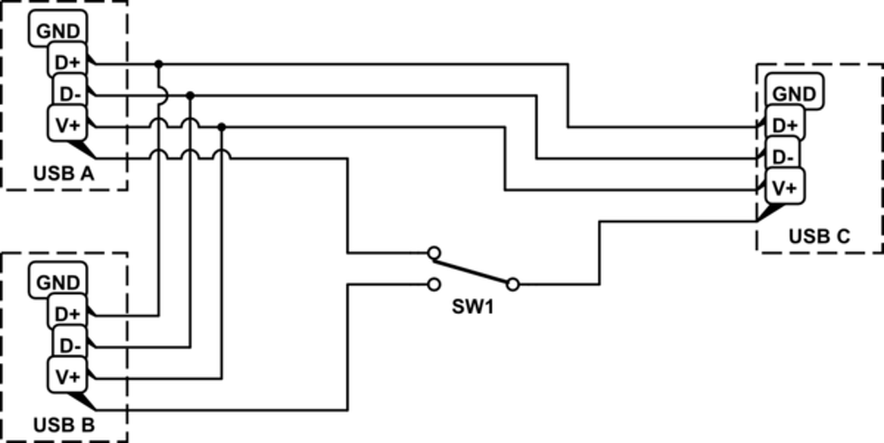
Sziasztok.
Egy USB átkapcsolót szeretnék építeni egy két áramkörös ,két állású nyeles kapcsolóval. A data+ és a data- pineket bekötöm váltóba, a GND-ket összekötöm, de az +5V -ban nem vagyok biztos ,hogy össze -e lehet kötni.
Csak azért kérdeztem rá mert gyárilag egy bordára volt szerelve 4 darab és nem volt elszigetelve egymástól.Ha csak a negatívak közösek akkor, hogy lesz testzárlat?
Közös a GND-je, a panelen is összeér az összesnek a 3-as lába. A hozzászólás módosítva: Szept 19, 2016
Nem jó ötlet. A különböző készülékek 5V-ja nem egy potenciál.
Köszi. Találtam egy egy alkalmasnak tűnő bekötést.
Mod: És mégegyet. Melyik lenne a jobb? A hozzászólás módosítva: Szept 19, 2016
Én a másodikra szavaznék (bár itt a diódán esik némi feszültség)...
Szóval én inkább szakítanám a +5V -ot is, a D+ D- mellett, egy három (négy) áramkörös PCB relével... A hozzászólás módosítva: Szept 19, 2016
Nem lenne egyszerűbb egy háromáramkörös kapcsoló?
Sziasztok!
Egy floppy meghajtó motorját szeretném működésre bírni. Utánanéztem, hogy egy H-Híddal lehet megoldani az előre hátra forgást. Beszereztem egy a képen látható H-Hidat. Ezzel lenne gondom. 5V-al nem akar működni. Ha 5V-ot kapcsolok a lábakra akkor a kimenő ágon nincs semmi vagy nagyon kevés. De ha 12V-ot kapcsolok rá akkor a kimenő ágakon ott az 5V. Tudnátok esetleg segíteni, hogy ez miért van? Nem megoldható, hogy ha 5V -ot kapcsolok rá akkor 5V legyen a kiment is?
Hello! "The blanking input may be pulsed for intensity modulation."
Vagy is, ha a "Blacing Input" bemenetre teszel egy 555-ös PWM szabályzót, akkor a fényerőt kedvedre állíthatod. (Akár automatikusan is.)
Egy floppy meghajtóban két motor van. Az egyik, amelyik az olvasó fejet mozgatja, léptető motor. A másik egy háromfázisú szinkron motor, elektronikával (meghajtó) kiegészítve BLDC motor.
Egyiket sem lehet "H" híddal meghajtani. H híddal csak külső gerjesztésű (állórész mágnes, forgórész kefés) egyenáramú motort lehet meghajtani.
Az olvasó fejet mozgató motort szeretném meghajtani.
Érdekes, hogy H-híddal nem lehet meghajtani, mert pont most olvastam egy cikket ezzel kapcsolatban ![]() H-híd
És a cikkben egy Floppy van?
Nem cdrom, de nem hiszem, hogy túl már motor lenne benne
LED Supply 7V Logic Supply 5V . Mint minden rendes Logikai áramkörnél, 7-es láb a GND 14-es láb az +5V. Nekem elment 5V-ról is a kijelző. Szerintem nézz be ide is. Ezt a mintaprogramot pont TIL-re csináltam. A szoftverben benne van a bekötés is.
Csakhogy ez nem floppy meghajtó, hanem CD olvasó. Abban a képen is látható motornak két kivezetése van, és a duci kivitelénél fogva ez külső gerjesztésű (mágnes) DC motor. Ebből készült a fejmozgató szervó, természetesen elektronikával. Ezt lehet H híddal vezérelni.
A csatolt képen látható áramkör két ilyen motort tud vezérelni, a mások oldalon levő forrasztható csatlakozókon keresztül. Biztos adtak hozzá leírást, hogy hogyan kell bekötni, és mivel lehet vezérelni. Lehet, hogy ellenfázisú PWM jellel, lehet egyen feszültséggel, ezt nem tudom. A hozzászólás módosítva: Szept 19, 2016
Köszi.
Neki is állok panelt csinálni. R1 helyére egy potit teszek, így tudom korrigálni ventihez ha kell. A kérdésem viszont mindenkihez szól: Valaki tud olyan helyet Pesten (ami BKV-val is elérhető és személyesen is át lehet venni) ahol 30x30x10 vagy 35x35x10-es 5V-os ventit kapni (ahol 5-6eFT az nem játszik). Egy csomó helyen néztem, de nem találtam sehol. De valószínű sokkal több üzlet van mint amit tudok. Előre is köszi.
Itt pl. ezeket találtam, és itt pedig meg is rendelhet és át is veheted. Majdnem pont a buszmegállónál van a bejárat.
Sziasztok!
Egy olyan problémám van, hogy van egy PCm, ami nem földelt aljzatba van dugva(megszakadt a föld) Ráadásul a nullfázison van valami kis kóborfeszültség. Egy usbs kondenzátormikrofont szeretnék használni a géppel, de van egy alapzaja. Ha laptoppal használom akkor nincs alapzaj. Hogyan lehetne ezt a problémát orvosolni? Az jutott eszembe, hogy esetleg olyan kapcsolást kéne csinálni, hogy a feszültséget a laptopról kapja, a jelkábelt meg a gépbe dugnám, vagy valami ilyesmi. Létezik esetleg olcsóbb zavarszűrő, vagy feszültségstabilizátor usbhez? Mit javasoltok?
A problémát egy módon lehet ( kell ) orvosolni: a védőföldelést helyre kell állítani! Minden más felesleges. De áruld el nekem mi az a "nullfázis", mert több mint 40 év gyakorlattal rendelkezem, ezzel még nem találkoztam.
A kóborfeszültséget mihez képest mérted, ha szakadt a Védőföldelés?
Köszi. Már ez is legalább valami...
![]() Sajna az egyik úgy van nyitva mint ahogy dolgozom. Még pénteken is előbb zárnak hiába én is hamarabb végzek. A másiknál meg csak futárt átok. |
Bejelentkezés
Hirdetés |















