Fórum témák
» Több friss téma |
- Ez a felület kizárólag, az elektronikában kezdők kérdéseinek van fenntartva és nem elfelejtve, hogy hobbielektronika a fórumunk!
- Ami tehát azt jelenti, hogy a nagymama bevásárlását nem itt beszéljük meg, ill. ez nem üzenőfal! - Kerülendő az olyan kérdés, amit egy másik meglévő (több mint 17000 van), témában kellene kitárgyalni! - És végül büntetés terhe mellett kerülendő az MSN és egyéb szleng, a magyar helyesírás mellőzése, beleértve a mondateleji nagybetűket is!
Ehhez hasonlót keress!
Általában nem látszik ilyen jól, a bal alsó forrasztásnál látható állapot ahol még csak kezdődik a folytonosság megbomlása. A hiba oka általában az egyébként jó forrasztásnál a forrasz hirtelen kihűlése, és a mechanikai terhelés együttesen. A hozzászólás módosítva: Szept 22, 2016
Köszi mégegyszer a hozzászólásokat! A kép is sokat segít, legalább most már képben vagyok. A képen szereplő hibánál elég felolvasztani a forrasztást, hozaganyag nélkül? Utána valamilyen lakkal érdemes szigetelni?
Legjobb,ha letakarítod a régi motyót róla és újraforrasztod.Akkor nem érhet meglepetés.Szigetelni nem igen kell,hacsak nincs otthon tetemes mennyiségű szigetelő lakkod,ami bedögleni készül.
![]()
Sziasztok!
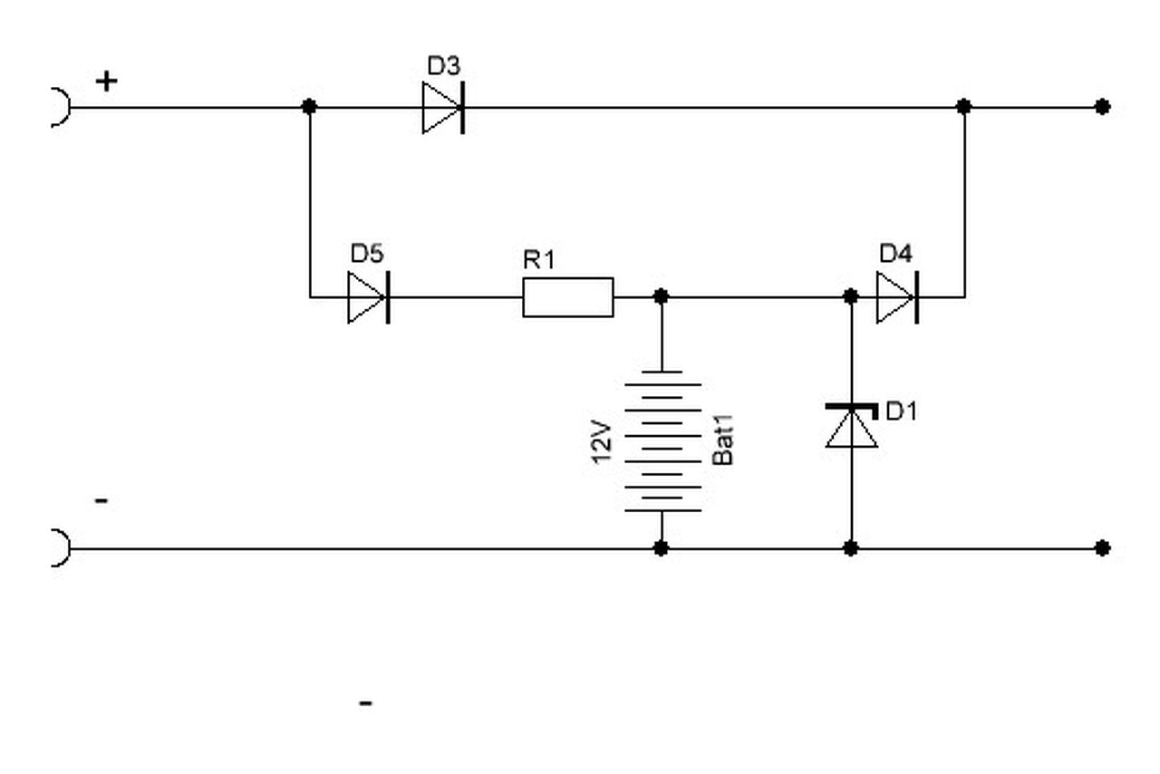
Építek Arduinoval egy kütyüt, és szeretném ha működne elemmel is, és külső adapterrel is. Kérdésem az volna hogy mit szoktak tenni az elemhez, hogy mikor be van dugva a külső táp, akkor egyrészt ne folyjon visszafelé áram az elembe, illetve hogy amíg be van dugva a táp, addig az elem se merüljön. (6db ceruzaelem/akku lenne ami ugye 9v vagy 7,2v, a külső táp az pedig 12v.) A hozzászólás módosítva: Szept 23, 2016
A két tápfeszültség egy-egy nyitóirányban bekötött diódán jut a készülék tápbemenetére.
Én a helyedben figyelném Tranzisztorral, hogy van vagy nincs külső megtáplálás. Ha van, egy relé meghúz, ami leválasztja a telepet, amíg van külső táp. Ha kihúzod, a tranzisztor nem kap vezérlést, relé elenged, és a telep újra aktív.
Teljesen jó nedudgi megoldása, egyszerű, és nagyszerű. Ha még kiegészíted egy diódával leválasztott töltőággal, még a ceruza akkuk töltését is megoldhatod. Ehhez egy plusz leválasztó diódán kívül egy áramkorlátozó ellenállásra, és egy az akkumlátorpakk max töltőfeszültségére beállított zéner dióda kell az akkupakkal párhuzamosan, az áramkorlátozó ellenállás egyben a zénerek előtét ellenállása. Némi számolást igényel, de nem vészes.
A hozzászólás módosítva: Szept 23, 2016
Szép estét!
Egy hálózati tranformátor primer tekercsén mindegy hogy a két vége közül melyik kapja a fázist (mert van itthon egy trafóm amit egyenirányítottam megmértem rajta a feszültséget multiméterrel olyan volt amilyennek kellett lennie majd csak heccként megfordítottam az aljzatban a dugvillát és sokkal kissebb feszültséget mértem) Ha nem mindegy akkor szeretném tudni hogy miért vagy mit csinálhattam rosszul
Gondolj bele, ha bármilyen készüléket konektorba dugsz, mindegy, hogy dugod be, ha megfordítod, ugyan úgy működik...
Nem lehetséges, hogy valamit elnéztél (elmértél)?
Ha a műszer egyenáramú üzemmódban volt, minden lehetséges. Egyébként ez a jelenség inkább azt sugllja, hogy valamit nem úgy csinálsz, ahogy kellene.
Hello! A kulcs, az, hogy digit multival soha nem mérünk trafót terhelés nélkül. De erre akár egy 1kohm-os ellenállás is megfelelő. Mert a multi belsőellenállása 10Mohm és azzal feszültséget fogsz mérni, ott ahol nincs is. Avagy ha a trafón nem két egymáshoz tartozó tekercsvég között mérsz, hanem két egymástól független tekercs lábán. De ha a műszer kapcsán egy terhelés van, akkor nem fogsz helytelen értékeket mérni. Vagy minimum a bekapcsolás előtt, OHM méréssel megállapítod, hogy melyik kivezetés melyikhez tartozik. És ez után csak ezek között mérsz.
Helló!
Vékonyabb, egy eres ónozott elemi szálakból álló ÁTLÁTSZÓ, legalábbis áttetsző szigetelésű vezetéket keresek. Azért gondoltam ónozottra, mert a szürkés fémes szín a szemnek is átlátszóbb mint a csupasz réz, szerintem. Ha valaki tudna érdemi információval szolgálni hogy hol kapható ilyen, ne tartsa magában! ![]() Köszönöm!
Üdv Pucuka
Én nem tenném az elemre/akkura a zénert , ilyen esetben fogyasztó ! D5 és R1 közé ajánlatos , pl 15 Voltost . Üdv
Sziasztok!
Azt szeretném kérdezni, hogy RLC áramköröket hol használnak, mire jók?
Az RLC áramkörök az elektronika passzív alapáramkörei, elektronikai kapcsolások építésére használhatók, kb. úgy, mint a téglák egy építkezésen.
Mihez szeretnéd használni?
Hangszórókábelek között léteznek horganyzott/ezüstözött erű típusok, de ezek nem olcsók.
Üdv!Adott az alábbi kaputelefon ami a képen van.Az lenne a kérdésem , hogy melyik csatlakozó mire való?(w , a , v , b+)
proli007! Nekem újdonság, hogy digitális multiméterrel miért nem mérünk terhelés nélkül?
Ezen a képen egyetlen csatlakozó sincsen.
Mert a nagy bemenő ellenállása miatt mutathat ott is feszültséget, ahol nincs is terhelhető feszültség. Kapacitív csatoláson keresztül mutathat pl. 230V-ot is egy vezetéken, miközben az semmihez sincs kötve, de párhuzamosan fut egy fázisvezetékkel. De egy trafó különböző tekercsei között is mutathat feszültséget, annak ellenére, hogy azok nincsenek is összekötve.
Hasonló a helyzet, mint a fázisceruzánál, ahelyett is a próbalámpa a biztos megoldás (vagy olyan feszültségteszter, ami terhelést is ad a méréskor) Bővebben: Link.
Így 25 év erős-, és gyengeáramú szakma után mindig hall újat az ember. Köszönöm.
Igen, fogyasztó, de csak a zéner feszültség felett. És pont ez a célja, ha az akku feszültség a zéner feszültség alatt van, akkor a zéner mint ha ott sem lenne, az akku feszültségét a zéner nem engedi nagyobbra nőni, mint a zéner feszültsége, így védi az akkut a túltöltéstől.
Annyira azért nem meredek a zener karakterisztikája.
Sziasztok.
Két vékony (0,3mm) nyák közé egy nagyon vékonyra csiszolt fekete szivacsot (Antisztatikus szivacs) tettem közé. Arduinóra tettem úgy, hogy alapban lehúztam földre az adott analóg lábat. Olvasom a lábat és valóban változik a nyomásra az érték. Viszont szerintem mint kondenzátor is működik, mert terheletlenül az érték szép lassan felkúszik olyan 50-70-esre, majd hirtelen már mérés 1023-at ad. ezek után újra visszaesik olyan 20-ra. Gondolom akkor sülhet ki. Hogy tudnám ezt a mellékhatást elkerülni? Vagy van e jobb módszer (és nem a 3500-400ft-os nyomásbélyegre gondolok, hanem valami olcsóra /gáyri vagy házi megoldás/) arra, hogy egy farka jelmez orrában a szőr alatt valamit elhelyezve (tehár nem domborodhat ki vastagon) érzékeljem, hogy valaki hozzá ért a jelmez orrához (pl. simizik) Köszi a segítsége. Zoli
Az igaz, de a célnak megfelel, csak jól kell megválasztani a zéner(eke)t.
Az ellenállást kisebbre veszem, akkor nem sül ki, de akor is feltöltődik.
Ekkor ilyen 50-körüli szintre felkúszik. Ha hozzáérek, akkor először lemegy 1x értékre (ekkor vezethetem le szerintem) , majd nagyobb nyomásra újra emelkedik az érték. Elengedéskor megint 1x-re esik, majd szépen felkúszik 5x értékig.
Próbálj a két fegyverzet közé egy ellenállást is rakni, hátha alapon, pl. 100 kOhm-ot kezdésként. Érdekes fejlesztés, nem biztos, hogy megéri a melót. Én inkább közelítésérzékelővel próbálkoznék.
Kipróbálom amit írtál.
Nem tudom a közeledés értékelő: - mennyire domborodna ki - mennyire kel kilátnia - a műszőr mennyire gond neki (esetleg feltöltődés) - beállítható -e úgy, hogy azért tuti el kelljen érni és érezgetően simogatni az orrot Esetleg van amit tudsz javasolni?
Köszi!
Hát ezek tényleg nem. Ugyanarra a célra szeretném használni mint mondjuk egy ilyet használnék: Bővebben: Link Pár volt feszültség, kis áramerősség. Lámpába szánnám, ahol a burában menne le, és kevésbé lenne feltűnő. Wind
Kipróbáltam:
Mivel a másik oldalt a föld irányba is nagy ellenállás vagy, így csak azt értem el, hogy kb. középen van az alapállapot, és már elég határozott nyomás kell, hogy egy nagyon kicsit változzon az érték. Ennyi nincs, simogatáskor. Az segíthet, ha a negatívra húzás nem a panelen, az adruino közelében, hanem házi érzékelő közelében van? |
Bejelentkezés
Hirdetés |












