Fórum témák
» Több friss téma |
Fórum » Mozgásérzékelő kapcsoló
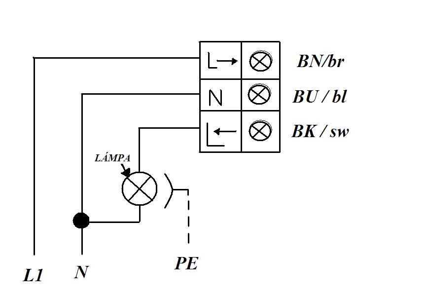
Egy kicsit összezavartál... Szóval, a feketére vagy a barnára tegyem sorosan az égőt a bejövő fázissal???
Úgy kösd, mint a mellékletben. Ha a mozgásérzékelő nem működik, akkor a fekete és barna vezetékeket cseréld fel a pirossal jelölt helyen. Ha minden működik rendesen, a védőizzót kiveheted a helyéről.
Jól van, most már értem, hogy a barnát kell keresztülkötni az izzón...
Ha megcsináltam, majd jelentkezek...
Ööö, egy 70W égő is jó védőizzónak (60W helyett)??
A hozzászólás módosítva: Máj 31, 2016
Most végeztem el csokiszorítós gyors kötéssel a mozgásérzékelő tesztjét, és nem kapcsolt a 75W védőégő a bejövő fázison! Ezek szerint tökéletes a mozgásérzékelő!
Kikötöttem a védőégőt, és most így is tökéletesen irányít egy orosz glimm égőt! Kép: Hivatkozás
Hello! Remélhetőleg ez a Glimm csak vicc. Mert ennek a fogyasztása lehet sokkal kevesebb, mint a mozgásérzékelő-é.
Nyugalom, azóta már beépítettem egy saját készítésű fényvetőbe, úgyhogy most már egy energiatakarékos kompakt spirálfénycsövet kapcsolgat (a glimm égő csak "próbaüzem" volt)!
Én nyugodt vagyok, de neked nem jó hír, hogy ezek az energiatakarékos fénycsövek nem igazán viselik a ki-be kapcsolgatást. Egyszer a lépcsőházba tettem egyet próbára, mindössze egy hétig bírta..
Akkor cserélhetem ki...
Egy LED égőt tettem be. Remélem, hogy ez már bírni fogja!
Van ez a radar mozgásérzékelő. Keresek hozzá adatlapot, manuált. A bekötési rajza megvan. Az érzékenység állítása érdekelne.
A hozzászólás módosítva: Aug 19, 2016
kérem valaki segítségét, hogy hogyan kössek össze egy mozgásérzékelőt relén keresztül egy led-ellátására szolgáló tápegységhez! előre is köszönöm
Hello! Nem érthető mi a gond. Talán az, hogy a mozgásérzékelő 230V-al működik, azt is ad ki, Te pedig a Led-ek kisfeszültségű oldalát szeretnéd kapcsolni? Mert más gond nemigazán lehet, ha a Led-ek tápja is 230V-ról üzemel. (Légy oly kedves, a mondatokat nagy betűvel kezdeni..)
szóval az eredeti problémám az , hogy megcsináltam a konyhai led világításomat mozgásérzékelővel,, am a tápegységet vezérelte (azon megfontolásból, hogy az is csak szükség esetén működjön). De már többedik esetben ment tönkre a mozgásérzékelő, és azt ajánlották, hogy tegyek be egy relét , mert a tápegység a szilárdtest relét ami a mozásérzékelőben van tönkreteszi. Ezért szeretnék közbeiktatni egy sima 220V/220V-os relét
csak annak van egfyszer 2 vezérlő (tekercsbehuzó) és minimun 2 darab (kapcsoló) bemenete. A mozgásérzékelőnek 3 darab a tápegységnek ismétt (220V bemeneti) 2 darab. Na ezeket, hogy kell bekötnöm?
Esetleg a relédről van egy típus, vagy fotó, mert látom hogy tanácstalan vagy a dologban, pedig egyszerű ez. De ha a mozgásérzékelőről is van valami, megpróbálom úgy megrajzolni, hogy érthető is legyen számodra.
Érdekes, én még csak olyan mozgásérzékelőket láttam, melyekben hagyományos 24 V-os relé van. Szilárdtest reléset még nem. Ha olyat vettél volna, amikor tönkrement, megúszhattad volna a +1 darab 220/220V relé dolgot. Egyébként az égő (Illetve annak a tápja) helyére kötöd a relé tekercset, annak az érintkezőjét pedig a táppal sorba a 230 Voltra. A mozgásérzékelőn nem tudod melyik a bejövő fázis, melyik a kapcsolt? Eddig hogyan kötötted? Szokott valami rajz, vagy jelölés a kapcsokon lenni, mint mondjuk Ez:
A hozzászólás módosítva: Szept 9, 2016
A relé tipusa : MY4NJ A Nozgásérzékelő: TRACON PRS46B. Előre is nagyon köszönöm a segítséged, s ha kérhetnélek egy kapcsolási rajzzal kisegítenél azt nagyon megköszönném
Rajzoltam. (Természetesen Proli leellenőrizheti.)
Nagyon szépen köszönöm!! Jövök egy sörrel vagy amit kívánsz!
Majd akkor köszönd, ha bevált. Eddig még azt sem tudtam mit tartalmaz a sziárdtest relé. Ezt találtam. (Kép.) Ez egy opto vezérlésű triak. Ha a többiben is ez van, jó hír, mert aggasztott a jelfogó tekercs nem-e húz ívet kikapcsoláskor. De a triak nem szakítja meg az áramot, hanem a következő nullátmenetkor nem gyújt be. ( Így nem üti át a szilárdtest relét.) Egy másik megoldás az lett volna, ha nem kapcsolóüzemű tápról működteted a Led sort, hanem trafóról, de az áramfogyasztása így valószínűleg kedvezőbb. A reléd már úgyis megvan hozzá. Mint látod, csak az összehuzalozást rajzoltam én bele, A pir sensort és a relé képét a neten találtam. Talán ez a kép így egyértelműbb, mint egy elvi kapcsolási rajz.
Köszönöm az eddigi segítséget, de sajnos a eredeti problémek után is fennáll. Mármint a relén a LED amikor behuz /a mozgásérzékelő áramot ad neki/ akkor folyamatosan világít, malynél feltételezem, hogy azáltal a kapcsoló folyamatasan bekapcsol, de a tápegységnél a lede--ek amoet szerettem volns hogy világítsanak csak pb 2 mp- időkőzőnként villógnak. eddeg is ez volt a proléma. kérném segítséged, hogy most mi az ördögöt tegyek?
Első lépésként fogalmazd meg szépen, hogy mit is szeretnél, mert (már amennyire kivehető) az egyik hozzászólásodban ellenkező dolgot állítasz, mint a másikban:
"már többedik esetben ment tönkre a mozgásérzékelő" "a tápegységnél a lede--ek amoet szerettem volns hogy világítsanak csak pb 2 mp- időkőzőnként villógnak. eddeg is ez volt a proléma" Most akkor mi a gond? Elromlik a mozgásérzékelő vagy a tápegység után (kimenetén) lévő LED-ek villognak? Egyáltalán milyen a tápegység és milyen LED-eket kötöttél rá? Még a végén kiderül, hogy a LED felöli oldalon van a hiba.
Rendben! Szóval elsőként led szalagökat szereltem fel a mosogató fölé, melyet 220V-ról 12 voltra alakíttatam át egy tápegységgel amit egy mozgásérzékelővel vezéreltem. Mármint a tápegységet kapcsoltam a mozgásérzékelővel,, abból a megfontolásból, hogy feleslegesn az sem legyen áram alatt. Egy ideig remekül működött is, de egy idő elteltével amkor a mozgásérzékelő bekapcsolt, akkor a LED-ek csak 2-3 másodpercesi idöközönkénj felvillantak. Majd a mozgásérzékelőt kicseréltem, ezitán a probléma hosszabb időre szüneltel és ismétt előjött, ezt többször is megismételtem. Majd elkezdtem kizárni a probléma oktát. de csak a mozgásérzékelőnél akadtam meg. Ezek után kaptam a javaslatot, hogy iktassak relét a mozgásérzékelő és a táp közé, mert a sziládrtest relé okozhat ilyen problémát. Ennél a pontnál vagyok most de sajnos egyből a villogási fázist kaptam. Tehát a mozgásérzékelőn keresztül egy relét vezérelek, (amelynél a led a mozgásérzékelő bekapcsolásától egészen a kikapcsolásig a ledje folyamatosan világít) de az általa vezérelt tápegységnél a működtetett ledszalag fényforrások csak a már leírt felvillanásokat teszik a folymatos világítás helyett. Na ebben kérbék segítséget hogy a kért funkciót tegyék tehét a mozgásérzékelő hatására sz alatt az intervallum alatt folyamatosan világítsanak
A tápegység helyére köss be egy izzót. Ha az folyamatosan vlágít, akkor vagy a tápegység, vagy a LED szalag adta meg magát.
Ha az az összes LED a szalagban egyszerre villog, akkor a tápegység, ha a villogás a szalag különböző részein össze-vissza jelentkezik, akkor a szalag a ludas.
Ez már csak holnapra marad, mert eléggé sötét van azon a helyen ahol, ezt csinálni kellene, de holnap referálok és ha gondom van , remélem várhatok segítséget?
Sziasztok!
Lenne egy kérdésem: A házamon van egy kültéri lámpahely (még nincs felszerelve lámpatest), ahová mozgásérzékelős lámpát szeretnék felszerelni úgy, hogy működjön mint mozgásérzékelős lámpa, de, ha a benti kapcsolóval felkapcsolom akkor folyamatosan világítson. Az alábbi kapcsolásokra gondoltam, és az lenne a kérdésem, hogy szerintetek melyik a jó (esetleg mind kettő vagy egyik se)? Az 1. esetben nem gond-e az, hogy a mozgásérzékelő a fázis-kapcsolt kimenetére is megkapja a fázist a kapcsoló felkapcsolásakor?
Szia!
Én az első szerint kötném be, a másodiknál az a baj, hogyha vissza kapcsolod a váltókapcsolót a mozgás érzékelő irányába, az mindig világítani fog míg be nem élesedik. Elvileg nem gond, mert a beállított idő után a kapcsoló relé úgy is elenged. Én is kötöttem már be így mozgásérzékelőt és működik. A hozzászólás módosítva: Okt 5, 2016
Köszi.
Az 1. esetben az nem gond, hogy a mozgásérzékelő a fázis-kapcsolt kimenetére is megkapja a fázist a kapcsoló felkapcsolásakor? "vissza kapcsolod a váltókapcsolót a mozgás érzékelő irányába, az mindig világítani fog míg be nem élesedik" ezt nem teljesen értem, elmagyaráznád? |
Bejelentkezés
Hirdetés |





Ha megcsináltam, majd jelentkezek...
Akkor cserélhetem ki... 




