Fórum témák
» Több friss téma |
Ez eléggé speciális alkatrész, mert gyors diódák vannak benne. A kínaiaknál is az olcsó, amit nagy tömegben gyártanak, mert elterjedt. Ez a híd sajnos nem ilyen.
Ha van hely a "barkácsolásra", akkor kettő utat javasolnék: 1. A 20mm-es dual modulok elterjedtebbek, és ez létezik gyors diódás változatban is: Bővebben: Link Kettő ilyen modult viszonylag könnyen össze lehet sínezni diódás hídnak. 2. Ennél olcsóbb, ha diszkrét diódákból építed össze, de a hűtés és a szigetelés kialakítása nagy gondosságot kíván. Bővebben: Link
Köszönöm kedves Phile80!
Bár a kép minősége a rám jellemző alaposságot tükrözi, azért nagyjából ki lehet venni, hogy a baloldalon lent látható 8 mm szikra a jobboldalon fent hasonló méretűt produkál. Ez igen-igen meggyőző. Már csak a diódákat kell megvédeni. Mit tanácsoltok? Maradjak a transilnél kondival és ellenállással, vagy inkább varisztor? Köszönettel; Tambi
Örülök hogy jó lett! Milyen kapcsolással hajtod?
Szép napot mindenkinek, feltéve ha van még itt valaki...
Szóval végigolvastam ezt az egész plazmavágós topikot (kb 4 napomba telt), és ne kövezzetek meg érte, de azt nem értem, miért nincs fent egy komplett videó (kapcsolási rajzzal együtt) a működő gépről kívül belül jól látható módon üzem közben feltéve? Mert ahogy kivetem, néhányótoknak sikerült összedobni valamit...
Erre egy dolgot tudnák idézni.:
Idézet: „Egy rózsaszál (szó) szebben beszél.” Utálom a videókat, néha egyet-kettőt megnéztem. Azóta inkább kerülöm őket. Felesleges időpocsékolás. Amit rajzban és szóban közölni lehet, nem pótolhatja a videó.
Csak arrafel kérdeztem, hogy végül is sikerült -e már összekalapálni valakinek kész működőképes készüléket...
Sziasztok!
Témába vág, és talán jó kis cikk.. Nagyon nagy a kísértés, hogy megpróbáljam megépíteni Ezek az oroszok tudnak valamit...Bővebben: Link Google fordító segít, ha nem megy az orosz ![]() Szerintetek?
Kedves Barátaim!
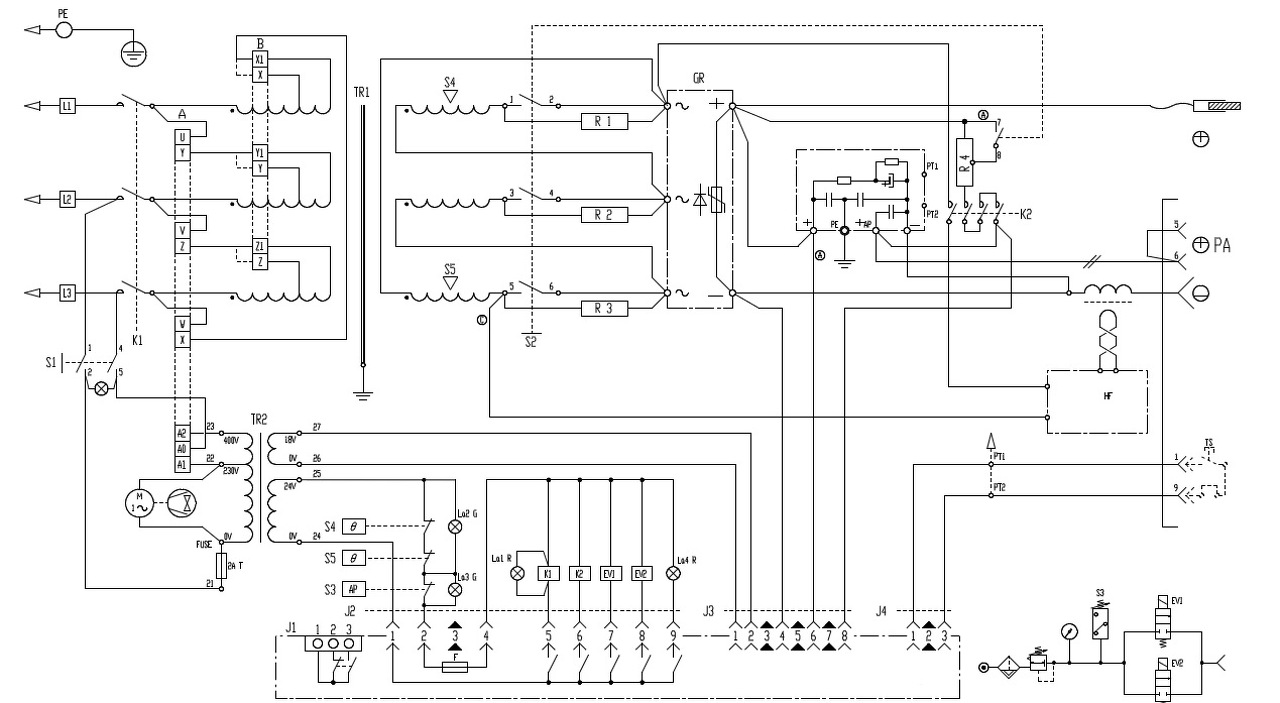
RoliNyhnak igaza van! Általában addig fórumozunk, amíg segítséget remélünk, de a sokak szellemi tőkéjét tartalmazó, már elkészült masináról ritkábban szólunk. Legyen itt a (majdnem) kivétel. Azért majdnem, mert még mindég nem mertem kipróbálni a melléklet szerinti plazmavágót. (Sajnálnám a kezemet...) Ennek oka a "szabályzás" indulóáramában keresendő. A vágóáram szabályozása fokozatokban, a háromfázisú egyenirányító hidakkal sorba, egymással párhuzamosan kapcsolt izzókkal történne. Csakhogy 1 db izzó ellenállása üzemmelegen 36 Ohm, hidegen pedig 2,7 Ohm. Három párhuzamosan kapcsolt izzó nagyjából 20A-t enged át melegen. Viszont ha a plazmafeszültség 140-160V körül alakulna, akkor 5 db izzó szükségeltetne a 20 A-hez. Ennek pedig "hideg" (induló) ellenállása nagyjából 0,5 Ohm lenne, amiből következik, hogy rövid ideig igen nagy áram folyna, amit a diódahíd talán már nem viselne el. Ennek megakadályozására szolgálna L2, ami néhány (néhányszáz) msec késleltetést biztosítana az áram kialakulásának, mely alatt az izzó "felfűt" valamennyire, és így a vágófej nem robban szét az első indításkor. Mi a véleményetek L2-ről? És még valami: szerény képességeim mértékéig szívesen átadom tapasztalataimat és válaszolok bármely kérdésre, bár tavaly augusztusban elég sokat leveleztünk itt a fórumon. Csupán annyit kérek, csak olyan fogjon hozzá, akinek kellő körültekintése, megfontoltsága van az élet kioltására is alkalmas feszültségek terén, mert ez tényleg "agyon(?)csap"...
Ha jól értem, akkor a begyújtás pillanatában fellépő áramtól tartasz. A gyári gépekben a pilotáram 8-20A között szokott lenni a gép teljesítményétől függően. Természetesen a vágópisztoly mérete erőteljesen befolyásolja a minimális gyújtóáram-igényt, tehát ha 80-100A vágóárammal szeretnél dolgozni, oda kell a 16-20A pilotáram, mert ha kicsi a pilotív árama akkor a pilotívet a levegő elfújja.
Felrobbanó vágófejről még nem hallottam, ez nem is valószínű hogy be tud következni mivel a főtrafó zárlati teljesítménye ekkora energiára nem képes. Tehát csak bátorság és védőfelszerelés(maszk, bőrkesztyű,bőrkötény, bőr cipővédő) kérdése a próba. Hiszen tavaly augusztusban már sikerült.
Miért nem csapoltad meg a primer tekercseket? Ez az izzós téma számomra szörnyen hangzik és ez az egész gép elképesztően túl van bonyolítva. Az L2-n nem sok feszültség fog esni, mert nem váltakozó áram folyik rajta, tehát az ohmos ellenállásával számolhatsz.
Általában egy kb. 10R/400W-os ellenálláson keresztül folyik a pilotív árama, ami a főáramú egyenirányítóról van táplálva, aztán ezt aztán egy időkapcsolóval lekapcsolják egy mágneskapcsolóval aminek az összes érintkezőjét használják a megszakításhoz sorba kötve, mert egyenáramot csak így lehet megszakítani. Az időzítés kb. 1-2s szokott lenni, ennyi idő alatt létre kell jönni a főáramú ívnek. Mellékelek egy sokkal egyszerűbb kapcsolást.
Köszönöm MPisti! Tavaly a gyújtás működött, ami azóta is. Ha a kelleténél nagyobb L1-t teszek be, úgy 50 mHy fölött, akkor 10-ből egyszer nem indul el a pilot áram, dacára annak, hogy a nagy feszültségű ív megvan és áthúz a pisztolyt helyettesítő két D2 mm rézvezeték között lévő 3-4 mm szikraközön. Ez vajon miért lehet?
Tanácsodat megfogadom. Összerakom végre és meglátjuk... Köszönettel; Tambi
Szia Phile80!
L2: azért gondoltam beiktatni, hogy a vágás kezdetekor, amíg a szabályzó szerepét betöltő izzók hidegek és kicsi az ellenállásuk ne rohangáljanak iszonyú nagy áramok. Az L2 az izzókkal egy soros RL kőrt alkot, reményeim szerint csökkenti az induló áramot. Normál üzemben (vágás közben) nincs szerepe. MPisti megnyugtatott, hogy nem fognak irdatlan áramok futkosni, így el is hagyható. Pilot áram: azért választottam ezt a megoldást, hogy MK2 mágneskapcsolónak AC-t kelljen megszakítania. Amennyire tudom, egy diódahíd ára összemérhető egy 400W-os ellenállás árával. Jasic100 plazmavágónkban annak idején 30 eFtért cserélték a gyári ellenállást 400 W-osra... MK2 mágneskapcsolót a "FOKOZATPANEL"-en elhelyezett "R" jelű, bontó reed-cső hivatott kikapcsolni azonnal, amint az első diódahídon megindul a vágóáram. Talán a megcsapolás lett volna a jobb módszer, de ahhoz kellett volna a primer oldalra egy nyolcfokozatú, három áramkörös, 50A-es és egy hasonló a szekunder oldalra 120A-es kapcsoló. Így leírva ezeket a sorokat már én is látom, hogy igazad van, mert egy primeroldali (meg esetleg egy szekunder oldali) fokozatkapcsolóval kiváltható lenne az egész vezérlőpanel, relés, izzós, L2-es agyrém. Cserében a tekercselés lett volna macerásabb (ekkora méretben nem is egyszerű), de attól tartok, hogy megérte volna. Végül is még mindég megtehetjük. Ahhoz, hogy a rajzon látható 20 A-tól 160A-ig terjedő tartományt átfoghassuk milyen menetszámokat javasolnál egy 3x95x95 mm-es vasmagú trafónál? Még nem kevés hely van a csévetesteken, egy-egy sor primer (kb 50 menet) és egy-egy sor szekunder (kb 20 menet) ráfér. Jelenleg 3x80 menet a primer, és 3x40 a szekunder. Ez egyenirányítva üresjárásban 255 VDC, 30kW terheléssel 230 VDC szekunder feszültséget produkál. A primer és szekunder tekercseknek muszáj egy csévén, egymás fölött lenni, mert ha egymás mellett helyezkednek el, akkor valami csoda folytán elvész a szekunder feszültség fele (talán emlékszel, hogy tavaly augusztusban sokat küzdöttünk vele, és végül is az ok nem lett meg). Az "egymásfölöttiség" viszont viszonylag szoros csatolást fog eredményezni, jó lesz az úgy? Válaszaidat előre is köszönöm. Derűs(ebb) napot; Tambi
Kedves Phile80 és MPisti!
Mondhatjuk-e azt, hogy a plazmaív ellenállásként viselkedik, amelyen az átfolyó áram a feszültségtől függ? Nyilván még a vágófej magasságától (erre van a THC), talán kis mértékben egyebektől is... Ha igen, akkor a fokozatkapcsolós elég egyszerűnek tűnik még szoros csatolással is. Köszi!
Tulajdonképpen igen, de ennél azért összetettebb, mert itt a tényezők egymást is befolyásolják.
a Idézet: „kis mértékben egyebektől” viszont nem helytálló, a plazmagáz anyaga, a nyomása és az áramlási sebessége egy nagyon jelentős tényező.
Nem értem miért akarod feltalálni a plazmavágót, amikor már fel van találva és tökéletesítve évtizedek óta...
Ezeket az izzókat minden féle képpen el kell felejteni, mert a bekapcsolási ideje a gépnek nagyon kevés lesz kis fokozaton is és zabálja majd az áramot a gép. A trafó full terhelésen megy majd. Miért kellene a szekunder oldalra 120A-es kapcsoló? Gyakorlatban nagyon jól működő dolog az egyenáram megszakítása több érintkező sorba kapcsolásával (Ív feldarabolása) Az ellenállásról annyit, hogy lehet kapni Ebay-en pár száz forintért Alu tokozású 100W-os ellenállásokat, amiből könnyen össze lehet rakni 400W-ra elegendőt. Mellékeltem egy képet. Amit még hiányolok a rajzról a vágóív/pilotívhez tartozó gázszelepek. Kettő kell párhuzamosan...és az a nyomáskapcsoló is rossz helyen van. Közben eszembe jutott még egy dolog, ami lehet elkerülte a figyelmedet... A nagy méretű pisztolyokkal nem igazán lehet jól kis áramon vágni, mert túl nagy a lyuk a düznin és csúnya lesz a vágás és nem is lehet vele precízen dolgozni. Egy A141-es pisztolyhoz tartozó legkisebb lyukú düzni 1.1mm. Vékony lemezekhez, kb 40A-ig 0,6-0,9-est szokás használni. Kisebb pisztolyokkal sokkal szebben, precízebben lehet dolgozni. Viszont nem egy olcsó dolog egy plazmavágó pisztoly. Szóval lehet felesleges a sok fokozat, mert ha veszel egy nagy pisztolyt, akkor nem igazán lesz jó kis áramokra. Az ilyen nagy gépeken általában 2 nagyáramú fokozat szokott lenni. A hozzászólás módosítva: Okt 15, 2016
Ezeket a képeket ma készítettem ( csak az album elnevezése "2015") . Láthatóan nincs eltúlozva a fokozatok száma és érdekes , hogy két trafós a gép .
Köszönöm Phile80!
A szekunder oldali kapcsoló valóban marhaság volt, a primer átkapcsolása miatti vágófeszültség csökkenést kívántam kompenzálni vele. Az izzók után sem fáj a szívem, az "ívdarabolás"-t is értem. Soraidat olvasva eltűnődtem azon, hogy mégjobban igazad (igazatok) van a kevés fokozattal kapcsolatban, mint gondolnátok. Ha csak azt vennénk figyelembe, hogy a vágandó lemez vastagsága 10 és 25 mm között van, már önmagában elég ok a csekély számú fokozat kialakítására. Hogy miért kell ezt újra feltalálni? Itt az oldalakon ezrével készülnek erősítők, labortápok, inverteres hegesztők és még sok-sok minden. Nem is biztos, hogy olcsóbbak vagy jobbak lesznek, mint a boltban kapható gyári készülékek. A fórumozók nagy része kellő szakmai jártassággal, hobbiból csinálja, én meg kínomban. Pl a labortápnak könyvtárnyi irodalma van, a plazmavágóról ennek századrésze sem áll rendelkezésre az általam ismert összes magyar nyelveken. Így nem marad más hátra, mint segítőkészségetekre alapozva összehozni a "már megfelel" szintet, melyet előre is hálásan köszön; Tambi.
Szia Hulala!
Annyira elegánsan kevés alkatrészből áll, hogy pont ilyet szeretnék!!! Amennyire én tudom, a transzformátorral átvihető teljesítmény a vaskeresztmetszet négyzetével arányos. Tehát ha a két trafót összetennék egy vasmaggá, akkor szinte ugyanannyi pénzért négyszerese lenne a teljesítmény. Mivel ezt nem teszik, és bizonyára nem a feldőlés elleni biztosításként alkalmaztak két külön trafót, így én el sem tudom képzelni, hogy mi a manó? Mit gondoltok, megérti-e valaha ezt a rejtélyt; Tambi?
Köszönöm Stewe!
A vágófej gépi mozgatású lesz (majd egyszer), elképzelhető-e, hogy a THC képes lesz nagyjából stabilizálni az áramot? Jól gondolom-e, hogy a vágórés szélessége, a vágott felület érdessége változik az áramerősséggel, és a munkadarab mérete miatt illenék stabil árammal vágni? Köszönettel; Tambi
Nekem bonyolultnak tűnik - a 120A-es Cebora szemre egyszerűbb .
Az a rejtély annyira nem komplikált, és nem csak a Thermal Arc alkalmazza ezt a megoldást. A lényege a két trafós megoldásnak, hogy két különböző teljesítményű trafóval 3 féle DC teljesítmény érhető el. Mindkét trafónak saját egyenirányítója van, így a trafók külön-külön, és együtt is bekapcsolhatók, hiszen a szekunder teljesítményük csak egyenirányítás után összegződik. Így az üresjárati feszültség valójában szinte változatlan marad(ez látszólag igaz, mivel egyik trafó biztosan nagyobb szekunder feszültségű)ugyanakkor a vágóáram nagyobb lesz mivel a trafók egyenirányítás után párhuzamosan járnak.Ugyanakkor 2 mágneskapcsoló olcsóbb,mint egy nagy teljesítményű spéci fokozatkapcsoló. Emellett alkalmas CNC géphez is, hiszen a vágóteljesítmény közvetlenül a vezérlőről kiválasztható egy megfelelő interfészen keresztül a mágneskapcsolók variálásával.
A THC nem közvetlenül az áramot stabilizálja,hanem a vágómagasságot állítja a vágófeszültség változásának arányában .
A hozzászólás módosítva: Okt 16, 2016
Köszönöm MPisti!
Megint tanultam valamit. Soha eszembe nem jutott volna két különálló trafó szekunderét párhuzamosan kapcsolni a (valamennyire mindenképpen) eltérő feszültségek miatt. A tavalyi méréseket a melléklet szerinti grafikonon összegeztem (folytonos vonal). A trafó karakterisztika nem éppen vízszintes, de nem is meredeken eső. A szaggatott vonallal jelölt görbék ábrázolják a reménybeli karakterisztikákat a primer menetszám megnövelése után. A tekercselést a lazább csatolás (meredekebb karakterisztika) érdekében a 180 mm hosszú tekercs egyik végén tervezem elhelyezni: 20 menet (60 mm) és rajta (fölötte) további 14 menet elrendezésben. Természetesen nem gondolom, hogy ettől függőleges lesz a karakterisztika, de reményeim szerint mindenképpen meredekebb. A fejmagasságon (és egyéb elektronikán) kívül hogyan lehet beállítani, hogy a görbe melyik pontján dolgozzon a trafó? Hány V/A meredekség körül mondhatjuk, hogy eső jellegű a karakterisztika? Köszönettel; Tambi.
Köszönöm kedves Kaqkk!
Tudom, hogy így van, és nem is értem, hogy miért a feszültséget figyeli, mikor (ismereteim szerint) állandó árammal akarunk vágni. Talán a kettő valahogyan összefügg. Derűs estét; Tambi.
Szia Hulala!
Gyönyörű, de van ott egy panel IC-vel, tranyókkal, hét relével, és még három méretes mágneskapcsoló... Nekem az előbbi jobban tetszett.
A thermal-nak is ugyanúgy van vezérlő panelja ami ugyancsak bonyolultabb mint az ellenpéldának betett Cebora panel . ... THC.. én is már több mint egy hónapja görcsölök-építek cnc plazmát és egyenlőre nem tudom lesz-e hozzá thc mivel vizes asztalt csináltam de ami a lényeg , hogy a fej távolságát a vágandó felülettől egy állandó beállított távolságon tartja mivel sokszor vágás közben egy centit is szokott emelkedni úgy , hogy a feszültséget figyeli a thc és változáskor gyorsan beavatkozik . Akár egy "lépcsőn" is fel tud menni a fej - erről nézhetsz video felvételeket is .
Igen, azt tudom, hogy a THC vezérelt fej "akár egy lépcsőn is fel tud menni", csak azt nem értem, miért a feszültségfigyelés és nem az áramfigyelés alapján működik. Vagy az is elég a jó minőségű vágáshoz, ha a feszültség és nem az áram állandó?
Ha a feszültség állandó akkor az áram is, viszont a feszültség figyelése sokkal egyszerűbb és pontosabb mint pl egy 300A es áramváltó (szerintem)
Ezt értem is, és sokkal egyszerűbb (olcsóbb), mint az áramváltó. De ha jól gondolom, valamennyi plazmagéphez más és más feszültséget kell beállítani a THC-n.
|
Bejelentkezés
Hirdetés |






Ezek az oroszok tudnak valamit...
















