Fórum témák
» Több friss téma |
- Ez a felület kizárólag, az elektronikában kezdők kérdéseinek van fenntartva és nem elfelejtve, hogy hobbielektronika a fórumunk!
- Ami tehát azt jelenti, hogy a nagymama bevásárlását nem itt beszéljük meg, ill. ez nem üzenőfal! - Kerülendő az olyan kérdés, amit egy másik meglévő (több mint 17000 van), témában kellene kitárgyalni! - És végül büntetés terhe mellett kerülendő az MSN és egyéb szleng, a magyar helyesírás mellőzése, beleértve a mondateleji nagybetűket is! Idézet: „akkor kinyit T1 és megindul a kollektor áram ami kinyitja T2 -t” Nem az történik, hanem az esetlegesen a kollektorból a bázisba szivárgó bázisáramot levezeti a földbe, és az eddig sehogy, vagy félig-meddig vezető T2 már teljesen lezár. A T2 helyén vagy PNP tranzisztort kellene alkalmazni (bázis és az emitter között ellenállással, hogy biztosan le tudjon zárni), vagy a jelenlegi NPN tranzisztor bázisát felkötni a pozitívra, hogy legyen bázisárama (amit a T1 nyitása szüntetne meg). A legjobb az lenne, amit Bakman írt, IGBT-t használni a T1 helyett és annak kollektor körébe tenni a motort.
Értem, köszi. Kicsit még variálok de a pdf nagyin jó. Köszi mégegyszer.
Köszi, kísérletezgetek még akkor egy kicsit IGBT-vel is.
Talán rosszul látom, de szerintem ha T1 kinyit, és testre húzza T2 bázisát, az sose fog kinyitni, mert a rajz szerint az is NPN tranzisztor, tehát a T2 bázisára pozitív feszültség kell, hogy kinyisson valaha is egyáltalán, azt viszont sehonnan nem kapja meg...
Javítsatok ki ha tévedek...
Igen, igazad van. Időközben már én is rájöttem
Korábbról a Silicon Chip magazinban olvastam IGBT-vel megépített szabályzót, ha megtaláltam és érdekel felteszem ide.
Üdv!
Ennek a programnak mi a neve? Előre is köszönöm! A hozzászólás módosítva: Okt 16, 2016
A videóban leírásában nincs benne? Talán éppen a bal felső sarokban van a lényeg.
Nincs
A program neve : Fritzing, letölthető innen:
Fritzing
Köszönöm!
Sziasztok!
Segítséget szeretnék kérni ahhoz, hogy biztos lehetőséget kapjak egy orosz fórumon a kívánt flash dump file letöltéséhez. Remélem akad itt jó orosz tudással rendelkező is, számomra a fordító nem használható túl jól bizonyos kérdéseknél, ezért egyben oda linkelem a kérdéseket a válaszokkal együtt, ne itt díszelegjenek. Az első tesztet már elbuktam, a hat kérdésből csak négyet tudtam helyesen megválaszolni, de van még egy második lehetőség, melyek kérdései a következők: 1. Talán a VCC zajosságát illusztrálja? Bővebben: Link 2. Az utolsó, tehát 1H,M,3D,4E a tippem. Bővebben: Link 3. Mindkét LED világít Bővebben: Link 4. 8V Bővebben: Link 5. Talán az első válasz. Bővebben: Link 6. Nincs tippem. Bővebben: Link A hozzászólás módosítva: Okt 17, 2016
Szia!
Szerintem: 1-->X1,X2 2-->1C,2B,3D,4G 3-->mind2 led világít 4-->8V 5-->Energiatárolásra használják,így az első válasz jó,ha jó a fordító ![]() 6-->C ,akkor,ha a jobb oldal a betáp.
Helló!
Hogyan lehetne egy ellenállást helyettesíteni úgy, hogy digitálisan tudjam változtatni? A Trabant üzemanyagszintjelzője egy tekercselt ellenállás. Az autó mozgása közben a lötykölődő benzinben ugye fel-le mozog az úszó és ez rángatja a szintjelző mutatóját. Maga a mutató csillapított de ugye a feszültségváltozásokra azonnal reagál. Erre írnék egy progit AVR-re, de nem tudom, hogyan szimuláljam a szintjelző műszernek az ellenállást.
Köszi!
"6-->C ,akkor,ha a jobb oldal a betáp." És ha nem a jobb hanem a bal? ![]() Nem tudom a képről fordítóba másolni a szöveget sajna... remélem más is megerősíti hogy az a jó.
Nézz utána a digitális potenciométereknek.
Meg mertem lépni, kaptál egy kezet
![]() Bővebben: Link Hogy mi az az egy hiba, az nem derül ki, ha csak más meg nem mondja.
Kérdés, mekkora áram folyik az ellenálláson, nem biztos, hogy a digit poti tudja (ne legyen úgy, de meg kellene mérni). Kicsit értetlen vagyok ma, de miért is kellene ellenállást szimulálnod? Én úgy gondolom, hogy a potit beolvasod az AVR ADC-vel, zajszűröd/integrálod meg minden földi jót csinálsz az adattal és a műszert meg meghajtod PWM-el. Természetesen a megfelelő szintillesztéseket megcsinálod).
Köszönöm a válaszokat!
Digitális potenciométerről még nem is hallottam! De az alapötletem ugyanez volt. 14 darab ellenállást gondoltam kapcsolgatni, mivel ennyi digitális kimenetet tudok vezérelni az ATMega328P-vel. Azt hittem, lesz valami rafkósabb megoldás :/ De akkor csak a spanyol viaszt találtam fel megint. wbt Nem vagy értetlen, mindjárt pontosítom a körülményeket. A PWM kivezérlés azért nem lehetséges, mivel van egy előtét(illesztő)áramkör a műszer előtt, ugyanis ez egy KMGY kombinált műszeregység. Árát tekintve pedig addig biztosan nem bontom meg, amíg nincs baja. Így marad a fejtörő! Nem ismerem a kapcsolási rajzot, de az átfolyó áramot akkor megmérem. A másik ötletem a következő. Ha kis áram folyik az ellenálláson - ami majdnem biztos - akkor PWM jellel vezérelek egy LED-et, amit egy fotoellenállással fordítok szembe, majd betokozom valamibe, elszigetelve így a környezeti fénytől. A szükséges ellenállásérték alsó és felső határát pedig a fotoellenálláshoz kapcsolt egyéb ellenállásokkal, trimmerrel állítom be. A hozzászólás módosítva: Okt 17, 2016
Tiszteletem!
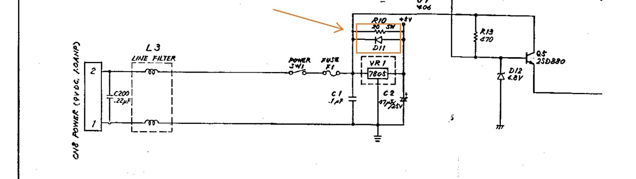
Mellékletben lévő rajzban bekereteztem két alkatrészt. Ezeknek a szerepét szeretném megtudni. Valaki leírná? A bemeneten 9V DC van. Köszönöm!
Hogy a 20 ohm /5 W minek van ott, azt nem tudom. Teljesen felesleges, ha a nagyobb terhelő áramlökések miatt, akkor nagyobb áramú stab IC -t, vagy külső nagyáramú tranzisztort kell használni, így viszont hatástalanná teszi a stab ic -t. A dióda viszont a stab IC -t védi az esetleges visszarúgásoktól, mert ha a kimenetén nagyobb fesz van mint a bemenetén, akkor az IC áteresztő tranzisztora fordított tápot kap, és azt nem biztos, hogy túléli.
Hello! Egy soros áteresztó szabályzó elfűti a felesleges energiát. Az ellenállás ennek feladatnak bizonyos százalékát átveszi a stabilizátortól. Vagy is az a teljesítmény az ellenállást fűti, nem a stabit. (Itt ez kb. 200mA és 0,8W)
De ezt a módszer csak akkor használható, ha a rákapcsolt áramkör fogyasztása az ellenálláson folyó áramánál nagyobb értékű. Így, csak az ez feletti értéket és a tápfesz változást szabályozza ki a stabi. De terhelés nélkül, megjelenhet a bementi feszültség a kimeneten, ami esetleg a kimenetre kapcsolt eszköz halálához vezethet.
Hello! "vezérelek egy LED-et, amit egy fotoellenállással fordítok szembe,"
Azért még ez nem a spanyolviasz.. Mert honnan tudod, hogy a CDS ellenállása mekkora? És ellenállása is várhatóan sokkal nagyobb lesz, mint amire szükséged lenne..
Sziasztok! Csak azt szeretném kérdezni, hogy ha 2 db ilyen 1:2 arányú transzformátort egymás után kapcsolok és négyszög alakú 50%-os kitöltési tényezőjű jelet kötök rájuk akkor 2-szer akkora lesz a feszültség a 2. trafó kimenetén?
Mindezt 8kHz-en.
Ja, hogy valami elektronika is létezik benne... A fotoellenállás működhet, de ha olyan kicsi áram folyik a mérőkörben, hogy kibírja egy fotoellenállás, akkor tehetsz oda egy hétköznapi optocsatolót is (gondolom nem váltóáram van az áramkörben) amit PWM-el hajthatsz. Ha szerencséd van a PWM felbontásodba belefér az az "ablak" ahol 0-100%-ig tudod mozgatni a műszered (tehát nem kell "kisegítő ellenállásozás", hanem pl. a 0%=>123 100%=>210 pwm lesz).
Köszönöm! Végülis az a problémám az áramkörrel, hogy az 5V-os ágban csak 4.85V-ot mérek. Ha a Q5 emitterére ami ki van vezetve csatlakozási pontnak rákapcsolok egy 100mA-es terhelést, akkor a 4,85V leesik 4.65V-ra és teljesen "összekeveri" cmos áramkört. A biztosítékon mért teljes áramfelvétel 830mA.
A spanyolviasz alatt a digitális potit értettem. Annak az alapelvét gondoltam ki, de bénának tartottam - erre ezt használja az ipar is. A fotoellenállást valszeg elvetem, mivel kis fényerőnél érzékeny a hőmérsékletre. De azért kipróbálom tapasztalatszerzés gyanánt. Találtam egy 64 lépcsős dig.potit. Ez a felbontás már tetszik.
Nem tudom mi ez az "izé". De egy stabilizátor, akkor nem ad ki megfelelő feszültséget, ha..
- Túl van terhelve - Gerjed - Nincs elég bementi feszültsége. Ez alatt a betáp szűretlenségét is kell érteni. Mert minimum 2V többletfeszültség kell. De úgy hogy a szűretlenségből adódó hullámosság alja se érje el ezt az értéket. - A Q5 nem egy komoly stabilizátor, csak egy "vicc". Ha a zéner 4,8V-os, akkor attól, minimum 600mV-al eleve kisebb lesz a kimenti feszültség. Tehát 4,2V-nál több el sem várható tőle. A terhelhetősége pedig függ a tranyó áramerősítési tényezőjétől is függ.. |
Bejelentkezés
Hirdetés |





















