Fórum témák
» Több friss téma |
Szia!
Azért tilt, mert 230V betáp esetén már a pwm olyan szélsőséges arányba tolódik, amit nem tolerál az IC. Ráadásul a sec oldala (a nagyáramú) nem sima dióda/kondi megoldás, hanem a töltést vezérlő uC végzi egy SMD felirat nélküli FET segítségével, és eza uC pluszban bele tud szóli az optocsatolón át a primer vezérlésbe is. Amikor a táp indul, a secunder oldali tápokmeg is jönnek szépen. Amikor a terhekést megkapja, akkor lefullad, vagy tilt a uC. Ezt nem tudom. 120V betáppal jó. És gyárilag 90-130V van ráítva.
Szia!
Ha mégis lenne kedved kísérletezgetni.. csinálsz egy 2153-mal és két IRF730-740 féle fettel egy kapcsüzemű tápot, de a két fet közé nem trafót teszel, hanem egy fojtót és kondit a kimenetre, mint egy step-down áramkörnél. Az alsó fet mint szinkron egyenrángató megy. Azt ugyan nem garantálom, hogy belefér egy cigisdobozba, az elkóktól is függ meg a fojtó méretétől. Ha az eredeti elmegy még 180 volt DC-ről, akkor nem lenne gondod, mert ez lefelezné nagyjából a puffert. Az LC részt neked kéne bejátszani, én csak 42 voltról használtam.
Azért elkélne egy szkóp, megbizonyosodni arról, hogy valójában mi történik.
Ha a gyújtásszög jó, a pufferfesz stimmel (nem brummog magyon), akkor mennie kellene. Ha terhelés nélkül megy, az már bíztató, jó irány. De terhelve lefullad, akkor gyanus hogy a puffer kevés, vagy a fesz a pufferen lehetne nagyobb, vagy mindkettő (talán alacsony betápfeszre áll le, de ezt távolról lehetetlenség megmondani, segíteni tudunk, de neked kell megoldani).
Sziasztok!
Több mint egy hete olvasgatom ezt a topicot, mert végre rászántam magam, hogy az analóg után megpróbálok haladni a korral . Meg aztán így a korral előrehaladva már igyekszik az ember kisebb súlyokkal rohangálni, ha zenélni indul Szóval most próbaképpen egy állítólag sokaknak bevált topológiát próbálnék ki a szokásos tda7294 dupla végfokhoz (max. 200W telj. felvétel). Már annyiféle rajzot és megoldást letöltöttem és nézegettem, hogy pillanatnyilag oltári káosz van a fejemben, tehát kérlek ne hordjatok le így elsőre, ha valami hülyeséget követtem volna el. Több rajzból és leírásból terveztem egy panelt, kérem akinek van hozzá türelme és ismeri a témában előforduló hibalehetőségeket, fussa át ezt a rajzot. Kapcsolásom nincs róla, de szerintem akinek ismerős a téma, elég jól átlátja miről van szó. Az alkatrész típusokat is felírtam, ezeket sikerült bontanom és beszereznem. Előre is köszi a türelmet!
Kusza vonalvezetés (el lehet forgatni az alkatrészeket, hogy kevesebb kanyar kelljen) és az IC nagyon messze van a fetektől. Fet-meghajtást nem huzalozunk így. Rövid, egyenes vonalak.
Idézet: „Kapcsolásom nincs róla,” Azt meg akkor hogyan biztosítod, hogy a megfelelő lábak legyenek összekötve, hibamentesen?
Ok igazad van, bár már így is forgattam már eleget
![]() Ez az 1.0 verzió, most csak a durvább hibákra lettem volna kíváncsi. Szóval a gétekre menő vezetékek miatt rendezzzem át? Jó, holnap mielőtt fotózom, még piszkálom kicsit. Kapcsolási rajzom még erről a kombinációról nincs, mert 3-4 rajzról ollóztam össze .
Ez a rajz több sebből vérzik, nem elég, hogy "piszkálod".
Nem eleget forgattad az alkatrészeket. Az ökör-csuri vonalvezetést is meg kéne szüntetni, pl szekunder pufferek. Sőt, ha kicsit odafigyelsz, akkor még átkötést is spórolhatsz. És alkatrész alá nem teszünk átkötést, mint a kondenzátor alatt látható. Az IC tápellátásából meg hiányzik a 100nF-os szűrés, az elkők nem jól szűrik a nagyfrekit. És a legfontosabb: a fet-meghajtást rövidre fogni, különben pukk is lehet a vége.
Köszi!
Most használtam először a lay6-os verziót, és nem igazán akar mindig úgy engedelmeskedni, ahogy azt az 5ös verziótól megszoktam. Pl. a Ctrl+kurzormozgatásra csak néha reagál, és akkor sem mindig teljes felbontásban) Jahh és most esik le hogy a bemeneti pufferekre se rajzoltam fel a 150k-s osztót, hogy ezt a kondit említetted...
Még..
A 47k 2 W segédtápnak gyenge, mert arról az egész ic 6-7 mA-t kap max, az pedig a fetek felé és a saját zenernek nudli. A trafóról kéne előállítanod segédtápot. A felső fetnek nem kell 100 uF, 1-2 µF bőven elég és smd is jó.
V1.1
Az ic 100nF majd alulról közvetlen a lábakra.
Azt a 100nF-ot az IC táplábai közé tenném (illetve oda is.)
A 230V-os grätzet nem a két pufferkondi közé tenném, hanem alulra, és a két kondit összekötő sávgubanc eltűnik. Az ellenállások lábhosszát lehet növelni, így a két forrpont közti átvezetés nem szenved keskenyítést (pl. az 56 ohm). Ez a trükk egészen kézenfekvő... A baloldali F12C20-at 180 fokot elforgatva nem kell kacskaringózni a vezetősávval. A szekunder oldali pufferkondikat összekötő sávok meg még mindig csúnyák! Egyenes vonal nem megy? A segédtáp meg nincs stabilizálva! Mondom, egyszerűsítés, rövid vezetékek, az alkatrészek forgathatók. A hozzászólás módosítva: Szept 16, 2016
És még nem soroltam fel minden problémát, még ezen a tápon érdemes alakítani.
Idézet: De megy, viszont nekem pont így tetszik! „A szekunder oldali pufferkondikat összekötő sávok meg még mindig csúnyák! Egyenes vonal nem megy?” ![]() A segédtápot stabilizálja az ic-ben levő zener, ezt több helyen írták - emiatt felesleges a külső. Bár már megvettem a 14V zenert, azért lehet hogy a biztonság kedvéért majd megkapja. A kettősdióda azért fordul így, mert ilyen hűtőbordám van hozzá. A 100n-t én is oda gondoltam. A 320V-os tápot majd a V1.2-ben átrendezem, ha a füstfelhők el nem veszik a kedvemet tőle ![]() Köszi Neked is meg Fercinek is a segítségeket!
Szia
A szekunder oldalt nyugodtan átrendezheted úgy ahogy a diódáknak kényelmes legyen, és a pufferek normális sorrendbéli vonalvezetést kapjanak legalább, ne húrokat. Miért? Mert írtad hogy a gombhoz varrod a kabátot vagyis szerintem találtál valami régi montitorból egy szép kis hűtőbordát ami L alakú azért helyezed így el. Trükk: semmi szükség nincs hűtőbordákra 200W környékén. Abszolút. Hagyd ki. Éppen hogy csak langyos lesz. Szóval ne bonyolítsd túl a dolgot. Ugyan ez vonatkozik a primer oldalra. Nem kell. Területet szabadítasz fel, ezáltal a rövidebb sávok hatékonyabb kihasználása végett stabilabb, megbízhatóbb működés lesz az eredmény. A primer pufferek szorosan egymást kövessék hiszen az egy eszközt alkot. A közös módusú szűrőben az L tagot nyugodtan eltekerheted a mostani helyzetéhez képest 90°-kal. Valamint graetz helyett nem szükséges ilyen bumbszli nagyot használni, ettől vannak sokkal kissebbek, diszrkétebbek (ránézésre egy kissebb hegesztőbe is megállná a helyét).
Attól függetlenül, hogy 200W-ra kell majd egy konkrét projectbe, igyekeztem úgy válogatni az alkatrészeket, hogy annál azért többet is ki lehessen venni belőle, ezért is hűtőbordázgattam.
Nem éppen egy régi tv-ből valók az alkatrészek ha jobban megnézed - inkább olyan plazma tápokból, ami még bele sem került a tévékbe (Az a Graetz 600V6A-es hűtőbordázható -hátha egyszer kicsavarok 3-400W-ot is ebből az összeállításból.) Na meg bementem a bontóba, és egy ezresért kaptam 12 darab pc-tápot 3-450W-osakat. A magot rendeltem, de ott határoztam el, hogy ilyen butaságot sosem teszek, mikor tele van mindenfelé komplett lcd/plazma tápokkal a környék. De köszönöm a javaslatodat, a másik cél úgyis az lesz, hogy a méreteket minimalizáljam majd. Tanuló tesztpanelnek jó lesz, aztán meglátjuk...
Flyback topológiájú tápegységet próbálok javítani. Pillanatnyilag alacsonyabb primer feszultséggel (180V DC) és soros áram korlátozó izzóval tesztelek, a gýári (FQP5N60C) 600V DC-s fet-t sajnos ellövi 230V AC-ról táplálva. Uc3842-s vezérli, kb 60kHz-n megy.
A csökkentett tápfeszültséget megkapva elindul, majd pár "ütem" után a soros korlátozó izzó világitani kezd(ez részben feltételezés, még szkóppal nem sikerült elkapni) majd leáll. Ezt ciklikusan ismétli, alkatrész nem melegszik hosszabban bekapcsolva hagyva sem. A trafó egy reléhez hasonló kattanó hangot ad amikor felvillan az izzó. A hibás alkatrészek azonos értékkel lettek helyettesítve (fet, uc és 2 ellenállás). A primer puffer és az uc elkó kondenzátorait már cseréltem, nem segített. Snubber alkatrészek hibátlanok mérve , primer szekunder oldalon hibás alkatrész vagy zárlatot nem találtam. Uc-t plusz segédtápról járatva a tápegység nem indul be, az ic túláram védelme "közbeszól", vissza szabályoz. Valamiért ennek az túláram ellenállásnak az értéke reltive nagy, 1 ohm. Szinkód szerint is stimmel, másik hasonló áramkörben is ennyi az értéke. A trafót is kiemeltem az áramkörből, mérve hibátlannak tűnik (induktivitás és színuszos jellel). Mennyire gyakor lehet az, hogy a trafó belül üzemi feszültségen áthúz? A hozzászólás módosítva: Szept 19, 2016
Ilyenkor jó lenne egy tekerős toroid, amiről folyamatosan adhatnád a tápot.
Egy kis generátor kéne, pl. SG3525, a feted és az eredeti snubber ( nem a panelből ) és a közepesen leterhelt ( kiszedett ) trafód. Elindítanád kis kitöltéssel. Mérhetnéd a szkóppal, hány voltos tüskék vannak a drainen és ha nem megy 600 V fölé, akkor lehet, hogy a trafó hibás. Mérheted a snubber kondi feszt is ( a két lába között ) multival, a puffer+Uc szintén nem lehet több 600 voltnál. Ilyen körülmények között eléggé kizárható a trafó hibája.
A kattogó hangok az IC indulási kísérletei, aminek a hátterében mindig túláram vagy zárlat van, olyannal még sosem találkoztam hogy rossz lett volna a trafó. Keress a szekunder oldalon is rossz kondit vagy diódát. A visszáramos diódáról egy mezei multival megmérve nem mindig derül ki hogy rossz. Sokszor van olyan hogy pl. egy 4148 nyitóirányban kinyit 400-450mV-nál, záróirányban meg 2,2V-nál.
Labortápról próbáltam hasonlót, az eredeti meghajtással. Külön tápon volt az IC és külön a nagyfesz irány. Ott végül mindig a labortáp nagyfesz áramkorlátja lépett be, hasonlóan az izzós esethez. Hétvégén lesz idő tovább tesztelni.
A hozzászólás módosítva: Szept 20, 2016
Köszi a javaslatot a diódák cseréjét is felvettem a teendők közé.
Ilyenkor nem ártana egy skicc a mérési elrendezésről és ha lehet, a gate-jelekről, esetleg változtatható kitöltéssel. A "végül mindig"-et úgy értem, hogy nem rögtön korlátoz, hanem valamikor.
Lehet fotó a drain impulzusokról, a snubber kondi feszről, a szekunder feszről, stb...
Helló!
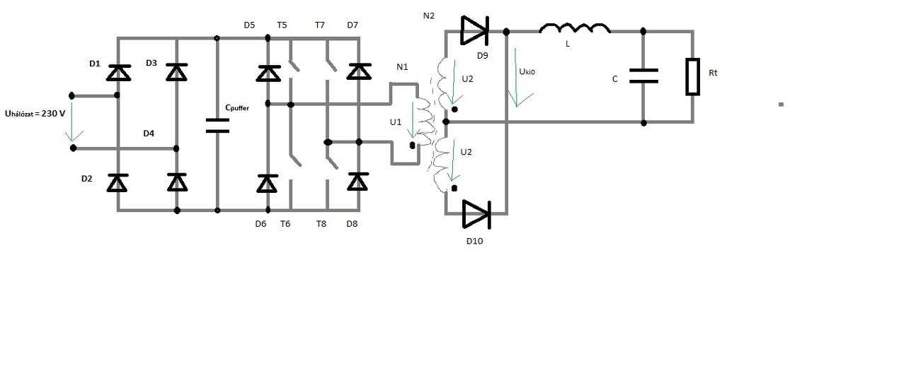
Szeretnék építeni egy kapcsolóüzemű tápegységet galvanizáláshoz, 960W-os teljesítménnyel. A kimeneten 24 V egyenfeszültség vehető le, és 40 amperre lehessen maximálisan terhelni. Na most, arra gondoltam, hogy Full-bridge konvertert lesz az alap. Mellékelek egy paint képet a kapcsolási rajzról. Az a problémám, hogy a Graetz-hídas egyenirányítás után meg kellene határoznom, a maximális-és a minimális egyenirányított feszültség középértéket, hogy el tudjam kezdeni a transzformátor méretezését. Uemax és Uemin. Uemax oké. Ügye gyök2*1,1*230. Ez olyan 355 V körüli érték. Uemin viszont nem megy. Ügye, ez úgy nézne ki (szerintem), hogy gyök2*230*0,90 - a diódák feszültégesése. Ez olyan 292 V körüli érték. Ez talán akkor lenne jó, ha nem terhelem a kapcsolást. Viszont terhelt állapotban, egy alfa szög után a pufferkondi T = R*C időállandóval exponenciálisan elkezd kisülni. Na, nekem az az érték kéne, amikor a pufferkondi feszültsége eléri a egyenirányított feszültség adott értékét, azaz Uemin-t. Egyszerűen nem tudok rájönni. Ügye van egy összefüggés Uemax és Uemin különbségére: azaz a Ubep-p = Delta U = Iki/ ( 2*f*Cpuffer ) De, nem tudom, hogy itt most a maximálisan megengedhető terhelőárammal kell számolni, vagy mivel? Bocsi, ha butaságot kérdezek. Lelkeas amatőr vagyok, és ez az első projektem.
Lehet, hogy ezeket a képleteket keresed: Bővebben: Link
Igen, ezek megvannak. Csak bocsánat, ha hülyeséget írok. Ügye eleve nem tudom a trafó áttételét, mert azt akarom kiszámolni. És ez zavar meg. Egyszerűen nem tudok rájönni, hogy ebben az esetben, hogyan járjak el. Ügye, ha a kimeneten 40 A folyik, akkor mennyi folyik a primer tekercsen? Nagy zűrzavar van így a fejemben sajnos, és nem tudom helyre rakni.
Bevallom, nem értek hozzá, de amíg nem válaszolnak a szakik, ezekben a cikkekben lehet, hogy találsz útmutatást: Bővebben: Link
Matematikailag igen bonyolult összefüggés ha pontos akarsz lenni. Fel lehetne írni képletesen mivel a primer fesz csökkenésével egyre nő a primer áram így a feszültség esés gyorsasága is. A Kondi árama
Ic=C*dU/dt Ic pillanatról pillanatra nő ahogy a fesz csökken. Ebből kell felírni egy integrál egyenletet. Jobban jársz ha telepítesz egy szimulátor programot és azzal csinálsz 1-2 tesztet. Ha orcad-ed van akkor tudok feltölteni ide buck konverter matematikai modellt visszacsatolással amivel lehet játszani.
A helyedben elfelejteném a hidat meg ezt a számolgatósdit is. Az elmúlt 2 hétben most linkelem be kb. negyedszer ezt a rajzot. Szabályozott és állítható a fesz és az áram is, nyilván neked a 24V-hoz nagyobb áttétel kell. Úgy érdemes kalkulálni hogy nagyobb terhelésnél olyan 280V körül lesz a primer pufferben, mivel együtemű a kapcsolás a szekunderen az áttétellel arányos feszt a fojtó - kondi integrálja, és lejön belőle még a kitöltés meg a szabályozáshoz némi tartalék. Szóval olyan 4-es körüli trafóáttétellel jó is lesz, abból terhelten is marad kb. 30V teljes kitöltés esetén.
Azt nagyon megköszönném!
Sziasztok!
Egy 24V kimeneti feszültségű és 20A terhelhetőségű egészhídas ( fullbridge ) konvertert építek. (Fentebb látható) Minden eleme le van méretezve, de a szabályozó körrel elakadtam. Valami ötlet, hogyan tudnám megoldani, hogy be tudjam állítani a kimeneti feszültség értékét, és az állandó értéken maradjon? Illetve valami áramhatárolást megoldani? Árammódú szabályozásra gondoltam, de nem tudom mit kéne. Hommade galvanizálásra kell a tápegység, ahol az áramfelvétel a munkadarab felületétől függ. Csak a tápfesznek kellene állandónak maradnia. Lehet sok butaság került a kérdésbe, de nagyon kezdő vagyok még. |
Bejelentkezés
Hirdetés |














