Fórum témák
» Több friss téma |
- Ez a felület kizárólag, az elektronikában kezdők kérdéseinek van fenntartva és nem elfelejtve, hogy hobbielektronika a fórumunk!
- Ami tehát azt jelenti, hogy a nagymama bevásárlását nem itt beszéljük meg, ill. ez nem üzenőfal! - Kerülendő az olyan kérdés, amit egy másik meglévő (több mint 17000 van), témában kellene kitárgyalni! - És végül büntetés terhe mellett kerülendő az MSN és egyéb szleng, a magyar helyesírás mellőzése, beleértve a mondateleji nagybetűket is!
Idő alapján. Rá van írva az elejére, hogy melyik akkumulátort, mennyi ideig tölti, és milyen árammal. A belsejében elfűti a felesleget. Ha az időkapcsoló lejár, megállítja a töltés, vagyis kikapcsol. Vagy a led jelzi, hogy letelt az idő.
Tulajdonképpen örülni kellene, hogy nem működik. Egy gyorstöltő, 3,6A(4A?) árammal tölti a rákötött akkut. A bevitt töltésmennyiséget az időzítő szabályozza.
Ott a gond, hogy ekkora áram keményen odacsap az akkunak. Van amelyik elviseli, van amelyik nem. A hozzászólás módosítva: Okt 31, 2016
Gondolom a diódák mentek ki, azokat kell cserélni. Ez a töltő soros ellenállással tölt, és időre. Nem figyeli a feszültség csökkenést, a fordított polaritást sem, és ha nem 7,2V-os akkumulátor pakkot raksz rá, hanem ennél kisebbet, akkor még probléma is lehet.
Sziasztok!
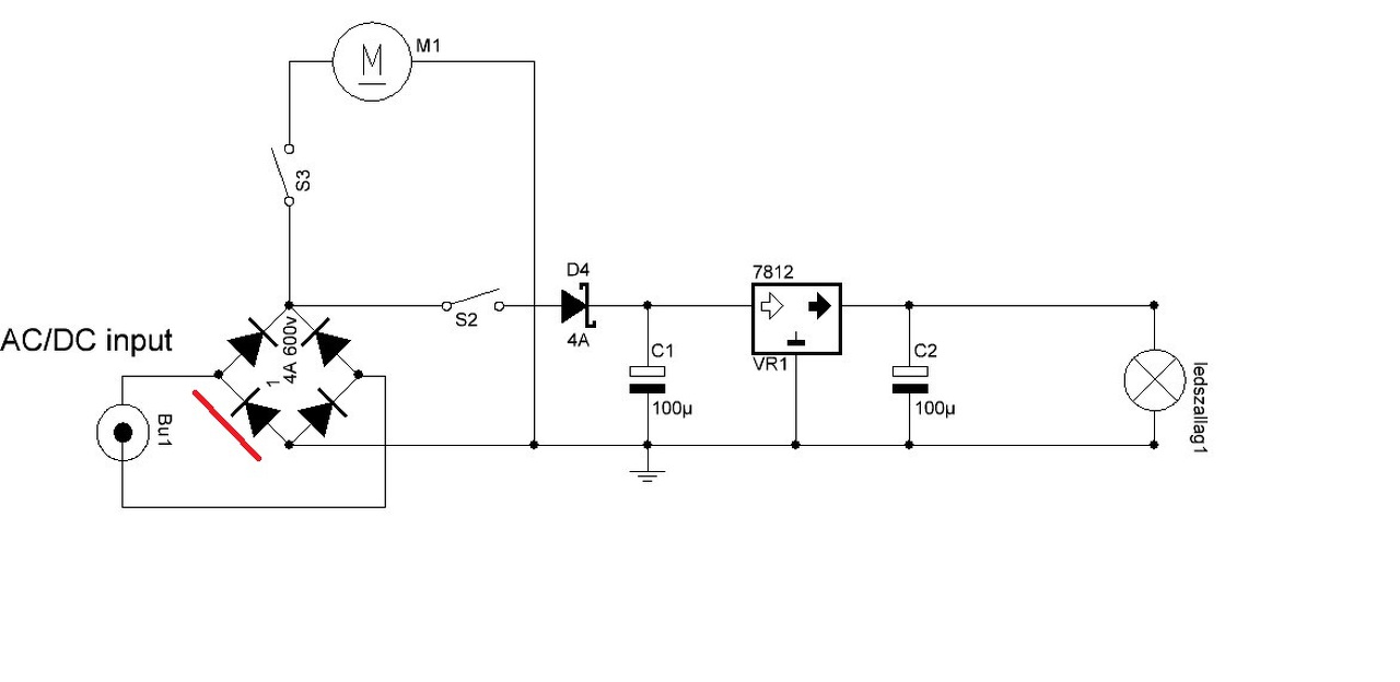
A mellékelt kapcsolásban levő diódahídnál a piros vonallal párhuzamos dióda átment drótba. Láttok bármi kivetnivalót a kapcsolásban, vagy csak szimplán nem volt elég a 4A-es diódahíd? A Motornak saját fordulatszámszabályzója van, amihez szűretlen DC kell ezért van a stab előtt a D4. A ledszallag kb 20cm-es nem mértem mennyit vesz fel, de a stab nem melegedett. 12V DC tápnál hunyt el a szerkezet. Tudom ez kevés a stabnak, de okozhatta az alacsony tápfeszültség a fent említett hibát? A hozzászólás módosítva: Okt 31, 2016
Nemmondtad, mekkora áram kell a motornak. A led cucc valószínű eljár másfél amperról.
Idézet: Gréc után kapja az áramot. Semmi más nemkellhet oda, ahogy irtad. Kicsi volt a graetz. „A Motornak saját fordulatszámszabályzója van, amihez szűretlen DC kell ezért van a stab előtt a D4.” A hozzászólás módosítva: Okt 31, 2016
Hát a motor 2 amper körül vehet fel, max 3 ha agyon van terhelve, de olyan még nem volt.
Lehet az indításnál fellépő nagy áramtól feküdt ki a graetz. Keresek bele nagyobbat, hátha az nem jár így. De előtte kimérem pontosan a motor áramfelvételét, bár a gyári trafó is 2A áramot ad. Bővebben: Link
30W teljesitményű a motor? Vannak itt nálam nagyobb "kopfok is. Lehetséges, hogy van erre valami "egyalkatrészes" megoldás.
Szerintem cseréld a graetz-et. Azsem baj, ha a lábánál közvetlen puffereled.
Célszerű lenne mérned az össz áramot, mivel a motor és a led-szalag is a graetzről kap dc-t.
A 4 amperes hidat pedig üzem közben folyamatosan ellenőrizd hőfokra is, mert ilyenen, főleg hűtés nélkül 2-3 ampert se engednék át. Inkább valami 8 amperes kéne ide. Számítsd csak ki, 2 soros diódán ( pl. 2 x 1 volt ekkora áramnál ) hány watt meleg disszipálódik el. A hozzászólás módosítva: Okt 31, 2016
Ez a soros ellenállás állítja be a töltőáramot?
Nem beállítja, hanem korlátozzza. Fogd úgy fel, hogy bizonyos akkumulátortípusoknál megvédi a hirtelen halltól, de az életét nem hosszabbítja meg. Akkor érdemes ilyen megoldást alkalmazni, ha élet-halál kérdése, hogy lelket lehelj bele, és nem számít, hogy egy-két évente veszel másik akkut.
Rajzold vissza az áramkört, után lehet beszélni róla. A másik funkciója a csepptöltés, amit inkább helyhz kötött tartalék áramforráshoz szoktak használni. A hozzászólás módosítva: Okt 31, 2016
Nem, de én nem is vennék. Nézd meg a képet, ott a rozsda a menetben, és kép alapján nem túl bíztató a megmunkálás minősége. És ez az, amit a kirakatba kitesznek, milyen lehet a többi.
A 35 ezres fordulat nem játék, ahhoz precíz kidolgozottság kell. Én a dremelemhez inkább ilyet tervezek venni.
Gondolod, hogy a linkelt tokmányt német CNC szakemberek sodorják a combjukon? A képről ez sem tűnik finoman kidolgozottnak. Az eBay-es tokmány legalább nem hazudik, az ára tükrözi a minőséget.
Amiket linkeltél vateráról azokat simán megtalálod az ebay-en féláron. Illetve mivel ebay-ről a kis kínai többnyire ingyen szállít (free shipping), így inkább negyedáron.
Én az 1-es számon linkeltből csináltam magamnak "erősítős tabletállványt" egy kartondoboz és 2 ebay-es kishangszóró felhasználásval. 3 AA elemmel hajtottam, meglehetősen sokáig bírta. FONTOS: annál amit használtam az ebay-es eladó odaírta, hogy nem szabad közösíteni a kimenetek negatív vezetékeit közösíteni (pl. itt is írják). Nem biztos hogy a te cuccod is ilyen, de ha tudsz erre figyelj oda építésnél.
Nemtom a linkelt tokmányt ki és hogyan gyártja, de ha a Dremel (Bosch) minőségbiztosítását átmegy akkor azt merem használni és ajánlani. Ellentétben a kiciócó kínaival, amiről nem tudunk semmit azon kívül, hogy 2500 Ft-tal olcsóbb mint az eredeti cucc hazai bruttó kisker ára.
A Bosch minőségbizosításáról ódákat lehet olvasni itt-ott. Tényleg nem vitatkozni vagy ócsárolni akarok, de kb. egy éve vettem én is Dremel gépet. Mit ne mondjak, csalódás volt, pedig nem a legolcsóbbat szereztem be. Arra mindenesetre jó volt, hogy eldöntsem, Bosch gépből ez volt az utolsó (az előző két masinával is megjártam).
A hozzászólás módosítva: Okt 31, 2016
Mit mértél a transzformátor primer és szekunder tekercsén? A mechanikus időzítő kapcsoló érintkezője jó? A diódák jók? A 220 Ω 5 W ellenállás jó? A többi alkatrésszel most ne foglalkozzunk. De ha eddig ezeket nem mérted meg akkor nehéz lesz segíteni.
A hidat nagyobbra cserélve egyenlőre működőkepésnek tűnik a dolog.
Köszönöm.
Sziasztok!
Csak annyit szeretnék megtudni, hogy ha egy graetz kocka 6 amperes akkor, a diódái mindegyike 6 amperrel terhelhető? Köszönöm! Zsolt
Igen, mivelhogy mindegyik diódáján átfolyik az üzemi áram. De egy greatz elég ritka estben működik úgy, hogy a diódáin egyenáram folyik át. Többnyire szakaszos (impulzus) üzemben dolgoznak, addig, amíg töltögetik a puffer kondenzátort. Ennek a szakaszos áramnak az eff értékének kell megegyeznie a terhelő egyenárammal, így az impulzus szerű áram csúcsértéke sokkal nagyobb, mint a terhelő egyenáram. Ezekről az adatokról az alkatrész katalógus adataiból tájékozódhatsz.
A hozzászólás módosítva: Nov 1, 2016
Nagyon köszönöm! Valahogy én is így gondolkodtam, de most már biztos vagyok a dologban.
Sziasztok
Befejeztem(96%ban) a Willi P. hobbielektronika cimű könyvét, igen hasznos volt, bár a nyomdai hibák miatt küzdelmes, de hasznos. Látom, hogy van 16millio ajánlott könyv/füzet a témában. Esetleg tudnátok ajánlani a következő témákban is: SMD alkatrészek FET triak diak tranzisztorok és társai tápegységekről valami összefoglaló féle Nyilván átbogarászom, az adott téma cikkeit, csak ha tudtok valami kiemelkedően jó írást, azt megköszönném.
xxxjjjkkk! VIGYÁZAT!!!!!!! A könyv tényleg jó, Én is sokat tanultam belőle, de nem csak nyomdai hibák vannak benne, hanem szakmaiak is. Mindjárt utánanézek, de a feszültségosztónál és bistabilnál a rossz a magyarázat.
A feszültségosztó képlete a 146. oldalon rosszul van feltüntetve. A 174. oldalon a bistabil multivibrátort 2-bitesnek írja.
köszi, kijavítgattam.
Hát ahogy nézem a fennti témában nem nagyon találni érdemleges írást, nem, hogy friss(2010+), de még 2000utánit se nagyon. Mondjuk a HE. hu cikkek elég jók itt, csak máshol cinkes, ott nem tudom mennyire vannak "lektorálva" na de ilyen az internet
Nézd át ennek a téged érdeklő részét: rádióamatőr tananyag.
Illetve az Elektrotechnikai szakismeretek 1. Híradástechnika illetve ugyan ennek a második része ami nagyon jó alapkönyv. Bővebben: Link.
köszi, ugyan egyenlore csak az elso reszt talaltam meg, de ez tenyleg hasznos.
Sziasztok!
Van itthon egy hangérzékelős kütyü, egy piezo, pár tranzisztor, ellenállás, elkó. Hanghatásra a piezo egy RC körön keresztül nyitja T1-et, aminek az emittere megy egy másik RC körre, ami T2 bázisa, aminek emittere megy az T1 bázisára tölteni az RC-t. Problémám, hogy túl rövid ideig van a kimeneten feszültség. Annyira zsúfolt diszkrét alkatrészekkel a nyák, hogy elég problémás a mérés, kapacitív tápja van, hálózatról táplálva, nem szívesen méregetnék, ha nem muszáj. Kérdéseim az alábbiak lennének: mi a reális határa az RC körös időzítésnek egy kis feszültségű (5-10 V)-os rendszernél (piezo és a tranzisztor feszültségtartományából kiindulva)? Ha rövidrezárom a piezo két pólusát, akkor folyamatosan fog világítani a lámpa? Szükség lehet a piezo lábai közé egy bázis ellenállást tenni? (T1-es egy c331-es NPN, 100 mA-s collector árammal és 300 közeli typical hfe-vel adatlap alapján) Szóval igazából a piezo transzfer karakterisztikájára lennék kíváncsi, nem találtam róla túl sok mindent. Válaszokat előre is köszönöm. A hozzászólás módosítva: Nov 2, 2016
Sziasztok!
Van egy 5V-os feszultseg forrasom, ami le van korlatozva 2A-ra(power bank). Erre szeretnek driver nelkul rakotni egy XM-l2-es ledet aminek a feszultsege 3.6V korul van. Azt szeretnem ha mind a 2A keresztul menne a Led-en vagyis elhagynam az elotet ellenalast. A kerdesem, hogy ez igy mukodhet-e vagy megart az 5V a LED-nek? Elore is koszi a valaszokat!
Ezt így együtt nem szereti a LED. A 2A a power bankon azt jelenti, hogy maximum annyi áramot képes szolgáltatni, 5V feszültség mellett. Megnézed a LED mekkora árammal működhet, (abból kb. 10%-ot kivonsz), az lehet az árama. A segédprogramok között megtalálod a led soros bekötéséhez szükséges ellenállás számítását, beírod az adatokat, és megmondja, mekkora előtétellenállást kell használnod.
Vagy, építesz (veszel) egy áramgenerátort. |
Bejelentkezés
Hirdetés |






