Fórum témák
» Több friss téma |
Fórum » Csöves erősítő készítése
Ne feledd betartani a fórum viselkedési szabályait, és a topik megmaradásának feltételeit. [link]
A téma átmenetileg fagyasztva lett, hozzászólni nem tudsz!
Idézet: „halat kérsz, vagy hálót?” Ez teljesen jogos! Főleg mint villamos szakember érzem át ennek súlyát! Igen hiányosak e témában az ismerteim, és bőven van mit tanulni! Főleg ezek a függvények a nagy mumusaim, amiket nem igazán értek. Olvasgattam már a munkaegyenes felvételéről, de valahogy még magas mindig. Ott kellene kezdeni, hogy meg kellene tanulni a cső alapkapcsolásokat és beállításokat. Igen, a leggazdaságosabb az lenne, ha halászni tanulnék meg. De ha éhes az ember, nem kenyeret süt, hanem vesz magának. Nem jobb, nem finomabb, de pillanatnyilag célravezető. Majd az ünnepek alatt neki ülök, és olvasgatok, van már néhány irodalom a birtokomban, remélem sikerül is megértenem. Hi-fi célra akarom használni, nem gitár erősítőnek. Afelől kétségem sem volt, hogy az Indelek hiteles adatokkal vannak feltüntetve. Csak így számértékileg kicsit kicsinylem a 15kHz-et. Hogy aztán egyébként észrevenném-e, ha 20, vagy az felett lenne a teteje, ezt nem tudom. Legfeljebb csinálok egy hallás tesztet... küzmös Gergely: Mindig elfelejtem, hogy itt pont fordítva történik a fesz kitáplálás, mint a hálózati trafón. Hogy itt középre kerül a betáp. Az anód feszt és áramot csak-csak megértem, de ezek a rács feszültségek kissé homályosak, főleg a negatív rács előfesz. Erről a junoty hálózati trafós kimenőtrafó dologról olvastam már. Az irónia a dologban, hogy most volt lomtalanítás és tudtam is volna szerezni kér ilyen tv-ét, de pont nem volt az eszemben ez a dolog! Na nem baj, kárpótol a két PL500. Természetesen a legolcsóbb az volna, bár van két szép 2xSM102b trafóm, ami szintén remek kimenő anyagok lennének, csak így a tekercselés árából tudnék venni kimenőt. Ezek a csövek önerőből világlanak így, vagy meg vannak altúról világítva egy leddel, amely mostanában oly divatos? De tény, hogy nagyon mutatós! Gergely, Péter: A végső konzekvenciám az, hogy veszteni nem vesztek semmiféleképpen a trafókkal, mert csövem van bőven. Kb. 20db Van miből válogatni, és ha nem tetszik a hangja, vagy csak jobbat szeetnék, még mindig ott vannak a 102 C magok, és cső is hozzá. Legfeljebb eladom anyagárban...
Szervusz!
Valamikor vettem én is ilyen Indel kimenőt, amin ott a plafon írva: 15kHz. Mert gitárerősítő célra készült. Sikerült eladni, még jobban örültem... ![]() Azonkívül a véleményem, a kis TV trafóitól Hi-Fi-t nem kell várni. Az M102A kell 10-15W-hoz, hogy a kimenőn már ne múljon. A BEAG vasait emiatt gyűjtöm, kimenők és hálózatiak is ezkből lesznek. Mástól tudom, ekkorák kellenek, minek kísérletezzek. Az, hogy nekem tetszik-e (kisebb és bontott trafók) a kapott hang, nem perdöntő. Amikor megmérem, meddig visz át a trafó, úgyis kiesnének a kicsik, szerintem nincsenek csodák - mondom, szerintem és nem töltöm az időm, ha feleslegesnek látom a munkát velük. Nincs az olyan sok...idő. Idézet: „Csak így számértékileg kicsit kicsinylem a 15kHz-et” Gyakorlatilag semmi adatot nem adtak meg a frekvencia átviteléről. 40-15KHz így értékelhetetlen, ez lehet +/-10dB pontok között is, de lehet +/-0,5dB sávon belül is. Nagyon nem mindegy melyik a valós.
Annyit tudok, hogy a sávszélességet -3dB ponton adják meg, és a karakterisztika végén erős vágás van már ezen túl. Gondlom ez esetben is ez lehet a "töréspont".
Ez az ami nem biztos, fel kell tüntetni, akkor lehet csak hiteles.
Akkor e tekintetben még bizalmatlanabb vagyok vele szemben!
Az áttétele 0,06? Ez sem valós adat.
Mérésekkel lehetne ellenőrizni. Nézd meg mennyire szimmetrikus a primer DC R. Frekvencia átvitele is mérhető. A hozzászólás módosítva: Nov 28, 2016
Ez el is kerülte a figyelmem! Ott valami nagyon nem stimmel! Az igencsak sajtó hiba lehet. Vagy 6 az áttétel, vagy más adattal cserélték össze. De akkor mennyi az áttétel, és mi lehet az a 0,06...?
Még a 6 is nagyon kevés, ha az Raa 2k2 és 8 Ohmra méretezett szekundere van.
Fordítva számolva működhet a 0,06. 0,06x 0,06=0,0036x2200=7,92 így kijön a szekunder impedancia. A hozzászólás módosítva: Nov 28, 2016
A n=2200/8 helytálló mint áttétel? De ez meg túl nagy nem?
De lassan átmegyünk trafós témába! Nem akarok ide off témát, bár sok az egybetartozó téma, nem mindig lehet elszeparálni...
De ha éhes az ember, nem kenyeret süt, hanem vesz magának. Nem jobb, nem finomabb, de pillanatnyilag célravezető.
Oké. 400V anódfesszel 2k2 terhelésen a csövek végig a max. disszipáció felett járnak, nem is kicsivel, hanem sokkal. Egyébként ezek a sorvégcsövek sokkal többet bírnak mint amennyi Wa max meg van adva rájuk, használják is sokan a határadaton túl. De ez így szerintem nagyon sok. HiFi-re ez a trafó felejtős, a kisebb tesójához volt szerencsém, se teteje, se alja. Sima 0,5mm-es lemezekkel vannak vasalva az általam eddig látott Indelek. Ne a csőhöz igazodj (gombhoz kabát), általában nem ez a legdrágább alkatrész egy erősítőben. Amennyiben továbbra is érdekel a PL500, javaslom átnyálazni az 1969-es Rádiótechnika Évkönyvet, abban éppen ilyennel építkeznek.
1/0,06=16,66
16,66^2=277,55 277,55*8=2220,4 (az impedancia az áttétel négyzetével transzformálódik) Ott is van a 2k2.
Sziasztok!
Össze raktam az alábbi kapcsolást (lásd kép), csak nagyon torzít és villog lilán belül az EL34-es csövekben a fény a zene ütemére. A negatív feszültség -50V fix jelenleg, az alimentálás 420V, az anód arámat nem tudom állítani 25-30mA -erre, csak akkor ugrik meg az arám ha a -50V-os feszültséget lejjebb viszem kb 40V-ra, de akkor is csak 3,5mA-er lesz az anód arám, és ha ennyit állítok be akkor a hangfal el kezd búgni is! A kimenő trafó az jó kell hogy legyen, mert egy szak emberrel tekercseltettem. Ja igen és ha ki veszem a cső foglalatból az ECC83-ast és be kapcsolom az erősítőt akkor a két EL34-es fel váltva villog lilán, mint egy flik-flak, és közben búg a hangsugárzó!. Szerintetek hol lehet a hiba?, hol mérjek?.
Ha a PL500/504-et triódába kötnéd, lehet hogy egész jó hangot kapnál végül! (Vagy Ultralineár)
A csövön belül lilás fénnyel az anód áram látható. Ez még normális dolog lenne, de az, hogy felváltva villog a két cső, az valami mély frekvenciás gerjedésre utal. Mérd meg még a segédrács feszültséget is, hogy rendben van-e?
Tegyél fel egy képet a vezetékelésről, lehet, hogy túl hosszúak a segérdács vezetékei, vagy valami mellett futnak, ami belibegteti. A torzítás arra utal, hogy nincs munkapontba a végcső. Kellene egy oszcilloszkóp, ahol addig lehet tekerni a potit, amíg kisimul a jel. Húzd ki még az ECC81-et is, hogy akkor is gerjed-e a vége?
A PL500-nak kellően alacsony az illesztése.. 2,5k körül van. A másik nagy előnye hogy viszonylag alacsony feszültségen is jól szerepel PP üzem esetén. (300V anód, 200V segédrács, és -50V előfesz esetén 2,5k az illesztés) De ez kis mértékben változhat 2,2-3,5k közt. Attól függően is hogy milyen feszültségekről járatod. Kicsit módosul ha 400V van az anódon, 110V a segédrácson, és -25V előfesznek. "Gyertyafény" fényerősségű fénykép esetén lesz ilyen szép a kép.. tehát kis fényerős fényképezéssel adja így ki.. Ennyire azért nem "izzik".
A hozzászólás módosítva: Nov 28, 2016
A csatolt kép melyik könyvből származik?
400V-on sok sikert hozzá. Ezeknél a csöveknél (legalább is a PL509/519 esetében) nagyon nem mindegy a segédrács feszültsége. Szerintem elszállnak, mint győzelmi zászló.
Én nem írtam 400V-ot sehol. Mivel 250V a segédrács megengedett feszültsége, ezért, ha ennyi a tápfesz is, akkor a cső triódába köthető. (Szerintem)
Igen, de nem is hívtad fel a srác figyelmét rá és Ő 400V-ról akarja járatni az erősítőjét.
Nem, én nem akarom annyiról járatni, csak aki a trafót ajánlotta nekem, ennyit mondott.
Cskélyebbnél is csekélyebb a csöves technikában való kártasságom, de ezt a 400V-ot kicsit gyanúsan sokallotam én is! Pár kapcsolást már néztem, és mazsoláztam itt a témában is, és többségében úgy tapasztaltam, hogy olyan 200-300V tájékán vannak megtáplálva.
PL500/504 csőnél max. tápfeszültség 300V. A régi RT Évkönyvben is ennyit adtak neki.
Mehet az 400+ V-ról is, ha a segédrácsot nem visszük, 100-150V fölé!
A hozzászólás módosítva: Nov 30, 2016
Elvileg gondos beméretezéssel anódtápról is leosztható a segédrács feszültsége, majd a segédrácsáram ejti a saját feszültéségét.
valvewizard.com oldalon jó leírásokat találsz, a muki írt is egy könyvet - bár ő kifejezetten gitár erősítő szempontjából építkezik, a csövek működése ugyanaz. Illetve, ismerd meg az ellenséged, HIFI erősítőnél az pedig a torzítás (többek közt).
Nálam is 400V az anódfesz, Ug2 pedig 150V.Így 40W szinusz kijön.
Csövek élettarttamáról nincs infóm, mert kb. egy kezemen meg tudom számolni, hány órát ment összesen az erősítő.
Sziasztok!
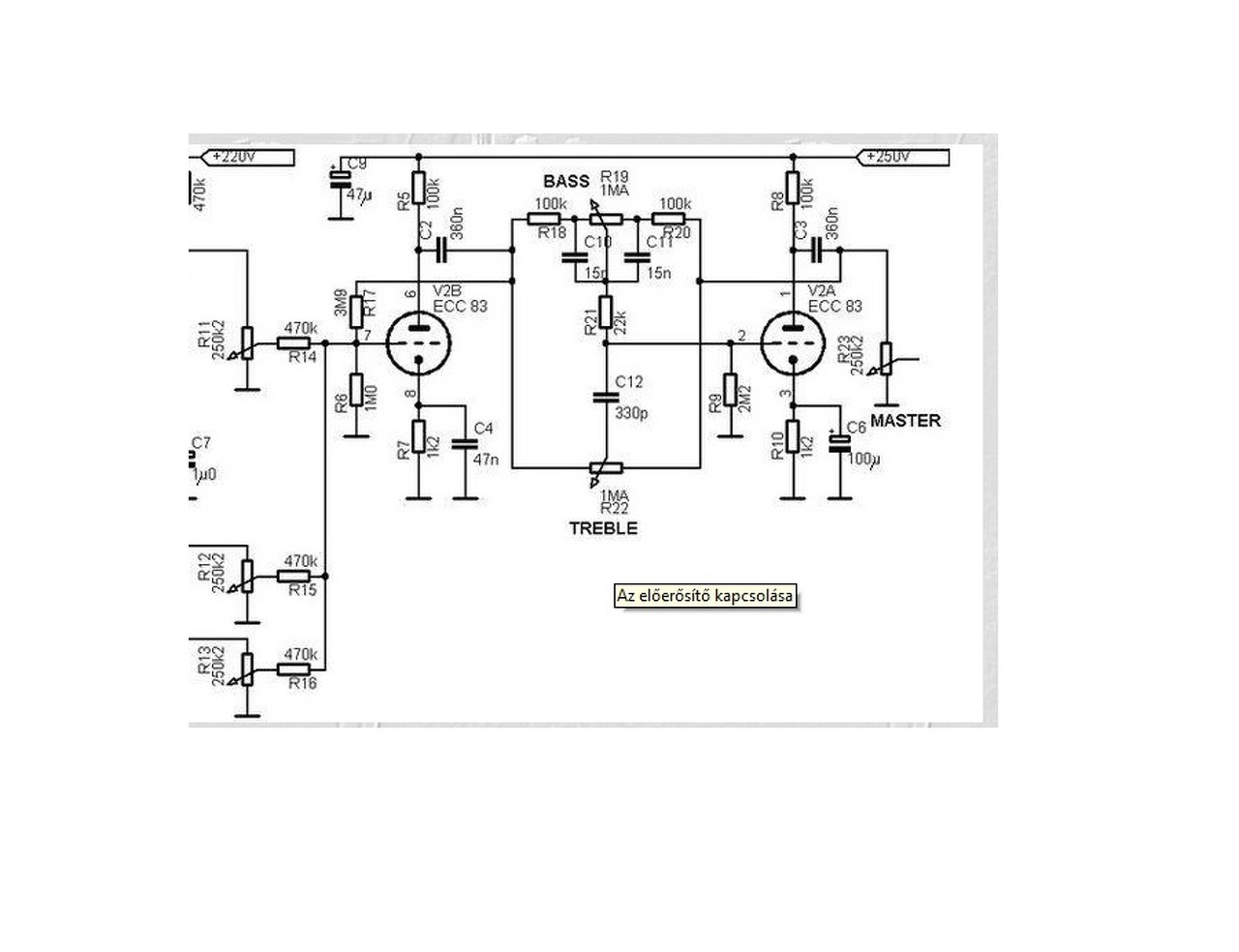
Sikerült be állítanom a 2X25mA-er anód arámot az EL34-es csöveknek, csak meg kellet változtassak egy ellenállás érteket a negatív feszültséget előállító áramkörnél, a 10K ellenállást le kellet cseréljem 20K-ra, és hogy be tudjak állítani 2X25mA-ert, ehhez az értékhez 2X -37V kellet A, és B pontokhoz!, nem tudom hogy ez így jó lesz e a csöveknek?, mert a rajzon -40, -42V-ot említ, és én csak ez alatt a feszültség alatt tudtam be állítani a kellő arám érőseget.?. A másik dolog, a hangszín szabályozó reszel még küzködök, mivel elég gerjedékeny, és nem birok rá jönni hogy mi okozza!. A jelenség az hogy ha a magas frekit állító potenciométert ha ki tekerem maximumra akkor az erősítő úgy funkcionál mint egy jel generátor, mert a kimeneten szépen meg jelenik egy szinusz jel, oszcilloszkóppal mérve, és a hangszóróban hallatszik valami rádió frekvencia jel is. Próbáltam át alakítani a hangszín részt, hátha ki tudom küszöbölni a gerjedést, és a mar említett bemeneti érzékenység csökkentését. A legutóbbi sikerült is!, és sikerült CD-lejátszóról jártatva az erősítőt úgy hogy ne torzítson, viszont meg maradt az az egy problémám, mikor fel tekerem maximumra a magast állító potit akkor el kezd gerjedni az erősítő, és a kimeneten csak ott van a szinusz jel. (A visszacsatoláshoz nem kellet nyúlnom, az maradt a régi érték 47K) Mitől lehet ez?, hogyan küszöböljem ki?, itt meg említeném még azt is hogy a hangszíntől nem akarok meg válni, mert nem szeretnék egy újabb panelt építeni, tehát ez marad!. Azért választottam ezt a hangszínt, mert szinte teljesen ugyan az ami nekem van az erősítópanelon!, tehát most ezzel üzemel az erősítőm, ez már sokkal jobban tetszik mint az eredeti, csak a gerjedés ne lenne. (itt meg említeném meg egyszer az eredeti hangszínnel is ugyan ezt a gerjedést csinálta!) Tudom most sokak fogjak a fejük hogy minek kell egy csöves erősítőhöz hangszín, mert csak ront a hangon!, nah hat most ebbe került, ez így marad, a következőben már nem lesz! ![]() Teszek fel egy rajzot a feszültség értékeivel is. A hozzászólás módosítva: Nov 30, 2016
Ja igen, és még valami, a két EL34-es csőben csak látszik sötétben halványan egy lila csík, úgy hogy az erősítő nincs vezérelve, ha gerjed az erősítő ha nem!.
Ez így normális jelenség?. Teszek fel még egy képet a deszka módélről is. (Lesz ez még szép is!)
Szia Kingston!
Ha ki húzom az ECC81-es csövet akkor már nem csinálja ezt a figurát, de ha bent van a helyén az ECC81-es, és az ECC83-ast vissza teszem a helyére akkor meg szűnik ez a mély frekvenciás gerjedés. Vagy akkor is meg szűnik ha az ECC81-es cső a helyén marad, az ECC83-ast ki veszem a cső foglalatból, és az ECC83-as csőnek a Anód ellenállását ki veszem a helyéről (220K/1W), akkor is meg szűnik a gerjedés. Próbáltam már úgy is az erősítőt járatni hogy ki hagytam a hangszín részt teljesen, és az ECC81-es cső 7-es lában lévő 470nF-os kondenzátor elibé kötöttem a CD lejátszó kimenetelét, de nem hajtotta ki teljesen az erősítőt!.
Bővebben: Link
Érdemes elolvasgatni.. Sokféle megoldással szembesülhetsz. A PL500 segédrácsa 250V-ban van maximálva adatlap szerint. De 300V-ot is bírja tartósan, nem lesz baja. (400V-ot nem próbálnék) -25 -70V közt állítható előfeszültséggel megtalálható az az "állapot" amivel jó lesz. Az ajánlott anódáram 16-18 mA, de el lehet menni 20-25-ig is. Toleráns jószág. Én próbáltam tisztán pentóda jellegűként is, azaz a 300V tápfeszültség ment a segédrács táplálására is. De akár egy szem PCL85-tel épített ,pár alkatrészes stabilizált (100-300V közt) állítgathatós segédrács feszültséget is csinálhatsz neki, mint a linkelt sztereo változat kapcsolásában láthatod. Ami a jobb felső vissza fülre kattintva kikereshető. A hozzászólás módosítva: Nov 30, 2016
|
Bejelentkezés
Hirdetés |


Na nem baj, kárpótol a két PL500. Természetesen a legolcsóbb az volna, bár van két szép 2xSM102b trafóm, ami szintén remek kimenő anyagok lennének, csak így a tekercselés árából tudnék venni kimenőt. 









