Fórum témák

» Több friss téma
Fórum » Kapcsolási rajzot keresek
 
Témaindító: Kallai Csaba, idő: Márc 11, 2006
Témakörök:
Lapozás: OK   310 / 384
(#) gerenk válasza rammeradrian hozzászólására (») Dec 8, 2016 /
 
Szia !
Nagy valószínűséggel DH321 controller amit keresel. A kép alapján nézd meg egyezik e.
A hozzászólás módosítva: Dec 8, 2016
(#) eyess válasza gerenk hozzászólására (») Dec 8, 2016 /
 
Nem jó megnéztem.A 3 mas lábra kell a VCC , és nem a 2 esre , 5 ös láb nincs bekötve , ezen pedig oda megy a VCC. stb.
A hozzászólás módosítva: Dec 8, 2016
(#) gerenk válasza eyess hozzászólására (») Dec 8, 2016 /
 
Nem lesz könnyű megtalálni, próbálj a gugliban így keresni képtalálatokat - smps power supply controller ic 8lsop - vagy amilyen a tokozás. Azt meg tudod állapítani. Ahogy láttam nem DIP tokozás.
8LSOP vagy 8SSOP vagy ilyesmi
Bocsi a hozzászólást rammeradriannak szántam.
A hozzászólás módosítva: Dec 8, 2016
(#) eyess válasza gerenk hozzászólására (») Dec 8, 2016 /
 
Tudom , hogy nem könnyű , de hátha .
(#) eyess válasza rammeradrian hozzászólására (») Dec 8, 2016 /
 
Azt már nem is kérdem , hogy a felső darabja meg van e , mert biztos nincs.Pedig szétszedéskor valahol a belsejében kellett lenni, de gondolom felejtős.
(#) rammeradrian válasza eyess hozzászólására (») Dec 8, 2016 /
 
Hát én nem találkoztam a darabkával, legalábbis szétszedés közben eszembe nem jutott hogy ilyenekre figyeljek, így meg nem került elő.
(#) 13_Balu50 válasza eyess hozzászólására (») Dec 8, 2016 /
 
Nekem az egyik tápba THX202 IC kellett volna, de nem beszerezhető, THX 203 megy majd bele helyette, csak a lábkiosztása más, de megoldható. Azt a 3 lábat ami nem stimmel, nem nyom bele a foglalatba, hanem vékony szigetelt vezetékkel bekötöm a nyákba.
(#) eyess válasza 13_Balu50 hozzászólására (») Dec 8, 2016 /
 
Lehet kapni.

Bővebben: Link
(#) 13_Balu50 válasza eyess hozzászólására (») Dec 8, 2016 /
 
Köszi, de Kínából nem rendelek, nekem darabja fog annyiba kerülni, de ez van, kell és kész. Nem találtam olyat IC-t itthon amivel tudtam volna helyettesíteni, ez pedig a segédtápba kell, anélkül nem fog elindulni, a nagy táp . Az nem megoldás, hogy 9 v-os elemről adom neki a segédtápot, mert úgy működik a kapcsoló üzemű tápegység.
(#) eyess válasza rammeradrian hozzászólására (») Dec 10, 2016 /
 
Ha még aktuális , ezt találtam neked.Nagyon oda illik a vezérlő.
(#) Mátó Mihály hozzászólása Dec 10, 2016 /
 
Szevasztok. legyen szives segiteni valaki ha tud. Thomson DPL909VD házimozihoz ha van müszaki rajz tegye lehetövé hogy elérjem, a ketyerén stby van de nem lehet bekapcsolni,stby táp jó 5v OK,a tápba a bekapcsoló relé nem kapja meg a feszültséget (analóg müszerrel is mértem) ha megnyomom a bekapcsoló gombot,a relé jó,a tekercsel párhuzamos aktiv elemet védö dióda nem zárlatos, ha a relé két érintkezöjét öszekötöm a ketyere tökéletesen müködik de nem merem így használni mert ha valami meghibásodik nem tiltja le a tápot és kikapcsolás sincs csak ha kihúzom a konektorból. Köszönöm szépen.
(#) eyess válasza Mátó Mihály hozzászólására (») Dec 10, 2016 /
 
Azt hiszem ez lesz az .

Power S.PNG
    
(#) Mátó Mihály válasza eyess hozzászólására (») Dec 10, 2016 /
 
Köszönöm

thomson.png
    
(#) eyess válasza Mátó Mihály hozzászólására (») Dec 10, 2016 /
 
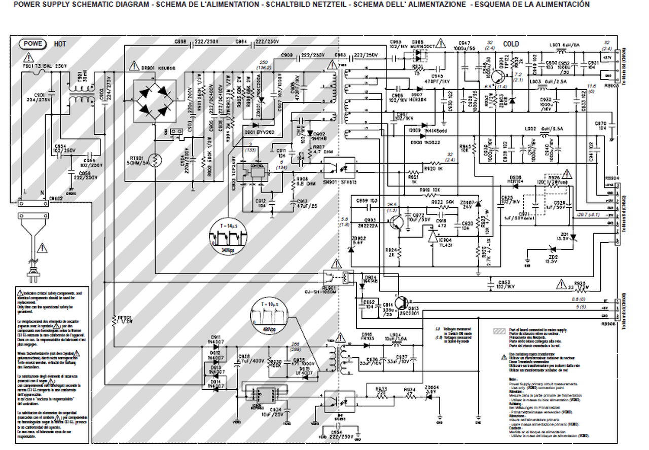
Értem , azt kellene kimérni , hogy a +5 volt jelen van ez L904 , és a C 934 közös pontján.Ha ez meg van , akkor utána az a feladat , hogy a Q913 bázisán készenlétből indítva megjelenik e a +0,8 volt , ami kapcsolná a tranzisztort. Ha nincs +5v volt akkor a tápnál van gond , ha a + 0,8 kapcsoló jel nincs meg , akkor majd nézzük tovább.Egyenlőre ennyi lenne.
(#) Mátó Mihály hozzászólása Dec 10, 2016 /
 
A stby táp jó,megvan az 5v a 220uf kondit cseréltem mert csak 180uf-os volt,a tranzisztort kivettem teszterrel mértem és jó, a kijelzön a karkterisztikáji is jók,a bázisán 0,64volt van ha nyomom a stby gombot,ha nem nyomom akkor is.
(#) eyess válasza Mátó Mihály hozzászólására (») Dec 10, 2016 /
 
Az nem jó , illetve kevés is . Tehát a tranzisztor bázisán , ha készenlétben van , akkor ott 0v kell legyen , ha pedig indítás történik , akkor pedig 0,8 v nak kell lenni.
(#) Sebi válasza Mátó Mihály hozzászólására (») Dec 11, 2016 /
 
A 0,64V-ra szerintem annak a tranzisztornak már nyitva kellene lennie, ami a relé meghúzását is jelenti... Mérj a kollektoron feszültséget: zárt tranyónál tápfesz, nyitottnál 0,1...0,3V lehet. Tehetsz egy LED-et (előtét ellenállással) a kollektorba ( párhuzamosan a relével, polaritáshelyesen), hogy lássuk, működik-e a távról.
Gyanús a relé tekercse, bár ritka a szakadás...
A hozzászólás módosítva: Dec 11, 2016
(#) Mátó Mihály válasza Sebi hozzászólására (») Dec 11, 2016 /
 
A relét tegnap kivettem megmértem 55ohm,a datasheet oldalán is ennyi,külsö tápról müködik,érinkezö kapcsol,a tekercsel párhuzamos dióda nem zárlatos. Ma kivettem a tranzisztort és igy a bázis helyére mérve 5V van,stby gombra nincs reagálás. Rajz kéne hogy tudjam követni a vezérlést,probáltam a stby gombtól indulva is,és a tranzisztor bázisától is követni de követhetetlen mert szerintem a nyák többrétegü,lyukgavanizált lyukakba vannak forrasztva az alkatrészek. Szerintem a stby gomb a procinak ad jelet és a proci kéne továbitsa a tranzisztornak,ha átkötöm a relé érintkezöit tökéletesen müködik rajta minden,DVD, a rádió is hangolni is lehet. Rajz volna jó. Köszönöm segitségedet.
(#) eyess válasza Mátó Mihály hozzászólására (») Dec 11, 2016 /
 
Ha a tranzisztor kivétele után +5v ot mérsz a bázis pontján az végképp nem jó .Mert annyi nem lehetne sehogy sem.

Egyébként a rajzot innen le tudod tölteni , csak ide nem tudtam neked teljes egészében felrakni a méret korlát miatt.

Bővebben: Link
(#) dokidoki válasza eyess hozzászólására (») Dec 11, 2016 /
 
Pedig, ha kivesszük akkor simán lehet annyi, mert a bázisosztó ellenállás ami a proci felől van hajtva az annyi lehet, és az osztó alsó tagja megszűnik létezni mert az a tranyó bázis emitter diódája lenne. Így , ha ott 5 volt van, akkor elmondhatjuk, hogy a tranzisztor kap vezérlést a proci felől, de nem kapcsol, így a relé sem húz meg.
(#) eyess válasza dokidoki hozzászólására (») Dec 11, 2016 /
 
Lehet tovább még nem néztem a rajzot .
(#) Mátó Mihály válasza eyess hozzászólására (») Dec 11, 2016 /
 
Köszönöm szépen a rajzot.

thomson.jpg
    
(#) madazg77 hozzászólása Dec 11, 2016 /
 
Sziasztok!

Keresek egy power line kapcsolást vagy cél IC-t, max. 48V DC feszültségre. Nagy sebesség nem kritérium. Néztem több IC gyártó honlapját, de nem tudtam eldönteni melyik volna alkalmas számomra. Valaki tudna ajánlani kapcsolást vagy IC-t?

Köszönöm.
A hozzászólás módosítva: Dec 11, 2016
(#) Sebi válasza Mátó Mihály hozzászólására (») Dec 11, 2016 /
 
Akkor nem megy a kvarc oszcillátor, csak ha megérinted a lábat (gyakori hiba). Elöregedett a kristály - nagy lett a vesztesége - vagy valamelyik kondija nem tökéletes már. Esetleg a 100k ellenállás megnyúlt.
(#) eyess válasza Mátó Mihály hozzászólására (») Dec 11, 2016 /
 
Szívesen , és mi a fejlemény egyébként ?
(#) Mátó Mihály válasza eyess hozzászólására (») Dec 11, 2016 /
 
a rajzra írtam a fejleményt
(#) Mátó Mihály válasza Sebi hozzászólására (») Dec 11, 2016 /
 
a kondik smd kondik,párhuzamosan próbára tettem rá másik kondit de akkor is csak érintésre indul, az ellenállst mértem 100kilós nincs megnyulva. Valahol veszek kvarcot,reggel megyek melózni országjáró vagyok,csütörtökön este érek haza,jelentkezem a fejleményekkel mikor kicseréltem. Köszönöm a segitséged.
(#) Sendi hozzászólása Dec 12, 2016 /
 
Egy Tacskós fitnesz rázógép (HM-1507R) tápegységének rajzát keresem. Boch Tech BCVC 04 típusú. Tud valaki róla valamit?
(#) eyess válasza Sendi hozzászólására (») Dec 12, 2016 /
 
Mi baja a tápnak ? Mondjuk egy kép nem ártana róla hátha látunk rajta valami hibát.
A hozzászólás módosítva: Dec 12, 2016
(#) Sendi válasza eyess hozzászólására (») Dec 12, 2016 /
 
E4 hibát ír ki. Nem tudom mit jelent az. A kijelző megy, de meg sem moccan a motor. a motor meg volt szorulva . Vizet kaphatott. A panel is elázott. A panelba bele tudok mélyedni, de a hibaüzenet, és esetleg a rajz sokat segíteni.
Következő: »»   310 / 384
Bejelentkezés

Belépés

Hirdetés
XDT.hu
Az oldalon sütiket használunk a helyes működéshez. Bővebb információt az adatvédelmi szabályzatban olvashatsz. Megértettem