Fórum témák
» Több friss téma |
Fórum » Kapcsolási rajzot keresek
Témaindító: Kallai Csaba, idő: Márc 11, 2006
Témakörök:
Szia !
Nagy valószínűséggel DH321 controller amit keresel. A kép alapján nézd meg egyezik e. A hozzászólás módosítva: Dec 8, 2016
Nem jó megnéztem.A 3 mas lábra kell a VCC , és nem a 2 esre , 5 ös láb nincs bekötve , ezen pedig oda megy a VCC. stb.
A hozzászólás módosítva: Dec 8, 2016
Nem lesz könnyű megtalálni, próbálj a gugliban így keresni képtalálatokat - smps power supply controller ic 8lsop - vagy amilyen a tokozás. Azt meg tudod állapítani. Ahogy láttam nem DIP tokozás.
8LSOP vagy 8SSOP vagy ilyesmi Bocsi a hozzászólást rammeradriannak szántam. A hozzászólás módosítva: Dec 8, 2016
Azt már nem is kérdem , hogy a felső darabja meg van e , mert biztos nincs.Pedig szétszedéskor valahol a belsejében kellett lenni, de gondolom felejtős.
Hát én nem találkoztam a darabkával, legalábbis szétszedés közben eszembe nem jutott hogy ilyenekre figyeljek, így meg nem került elő.
Nekem az egyik tápba THX202 IC kellett volna, de nem beszerezhető, THX 203 megy majd bele helyette, csak a lábkiosztása más, de megoldható. Azt a 3 lábat ami nem stimmel, nem nyom bele a foglalatba, hanem vékony szigetelt vezetékkel bekötöm a nyákba.
Köszi, de Kínából nem rendelek, nekem darabja fog annyiba kerülni, de ez van, kell és kész. Nem találtam olyat IC-t itthon amivel tudtam volna helyettesíteni, ez pedig a segédtápba kell, anélkül nem fog elindulni, a nagy táp . Az nem megoldás, hogy 9 v-os elemről adom neki a segédtápot, mert úgy működik a kapcsoló üzemű tápegység.
Ha még aktuális , ezt találtam neked.Nagyon oda illik a vezérlő.
Szevasztok. legyen szives segiteni valaki ha tud. Thomson DPL909VD házimozihoz ha van müszaki rajz tegye lehetövé hogy elérjem, a ketyerén stby van de nem lehet bekapcsolni,stby táp jó 5v OK,a tápba a bekapcsoló relé nem kapja meg a feszültséget (analóg müszerrel is mértem) ha megnyomom a bekapcsoló gombot,a relé jó,a tekercsel párhuzamos aktiv elemet védö dióda nem zárlatos, ha a relé két érintkezöjét öszekötöm a ketyere tökéletesen müködik de nem merem így használni mert ha valami meghibásodik nem tiltja le a tápot és kikapcsolás sincs csak ha kihúzom a konektorból. Köszönöm szépen.
Értem , azt kellene kimérni , hogy a +5 volt jelen van ez L904 , és a C 934 közös pontján.Ha ez meg van , akkor utána az a feladat , hogy a Q913 bázisán készenlétből indítva megjelenik e a +0,8 volt , ami kapcsolná a tranzisztort. Ha nincs +5v volt akkor a tápnál van gond , ha a + 0,8 kapcsoló jel nincs meg , akkor majd nézzük tovább.Egyenlőre ennyi lenne.
A stby táp jó,megvan az 5v a 220uf kondit cseréltem mert csak 180uf-os volt,a tranzisztort kivettem teszterrel mértem és jó, a kijelzön a karkterisztikáji is jók,a bázisán 0,64volt van ha nyomom a stby gombot,ha nem nyomom akkor is.
Az nem jó , illetve kevés is . Tehát a tranzisztor bázisán , ha készenlétben van , akkor ott 0v kell legyen , ha pedig indítás történik , akkor pedig 0,8 v nak kell lenni.
A 0,64V-ra szerintem annak a tranzisztornak már nyitva kellene lennie, ami a relé meghúzását is jelenti... Mérj a kollektoron feszültséget: zárt tranyónál tápfesz, nyitottnál 0,1...0,3V lehet. Tehetsz egy LED-et (előtét ellenállással) a kollektorba ( párhuzamosan a relével, polaritáshelyesen), hogy lássuk, működik-e a távról.
Gyanús a relé tekercse, bár ritka a szakadás... A hozzászólás módosítva: Dec 11, 2016
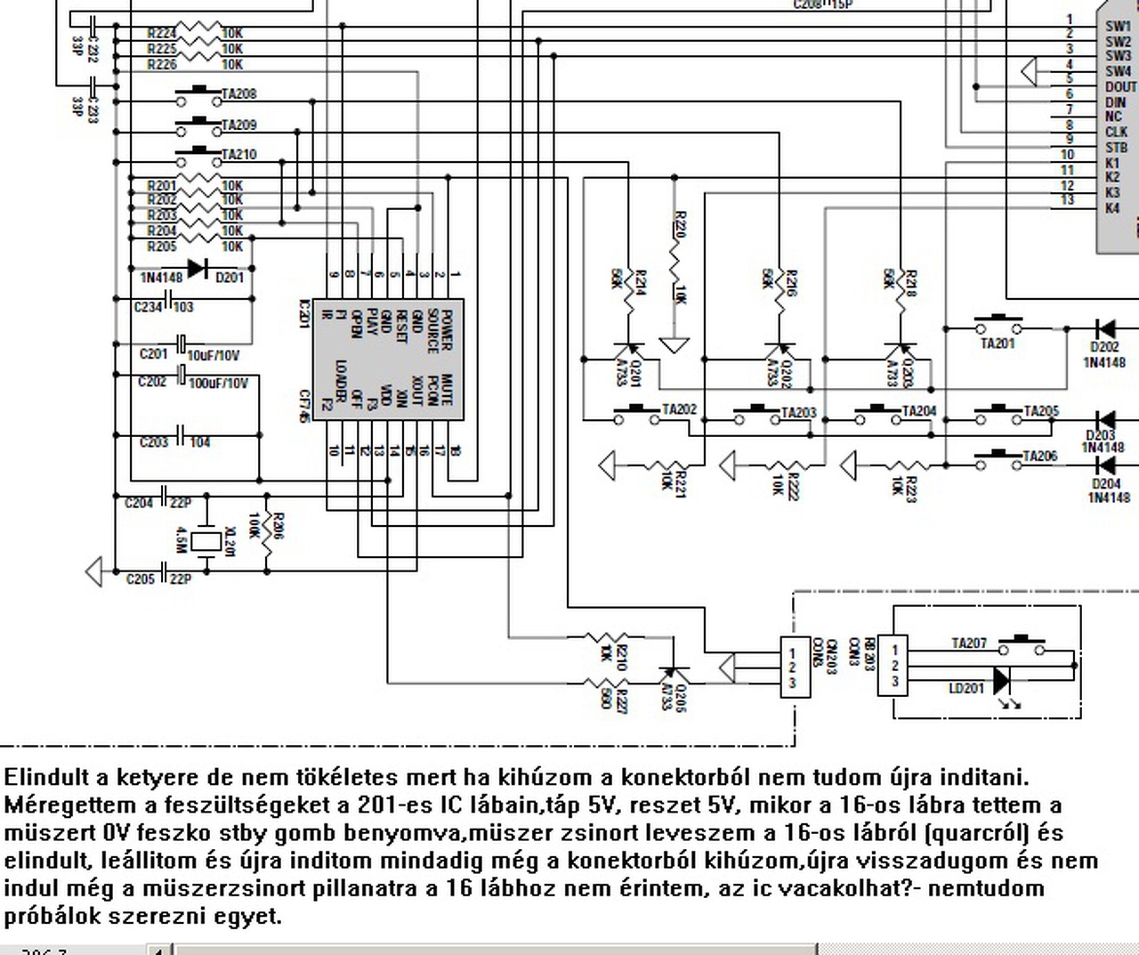
A relét tegnap kivettem megmértem 55ohm,a datasheet oldalán is ennyi,külsö tápról müködik,érinkezö kapcsol,a tekercsel párhuzamos dióda nem zárlatos. Ma kivettem a tranzisztort és igy a bázis helyére mérve 5V van,stby gombra nincs reagálás. Rajz kéne hogy tudjam követni a vezérlést,probáltam a stby gombtól indulva is,és a tranzisztor bázisától is követni de követhetetlen mert szerintem a nyák többrétegü,lyukgavanizált lyukakba vannak forrasztva az alkatrészek. Szerintem a stby gomb a procinak ad jelet és a proci kéne továbitsa a tranzisztornak,ha átkötöm a relé érintkezöit tökéletesen müködik rajta minden,DVD, a rádió is hangolni is lehet. Rajz volna jó. Köszönöm segitségedet.
Ha a tranzisztor kivétele után +5v ot mérsz a bázis pontján az végképp nem jó .Mert annyi nem lehetne sehogy sem.
Egyébként a rajzot innen le tudod tölteni , csak ide nem tudtam neked teljes egészében felrakni a méret korlát miatt. Bővebben: Link
Pedig, ha kivesszük akkor simán lehet annyi, mert a bázisosztó ellenállás ami a proci felől van hajtva az annyi lehet, és az osztó alsó tagja megszűnik létezni mert az a tranyó bázis emitter diódája lenne. Így , ha ott 5 volt van, akkor elmondhatjuk, hogy a tranzisztor kap vezérlést a proci felől, de nem kapcsol, így a relé sem húz meg.
Köszönöm szépen a rajzot.
Sziasztok!
Keresek egy power line kapcsolást vagy cél IC-t, max. 48V DC feszültségre. Nagy sebesség nem kritérium. Néztem több IC gyártó honlapját, de nem tudtam eldönteni melyik volna alkalmas számomra. Valaki tudna ajánlani kapcsolást vagy IC-t? Köszönöm. A hozzászólás módosítva: Dec 11, 2016
Akkor nem megy a kvarc oszcillátor, csak ha megérinted a lábat (gyakori hiba). Elöregedett a kristály - nagy lett a vesztesége - vagy valamelyik kondija nem tökéletes már. Esetleg a 100k ellenállás megnyúlt.
Szívesen , és mi a fejlemény egyébként ?
a rajzra írtam a fejleményt
a kondik smd kondik,párhuzamosan próbára tettem rá másik kondit de akkor is csak érintésre indul, az ellenállst mértem 100kilós nincs megnyulva. Valahol veszek kvarcot,reggel megyek melózni országjáró vagyok,csütörtökön este érek haza,jelentkezem a fejleményekkel mikor kicseréltem. Köszönöm a segitséged.
Egy Tacskós fitnesz rázógép (HM-1507R) tápegységének rajzát keresem. Boch Tech BCVC 04 típusú. Tud valaki róla valamit?
Mi baja a tápnak ? Mondjuk egy kép nem ártana róla hátha látunk rajta valami hibát.
A hozzászólás módosítva: Dec 12, 2016
|
Bejelentkezés
Hirdetés |










